Поиск подшипника
Статьи
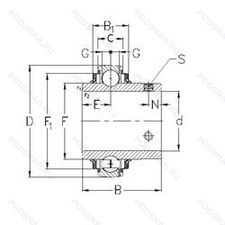
GYE20KRRB — Подшипник для корпуса, модификация основного исполнения GYE20, выпускается производителями: FAFNIR, INA, NEUTRAL, NKE, TIMKEN.
Размер подшипника: 20x47x31 мм.
Альтернативное обозначение: 56204, YAR204-2F.
Аналоги: GYE20KRRB INA,GYE20-XL-KRR-B INA,479204D SKF,630304B SKF,GYE20KRRB Timken,M-UC204D1 NTN,RB12ML Koyo,RB204 KSB,RB204 ISB.
Международная стандартизации ISO
GYE20KRRB
В наличии
| Обозначение | Конструктивные изменения |
|---|---|
| GYE20-XL-KRR-B | Подшипник со сферическим наружным кольцом. Серия X-Life премиум-класс. увеличиный срок службы. Манжетные уплотнения с обеих сторон (уплотнение типа R - имеет оцинкованные внутреннюю и внешнюю крышки. Между крышками имеется уплотнительная кромка NBR. идущая по шлифованному буртику). |
| GYE20KRRB SGT | Shaft Guarding Technology™. |
Модификации подшипника для корпуса GYE20KRRB — это измененное основное конструктивное исполнение GYE20, основные размеры (20x47x31) не отличаются.
| Обозначение | Гост | Конструктивные особенности |
|---|---|---|
| 56204 | ISO | Подшипник для корпуса. |
| RB204 | ISO | Угол контакта 40 градусов. |
| 479204D | ISO | Измененный внутренний дизайн. |
| 630304B | ISO | With Lubrication Hole In The Outer Ring. |
| RB12ML | ISO | Механически обработанный латунный сепаратор. оконного типа. центрируемый по внутреннему или наружному кольцу в зависимости от типа подшипника. |
| M-UC204D1 | ISO | Не требующий обслуживания тип. |
| YAR204-012-2F/AH | ISO | Измененная или модифицированная внутренняя конструкция при неизменных основных размерах. Стандартное контактное уплотнение с дополнительным маслоотражательным кольцом с обеих сторон. Противовращающийся штырь. Массивные ножки и свободный момент выравнивания. 3/4. |
| YAR204-012-2RF | ISO | Стандартное контактное уплотнение с дополнительным прорезиненным кольцом с обеих сторон подшипника. 3/4. |
| YAR204-012-2RF/HV | ISO | Стандартное контактное уплотнение с дополнительным прорезиненным кольцом с обеих сторон подшипника. Подшипник или компонент подшипника из закаленной нержавеющей стали. 3/4. |
| UC204.G2 | ISO | Cистема повторного смазывания для корпусных подшипников. |
| GRA012-NPP-B-AS2/V | ISO | Подшипник со сферическим наружным кольцом. Манжетные уплотнения с обеих сторон (Тип P — две шайбы из оцинкованной листовой стали с промежуточной частью из NBR. Кромка уплотнения предварительно нагружена в осевом направлении). Наружное кольцо подшипника с двумя смазочными отверстиями в смещенных плоскостях. |
| YAR204-2RFW/VT307 | ISO | Стандартное контактное уплотнение с дополнительным прорезиненным кольцом с обеих сторон подшипника. Bearing Without Lubrication Hole(s) In Outer Ring. Специальная смазка. |
| AELS204-012D1 | ISO | Не требующий обслуживания тип. 3/4. |
| AELS204D1NRW3 | ISO | Не требующий обслуживания тип. Корпусной подшипник с установочным винтом. |
| UCS204-012D1 | ISO | Не требующий обслуживания тип. 3/4. |
| YAR204-2F/VA228 | ISO | Стандартное контактное уплотнение с дополнительным маслоотражательным кольцом с обеих сторон. Bearing With A “Coronet” Cage Of Graphite For Temperatures -150°C/+350°C. |
| B220X3/4 | ISO | Специальная фаска. Подшипник с чрезвычайно высокой точностью вращения (Abec9) и допуском формы (Abec7). |
| SER204-12R | ISO | 3/4. |
| UC204HT | ISO | Подшипник поставляется со специальной смазкой для высоких температур (до +130°C). |
| GRAE20-NPP-B-FA106 | ISO | Подшипник со сферическим наружным кольцом. Манжетные уплотнения с обеих сторон (Тип P — две шайбы из оцинкованной листовой стали с промежуточной частью из NBR. Кромка уплотнения предварительно нагружена в осевом направлении). Подшипник подвергается специальным испытаниям на шум. |
| J1020-20GCR | ISO | Вкладыш подшипника с возможностью повторной смазки. Нержавеющая сталь. |
| RAE20-XL-NPP | ISO | Серия X-Life премиум-класс. увеличиный срок службы. Манжетные уплотнения с обеих сторон (Тип P — две шайбы из оцинкованной листовой стали с промежуточной частью из NBR. Кромка уплотнения предварительно нагружена в осевом направлении). |
| GC1012KRRB5 | ISO | Conrad (Non-Filling Slot) Type. Сферический внешний диаметр. Резиновое уплотнение с двух сторон. |
| UY204-012.2S | ISO | Одинарное уплотнение с лабиринтом между листовой частью и резиновой кромкой, обеспечивающей контактное уплотнение. 3/4. |
| UY204-012.2S.SH | ISO | Одинарное уплотнение с лабиринтом между листовой частью и резиновой кромкой, обеспечивающей контактное уплотнение. 3/4. Cylindrical Outer Ring Without Lubrication Holes. |
| MUC/UC204S6 | ISO | Нержавеющая сталь. |
Аналог подшипника для корпуса GYE20KRRB — это подшипник такого же размера dx20,Dx47,Bx31, типа и конструкции.
| Обозначение | Конструктивные особенности | Внутренний (d) | Наружный (D) | Ширина (B) |
|---|---|---|---|---|
| BSD2047C/DBA | Шариковый радиально-упорный подшипник однонаправленный. Внутренние изменения в конструкции. Два однорядных радиальных шарикоподшипника. Однорядные радиально-упорные шарикоподшипники или однорядные конические роликовые подшипники. подходящие для монтажа в схеме «спина к спине». Легкая предварительная нагрузка. | 20.00 | 47.00 | 30.00 |
| 20TAC47BDTPN7B | Подшипник шариковый однорядный радиально-упорный. High Capacity & Higher Speed (Replaces “A” Type). Дуплексные подшипники для установки в тандеме. Bore And O.D. Tolerance Is Tighter_ Used With SU Combination. | 20.00 | 47.00 | 30.00 |
| 20TAC47BDFC10PN7A | Шариковый радиально-упорный подшипник однонаправленный. High Capacity & Higher Speed (Replaces “A” Type). Duplex. Face-to-Face. Метрическая серия. Класс ISO 4 (Abec 7) Модифицированный более строгий стандарт для осевого биения Uxx или Pss. специальный класс точности или особенности. | 20.00 | 47.00 | 30.00 |
| 20TAC47CDBHPN7C | Шариковый радиально-упорный подшипник однонаправленный. 15° Угол контакта. Высокий преднатяг. Комплект из двух подшипников. согласованных для установки по О-образной схеме. Стандартная точность NSK Класс точности 7C (эквивалентно осевому биению Класс 2). | 20.00 | 47.00 | 30.00 |
| 05079/05185D+X1S-05079 | Роликовый радиальный-упорный двухрядный подшипник. Tail Code. | 19.99 | 47.00 | 31.75 |
| RB204-12 | Шариковый радиальный однорядный подшипник. 3/4. | 19.05 | 47.00 | 31.00 |
| UC204S6 | Шариковый радиальный однорядный подшипник. Подшипник из нержавеющей стали. | 20.00 | 47.00 | 31.00 |
| AELS204N | Шариковый радиальный однорядный подшипник. Канавка для стопорного кольца на наружном кольце. | 20.00 | 47.00 | 31.00 |
| YARAG204 | Шариковый радиальный однорядный подшипник. Измененная или модифицированная внутренняя конструкция при неизменных основных размерах. | 20.00 | 47.00 | 31.00 |
| CES204-12 | Шариковый радиальный однорядный подшипник. 3/4. | 19.05 | 47.00 | 31.00 |
| CES204 | Шариковый радиальный однорядный подшипник. Сферический наружный диаметр. Контактное уплотнение с одной стороны. | 20.00 | 47.00 | 31.00 |
| ES204 | Шариковый радиальный однорядный подшипник. Сферический наружный диаметр. Контактное уплотнение с одной стороны. | 20.00 | 47.00 | 30.90 |
| ER12DD | Шариковый радиальный однорядный подшипник. Два уплотнения из PTFE. | 19.05 | 47.00 | 30.96 |
| GY1012KRRB SGT | Шариковый радиальный однорядный подшипник. Shaft Guarding Technology™. | 19.05 | 47.00 | 30.96 |
| 480204-Н1К7У | Шариковый радиальный однорядный подшипник. Дополнительные технические требования. Детали из теплостойкой стали. Двусторонние уплотнения плюс стопорный штифт. | 20.00 | 47.00 | 31.00 |
Способы доставки
Отправка через ведущие транспортные и курьерские компании: ПЭК, Деловые Линии, СДЭК, Байкал-Сервис, Энергия, КИТ, ЖелДорЭкспедиция.
Самовывоз возможен напрямую со склада в Москве.
Сроки доставки
Срок зависит от региона и выбранной транспортной компании. Все заказы комплектуются и отправляются в кратчайшие сроки со склада в Москве.
Надёжность и сохранность
Вся продукция упаковывается с учётом требований транспортировки. Мы гарантируем, что подшипники и комплектующие прибудут к заказчику в полной сохранности.
Доставка в страны ЕАЭС
Мы работаем с проверенными логистическими партнёрами, что позволяет оперативно доставлять заказы в Беларусь, Казахстан, Армению и другие страны ЕАЭС.
Варианты оплаты:
Минимальная сумма заказа и скидки:
Документы и гарантии:
Да, конечно! Наши технические специалисты готовы помочь вам с подбором точного аналога или замены подшипника. Просто позвоните нам по телефону +7 (495) 104-99-04 или напишите на почту zakaz@podsnab.ru.
Для оперативной консультации подготовьте, пожалуйста, имеющиеся данные: маркировку, размеры, тип оборудования или артикул старого подшипника.
Да, конечно! Мы высоко ценим долгосрочное сотрудничество и доверие клиентов по всей России. Для постоянных клиентов действует персональная система скидок.
Условия формируются индивидуально и зависят от:
Чтобы узнать свои условия и получить максимально выгодное предложение, свяжитесь с персональным менеджером или напишите нам на почту zakaz@podsnab.ru.
Вы можете оформить заказ несколькими способами:
Для оформления заказа от юридического лица свяжитесь с нашим отделом по работе с корпоративными клиентами по телефону +7 (495) 104-99-04 или напишите на email zakaz@podsnab.ru, прикрепив реквизиты вашей организации.
Мы оперативно подготовим коммерческое предложение и выставим счет.
Возврат товара надлежащего качества возможен в течение 10 дней с момента получения, если товар не был в употреблении, сохранен товарный вид, упаковка не вскрывалась и присутствуют все сопроводительные документы.
Возврат денежных средств осуществляется в течение 10 рабочих дней после проверки товара складом.
В соответствии с законодательством возврату не подлежат подшипники надлежащего качества, если отсутствует оригинальная упаковка или имеются следы монтажа.
В случае выявления брака или гарантийного случая мы гарантируем возврат или обмен товара.
Да, гарантийный срок хранения устанавливается заводом-изготовителем и в среднем составляет 2 года при соблюдении условий хранения: сухое помещение, оригинальная упаковка и смазка.
Точный срок для конкретного типа подшипника уточняйте у наших менеджеров.
Пн–Пт: с 8:00 до 17:00 (МСК).
Сб–Вс: выходные дни.
Заказы на сайте принимаются круглосуточно. Заявки, поступившие после окончания рабочего дня, обрабатываются на следующий рабочий день.
Минимальная сумма заказа для доставки составляет 3000 рублей. Самовывоз со склада возможен на любую сумму при наличии товара.
ООО «УралТехГрупп»
ИНН: 7415093830
КПП: 772401001
ОГРН: 1167456069021
Банк: ПАО Сбербанк
Р/с: 40702810838000475273
К/с: 30101810400000000225
БИК: 044525225
У подшипника GYE20KRRB пока нет отзывов. Вы можете стать первым покупателем, поделившимся своим мнением.