Поиск подшипника
Статьи
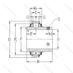
GYE40KRRB — Подшипник для корпуса, модификация основного исполнения GYE40, выпускается производителями: INA, NKE.
Размер подшипника: 40x80x49 мм.
Альтернативное обозначение: 56208, YAR208-2F.
Аналоги: GCE40KRRB INA,GYE40-XL-KRR-B INA,479208D SKF,YAR208-2F SKF.
Международная стандартизации ISO
GYE40KRRB
В наличии
| Обозначение | Конструктивные изменения |
|---|---|
| GYE40-XL-KRR-B | Подшипник со сферическим наружным кольцом. Серия X-Life премиум-класс. увеличиный срок службы. Манжетные уплотнения с обеих сторон (уплотнение типа R - имеет оцинкованные внутреннюю и внешнюю крышки. Между крышками имеется уплотнительная кромка NBR. идущая по шлифованному буртику). |
| GYE40KRRB SGT | Shaft Guarding Technology™. |
Модификации подшипника для корпуса GYE40KRRB — это измененное основное конструктивное исполнение GYE40, основные размеры (40x80x49) не отличаются.
| Обозначение | Гост | Конструктивные особенности |
|---|---|---|
| 479208D | ISO | Половина целого игольчатого валика. Применять суффикс 'D' в базовом номере. |
| YAR208-2F | ISO | Стандартное контактное уплотнение с дополнительным маслоотражательным кольцом с обеих сторон. |
| 56208 | ISO | Подшипник для корпуса. |
| YAR208-2LPW/ZM | ISO | Bearing Without Lubrication Hole(s). Non-Contact Seal. Food-Compatible NBR. Additional Rubberized Stainless Steel Flinger. Concentric Gutters On The Seal And Flinger. On Both Sides. Внутреннее и внешние кольца с цинковым покрытием. Уплотнения и фланцы со вставками из нержавеющей стали и пищевой резиной. Пищевая смазка. |
| UC208D1 X AS3S | ISO | Стандартное заполнение. Измененные размеры границ. введенные пересмотренными стандартами ISO. Relube Type.. |
| YAR208-2F/VA201 | ISO | Стандартное контактное уплотнение с дополнительным маслоотражательным кольцом с обеих сторон. Подшипник для высокотемпературных применений (например. печных тележек). |
| YAR208-2RFGR/HV | ISO | Стандартное контактное уплотнение с дополнительным прорезиненным кольцом с обеих сторон подшипника. Подшипник или компонент подшипника из закаленной нержавеющей стали. Смазочная канавка на наружной поверхности, расположенная на стороне фиксирующего устройства. |
| GYE40-KRR-B-FA107 | ISO | Подшипник со сферическим наружным кольцом. Манжетные уплотнения с обеих сторон (уплотнение типа R - имеет оцинкованные внутреннюю и внешнюю крышки. Между крышками имеется уплотнительная кромка NBR. идущая по шлифованному буртику). Подшипник со смазочными отверстиями на опорной стороне. |
| 1040-40D3M | ISO | High/Low Temperature Insert (-55 ̊C Min) - Same As Suffix MS33. |
| UC208G2L3 | ISO | Cистема повторного смазывания для корпусных подшипников. Тройное манжетное уплотнение для вкладыша подшипника. |
| UC208/L791 | ISO | Grease For Food Processing Machinery. |
| GCE40KRRB | ISO | Подшипник со сферическим наружным кольцом. Манжетные уплотнения с обеих сторон (уплотнение типа R - имеет оцинкованные внутреннюю и внешнюю крышки. Между крышками имеется уплотнительная кромка NBR. идущая по шлифованному буртику). |
| YAR208-109-2F | ISO | Стандартное контактное уплотнение с дополнительным маслоотражательным кольцом с обеих сторон. 1.9/16. |
| UC208D1LLJ | ISO | Не требующий обслуживания тип. Контактное. синтетические. резиновое уплотнение с двух сторон. |
| 1040-1.9/16G | ISO | Largest Fill. Вкладыш подшипника с возможностью повторной смазки. Number Of Carriages Per Rail Track. |
| YAR208-2RF/HVA | ISO | Стандартное контактное уплотнение с дополнительным прорезиненным кольцом с обеих сторон подшипника. Подшипник или компонент подшипника из закаленной нержавеющей стали. |
| UC208-25J | ISO | Сепаратор из стали. |
| UC208G2 | ISO | Cистема повторного смазывания для корпусных подшипников. |
| RB208PPB | ISO | Подшипник со сферическим наружным кольцом. Манжетные уплотнения с обеих сторон (Тип P — две шайбы из оцинкованной листовой стали с промежуточной частью из NBR. Кромка уплотнения предварительно нагружена в осевом направлении). |
| YAR208-2FW/VA201 | ISO | Измененная или модифицированная внутренняя конструкция при неизменных основных размерах. Стандартное контактное уплотнение с дополнительным плоским маслоотражателем на обеих сторонах подшипника без смазочных отверстий в наружном кольце. Подшипник для высокотемпературных применений (например. печных тележек). |
| YAR208-109-2F/AH | ISO | Стандартное контактное уплотнение с дополнительным маслоотражательным кольцом с обеих сторон. Противовращающийся штырь. Массивные ножки и свободный момент выравнивания. 1.9/16. |
| UC208-109 | ISO | 1.9/16. |
| UC208D1X | ISO | Стандартная консистентная смазка Alvania Grease 3. |
| J1040-40GCR | ISO | Вкладыш подшипника с возможностью повторной смазки. Нержавеющая сталь. |
Аналог подшипника для корпуса GYE40KRRB — это подшипник такого же размера dx40,Dx80,Bx49, типа и конструкции.
| Обозначение | Конструктивные особенности | Внутренний (d) | Наружный (D) | Ширина (B) |
|---|---|---|---|---|
| YARAG208 | Корпусный подшипник однорядный. Измененная или модифицированная внутренняя конструкция при неизменных основных размерах. | 40.00 | 80.00 | 49.20 |
| RB208 | Шариковый радиальный однорядный подшипник. Угол контакта 40 градусов. | 40.00 | 80.00 | 49.20 |
| RB208-25 | Шариковый радиальный однорядный подшипник. Distance Between Beginning Of The Rail And First Hole In MM. | 39.69 | 80.00 | 49.20 |
| ER208-25 | Шариковый радиальный однорядный подшипник. Distance Between Beginning Of The Rail And First Hole In MM. | 39.69 | 80.00 | 49.20 |
| UC208-25L3 | Шариковый радиальный однорядный подшипник. | 39.69 | 80.00 | 49.20 |
| UCS208LD1N | Шариковый радиальный однорядный подшипник. Канавка для стопорного кольца на наружном кольце. | 40.00 | 80.00 | 49.20 |
| UC208-3L | Шариковый радиальный однорядный подшипник. | 40.00 | 80.00 | 49.20 |
| E2.YAR208-2F | Шариковый радиальный однорядный подшипник. | 40.00 | 80.00 | 49.20 |
| E2.YAR208-109-2F | Шариковый радиальный однорядный подшипник. | 39.69 | 80.00 | 49.20 |
| GY1109KRRB | Шариковый радиальный однорядный подшипник. | 39.69 | 80.00 | 49.22 |
| 480208К | Шариковый радиальный однорядный подшипник. | 40.00 | 80.00 | 49.20 |
Способы доставки
Отправка через ведущие транспортные и курьерские компании: ПЭК, Деловые Линии, СДЭК, Байкал-Сервис, Энергия, КИТ, ЖелДорЭкспедиция.
Самовывоз возможен напрямую со склада в Москве.
Сроки доставки
Срок зависит от региона и выбранной транспортной компании. Все заказы комплектуются и отправляются в кратчайшие сроки со склада в Москве.
Надёжность и сохранность
Вся продукция упаковывается с учётом требований транспортировки. Мы гарантируем, что подшипники и комплектующие прибудут к заказчику в полной сохранности.
Доставка в страны ЕАЭС
Мы работаем с проверенными логистическими партнёрами, что позволяет оперативно доставлять заказы в Беларусь, Казахстан, Армению и другие страны ЕАЭС.
Варианты оплаты:
Минимальная сумма заказа и скидки:
Документы и гарантии:
Да, конечно! Наши технические специалисты готовы помочь вам с подбором точного аналога или замены подшипника. Просто позвоните нам по телефону +7 (495) 104-99-04 или напишите на почту zakaz@podsnab.ru.
Для оперативной консультации подготовьте, пожалуйста, имеющиеся данные: маркировку, размеры, тип оборудования или артикул старого подшипника.
Да, конечно! Мы высоко ценим долгосрочное сотрудничество и доверие клиентов по всей России. Для постоянных клиентов действует персональная система скидок.
Условия формируются индивидуально и зависят от:
Чтобы узнать свои условия и получить максимально выгодное предложение, свяжитесь с персональным менеджером или напишите нам на почту zakaz@podsnab.ru.
Вы можете оформить заказ несколькими способами:
Для оформления заказа от юридического лица свяжитесь с нашим отделом по работе с корпоративными клиентами по телефону +7 (495) 104-99-04 или напишите на email zakaz@podsnab.ru, прикрепив реквизиты вашей организации.
Мы оперативно подготовим коммерческое предложение и выставим счет.
Возврат товара надлежащего качества возможен в течение 10 дней с момента получения, если товар не был в употреблении, сохранен товарный вид, упаковка не вскрывалась и присутствуют все сопроводительные документы.
Возврат денежных средств осуществляется в течение 10 рабочих дней после проверки товара складом.
В соответствии с законодательством возврату не подлежат подшипники надлежащего качества, если отсутствует оригинальная упаковка или имеются следы монтажа.
В случае выявления брака или гарантийного случая мы гарантируем возврат или обмен товара.
Да, гарантийный срок хранения устанавливается заводом-изготовителем и в среднем составляет 2 года при соблюдении условий хранения: сухое помещение, оригинальная упаковка и смазка.
Точный срок для конкретного типа подшипника уточняйте у наших менеджеров.
Пн–Пт: с 8:00 до 17:00 (МСК).
Сб–Вс: выходные дни.
Заказы на сайте принимаются круглосуточно. Заявки, поступившие после окончания рабочего дня, обрабатываются на следующий рабочий день.
Минимальная сумма заказа для доставки составляет 3000 рублей. Самовывоз со склада возможен на любую сумму при наличии товара.
ООО «УралТехГрупп»
ИНН: 7415093830
КПП: 772401001
ОГРН: 1167456069021
Банк: ПАО Сбербанк
Р/с: 40702810838000475273
К/с: 30101810400000000225
БИК: 044525225
У подшипника GYE40KRRB пока нет отзывов. Вы можете стать первым покупателем, поделившимся своим мнением.