Поиск подшипника
Статьи
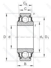
209KRR — Подшипник для корпуса, модификация основного исполнения 209, выпускается производителями: FAFNIR, INA.
Размер подшипника: 45x85x30 мм.
Манжетные уплотнения с обеих сторон (уплотнение типа r - имеет оцинкованные внутреннюю и внешнюю крышки. между крышками имеется уплотнительная кромка nbr. идущая по шлифованному буртику).
Аналоги: 209-KRR INA,209-XL-KRR INA.
Международная стандартизации ISO
209KRR
В наличии
| Обозначение | Конструктивные изменения |
|---|---|
| NJ 209 EW | Однорядный. |
| NU 209 EW | Однорядный. |
| E 209/S/NS 7CE1 | Запечатанная версия кулачкового ролика. Очень высокая грузоподъемность.. Шарики из нитрида кремния Si3N4 (гибридные подшипники). Керамические шарики. |
| E 209 7CE3 | Очень высокая грузоподъемность.. |
| E 209/S/NS 7CE3 | Запечатанная версия кулачкового ролика. Очень высокая грузоподъемность.. Шарики из нитрида кремния Si3N4 (гибридные подшипники). Керамические шарики. |
| E 209/S 7CE3 | Запечатанная версия кулачкового ролика. Очень высокая грузоподъемность.. |
| E 209/S 7CE1 | Запечатанная версия кулачкового ролика. Очень высокая грузоподъемность.. |
| E 209/NS 7CE3 | Очень высокая грузоподъемность.. Шарики из нитрида кремния Si3N4 (гибридные подшипники). Керамические шарики. |
| E 209/NS 7CE1 | Очень высокая грузоподъемность.. Шарики из нитрида кремния Si3N4 (гибридные подшипники). Керамические шарики. |
| QJ 209 N2 M | Подшипник с латунным сепаратором. центрированный по телам качения. Два установочных паза (выемки), расположенных под углом 180° друг от друга в одной боковой поверхности наружного кольца или шайбе корпуса.. |
| 209W | Максимальная грузоподъемность. |
| YARAG 209-110 | 1.5/8. |
| YARAG 209-111 | 1.11/16. |
| YSP 209 SB-2F | Стандартное контактное уплотнение с дополнительным маслоотражательным кольцом с обеих сторон. Double Row. Angular Contact. Non-Filling Notch Bearing. With Outwardly Convergent Угол контактаs. Rigid Design. |
| YSP 209-111 SB-2F | Стандартное контактное уплотнение с дополнительным маслоотражательным кольцом с обеих сторон. Double Row. Angular Contact. Non-Filling Notch Bearing. With Outwardly Convergent Угол контактаs. Rigid Design. 1.11/16. |
| YSA 209-2FK + H 2309 | Pressed Snap-Type Steel Cage. Hardened. |
| BL 209 Z | щит из листовой прессованной стали с одной стороны подшипника. |
| FBSA 209/DF | Комплект из двух подшипников. согласованных для установки по Х-образной схеме. Число. следующее непосредственно после букв DF. обозначает конструкцию промежуточного кольца. |
| FBSA 209/QBC | Четыре подшипника в O-образной компоновке. |
| FBSA 209/DB | Two Single Row Deep Groove Ball Bearings. Single Row Angular Contact Ball Bearings Or Single Row Tapered Roller Bearings Matched For Mounting In A Back-To-Back Arrangement. |
| BSA 209 CG | Резьбовой винт со стопором и защелкой. |
| BSA 209 CG-2RZ | Шарикоподшипник. С уплотнением и низким коэффициентом трения с обеих сторон. Уплотнение состоит из шайбы из листовой стали с вулканизированной резиной. Резьбовой винт со стопором и защелкой. |
| NJ 209 ECPH | Однорядный цилиндрический роликовый подшипник. |
| NU 209 ECPH | Однорядный цилиндрический роликовый подшипник. |
| NUP 209 ECPH | Однорядный цилиндрический роликовый подшипник. |
Модификации подшипника для корпуса 209KRR — это измененное основное конструктивное исполнение 209, основные размеры (45x85x30) не отличаются.
| Обозначение | Гост | Конструктивные особенности |
|---|---|---|
| UK209 | ISO | Коническое внутреннее отверстие. |
| SA209 | ISO | Подшипник для корпуса. |
| W209PPB2 | ISO | Широкий. |
| W209PPC2FS50000 | ISO | Подшипник для корпуса. |
| YET209-112 | ISO | 1.3/4. |
| YET209 | ISO | Подшипник для корпуса. |
| GW209PPB2 | ISO | Подшипник для корпуса. |
| UK209+H2309 | ISO | Подшипник для корпуса. |
| DS209TTR2 | ISO | Подшипник для корпуса. |
| SA209-28F | ISO | 1.3/4. |
| KHR209+ER | ISO | Эксцентриковое кольцо. |
| GRA112RRB+COL | ISO | Товар включает втулку. Два резиновых уплотнения Land Riding со сферическим наружным диаметром (B). |
| FD209 | ISO | Подшипник для корпуса. |
| W209PPB2 Z22-P | ISO | Сеаратор из литого полиамида 6.6. армированного стекловолокном. |
| JL209-112C3/L738 | ISO | Внутренний зазор больше нормального. 1.3/4. |
| ZAF.GW209PPB2 | ISO | Подшипник для корпуса. |
| W209RPPB2 | ISO | Сферический снаружи. Манжетные уплотнения с обеих сторон подшипника. |
| W209PPC2 | ISO | Bearing Internal Clearance Smaller Than Normal Or Manufacturing Code - Fafnir Use Only. Манжетные уплотнения с обеих сторон подшипника. |
| LK209.2F | ISO | Двойное уплотнение. Защитная крышка, размещенная на внутреннем кольце. Используется с подшипниками типа Y. |
| LK209.2F.Y | ISO | Двойное уплотнение. Защитная крышка, размещенная на внутреннем кольце. Используется с подшипниками типа Y. Сепаратор из прессованной латуни. Центрирование шарика. |
Аналог подшипника для корпуса 209KRR — это подшипник такого же размера dx45,Dx85,Bx30, типа и конструкции.
| Обозначение | Конструктивные особенности | Внутренний (d) | Наружный (D) | Ширина (B) |
|---|---|---|---|---|
| W6209-ZZ | Шариковый радиальный однорядный подшипник. Защитные металлические шайбы с обеих сторон. | 45.00 | 85.00 | 30.20 |
| W6209-2RS | Шариковый радиальный однорядный подшипник. Резиновые уплотнения с каждой стороны подшипника. | 45.00 | 85.00 | 30.20 |
| SA209F | Шариковый радиальный однорядный подшипник. Сепаратор из обработанной стали или специального чугуна. | 45.00 | 85.00 | 30.20 |
| 6-3056209 Е | Шариковый радиально-упорный двухрядный подшипник. Сепаратор из текстолита.. | 45.00 | 85.00 | 30.20 |
| 6-530209 КУС1 | Шариковый радиальный однорядный подшипник. Дополнительные технические требования. Смазка ОКБ 122-7. | 45.00 | 85.00 | 29.00 |
| 75-3180209 Е1С13 | Шариковый радиальный однорядный подшипник. Сепаратор из текстолита.. Смазка ВНИИНП-281. | 45.00 | 85.00 | 30.20 |
| 75-3180209 Е1С15 | Шариковый радиальный однорядный подшипник. Сепаратор из текстолита.. Смазка ВНИИНП-207. | 45.00 | 85.00 | 30.20 |
| 76-3180209 Е1С15 | Шариковый радиальный однорядный подшипник. Сепаратор из текстолита.. Смазка ВНИИНП-207. | 45.00 | 85.00 | 30.20 |
| 63209LLB | Шариковый радиальный однорядный подшипник. Уплотнение бесконтактного типа из синтетического каучука. | 45.00 | 85.00 | 30.16 |
| RA112RR | Шариковый радиальный однорядный подшипник. С выпуклыми асимметричными роликами. Обработанный сепаратор штыревого типа из медного сплава. С центральным ребром. С ребрами с двух сторон (для предотвращения падения роликов). | 44.45 | 85.00 | 30.18 |
| RA112RRB | Шариковый радиальный однорядный подшипник. Два резиновых уплотнения Land Riding со сферическим наружным диаметром (B). | 44.45 | 85.00 | 30.18 |
| RAE45RRB | Шариковый радиальный однорядный подшипник. Два резиновых уплотнения Land Riding со сферическим наружным диаметром (B). | 45.00 | 85.00 | 30.18 |
| RAE45RR | Шариковый радиальный однорядный подшипник. С выпуклыми асимметричными роликами. Обработанный сепаратор штыревого типа из медного сплава. С центральным ребром. С ребрами с двух сторон (для предотвращения падения роликов). | 45.00 | 85.00 | 30.18 |
| GRA112RRB | Шариковый радиальный однорядный подшипник. Два резиновых уплотнения Land Riding со сферическим наружным диаметром (B). | 44.45 | 85.00 | 30.18 |
| GRAE45RRB | Шариковый радиальный однорядный подшипник. Два резиновых уплотнения Land Riding со сферическим наружным диаметром (B). | 45.00 | 85.00 | 30.18 |
Способы доставки
Отправка через ведущие транспортные и курьерские компании: ПЭК, Деловые Линии, СДЭК, Байкал-Сервис, Энергия, КИТ, ЖелДорЭкспедиция.
Самовывоз возможен напрямую со склада в Москве.
Сроки доставки
Срок зависит от региона и выбранной транспортной компании. Все заказы комплектуются и отправляются в кратчайшие сроки со склада в Москве.
Надёжность и сохранность
Вся продукция упаковывается с учётом требований транспортировки. Мы гарантируем, что подшипники и комплектующие прибудут к заказчику в полной сохранности.
Доставка в страны ЕАЭС
Мы работаем с проверенными логистическими партнёрами, что позволяет оперативно доставлять заказы в Беларусь, Казахстан, Армению и другие страны ЕАЭС.
Варианты оплаты:
Минимальная сумма заказа и скидки:
Документы и гарантии:
Да, конечно! Наши технические специалисты готовы помочь вам с подбором точного аналога или замены подшипника. Просто позвоните нам по телефону +7 (495) 104-99-04 или напишите на почту zakaz@podsnab.ru.
Для оперативной консультации подготовьте, пожалуйста, имеющиеся данные: маркировку, размеры, тип оборудования или артикул старого подшипника.
Да, конечно! Мы высоко ценим долгосрочное сотрудничество и доверие клиентов по всей России. Для постоянных клиентов действует персональная система скидок.
Условия формируются индивидуально и зависят от:
Чтобы узнать свои условия и получить максимально выгодное предложение, свяжитесь с персональным менеджером или напишите нам на почту zakaz@podsnab.ru.
Вы можете оформить заказ несколькими способами:
Для оформления заказа от юридического лица свяжитесь с нашим отделом по работе с корпоративными клиентами по телефону +7 (495) 104-99-04 или напишите на email zakaz@podsnab.ru, прикрепив реквизиты вашей организации.
Мы оперативно подготовим коммерческое предложение и выставим счет.
Возврат товара надлежащего качества возможен в течение 10 дней с момента получения, если товар не был в употреблении, сохранен товарный вид, упаковка не вскрывалась и присутствуют все сопроводительные документы.
Возврат денежных средств осуществляется в течение 10 рабочих дней после проверки товара складом.
В соответствии с законодательством возврату не подлежат подшипники надлежащего качества, если отсутствует оригинальная упаковка или имеются следы монтажа.
В случае выявления брака или гарантийного случая мы гарантируем возврат или обмен товара.
Да, гарантийный срок хранения устанавливается заводом-изготовителем и в среднем составляет 2 года при соблюдении условий хранения: сухое помещение, оригинальная упаковка и смазка.
Точный срок для конкретного типа подшипника уточняйте у наших менеджеров.
Пн–Пт: с 8:00 до 17:00 (МСК).
Сб–Вс: выходные дни.
Заказы на сайте принимаются круглосуточно. Заявки, поступившие после окончания рабочего дня, обрабатываются на следующий рабочий день.
Минимальная сумма заказа для доставки составляет 3000 рублей. Самовывоз со склада возможен на любую сумму при наличии товара.
ООО «УралТехГрупп»
ИНН: 7415093830
КПП: 772401001
ОГРН: 1167456069021
Банк: ПАО Сбербанк
Р/с: 40702810838000475273
К/с: 30101810400000000225
БИК: 044525225
У подшипника 209KRR пока нет отзывов. Вы можете стать первым покупателем, поделившимся своим мнением.