Поиск подшипника
Статьи
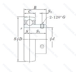
SB208 — Подшипник для корпуса, основное исполнение, выпускается производителями: CHINA, CRAFT, CX, FBJ, FELSTROM, FK, FS, FSQ, FYH, INA, ISB, ISO, KDF, KOYO, LDK, NSK, SKF, TR.
Размер подшипника: 40x80x34 мм.
Цилиндрическое отверстие внутреннего кольца, с установочными винтами (легконагруженного типа), угол контакта 40 градусов.
Альтернативное обозначение: GAY40NPPB, YAT208-2F.
Аналоги: GAY40-XL-NPP-B INA,YAT208 SKF,1240-40G RHP,AS208 NTN,SB208 TR,SB208 LDK.
Международная стандартизации ISO
SB208
В наличии
| Обозначение | Конструктивные изменения |
|---|---|
| SB208-24 | 1.1/2. |
| SB208ZZ3 | Подшипник для корпуса. |
| SB208/210ZZC4 | Внутренний зазор подшипника больше. чем C3. Защитные металлические шайбы с обеих сторон. |
| SB208 2RS G | Резиновые уплотнения с каждой стороны подшипника. Устройство повторного смазывания со смазочной канавкой и отверстием на внешнем кольце. |
| SB208G | Устройство повторного смазывания со смазочной канавкой и отверстием на внешнем кольце. |
| SB208-50MM | Миллиметры. |
| SB208/50ZZ C4 | Внутренний зазор подшипника больше. чем C3. Защитные металлические шайбы с обеих сторон. |
| SB208 2RS | Резиновые уплотнения с каждой стороны подшипника. |
Модификации подшипника для корпуса SB208 — это измененное основное конструктивное исполнение SB208, основные размеры (40x80x34) не отличаются.
| Обозначение | Гост | Конструктивные особенности |
|---|---|---|
| 1240-40G | ISO | Подшипник для корпуса. |
| GAY40NPPB | ISO | Подшипник для корпуса. |
| YAT208 | ISO | Измененная или модифицированная внутренняя конструкция при неизменных основных размерах. |
| AS208 | ISO | Подшипник для корпуса. |
| SB7208B | ISO | Конический роликовый подшипник. Угол контакта 20 градусов. |
| GAY40-XL-NPP-B | ISO | Подшипник со сферическим наружным кольцом. Серия X-Life премиум-класс. увеличиный срок службы. Манжетные уплотнения с обеих сторон (Тип P — две шайбы из оцинкованной листовой стали с промежуточной частью из NBR. Кромка уплотнения предварительно нагружена в осевом направлении). |
| US208.G2 | ISO | Cистема повторного смазывания для корпусных подшипников. |
| LS208.2F | ISO | Двойное уплотнение. Защитная крышка, размещенная на внутреннем кольце. Используется с подшипниками типа Y. |
| LS208TDT.H.T4K | ISO | Pressed Snap-Type Steel Cage. Hardened. Additional Metal Cover With Thickness Of 1 Mm Provides Reliable Mechanical Protection. Unique Combination Of Six-Lip Sealing. Double 3 Lip Sealing Protects Bearing From The Outer Side. One 3 Lip Seling Protects Bearing From Inner Side. This Presents Today The Best Sealing System For Application In Agricultural Machinery. |
Аналог подшипника для корпуса SB208 — это подшипник такого же размера dx40,Dx80,Bx34, типа и конструкции.
| Обозначение | Конструктивные особенности | Внутренний (d) | Наружный (D) | Ширина (B) |
|---|---|---|---|---|
| WRA208 | Однорядный цилиндрический роликовый подшипник. | 40.00 | 80.00 | 34.93 |
| 40KW01 | однорядный конический роликовый подшипник. | 40.00 | 80.00 | 34.00 |
| 500235 | Подшипник однорядный шариковый радиальный. | 40.00 | 80.00 | 35.00 |
| 500235A | Подшипник однорядный шариковый радиальный. Модификация внутренней конструкции. | 40.00 | 80.00 | 35.00 |
| RN2308-E-MPBX | Роликовый радиальный однорядный подшипник. Повышенная грузоподъемность. | 40.00 | 80.00 | 33.00 |
| UK-208 | Шариковый радиальный однорядный подшипник. | 40.00 | 80.00 | 33.90 |
| UK208L3 | Шариковый радиальный однорядный подшипник. Тройное манжетное уплотнение для вкладыша подшипника. | 40.00 | 80.00 | 34.00 |
| HI-CAP ST4080 C | Роликовый радиальный-упорный однорядный подшипник. Угол контакта 20 градусов. | 40.00 | 80.00 | 34.00 |
| ST4080C | Роликовый радиальный-упорный однорядный подшипник. Угол контакта 20 градусов. | 40.00 | 80.00 | 34.00 |
Способы доставки
Отправка через ведущие транспортные и курьерские компании: ПЭК, Деловые Линии, СДЭК, Байкал-Сервис, Энергия, КИТ, ЖелДорЭкспедиция.
Самовывоз возможен напрямую со склада в Москве.
Сроки доставки
Срок зависит от региона и выбранной транспортной компании. Все заказы комплектуются и отправляются в кратчайшие сроки со склада в Москве.
Надёжность и сохранность
Вся продукция упаковывается с учётом требований транспортировки. Мы гарантируем, что подшипники и комплектующие прибудут к заказчику в полной сохранности.
Доставка в страны ЕАЭС
Мы работаем с проверенными логистическими партнёрами, что позволяет оперативно доставлять заказы в Беларусь, Казахстан, Армению и другие страны ЕАЭС.
Варианты оплаты:
Минимальная сумма заказа и скидки:
Документы и гарантии:
Да, конечно! Наши технические специалисты готовы помочь вам с подбором точного аналога или замены подшипника. Просто позвоните нам по телефону +7 (495) 104-99-04 или напишите на почту zakaz@podsnab.ru.
Для оперативной консультации подготовьте, пожалуйста, имеющиеся данные: маркировку, размеры, тип оборудования или артикул старого подшипника.
Да, конечно! Мы высоко ценим долгосрочное сотрудничество и доверие клиентов по всей России. Для постоянных клиентов действует персональная система скидок.
Условия формируются индивидуально и зависят от:
Чтобы узнать свои условия и получить максимально выгодное предложение, свяжитесь с персональным менеджером или напишите нам на почту zakaz@podsnab.ru.
Вы можете оформить заказ несколькими способами:
Для оформления заказа от юридического лица свяжитесь с нашим отделом по работе с корпоративными клиентами по телефону +7 (495) 104-99-04 или напишите на email zakaz@podsnab.ru, прикрепив реквизиты вашей организации.
Мы оперативно подготовим коммерческое предложение и выставим счет.
Возврат товара надлежащего качества возможен в течение 10 дней с момента получения, если товар не был в употреблении, сохранен товарный вид, упаковка не вскрывалась и присутствуют все сопроводительные документы.
Возврат денежных средств осуществляется в течение 10 рабочих дней после проверки товара складом.
В соответствии с законодательством возврату не подлежат подшипники надлежащего качества, если отсутствует оригинальная упаковка или имеются следы монтажа.
В случае выявления брака или гарантийного случая мы гарантируем возврат или обмен товара.
Да, гарантийный срок хранения устанавливается заводом-изготовителем и в среднем составляет 2 года при соблюдении условий хранения: сухое помещение, оригинальная упаковка и смазка.
Точный срок для конкретного типа подшипника уточняйте у наших менеджеров.
Пн–Пт: с 8:00 до 17:00 (МСК).
Сб–Вс: выходные дни.
Заказы на сайте принимаются круглосуточно. Заявки, поступившие после окончания рабочего дня, обрабатываются на следующий рабочий день.
Минимальная сумма заказа для доставки составляет 3000 рублей. Самовывоз со склада возможен на любую сумму при наличии товара.
ООО «УралТехГрупп»
ИНН: 7415093830
КПП: 772401001
ОГРН: 1167456069021
Банк: ПАО Сбербанк
Р/с: 40702810838000475273
К/с: 30101810400000000225
БИК: 044525225
У подшипника SB208 пока нет отзывов. Вы можете стать первым покупателем, поделившимся своим мнением.