Поиск подшипника
Статьи
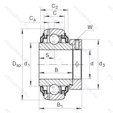
GE30-KRR-B-2C — Подшипник для корпуса, модификация основного исполнения GE30KRRB, производство INA.
Размер подшипника: 30x62x48 мм.
Манжетные уплотнения с обеих сторон (уплотнение типа r - имеет оцинкованные внутреннюю и внешнюю крышки. между крышками имеется уплотнительная кромка nbr. идущая по шлифованному буртику), защитные щиты с обеих сторон, подшипник со сферическим наружным кольцом.
Альтернативное обозначение: YEL206-2FF, YEL206-2RF/VL065.
Аналоги: 36206 FAG,GE30-XL-KRR-B INA,YEL206-2F SKF,1030-30DECG RHP,YEL206 SKF,446206D SKF,NA206R3 CBF,UEL206 NTN,EW206 NSK,EW206AV2S NSK,GE30KRRB NKE,UL206 NTN,EW206 FK,HC206 FS,NA206 TR,HC206 EBS,HC206 KDF,HC206 HFH,HC206 FK,GE30KRRB Neutral,UEL206 Neutral.
Международная стандартизации ISO
GE30KRRB2C
В наличии
| Обозначение | Конструктивные изменения |
|---|---|
| GE30KRRB+COL | Товар включает втулку. |
| GE30KRRB | Подшипник для корпуса. Основное конструктивное исполнение. |
| GE30KRRB CC | Подшипник со сферическим наружным кольцом. Два стальных сепаратора оконного типа. Бесфланцевое внутреннее кольцо и направляющее кольцо центрировано на внутреннем кольце. Манжетные уплотнения с обеих сторон (уплотнение типа R - имеет оцинкованные внутреннюю и внешнюю крышки. Между крышками имеется уплотнительная кромка NBR. идущая по шлифованному буртику). |
| GE30-KRR-B-FA164 | Подшипник со сферическим наружным кольцом. Манжетные уплотнения с обеих сторон (уплотнение типа R - имеет оцинкованные внутреннюю и внешнюю крышки. Между крышками имеется уплотнительная кромка NBR. идущая по шлифованному буртику). Высокотемпературная конструкция до +250°C. |
| GE30KRRBJ FA107 | Подшипник со сферическим наружным кольцом. Дорожки качения наружного кольца. угол контакта и ширина наружного кольца в соответствии с ISO. Манжетные уплотнения с обеих сторон (уплотнение типа R - имеет оцинкованные внутреннюю и внешнюю крышки. Между крышками имеется уплотнительная кромка NBR. идущая по шлифованному буртику). Подшипник со смазочными отверстиями на опорной стороне. |
| GE30KRRB FA107/154 | Подшипник со сферическим наружным кольцом. Манжетные уплотнения с обеих сторон (уплотнение типа R - имеет оцинкованные внутреннюю и внешнюю крышки. Между крышками имеется уплотнительная кромка NBR. идущая по шлифованному буртику). (Combination Of FA107 (Bearing With Lubrication Holes On The Locating Side) And. |
Модификации подшипника для корпуса GE30-KRR-B-2C — это измененное основное конструктивное исполнение GE30KRRB, основные размеры (30x62x48) не отличаются.
| Обозначение | Гост | Конструктивные особенности |
|---|---|---|
| 1030-30DECG | ISO | Подшипник для корпуса. |
| GE30KRRB | ISO | Подшипник для корпуса. |
| NA206 | ISO | Подшипник для корпуса. |
| YEL206 | ISO | Подшипник для корпуса. |
| UEL206 | ISO | Подшипник для корпуса. |
| YEL206-2F | ISO | Стандартное контактное уплотнение с дополнительным маслоотражательным кольцом с обеих сторон. |
| NA206R3 | ISO | Уплотнение состоит из металлического колпачка и синтетического каучука.. |
| HC206 | ISO | Подшипник для корпуса. |
| GE30-XL-KRR-B | ISO | Подшипник со сферическим наружным кольцом. Серия X-Life премиум-класс. увеличиный срок службы. Манжетные уплотнения с обеих сторон (уплотнение типа R - имеет оцинкованные внутреннюю и внешнюю крышки. Между крышками имеется уплотнительная кромка NBR. идущая по шлифованному буртику). |
| UL206 | ISO | Подшипник для корпуса. |
| 36206 | ISO | Подшипник для корпуса. |
| YEL206-2FF | ISO | Маслоотражательные кольца с ворсистым покрытием с обеих сторон. |
| T1030-30DECG | ISO | Смазочные отверстия в распределительной канавке. Механически обработанные в наружном кольце для смазки. Эксцентриковая втулка с удлиненным внутренним кольцом. |
| E30-KLL | ISO | BALL BEARING. CONRAD TYPE. INDUSTRIAL POWER TRANSMISSION. DOUBLE MECHANI-SEAL. |
| GE30-KLL-B | ISO | Подшипник со сферическим наружным кольцом. BALL BEARING. CONRAD TYPE. INDUSTRIAL POWER TRANSMISSION. DOUBLE MECHANI-SEAL. |
| HC206-19 | ISO | 1.3/16. |
| 36206.014 | ISO | 7/8. |
| UEL206D1 | ISO | Не требующий обслуживания тип. |
| 446206D | ISO | Измененный внутренний дизайн. |
| M-UEL206D1 | ISO | Не требующий обслуживания тип. |
| GE30-KTT-B | ISO | Подшипник со сферическим наружным кольцом. Тройные манжетные уплотнения с обеих сторон подшипника (Т-образное уплотнение). |
| YEL206-103-2FCW | ISO | Стандартное контактное уплотнение с дополнительным маслоотражательным кольцом с обеих сторон. С цилиндрическим наружным диаметром. 1.3/16. |
| EW206AV2S | ISO | Lubricant. Shell Oil Co.. Alvania #2 Grease. 1/4 Full. Temperature Range = -10°C / + 110°C (Normal Temperature Grease). |
| CEX206-19 | ISO | 1.3/16. |
| EW206 | ISO | Подшипник для корпуса. |
| GE30KRRB FA125.5 | ISO | Подшипник со сферическим наружным кольцом. Манжетные уплотнения с обеих сторон (уплотнение типа R - имеет оцинкованные внутреннюю и внешнюю крышки. Между крышками имеется уплотнительная кромка NBR. идущая по шлифованному буртику). С покрытием Corrotect®, защищено от коррозии. |
| G1103-KRR-B-AS2/V | ISO | Подшипник со сферическим наружным кольцом. Манжетные уплотнения с обеих сторон (уплотнение типа R - имеет оцинкованные внутреннюю и внешнюю крышки. Между крышками имеется уплотнительная кромка NBR. идущая по шлифованному буртику). Наружное кольцо подшипника с двумя смазочными отверстиями в смещенных плоскостях. |
| UELS206-103LD1 | ISO | Не требующий обслуживания тип. 1.3/16. |
| YEL206-2DW/AG | ISO | Bearing For Agricultural Applications. Insert Bearing With Set Screws. YAR 2-2DW/AG series. |
| UELS206-103 | ISO | 1.3/16. |
| GE30-XL-KTT-B-OSE | ISO | Подшипник со сферическим наружным кольцом. Серия X-Life премиум-класс. увеличиный срок службы. Тройные манжетные уплотнения с обеих сторон подшипника (Т-образное уплотнение). Подшипник без стопорного элемента ( эксцентриковая стопорная втулка). |
| LY206 2B.Y.H | ISO | Pressed Snap-Type Steel Cage. Hardened. Сепаратор из прессованной латуни. Центрирование шарика. Dual Contact Sealing. Design Similar To 2F But Protection Cover Has Rubber Lip Resting On The Sheet Part Of The Inner Contact Seal Providing An Additional Protection Against The Penetration Of The Finer Impurities. Water. Moisture. Steam Etc. The Friction Is Larger Than With 2F And Permitted Speeds Are About 50% Lower. It Is Used With The Y Bearings. |
| 36206 | ГОСТ | Подшипник для корпуса. |
Аналог подшипника для корпуса GE30-KRR-B-2C — это подшипник такого же размера dx30,Dx62,Bx48, типа и конструкции.
| Обозначение | Конструктивные особенности | Внутренний (d) | Наружный (D) | Ширина (B) |
|---|---|---|---|---|
| 11206LLSQ | Подшипник шариковый двухрядный самоустанавливающийся. Резиновые уплотнения с каждой стороны подшипника. | 30.00 | 62.00 | 48.00 |
| 11206EE | Подшипник шариковый двухрядный самоустанавливающийся. Резиновые уплотнения с каждой стороны подшипника. | 30.00 | 62.00 | 48.00 |
| 7206C TR DUDL P3 | Подшипник шариковый однорядный радиально-упорный. 15° Угол контакта. Сепаратор из фенольных смол. центрируемый по внутреннему кольцу. Класс точности ниже. чем P2. но выше. чем P4. Универсальная тройная компоновка. | 30.00 | 62.00 | 48.00 |
| 3MMV206WI TUL | Подшипник шариковый однорядный радиально-упорный. Триплексная пара подшипников. Универсальная установка. Легкий преднатяг. 25° High Угол контакта Superprecision Abec-7 (Iso P4).. 25° High Угол контакта. High Grade (HG) Between Abec-7 (ISO P4) And Abec-9 (ISO P2). Низкий борт на наружном кольце, стандартный сепаратор - формованный армированный нейлоновый. | 30.00 | 62.00 | 48.00 |
| 11206/C3 | Подшипник шариковый двухрядный самоустанавливающийся. Внутренний зазор больше нормального. | 30.00 | 62.00 | 48.00 |
| 11206EE S | Подшипник шариковый двухрядный самоустанавливающийся. Запечатанная версия кулачкового ролика. Контактное уплотнение с обеих сторон. | 30.00 | 62.00 | 48.00 |
| B7206-E-T-P4S-TUL | Подшипник шариковый однорядный радиально-упорный. 25° Угол контакта. Textile Laminated Phenolic Resin. Outer Ring Guided. The Cage Is Suitable For Long-Term Operation At Temperatures Up To 100°C. Класс точности. стандарт FAG лучше чем P4. Набор из 3-х универсальных подшипников. Легкая преднатяг. | 30.00 | 62.00 | 48.00 |
| 11206TN | Подшипник шариковый двухрядный самоустанавливающийся. сепаратор из полиамида 6.6. армированного стекловолокном. | 30.00 | 62.00 | 48.00 |
| YELAG 206 | Корпусный подшипник. Измененная или модифицированная внутренняя конструкция при неизменных основных размерах. | 30.00 | 62.00 | 48.40 |
| BTH-1222B | Роликовый радиальный-упорный двухрядный подшипник. Конический роликовый подшипник. Угол контакта 20 градусов. | 30.00 | 62.00 | 48.00 |
| CEX206 | Шариковый радиальный однорядный подшипник. Контактное уплотнение с одной стороны. | 30.00 | 62.00 | 48.40 |
| EX206G2 | Шариковый радиальный однорядный подшипник. Cистема повторного смазывания для корпусных подшипников. | 30.00 | 62.00 | 48.30 |
| EX206 | Шариковый радиальный однорядный подшипник. Контактное уплотнение с одной стороны. | 30.00 | 62.00 | 48.30 |
| EX206-19 | Шариковый радиальный однорядный подшипник. 1.3/16. | 30.16 | 62.00 | 48.30 |
| 11206G15 | Шариковый сферический двухрядный подшипник. Литой сепаратор из полиамида 6.6. армированного стекловолокном. Элемент качения по центру. | 30.00 | 62.00 | 48.00 |
Способы доставки
Отправка через ведущие транспортные и курьерские компании: ПЭК, Деловые Линии, СДЭК, Байкал-Сервис, Энергия, КИТ, ЖелДорЭкспедиция.
Самовывоз возможен напрямую со склада в Москве.
Сроки доставки
Срок зависит от региона и выбранной транспортной компании. Все заказы комплектуются и отправляются в кратчайшие сроки со склада в Москве.
Надёжность и сохранность
Вся продукция упаковывается с учётом требований транспортировки. Мы гарантируем, что подшипники и комплектующие прибудут к заказчику в полной сохранности.
Доставка в страны ЕАЭС
Мы работаем с проверенными логистическими партнёрами, что позволяет оперативно доставлять заказы в Беларусь, Казахстан, Армению и другие страны ЕАЭС.
Варианты оплаты:
Минимальная сумма заказа и скидки:
Документы и гарантии:
Да, конечно! Наши технические специалисты готовы помочь вам с подбором точного аналога или замены подшипника. Просто позвоните нам по телефону +7 (495) 104-99-04 или напишите на почту zakaz@podsnab.ru.
Для оперативной консультации подготовьте, пожалуйста, имеющиеся данные: маркировку, размеры, тип оборудования или артикул старого подшипника.
Да, конечно! Мы высоко ценим долгосрочное сотрудничество и доверие клиентов по всей России. Для постоянных клиентов действует персональная система скидок.
Условия формируются индивидуально и зависят от:
Чтобы узнать свои условия и получить максимально выгодное предложение, свяжитесь с персональным менеджером или напишите нам на почту zakaz@podsnab.ru.
Вы можете оформить заказ несколькими способами:
Для оформления заказа от юридического лица свяжитесь с нашим отделом по работе с корпоративными клиентами по телефону +7 (495) 104-99-04 или напишите на email zakaz@podsnab.ru, прикрепив реквизиты вашей организации.
Мы оперативно подготовим коммерческое предложение и выставим счет.
Возврат товара надлежащего качества возможен в течение 10 дней с момента получения, если товар не был в употреблении, сохранен товарный вид, упаковка не вскрывалась и присутствуют все сопроводительные документы.
Возврат денежных средств осуществляется в течение 10 рабочих дней после проверки товара складом.
В соответствии с законодательством возврату не подлежат подшипники надлежащего качества, если отсутствует оригинальная упаковка или имеются следы монтажа.
В случае выявления брака или гарантийного случая мы гарантируем возврат или обмен товара.
Да, гарантийный срок хранения устанавливается заводом-изготовителем и в среднем составляет 2 года при соблюдении условий хранения: сухое помещение, оригинальная упаковка и смазка.
Точный срок для конкретного типа подшипника уточняйте у наших менеджеров.
Пн–Пт: с 8:00 до 17:00 (МСК).
Сб–Вс: выходные дни.
Заказы на сайте принимаются круглосуточно. Заявки, поступившие после окончания рабочего дня, обрабатываются на следующий рабочий день.
Минимальная сумма заказа для доставки составляет 3000 рублей. Самовывоз со склада возможен на любую сумму при наличии товара.
ООО «УралТехГрупп»
ИНН: 7415093830
КПП: 772401001
ОГРН: 1167456069021
Банк: ПАО Сбербанк
Р/с: 40702810838000475273
К/с: 30101810400000000225
БИК: 044525225
У подшипника GE30-KRR-B-2C пока нет отзывов. Вы можете стать первым покупателем, поделившимся своим мнением.