Поиск подшипника
Статьи
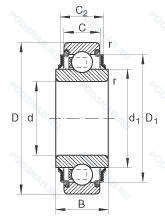
208KRR — Подшипник для корпуса, модификация основного исполнения 208, выпускается производителями: INA, NKE.
Размер подшипника: 40x80x27 мм.
Манжетные уплотнения с обеих сторон (уплотнение типа r - имеет оцинкованные внутреннюю и внешнюю крышки. между крышками имеется уплотнительная кромка nbr. идущая по шлифованному буртику).
Аналоги: 208-KRR INA,208-XL-KRR INA.
Международная стандартизации ISO
208KRR
В наличии
| Обозначение | Конструктивные изменения |
|---|---|
| E 208 7CE1 | Очень высокая грузоподъемность.. |
| E 208/S 7CE3 | Запечатанная версия кулачкового ролика. Очень высокая грузоподъемность.. |
| E 208/S/NS 7CE3 | Запечатанная версия кулачкового ролика. Очень высокая грузоподъемность.. Шарики из нитрида кремния Si3N4 (гибридные подшипники). Керамические шарики. |
| QJ 208 N2 M | Подшипник с латунным сепаратором. центрированный по телам качения. Два установочных паза (выемки), расположенных под углом 180° друг от друга в одной боковой поверхности наружного кольца или шайбе корпуса.. |
| RIS 208 A | Измененная или модифицированная внутренняя конструкция при неизменных основных размерах. |
| YARAG 208-108 | 1.1/2. |
| YSP 208-108 SB-2F | Стандартное контактное уплотнение с дополнительным маслоотражательным кольцом с обеих сторон. Double Row. Angular Contact. Non-Filling Notch Bearing. With Outwardly Convergent Угол контактаs. Rigid Design. 1.1/2. |
| YSA 208-2FK + H 2308 | Pressed Snap-Type Steel Cage. Hardened. |
| 208 KRR AH04 FA154 | Манжетные уплотнения с обеих сторон (уплотнение типа R - имеет оцинкованные внутреннюю и внешнюю крышки. Между крышками имеется уплотнительная кромка NBR. идущая по шлифованному буртику). Different Bore Size. Сепаратор из стали. |
| BSA 208 C | 15° Угол контакта. |
| FBSA 208 A/QFC | Измененная или модифицированная внутренняя конструкция при неизменных основных размерах. |
| FBSA 208 A/QBC | Измененная или модифицированная внутренняя конструкция при неизменных основных размерах. Четыре подшипника в O-образной компоновке. |
| FBSA 208/QBC | Четыре подшипника в O-образной компоновке. |
| FBSA 208/DF | Комплект из двух подшипников. согласованных для установки по Х-образной схеме. Число. следующее непосредственно после букв DF. обозначает конструкцию промежуточного кольца. |
| FBSA 208/DB | Two Single Row Deep Groove Ball Bearings. Single Row Angular Contact Ball Bearings Or Single Row Tapered Roller Bearings Matched For Mounting In A Back-To-Back Arrangement. |
| BSA 208 CG | Резьбовой винт со стопором и защелкой. |
| BSA 208 CG-2RZ | Шарикоподшипник. С уплотнением и низким коэффициентом трения с обеих сторон. Уплотнение состоит из шайбы из листовой стали с вулканизированной резиной. Резьбовой винт со стопором и защелкой. |
| N 208 ECMB | Однорядный цилиндрический роликовый подшипник. |
| N 208 ECPH | Однорядный цилиндрический роликовый подшипник. |
| NU 208 ECPH | Однорядный цилиндрический роликовый подшипник. |
| GEZM 208 ES | Разъемное наружное кольцо со смазочными отверстиями. |
| GEZPR 208 S | Запечатанная версия кулачкового ролика. |
| GEZ 208 TXE-2LS | Контактное уплотнение с обеих сторон подшипника. Закаленная и шлифованная сталь. Скользящая поверхность покрыта твердым хромом и отполирована. |
| GEZM 208 ES-2LS | Контактное уплотнение с обеих сторон подшипника. Разъемное наружное кольцо со смазочными отверстиями. |
| GEZM 208 ES-2RS | Резиновые уплотнения с каждой стороны подшипника. Разъемное наружное кольцо со смазочными отверстиями. |
Модификации подшипника для корпуса 208KRR — это измененное основное конструктивное исполнение 208, основные размеры (40x80x27) не отличаются.
| Обозначение | Конструктивные особенности | Внутренний (d) | Наружный (D) | Ширина (B) |
|---|---|---|---|---|
| WS22208-E1-XL-K-2RSR | Подшипник роликовый сферический. Коническое отверстие. конус 1/12. Серия X-Life премиум-класс. увеличиный срок службы. Конструкция с увеличенной грузоподьемностью. Резиновые уплотнения с каждой стороны подшипника. | 40.00 | 80.00 | 28.00 |
| 10X22208EAW33EE | Подшипник роликовый сферический. Канавка для смазки и три отверстия во внешнем кольце подшипника. Увеличенная грузоподъемность. Лучше. чем прежний суффикс E. Резиновые уплотнения с каждой стороны подшипника. | 40.00 | 80.00 | 28.00 |
| 88508 2RS C3 | Роликовый игольчатый подшипник. Внутренний зазор больше нормального. Резиновые уплотнения с каждой стороны подшипника. | 40.00 | 80.00 | 26.99 |
| BS2-2208-2CS/VT143 | Подшипник роликовый сферический. Заполнение пластичной смазкой SKF LGEP 2 на 25–35 %. Sheet Steel Reinforced Contact Seal Of Acrylonitrile-Butadiene Rubber (NBR) On Both Sides Of The Bearing. Annular Groove And Three Lubrication Holes In The Outer Ring Covered With A Polymer Band. Lubricated With An Extreme Pressure Bearing Grease According To Temperature Range -20℃/+110℃. Grease Fill 25% To 35%. | 40.00 | 80.00 | 28.00 |
| BS2-2208-2CS2/C4GEM9 | Подшипник роликовый сферический. Внутренний зазор подшипника больше. чем C3. Смазка для экстремального давления. Medium Temperature Grease. e.g. -30°C/+110°C. Largest Fill. Заполнен на 70 – 100 % смазкой LGHB 2. Усиленные листовой сталью трущиеся уплотнения из фторкаучука (FPM) с обеих сторон подшипника, заполнен высокотемпературной смазкой из полиуретана от 70 до 100%, кольцевая канавка и три смазочных отверстия на наружном кольце. | 40.00 | 80.00 | 28.00 |
| BS2-2208C-2CS | Подшипник роликовый сферический. Два стальных сепаратора оконного типа. Бесфланцевое внутреннее кольцо и направляющее кольцо центрировано на внутреннем кольце. Sheet Steel Reinforced Contact Seal Of Acrylonitrile-Butadiene Rubber (NBR) On Both Sides Of The Bearing. Annular Groove And Three Lubrication Holes In The Outer Ring Covered With A Polymer Band. Lubricated With An Extreme Pressure Bearing Grease According To Temperature Range -20℃/+110℃. Grease Fill 25% To 35%. | 40.00 | 80.00 | 28.00 |
| WS22208-E1-XL-2VSR-C4 | Подшипник роликовый сферический. Внутренний зазор подшипника больше. чем C3. Серия X-Life премиум-класс. увеличиный срок службы. Конструкция с увеличенной грузоподьемностью. Усиленные листовой сталью трущиеся уплотнения из фторкаучука (FPM) с обеих сторон подшипника, заполнен высокотемпературной смазкой из полиуретана от 70 до 100%, кольцевая канавка и три смазочных отверстия на наружном кольце. | 40.00 | 80.00 | 28.00 |
| WS22208-E1-2VSR-C4 | Подшипник роликовый сферический. Внутренний зазор подшипника больше. чем C3. Конструкция с увеличенной грузоподьемностью. Усиленные листовой сталью трущиеся уплотнения из фторкаучука (FPM) с обеих сторон подшипника, заполнен высокотемпературной смазкой из полиуретана от 70 до 100%, кольцевая канавка и три смазочных отверстия на наружном кольце. | 40.00 | 80.00 | 28.00 |
| WS22208-E1-XL-2VSR | Подшипник роликовый сферический. Серия X-Life премиум-класс. увеличиный срок службы. Конструкция с увеличенной грузоподьемностью. Усиленные листовой сталью трущиеся уплотнения из фторкаучука (FPM) с обеих сторон подшипника, заполнен высокотемпературной смазкой из полиуретана от 70 до 100%, кольцевая канавка и три смазочных отверстия на наружном кольце. | 40.00 | 80.00 | 28.00 |
| WS22208-E1-2VSR | Подшипник роликовый сферический. Конструкция с увеличенной грузоподьемностью. Усиленные листовой сталью трущиеся уплотнения из фторкаучука (FPM) с обеих сторон подшипника, заполнен высокотемпературной смазкой из полиуретана от 70 до 100%, кольцевая канавка и три смазочных отверстия на наружном кольце. | 40.00 | 80.00 | 28.00 |
| WS22208-E1-XL-2VSR-H40-C4 | Подшипник роликовый сферический. Внутренний зазор подшипника больше. чем C3. Серия X-Life премиум-класс. увеличиный срок службы. Конструкция с увеличенной грузоподьемностью. Без смазочных отверстий и смазочной канавки. Усиленные листовой сталью трущиеся уплотнения из фторкаучука (FPM) с обеих сторон подшипника, заполнен высокотемпературной смазкой из полиуретана от 70 до 100%, кольцевая канавка и три смазочных отверстия на наружном кольце. | 40.00 | 80.00 | 28.00 |
| WS22208-E1-2VSR-H40-C4 | Подшипник роликовый сферический. Внутренний зазор подшипника больше. чем C3. Конструкция с увеличенной грузоподьемностью. Без смазочных отверстий и смазочной канавки. Усиленные листовой сталью трущиеся уплотнения из фторкаучука (FPM) с обеих сторон подшипника, заполнен высокотемпературной смазкой из полиуретана от 70 до 100%, кольцевая канавка и три смазочных отверстия на наружном кольце. | 40.00 | 80.00 | 28.00 |
| 22208-2RS | Роликовый радиальный сферический двухрядный подшипник. Резиновые уплотнения с каждой стороны подшипника. | 40.00 | 80.00 | 28.00 |
| A5-22208M-2RZ | Роликовый радиальный сферический двухрядный подшипник. Подшипник с латунным сепаратором. центрированный по телам качения. Шарикоподшипник. С уплотнением и низким коэффициентом трения с обеих сторон. Уплотнение состоит из шайбы из листовой стали с вулканизированной резиной. | 40.00 | 80.00 | 28.00 |
| 6-7508 А1 | Роликовый радиальный-упорный однорядный подшипник. Повышенная грузоподъемность. | 40.00 | 80.00 | 26.05 |
Способы доставки
Отправка через ведущие транспортные и курьерские компании: ПЭК, Деловые Линии, СДЭК, Байкал-Сервис, Энергия, КИТ, ЖелДорЭкспедиция.
Самовывоз возможен напрямую со склада в Москве.
Сроки доставки
Срок зависит от региона и выбранной транспортной компании. Все заказы комплектуются и отправляются в кратчайшие сроки со склада в Москве.
Надёжность и сохранность
Вся продукция упаковывается с учётом требований транспортировки. Мы гарантируем, что подшипники и комплектующие прибудут к заказчику в полной сохранности.
Доставка в страны ЕАЭС
Мы работаем с проверенными логистическими партнёрами, что позволяет оперативно доставлять заказы в Беларусь, Казахстан, Армению и другие страны ЕАЭС.
Варианты оплаты:
Минимальная сумма заказа и скидки:
Документы и гарантии:
Да, конечно! Наши технические специалисты готовы помочь вам с подбором точного аналога или замены подшипника. Просто позвоните нам по телефону +7 (495) 104-99-04 или напишите на почту zakaz@podsnab.ru.
Для оперативной консультации подготовьте, пожалуйста, имеющиеся данные: маркировку, размеры, тип оборудования или артикул старого подшипника.
Да, конечно! Мы высоко ценим долгосрочное сотрудничество и доверие клиентов по всей России. Для постоянных клиентов действует персональная система скидок.
Условия формируются индивидуально и зависят от:
Чтобы узнать свои условия и получить максимально выгодное предложение, свяжитесь с персональным менеджером или напишите нам на почту zakaz@podsnab.ru.
Вы можете оформить заказ несколькими способами:
Для оформления заказа от юридического лица свяжитесь с нашим отделом по работе с корпоративными клиентами по телефону +7 (495) 104-99-04 или напишите на email zakaz@podsnab.ru, прикрепив реквизиты вашей организации.
Мы оперативно подготовим коммерческое предложение и выставим счет.
Возврат товара надлежащего качества возможен в течение 10 дней с момента получения, если товар не был в употреблении, сохранен товарный вид, упаковка не вскрывалась и присутствуют все сопроводительные документы.
Возврат денежных средств осуществляется в течение 10 рабочих дней после проверки товара складом.
В соответствии с законодательством возврату не подлежат подшипники надлежащего качества, если отсутствует оригинальная упаковка или имеются следы монтажа.
В случае выявления брака или гарантийного случая мы гарантируем возврат или обмен товара.
Да, гарантийный срок хранения устанавливается заводом-изготовителем и в среднем составляет 2 года при соблюдении условий хранения: сухое помещение, оригинальная упаковка и смазка.
Точный срок для конкретного типа подшипника уточняйте у наших менеджеров.
Пн–Пт: с 8:00 до 17:00 (МСК).
Сб–Вс: выходные дни.
Заказы на сайте принимаются круглосуточно. Заявки, поступившие после окончания рабочего дня, обрабатываются на следующий рабочий день.
Минимальная сумма заказа для доставки составляет 3000 рублей. Самовывоз со склада возможен на любую сумму при наличии товара.
ООО «УралТехГрупп»
ИНН: 7415093830
КПП: 772401001
ОГРН: 1167456069021
Банк: ПАО Сбербанк
Р/с: 40702810838000475273
К/с: 30101810400000000225
БИК: 044525225
У подшипника 208KRR пока нет отзывов. Вы можете стать первым покупателем, поделившимся своим мнением.