Поиск подшипника
Статьи
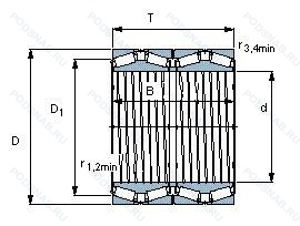
330641 ABG/HE1 — Роликовый радиальный-упорный конический четырехрядный подшипник, модификация основного исполнения 330641, производство SKF.
Размер подшипника: 482x615x330 мм.
Bearing or bearing component of vacuum remelted steel. outer and inner rings, измененная или модифицированная внутренняя конструкция при неизменных основных размерах.
Международная стандартизации ISO
330641ABGHE1
В наличии
| Обозначение | Конструктивные изменения |
|---|---|
| 330641E/C725 | Повышенная грузоподъемность. Combined With A Number. Designates The Mean Value Of The Axial Clearance In µm. |
| 330641 BG/HE1 | 40° Угол контакта. Bearing Or Bearing Component Of Vacuum Remelted Steel. Outer And Inner Rings. |
| 330641 CA | Латунный сепаратор с симметричными роликами. |
| 330641 CG | Резьбовой винт со стопором и защелкой. |
Модификации конического роликового подшипника 330641 ABG/HE1 — это измененное основное конструктивное исполнение 330641, основные размеры (482x615x330) не отличаются.
| Обозначение | Гост | Конструктивные особенности |
|---|---|---|
| 332096 | ISO | Роликовый радиальный-упорный конический четырехрядный подшипник. |
| BT4B 328842 E1/C325 | ISO | Конструкция с увеличенной грузоподьемностью. |
| BT4B 328842 E2/C725 | ISO | Наружное кольцо доступно со стандартными смазочными отверстиями и канавками. Combined With A Number. Designates The Mean Value Of The Axial Clearance In µm. |
Аналог конического роликового подшипника 330641 ABG/HE1 — это подшипник такого же размера dx482,Dx615,Bx330, типа и конструкции.
| Обозначение | Конструктивные особенности | Внутренний (d) | Наружный (D) | Ширина (B) |
|---|---|---|---|---|
| BT4B328842 | Подшипник роликовый конический многорядный. | 482.60 | 615.95 | 330.20 |
| BT4B328842E1/C725 | Подшипник роликовый конический многорядный. SKF Explorer Bearings With Seals Of Hydrogenated Acrylonitrile Butadiene Rubber (HNBR). Otherwise To VA901 Specification. Combined With A Number. Designates The Mean Value Of The Axial Clearance In µm. | 482.60 | 615.95 | 330.20 |
| F-802006.TR4-H122BA | Подшипник роликовый конический многорядный. Four-Row Tapered Roller Bearings For Roll Stands_ Deviations From The Standard Design. Four Row Tapered Roller Bearing. | 482.60 | 615.95 | 330.20 |
| NP729121-902A1 | Подшипник роликовый конический многорядный. | 482.60 | 615.95 | 330.20 |
| STF482KV6152E1G3 | Подшипник роликовый конический многорядный. | 482.60 | 615.95 | 330.20 |
| 332096 BG | Роликовый радиальный-упорный конический подшипник. 40° Угол контакта. | 482.60 | 615.95 | 330.20 |
| 332096 E/C725 | Роликовый радиальный-упорный конический подшипник. Повышенная грузоподъемность. Combined With A Number. Designates The Mean Value Of The Axial Clearance In µm. | 482.60 | 615.95 | 330.20 |
| STF482KVS6151Eg | Роликовый радиальный-упорный четырехрядный подшипник. | 482.60 | 615.95 | 330.20 |
| WTF482KVS6151Eg | Роликовый радиальный-упорный четырехрядный подшипник. | 482.60 | 615.95 | 330.20 |
| CRO-9725LL | Роликовый радиальный-упорный четырехрядный подшипник. Контактное. синтетические. резиновое уплотнение с двух сторон. | 482.60 | 615.95 | 330.20 |
| LM272249D/LM272210/LM272210DG2 | Роликовый радиальный-упорный четырехрядный подшипник. Половина целого игольчатого валика. Применять суффикс 'D' в базовом номере. Средне-лёгкая серия. | 482.60 | 615.95 | 330.20 |
| BT4-8163 E8/C725 | Роликовый радиальный-упорный четырехрядный подшипник. Combined With A Number. Designates The Mean Value Of The Axial Clearance In µm. | 482.60 | 615.95 | 330.20 |
| 4TRS19B | Роликовый радиальный-упорный четырехрядный подшипник. Конический роликовый подшипник. Угол контакта 20 градусов. | 482.60 | 615.95 | 330.20 |
| 4TRS19D | Роликовый радиальный-упорный четырехрядный подшипник. Половина целого игольчатого валика. Применять суффикс 'D' в базовом номере. | 482.60 | 615.95 | 330.20 |
| 4TRS19C | Роликовый радиальный-упорный четырехрядный подшипник. Угол контакта 20 градусов. | 482.60 | 615.95 | 330.20 |
Способы доставки
Отправка через ведущие транспортные и курьерские компании: ПЭК, Деловые Линии, СДЭК, Байкал-Сервис, Энергия, КИТ, ЖелДорЭкспедиция.
Самовывоз возможен напрямую со склада в Москве.
Сроки доставки
Срок зависит от региона и выбранной транспортной компании. Все заказы комплектуются и отправляются в кратчайшие сроки со склада в Москве.
Надёжность и сохранность
Вся продукция упаковывается с учётом требований транспортировки. Мы гарантируем, что подшипники и комплектующие прибудут к заказчику в полной сохранности.
Доставка в страны ЕАЭС
Мы работаем с проверенными логистическими партнёрами, что позволяет оперативно доставлять заказы в Беларусь, Казахстан, Армению и другие страны ЕАЭС.
Варианты оплаты:
Минимальная сумма заказа и скидки:
Документы и гарантии:
Да, конечно! Наши технические специалисты готовы помочь вам с подбором точного аналога или замены подшипника. Просто позвоните нам по телефону +7 (495) 104-99-04 или напишите на почту zakaz@podsnab.ru.
Для оперативной консультации подготовьте, пожалуйста, имеющиеся данные: маркировку, размеры, тип оборудования или артикул старого подшипника.
Да, конечно! Мы высоко ценим долгосрочное сотрудничество и доверие клиентов по всей России. Для постоянных клиентов действует персональная система скидок.
Условия формируются индивидуально и зависят от:
Чтобы узнать свои условия и получить максимально выгодное предложение, свяжитесь с персональным менеджером или напишите нам на почту zakaz@podsnab.ru.
Вы можете оформить заказ несколькими способами:
Для оформления заказа от юридического лица свяжитесь с нашим отделом по работе с корпоративными клиентами по телефону +7 (495) 104-99-04 или напишите на email zakaz@podsnab.ru, прикрепив реквизиты вашей организации.
Мы оперативно подготовим коммерческое предложение и выставим счет.
Возврат товара надлежащего качества возможен в течение 10 дней с момента получения, если товар не был в употреблении, сохранен товарный вид, упаковка не вскрывалась и присутствуют все сопроводительные документы.
Возврат денежных средств осуществляется в течение 10 рабочих дней после проверки товара складом.
В соответствии с законодательством возврату не подлежат подшипники надлежащего качества, если отсутствует оригинальная упаковка или имеются следы монтажа.
В случае выявления брака или гарантийного случая мы гарантируем возврат или обмен товара.
Да, гарантийный срок хранения устанавливается заводом-изготовителем и в среднем составляет 2 года при соблюдении условий хранения: сухое помещение, оригинальная упаковка и смазка.
Точный срок для конкретного типа подшипника уточняйте у наших менеджеров.
Пн–Пт: с 8:00 до 17:00 (МСК).
Сб–Вс: выходные дни.
Заказы на сайте принимаются круглосуточно. Заявки, поступившие после окончания рабочего дня, обрабатываются на следующий рабочий день.
Минимальная сумма заказа для доставки составляет 3000 рублей. Самовывоз со склада возможен на любую сумму при наличии товара.
ООО «УралТехГрупп»
ИНН: 7415093830
КПП: 772401001
ОГРН: 1167456069021
Банк: ПАО Сбербанк
Р/с: 40702810838000475273
К/с: 30101810400000000225
БИК: 044525225
У подшипника 330641 ABG/HE1 пока нет отзывов. Вы можете стать первым покупателем, поделившимся своим мнением.