Поиск подшипника
Статьи
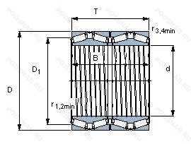
BT4B 334106 BG/HA1C300VA901 — Роликовый радиальный-упорный конический четырехрядный подшипник, модификация основного исполнения 334106, производство SKF.
Размер подшипника: 343x457x254 мм.
40° угол контакта, измененная или модифицированная внутренняя конструкция при неизменных основных размерах.
Международная стандартизации ISO
BT4B334106BGHA1C300VA901
В наличии
| Обозначение | Конструктивные изменения |
|---|---|
| BT4B 334106 BG/HA1VA901 | Измененная или модифицированная внутренняя конструкция при неизменных основных размерах. 40° Угол контакта. |
| BT4B 334106 G/HA1VA901 | Измененная или модифицированная внутренняя конструкция при неизменных основных размерах. Устройство повторного смазывания со смазочной канавкой и отверстием на внешнем кольце. |
Модификации конического роликового подшипника BT4B 334106 BG/HA1C300VA901 — это измененное основное конструктивное исполнение 334106, основные размеры (343x457x254) не отличаются.
| Обозначение | Гост | Конструктивные особенности |
|---|---|---|
| BT4B 328817 EX1/C475 | ISO | Combined With A Number. Designates The Mean Value Of The Axial Clearance In µm. Сферический роликоподшипник высокой грузоподъемности. |
| BT4B 328817 G/HA1VA902 | ISO | Измененная или модифицированная внутренняя конструкция при неизменных основных размерах. Устройство повторного смазывания со смазочной канавкой и отверстием на внешнем кольце. |
| BT4B 334033 G/HA1VA901 | ISO | Измененная или модифицированная внутренняя конструкция при неизменных основных размерах. Устройство повторного смазывания со смазочной канавкой и отверстием на внешнем кольце. |
Аналог конического роликового подшипника BT4B 334106 BG/HA1C300VA901 — это подшипник такого же размера dx343,Dx457,Bx254, типа и конструкции.
| Обозначение | Конструктивные особенности | Внутренний (d) | Наружный (D) | Ширина (B) |
|---|---|---|---|---|
| BT4B328817E1/C475 | Подшипник роликовый конический многорядный. SKF Explorer Bearings With Seals Of Hydrogenated Acrylonitrile Butadiene Rubber (HNBR). Otherwise To VA901 Specification. Combined With A Number. Designates The Mean Value Of The Axial Clearance In µm. | 343.05 | 457.10 | 254.00 |
| 802003A.H122AG | Подшипник роликовый конический многорядный. Двухрядный радиально-упорный шарикоподшипник без отверстия для смазки. Four-Row Tapered Roller Bearings For Roll Stands_ Deviations From The Standard Design. | 343.00 | 457.20 | 254.00 |
| 802003.H122AG.M15BZ.W72C | Подшипник роликовый конический многорядный. Four-Row Tapered Roller Bearings For Roll Stands_ Deviations From The Standard Design. Измерительный отчет. показывающий фактические значения различных количеств. | 343.00 | 457.20 | 254.00 |
| 330661E/C475 | Подшипник роликовый конический многорядный. Повышенная грузоподъемность. Combined With A Number. Designates The Mean Value Of The Axial Clearance In µm. | 343.05 | 457.15 | 254.00 |
| BT4-8160E81/C475 | Подшипник роликовый конический многорядный. Combined With A Number. Designates The Mean Value Of The Axial Clearance In µm. | 343.05 | 457.10 | 254.00 |
| 802003.H122AG.M15BZ.W | Подшипник роликовый конический многорядный. Four-Row Tapered Roller Bearings For Roll Stands_ Deviations From The Standard Design. Измерительный отчет. показывающий фактические значения различных количеств. | 343.00 | 457.20 | 254.00 |
| 802003.H122AF | Подшипник роликовый конический многорядный. Four-Row Tapered Roller Bearings For Roll Stands_ Deviations From The Standard Design. | 343.05 | 457.10 | 254.00 |
| 6-77968 М | Роликовый радиальный-упорный четырехрядный подшипник. Модифицированный контакт.. | 343.05 | 457.10 | 254.00 |
| 6-77968 ХМ1 | Роликовый радиальный-упорный четырехрядный подшипник. Модифицированный контакт.. Кольца и тела качения или только кольца (в том числе одно кольцо) из цементируемой стали.. | 343.05 | 457.10 | 254.00 |
| CRO-6920LL | Роликовый радиальный-упорный четырехрядный подшипник. Контактное. синтетические. резиновое уплотнение с двух сторон. | 343.05 | 457.10 | 254.00 |
| CRO-6930LL | Роликовый радиальный-упорный четырехрядный подшипник. Контактное. синтетические. резиновое уплотнение с двух сторон. | 343.05 | 457.10 | 254.00 |
| LM761649D/LM761610/LM761610D | Роликовый радиальный-упорный четырехрядный подшипник. Половина целого игольчатого валика. Применять суффикс 'D' в базовом номере. Средне-лёгкая серия. | 343.05 | 457.10 | 254.00 |
| BT4-8160 E8/C475 | Роликовый радиальный-упорный четырехрядный подшипник. Combined With A Number. Designates The Mean Value Of The Axial Clearance In µm. | 343.05 | 457.10 | 254.00 |
| 6-77968 ХМ | Роликовый радиальный-упорный четырехрядный подшипник. Модифицированный контакт.. Кольца и тела качения или только кольца (в том числе одно кольцо) из цементируемой стали.. | 343.05 | 457.10 | 254.00 |
| 47TS694625D-1 | Роликовый радиальный-упорный четырехрядный подшипник. | 343.05 | 457.10 | 254.00 |
Способы доставки
Отправка через ведущие транспортные и курьерские компании: ПЭК, Деловые Линии, СДЭК, Байкал-Сервис, Энергия, КИТ, ЖелДорЭкспедиция.
Самовывоз возможен напрямую со склада в Москве.
Сроки доставки
Срок зависит от региона и выбранной транспортной компании. Все заказы комплектуются и отправляются в кратчайшие сроки со склада в Москве.
Надёжность и сохранность
Вся продукция упаковывается с учётом требований транспортировки. Мы гарантируем, что подшипники и комплектующие прибудут к заказчику в полной сохранности.
Доставка в страны ЕАЭС
Мы работаем с проверенными логистическими партнёрами, что позволяет оперативно доставлять заказы в Беларусь, Казахстан, Армению и другие страны ЕАЭС.
Варианты оплаты:
Минимальная сумма заказа и скидки:
Документы и гарантии:
Да, конечно! Наши технические специалисты готовы помочь вам с подбором точного аналога или замены подшипника. Просто позвоните нам по телефону +7 (495) 104-99-04 или напишите на почту zakaz@podsnab.ru.
Для оперативной консультации подготовьте, пожалуйста, имеющиеся данные: маркировку, размеры, тип оборудования или артикул старого подшипника.
Да, конечно! Мы высоко ценим долгосрочное сотрудничество и доверие клиентов по всей России. Для постоянных клиентов действует персональная система скидок.
Условия формируются индивидуально и зависят от:
Чтобы узнать свои условия и получить максимально выгодное предложение, свяжитесь с персональным менеджером или напишите нам на почту zakaz@podsnab.ru.
Вы можете оформить заказ несколькими способами:
Для оформления заказа от юридического лица свяжитесь с нашим отделом по работе с корпоративными клиентами по телефону +7 (495) 104-99-04 или напишите на email zakaz@podsnab.ru, прикрепив реквизиты вашей организации.
Мы оперативно подготовим коммерческое предложение и выставим счет.
Возврат товара надлежащего качества возможен в течение 10 дней с момента получения, если товар не был в употреблении, сохранен товарный вид, упаковка не вскрывалась и присутствуют все сопроводительные документы.
Возврат денежных средств осуществляется в течение 10 рабочих дней после проверки товара складом.
В соответствии с законодательством возврату не подлежат подшипники надлежащего качества, если отсутствует оригинальная упаковка или имеются следы монтажа.
В случае выявления брака или гарантийного случая мы гарантируем возврат или обмен товара.
Да, гарантийный срок хранения устанавливается заводом-изготовителем и в среднем составляет 2 года при соблюдении условий хранения: сухое помещение, оригинальная упаковка и смазка.
Точный срок для конкретного типа подшипника уточняйте у наших менеджеров.
Пн–Пт: с 8:00 до 17:00 (МСК).
Сб–Вс: выходные дни.
Заказы на сайте принимаются круглосуточно. Заявки, поступившие после окончания рабочего дня, обрабатываются на следующий рабочий день.
Минимальная сумма заказа для доставки составляет 3000 рублей. Самовывоз со склада возможен на любую сумму при наличии товара.
ООО «УралТехГрупп»
ИНН: 7415093830
КПП: 772401001
ОГРН: 1167456069021
Банк: ПАО Сбербанк
Р/с: 40702810838000475273
К/с: 30101810400000000225
БИК: 044525225
У подшипника BT4B 334106 BG/HA1C300VA901 пока нет отзывов. Вы можете стать первым покупателем, поделившимся своим мнением.