Поиск подшипника
Статьи
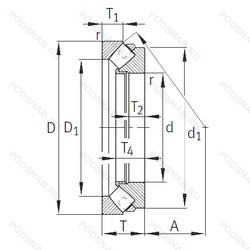
29264-E1-MB — Роликовый упорно-радиальный однорядный подшипник, модификация основного исполнения 29264, выпускается производителями: FAG, INA.
Размер подшипника: 320x440x73 мм.
Сепаратор из латуни. центрированный по внутреннему кольцу, конструкция с увеличенной грузоподьемностью.
Международная стандартизации ISO
29264E1MB
В наличии
| Обозначение | Конструктивные изменения |
|---|---|
| 29264 | Роликовый упорно-радиальный однорядный подшипник. Основное конструктивное исполнение. |
| 29264M | Механически обработанный латунный сепаратор. Центрированный элементы качения. |
| 29264-E-MB | Повышенная грузоподъемность. Механически обработанный латунный сепаратор. клёпаный. центрируемый по внутреннему кольцу. |
| 29264R | С выпуклыми асимметричными роликами и обработанным сепаратором. |
| 29264E | Повышенная грузоподъемность. |
Модификации роликового подшипника 29264-E1-MB — это измененное основное конструктивное исполнение 29264, основные размеры (320x440x73) не отличаются.
| Обозначение | Гост | Конструктивные особенности |
|---|---|---|
| 9039264 | ГОСТ | Роликовый упорно-радиальный однорядный подшипник. |
Аналог роликового подшипника 29264-E1-MB — это подшипник такого же размера dx320,Dx440,Bx73, типа и конструкции.
| Обозначение | Конструктивные особенности | Внутренний (d) | Наружный (D) | Ширина (B) |
|---|---|---|---|---|
| SL182964-TB | Однорядный цилиндрический роликовый подшипник. Подшипник с увеличенной осевой груподъемностью. | 320.00 | 440.00 | 72.00 |
| SL182964-TB-XL-C3 | Однорядный цилиндрический роликовый подшипник. Внутренний зазор больше нормального. Серия X-Life премиум-класс. увеличиный срок службы. Подшипник с увеличенной осевой груподъемностью. | 320.00 | 440.00 | 72.00 |
| SL18-2964BR-B | Однорядный цилиндрический роликовый подшипник. Особенность внутренней конструкции. Чёрный цвет. | 320.00 | 440.00 | 72.00 |
| SL182964.C3 | Однорядный цилиндрический роликовый подшипник. Внутренний зазор больше нормального. | 320.00 | 440.00 | 72.00 |
| NCF2964CV/C3 | Однорядный цилиндрический роликовый подшипник. Внутренний зазор больше нормального. Полноразмерный цилиндрический роликоподшипник с модифицированной внутренней конструкцией. | 320.00 | 440.00 | 72.00 |
| SL182964-B-BR | Однорядный цилиндрический роликовый подшипник. Конический роликовый подшипник. Угол контакта 20 градусов. Обработанный латунный сепаратор. | 320.00 | 440.00 | 72.00 |
| SL182964-B-BR-C3 | Однорядный цилиндрический роликовый подшипник. Внутренний зазор больше нормального. Конический роликовый подшипник. Угол контакта 20 градусов. Обработанный латунный сепаратор. | 320.00 | 440.00 | 72.00 |
| SL182964-B-BR-C4 | Однорядный цилиндрический роликовый подшипник. Внутренний зазор подшипника больше. чем C3. Особенность внутренней конструкции. Чёрный цвет. | 320.00 | 440.00 | 72.00 |
| SL18-2964B C3 | Однорядный цилиндрический роликовый подшипник. Внутренний зазор больше нормального. Особенность внутренней конструкции. | 320.00 | 440.00 | 72.00 |
| SL182964-TB-BR | Однорядный цилиндрический роликовый подшипник. Чёрный цвет. Подшипник с увеличенной осевой груподъемностью. | 320.00 | 440.00 | 72.00 |
| NU2964-M1-J30PC | Однорядный цилиндрический роликовый подшипник. Механически обработанный латунный сепаратор. вращающийся элемент качения (крестовина на заклепках). Кольца и тела качения с черным оксидным покрытием. | 320.00 | 440.00 | 72.00 |
| 313451B | Однорядный цилиндрический роликовый подшипник. Измененный внутренний дизайн. | 320.00 | 440.00 | 72.00 |
| 313450B | Однорядный цилиндрический роликовый подшипник. Измененный внутренний дизайн. | 320.00 | 440.00 | 72.00 |
| R6410V | Роликовый радиальный однорядный подшипник. Подшипник без сепаратора. С полным комплектом тел качения. | 320.00 | 440.00 | 72.00 |
| NCF 2964 CV | Роликовый радиальный цилиндрический однорядный подшипник. Полноразмерный цилиндрический роликоподшипник с модифицированной внутренней конструкцией. Однорядный без сепараторный цилиндрический роликовый подшипник. | 320.00 | 440.00 | 72.00 |
Способы доставки
Отправка через ведущие транспортные и курьерские компании: ПЭК, Деловые Линии, СДЭК, Байкал-Сервис, Энергия, КИТ, ЖелДорЭкспедиция.
Самовывоз возможен напрямую со склада в Москве.
Сроки доставки
Срок зависит от региона и выбранной транспортной компании. Все заказы комплектуются и отправляются в кратчайшие сроки со склада в Москве.
Надёжность и сохранность
Вся продукция упаковывается с учётом требований транспортировки. Мы гарантируем, что подшипники и комплектующие прибудут к заказчику в полной сохранности.
Доставка в страны ЕАЭС
Мы работаем с проверенными логистическими партнёрами, что позволяет оперативно доставлять заказы в Беларусь, Казахстан, Армению и другие страны ЕАЭС.
Варианты оплаты:
Минимальная сумма заказа и скидки:
Документы и гарантии:
Да, конечно! Наши технические специалисты готовы помочь вам с подбором точного аналога или замены подшипника. Просто позвоните нам по телефону +7 (495) 104-99-04 или напишите на почту zakaz@podsnab.ru.
Для оперативной консультации подготовьте, пожалуйста, имеющиеся данные: маркировку, размеры, тип оборудования или артикул старого подшипника.
Да, конечно! Мы высоко ценим долгосрочное сотрудничество и доверие клиентов по всей России. Для постоянных клиентов действует персональная система скидок.
Условия формируются индивидуально и зависят от:
Чтобы узнать свои условия и получить максимально выгодное предложение, свяжитесь с персональным менеджером или напишите нам на почту zakaz@podsnab.ru.
Вы можете оформить заказ несколькими способами:
Для оформления заказа от юридического лица свяжитесь с нашим отделом по работе с корпоративными клиентами по телефону +7 (495) 104-99-04 или напишите на email zakaz@podsnab.ru, прикрепив реквизиты вашей организации.
Мы оперативно подготовим коммерческое предложение и выставим счет.
Возврат товара надлежащего качества возможен в течение 10 дней с момента получения, если товар не был в употреблении, сохранен товарный вид, упаковка не вскрывалась и присутствуют все сопроводительные документы.
Возврат денежных средств осуществляется в течение 10 рабочих дней после проверки товара складом.
В соответствии с законодательством возврату не подлежат подшипники надлежащего качества, если отсутствует оригинальная упаковка или имеются следы монтажа.
В случае выявления брака или гарантийного случая мы гарантируем возврат или обмен товара.
Да, гарантийный срок хранения устанавливается заводом-изготовителем и в среднем составляет 2 года при соблюдении условий хранения: сухое помещение, оригинальная упаковка и смазка.
Точный срок для конкретного типа подшипника уточняйте у наших менеджеров.
Пн–Пт: с 8:00 до 17:00 (МСК).
Сб–Вс: выходные дни.
Заказы на сайте принимаются круглосуточно. Заявки, поступившие после окончания рабочего дня, обрабатываются на следующий рабочий день.
Минимальная сумма заказа для доставки составляет 3000 рублей. Самовывоз со склада возможен на любую сумму при наличии товара.
ООО «УралТехГрупп»
ИНН: 7415093830
КПП: 772401001
ОГРН: 1167456069021
Банк: ПАО Сбербанк
Р/с: 40702810838000475273
К/с: 30101810400000000225
БИК: 044525225
У подшипника 29264-E1-MB пока нет отзывов. Вы можете стать первым покупателем, поделившимся своим мнением.