Поиск подшипника
Статьи
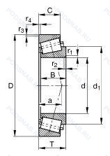
HR32918J — Роликовый радиальный-упорный однорядный подшипник, модификация основного исполнения HR32918, производство NSK.
Размер подшипника: 90x125x23 мм.
Для конических роликоподшипников и радиальных шарикоподшипников: увеличенная грузоподъемность, дорожки качения наружного кольца. угол контакта и ширина наружного кольца в соответствии с iso.
Международная стандартизации ISO
HR32918J
В наличии
| Обозначение | Гост | Конструктивные особенности |
|---|---|---|
| E32918J | ISO | Дорожки качения наружного кольца. угол контакта и ширина наружного кольца в соответствии с ISO. |
| 32918X | ISO | Измененные размеры границ. введенные пересмотренными стандартами ISO. |
| 32918 A | ISO | Двухрядный радиально-упорный шарикоподшипник без отверстия для смазки. |
Аналог роликового подшипника HR32918J — это подшипник такого же размера dx90,Dx125,Bx23, типа и конструкции.
| Обозначение | Конструктивные особенности | Внутренний (d) | Наружный (D) | Ширина (B) |
|---|---|---|---|---|
| SL18-2918C3 | Однорядный цилиндрический роликовый подшипник. Внутренний зазор больше нормального. | 90.00 | 125.00 | 22.00 |
| NCF2918V | однорядный цилиндрический роликовый подшипник. Бессепараторный подшипник. Однорядный без сепараторный цилиндрический роликовый подшипник. Два борта на внутреннем кольце и один борт на наружном. | 90.00 | 125.00 | 22.00 |
| NCF2918V C3 | Однорядный цилиндрический роликовый подшипник. Внутренний зазор больше нормального. Подшипник без сепаратора. С полным комплектом тел качения. | 90.00 | 125.00 | 22.00 |
| NCF2918CV/C3 | Однорядный цилиндрический роликовый подшипник. Внутренние изменения в конструкции. Внутренний зазор больше нормального. Полноразмерный цилиндрический роликоподшипник с модифицированной внутренней конструкцией. | 90.00 | 125.00 | 22.00 |
| NCF2918CV | однорядный цилиндрический роликовый подшипник. Полноразмерный цилиндрический роликоподшипник с модифицированной внутренней конструкцией. Однорядный без сепараторный цилиндрический роликовый подшипник. | 90.00 | 125.00 | 22.00 |
| 32918J | Однорядный конический роликовый подшипник. Дорожки качения наружного кольца. угол контакта и ширина наружного кольца в соответствии с ISO. | 90.00 | 125.00 | 23.00 |
| 579877.115D.N12BX3 | Однорядный цилиндрический роликовый подшипник. Подшипники с модифицированной внутренней конструкцией и суффиксом D не имеют смазочного отверстия или смазочной канавки в стандартной комплектации. Количество подшипников. Bearing Matched In Sets.. | 90.00 | 125.00 | 22.00 |
| 32918JR | однорядный конический роликовый подшипник. TAPERED ROLLER BEARING CONFORMING TO ISO R355 (SUB-UNIT. METRIC SERIES). EXAMPLE/ 30206JR. | 90.00 | 125.00 | 23.00 |
| SL18-2918B C3 | Однорядный цилиндрический роликовый подшипник. Внутренний зазор больше нормального. Особенность внутренней конструкции. | 90.00 | 125.00 | 22.00 |
| 32918XU | однорядный конический роликовый подшипник. Spherical Seat Ring Type. | 90.00 | 125.00 | 23.00 |
| SL18-2918B XL | Однорядный цилиндрический роликовый подшипник. Особенность внутренней конструкции. Серия X-Life премиум-класс. увеличиный срок службы. | 90.00 | 125.00 | 22.00 |
| SL182918-B-XL-C3 | Однорядный цилиндрический роликовый подшипник. Внутренний зазор больше нормального. Особенность внутренней конструкции. Серия X-Life премиум-класс. увеличиный срок службы. | 90.00 | 125.00 | 22.00 |
| SL18-2918C5 | Однорядный цилиндрический роликовый подшипник. Внутренний зазор подшипника больше. чем С4. | 90.00 | 125.00 | 22.00 |
| 32918-H | Однорядный конический роликовый подшипник. Произведен в Китае. | 90.00 | 125.00 | 23.00 |
| 90BNR29HV1V | Шариковый радиально-упорный однорядный подшипник. | 90.00 | 125.00 | 22.00 |
Способы доставки
Отправка через ведущие транспортные и курьерские компании: ПЭК, Деловые Линии, СДЭК, Байкал-Сервис, Энергия, КИТ, ЖелДорЭкспедиция.
Самовывоз возможен напрямую со склада в Москве.
Сроки доставки
Срок зависит от региона и выбранной транспортной компании. Все заказы комплектуются и отправляются в кратчайшие сроки со склада в Москве.
Надёжность и сохранность
Вся продукция упаковывается с учётом требований транспортировки. Мы гарантируем, что подшипники и комплектующие прибудут к заказчику в полной сохранности.
Доставка в страны ЕАЭС
Мы работаем с проверенными логистическими партнёрами, что позволяет оперативно доставлять заказы в Беларусь, Казахстан, Армению и другие страны ЕАЭС.
Варианты оплаты:
Минимальная сумма заказа и скидки:
Документы и гарантии:
Да, конечно! Наши технические специалисты готовы помочь вам с подбором точного аналога или замены подшипника. Просто позвоните нам по телефону +7 (495) 104-99-04 или напишите на почту zakaz@podsnab.ru.
Для оперативной консультации подготовьте, пожалуйста, имеющиеся данные: маркировку, размеры, тип оборудования или артикул старого подшипника.
Да, конечно! Мы высоко ценим долгосрочное сотрудничество и доверие клиентов по всей России. Для постоянных клиентов действует персональная система скидок.
Условия формируются индивидуально и зависят от:
Чтобы узнать свои условия и получить максимально выгодное предложение, свяжитесь с персональным менеджером или напишите нам на почту zakaz@podsnab.ru.
Вы можете оформить заказ несколькими способами:
Для оформления заказа от юридического лица свяжитесь с нашим отделом по работе с корпоративными клиентами по телефону +7 (495) 104-99-04 или напишите на email zakaz@podsnab.ru, прикрепив реквизиты вашей организации.
Мы оперативно подготовим коммерческое предложение и выставим счет.
Возврат товара надлежащего качества возможен в течение 10 дней с момента получения, если товар не был в употреблении, сохранен товарный вид, упаковка не вскрывалась и присутствуют все сопроводительные документы.
Возврат денежных средств осуществляется в течение 10 рабочих дней после проверки товара складом.
В соответствии с законодательством возврату не подлежат подшипники надлежащего качества, если отсутствует оригинальная упаковка или имеются следы монтажа.
В случае выявления брака или гарантийного случая мы гарантируем возврат или обмен товара.
Да, гарантийный срок хранения устанавливается заводом-изготовителем и в среднем составляет 2 года при соблюдении условий хранения: сухое помещение, оригинальная упаковка и смазка.
Точный срок для конкретного типа подшипника уточняйте у наших менеджеров.
Пн–Пт: с 8:00 до 17:00 (МСК).
Сб–Вс: выходные дни.
Заказы на сайте принимаются круглосуточно. Заявки, поступившие после окончания рабочего дня, обрабатываются на следующий рабочий день.
Минимальная сумма заказа для доставки составляет 3000 рублей. Самовывоз со склада возможен на любую сумму при наличии товара.
ООО «УралТехГрупп»
ИНН: 7415093830
КПП: 772401001
ОГРН: 1167456069021
Банк: ПАО Сбербанк
Р/с: 40702810838000475273
К/с: 30101810400000000225
БИК: 044525225
У подшипника HR32918J пока нет отзывов. Вы можете стать первым покупателем, поделившимся своим мнением.