Поиск подшипника
Статьи
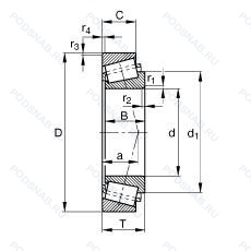
K45284-45220 — Роликовый радиальный-упорный подшипник, модификация основного исполнения K45284, производство FAG.
Размер подшипника: 50x104x30 мм.
Игольчатый роликоподшипник без колец.
Международная стандартизации ISO
K4528445220
В наличии
| Обозначение | Конструктивные особенности | Внутренний (d) | Наружный (D) | Ширина (B) |
|---|---|---|---|---|
| 45285-99401 | Однорядный конический роликовый подшипник. | 50.80 | 104.78 | 30.16 |
| 45285A/45220 | однорядный конический роликовый подшипник. Двухрядный радиально-упорный шарикоподшипник без отверстия для смазки. | 50.80 | 104.78 | 30.16 |
| 45284/45220B | Однорядный конический роликовый подшипник. Фланец на передней поверхности наружного кольца. | 50.80 | 104.78 | 30.16 |
| 45285/45220B | однорядный конический роликовый подшипник. Фланец на передней поверхности наружного кольца. | 50.80 | 104.78 | 30.96 |
| 45285A/45220B | однорядный конический роликовый подшипник. Двухрядный радиально-упорный шарикоподшипник без отверстия для смазки. Фланец на передней поверхности наружного кольца. | 50.80 | 104.78 | 30.96 |
| 455/453X | однорядный конический роликовый подшипник. (Конус/внутренняя дорожка и чашка/наружная дорожка) Суффикс имеет два значения 1) Подшипник со специальными характеристиками (невзаимозаменяемый с подшипниками. имеющими тот же номер базовой детали). 2) Подшипник ISO с теми же граничными размерами. что и у базовой детали. но с другой внутренней геометрией. Увеличение номинальных характеристик. | 50.80 | 104.78 | 30.16 |
| 45285A/45221 | однорядный конический роликовый подшипник. Двухрядный радиально-упорный шарикоподшипник без отверстия для смазки. | 50.80 | 104.78 | 30.16 |
| T7FC050/CL7A | Однорядный конический роликовый подшипник. High-Performance Design For Pinion Bearing Arrangements (Superseded By CL7C) - (100% Interchangeable With Basic Designation). | 50.00 | 105.00 | 29.00 |
| T7FC050-XL | Однорядный конический роликовый подшипник. Серия X Live. | 50.00 | 105.00 | 29.00 |
| T7FC050-T51EF | Однорядный конический роликовый подшипник. Конические роликоподшипники с ограниченным допуском по ширине (T51EF заменяет F6). | 50.00 | 105.00 | 29.00 |
| 465/453X | Однорядный конический роликовый подшипник. (Конус/внутренняя дорожка и чашка/наружная дорожка) Суффикс имеет два значения 1) Подшипник со специальными характеристиками (невзаимозаменяемый с подшипниками. имеющими тот же номер базовой детали). 2) Подшипник ISO с теми же граничными размерами. что и у базовой детали. но с другой внутренней геометрией. Увеличение номинальных характеристик. | 50.00 | 104.78 | 29.32 |
| 4T-45285/45220 | Роликовый радиальный-упорный конический однорядный подшипник. Цементованная сталь. | 50.80 | 104.78 | 30.16 |
| 4T-455/453X | Роликовый радиальный-упорный конический однорядный подшипник. Цементованная сталь. | 50.80 | 104.78 | 30.16 |
| 4T-45284/45220 | Роликовый радиальный-упорный конический однорядный подшипник. Цементованная сталь. | 50.80 | 104.78 | 30.16 |
| 455-S/453X | Роликовый радиальный-упорный однорядный подшипник. Запечатанная версия кулачкового ролика. Габаритные размеры отличаются от стандарта ISO или опорные ролики с цилиндрической наружной поверхностью. | 50.80 | 104.78 | 30.16 |
Способы доставки
Отправка через ведущие транспортные и курьерские компании: ПЭК, Деловые Линии, СДЭК, Байкал-Сервис, Энергия, КИТ, ЖелДорЭкспедиция.
Самовывоз возможен напрямую со склада в Москве.
Сроки доставки
Срок зависит от региона и выбранной транспортной компании. Все заказы комплектуются и отправляются в кратчайшие сроки со склада в Москве.
Надёжность и сохранность
Вся продукция упаковывается с учётом требований транспортировки. Мы гарантируем, что подшипники и комплектующие прибудут к заказчику в полной сохранности.
Доставка в страны ЕАЭС
Мы работаем с проверенными логистическими партнёрами, что позволяет оперативно доставлять заказы в Беларусь, Казахстан, Армению и другие страны ЕАЭС.
Варианты оплаты:
Минимальная сумма заказа и скидки:
Документы и гарантии:
Да, конечно! Наши технические специалисты готовы помочь вам с подбором точного аналога или замены подшипника. Просто позвоните нам по телефону +7 (495) 104-99-04 или напишите на почту zakaz@podsnab.ru.
Для оперативной консультации подготовьте, пожалуйста, имеющиеся данные: маркировку, размеры, тип оборудования или артикул старого подшипника.
Да, конечно! Мы высоко ценим долгосрочное сотрудничество и доверие клиентов по всей России. Для постоянных клиентов действует персональная система скидок.
Условия формируются индивидуально и зависят от:
Чтобы узнать свои условия и получить максимально выгодное предложение, свяжитесь с персональным менеджером или напишите нам на почту zakaz@podsnab.ru.
Вы можете оформить заказ несколькими способами:
Для оформления заказа от юридического лица свяжитесь с нашим отделом по работе с корпоративными клиентами по телефону +7 (495) 104-99-04 или напишите на email zakaz@podsnab.ru, прикрепив реквизиты вашей организации.
Мы оперативно подготовим коммерческое предложение и выставим счет.
Возврат товара надлежащего качества возможен в течение 10 дней с момента получения, если товар не был в употреблении, сохранен товарный вид, упаковка не вскрывалась и присутствуют все сопроводительные документы.
Возврат денежных средств осуществляется в течение 10 рабочих дней после проверки товара складом.
В соответствии с законодательством возврату не подлежат подшипники надлежащего качества, если отсутствует оригинальная упаковка или имеются следы монтажа.
В случае выявления брака или гарантийного случая мы гарантируем возврат или обмен товара.
Да, гарантийный срок хранения устанавливается заводом-изготовителем и в среднем составляет 2 года при соблюдении условий хранения: сухое помещение, оригинальная упаковка и смазка.
Точный срок для конкретного типа подшипника уточняйте у наших менеджеров.
Пн–Пт: с 8:00 до 17:00 (МСК).
Сб–Вс: выходные дни.
Заказы на сайте принимаются круглосуточно. Заявки, поступившие после окончания рабочего дня, обрабатываются на следующий рабочий день.
Минимальная сумма заказа для доставки составляет 3000 рублей. Самовывоз со склада возможен на любую сумму при наличии товара.
ООО «УралТехГрупп»
ИНН: 7415093830
КПП: 772401001
ОГРН: 1167456069021
Банк: ПАО Сбербанк
Р/с: 40702810838000475273
К/с: 30101810400000000225
БИК: 044525225
У подшипника K45284-45220 пока нет отзывов. Вы можете стать первым покупателем, поделившимся своим мнением.