Поиск подшипника
Статьи
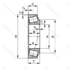
30204-XL — Роликовый радиальный-упорный однорядный подшипник, модификация основного исполнения 30204, производство FAG.
Размер подшипника: 20x47x15 мм.
Серия x-life премиум-класс. увеличиный срок службы.
Международная стандартизации ISO
30204XL
В наличии
| Обозначение | Конструктивные изменения |
|---|---|
| 30204A | Соответствует стандартам ISO с улучшенными характеристиками. |
| 30204 | Роликовый радиальный-упорный однорядный подшипник. Основное конструктивное исполнение. |
| 30204J | Дорожки качения наружного кольца. угол контакта и ширина наружного кольца в соответствии с ISO. |
| 30204-CZ | Роликовый радиальный-упорный однорядный подшипник. |
| 30204-90KA1 | Assembly Code. |
| 30204M-90KM1 | Подшипник с латунным сепаратором. центрированный по телам качения. |
| 30204J2/P6 | Размерные и геометрические допуски соответствуют классу точности P6. Штампованный стальной сепаратор. центрируемый по роликам. Число после J указывает на различные конструктивные исполнения сепаратора. |
| 30204-CYB-W136 | Роликовый радиальный-упорный однорядный подшипник. |
| 30204V | Подшипник без сепаратора. С полным комплектом тел качения. |
| 30204J2/QCLN | Оптимизированная геометрия и специальная обработка контактных поверхностей. Штампованный стальной сепаратор. центрируемый по роликам. Число после J указывает на различные конструктивные исполнения сепаратора. Reduced Tolerances For Ring Widths And Total (Abutment) Width_ Corresponds To ISO Tolerance Class 6X. |
| 30204PREC.C | (Cone/Inner Race And Cup/Outer Race) Same As PREC.3 (Precision Class 3). |
| 30204J2/VQ045 | Штампованный стальной сепаратор. центрируемый по роликам. Число после J указывает на различные конструктивные исполнения сепаратора. Dimensional And/Or Accuracy Tolerances Other Than Standard. |
| 30204J2 | Штампованный стальной сепаратор. центрируемый по роликам. Число после J указывает на различные конструктивные исполнения сепаратора. |
| 30204J2/Q | Оптимизированная геометрия и специальная обработка контактных поверхностей. Штампованный стальной сепаратор. центрируемый по роликам. Число после J указывает на различные конструктивные исполнения сепаратора. |
| 30204M | Подшипник с латунным сепаратором. центрированный по телам качения. |
| 30204A C6 | Конический роликоподшипник с более высокой номинальной нагрузкой и более высокой предельной скоростью. Reduced Vibration Level Lower Than Normal (Not Indicated). |
| 30204DY | Конические роликоподшипники. произведенные в Корее и продаваемые под торговой маркой FAG. могут быть идентифицированы по суффиксу -DY/-DZ. |
| 30204A P6 | Двухрядный радиально-упорный шарикоподшипник без отверстия для смазки. Размерные и геометрические допуски соответствуют классу точности P6. |
| 30204J2/QW64 | Антифрикционный заполнитель. твердая смазка. Оптимизированная геометрия и специальная обработка контактных поверхностей. Штампованный стальной сепаратор. центрируемый по роликам. Число после J указывает на различные конструктивные исполнения сепаратора. |
| 30204A J2 | Конический роликоподшипник с более высокой номинальной нагрузкой и более высокой предельной скоростью. Штампованный стальной сепаратор. центрируемый по роликам. Число после J указывает на различные конструктивные исполнения сепаратора. |
| 30204F | Сепаратор из обработанной стали или специального чугуна. |
| 30204-H | Произведен в Китае. |
| 30204JR P5 | Размерная и рабочая точность соответствует классу допуска ISO 5. TAPERED ROLLER BEARING CONFORMING TO ISO R355 (SUB-UNIT. METRIC SERIES). EXAMPLE/ 30206JR. |
| 30204JR | TAPERED ROLLER BEARING CONFORMING TO ISO R355 (SUB-UNIT. METRIC SERIES). EXAMPLE/ 30206JR. |
Модификации роликового подшипника 30204-XL — это измененное основное конструктивное исполнение 30204, основные размеры (20x47x15) не отличаются.
| Обозначение | Гост | Конструктивные особенности |
|---|---|---|
| 7204-АУ | ГОСТ | Дополнительные технические требования. Повышенная грузоподъемность. |
| 7204-А1 | ГОСТ | Повышенная грузоподъемность. |
| 7204-К1УШ2W3 | ГОСТ | Детали из вакуумированной стали.. Кольцевая проточка на середине цилиндрической наружной поверхности наружного кольца плюс три отверстия для смазки. Дополнительные технические требования. Нормы шумности. |
| 7204-К1W3 | ГОСТ | Детали из вакуумированной стали.. Кольцевая проточка на середине цилиндрической наружной поверхности наружного кольца плюс три отверстия для смазки. |
| 8-7204 К1W3 | ГОСТ | Детали из вакуумированной стали.. |
| 2В0-7204 К1Ш2 | ГОСТ | Нормы шумности. |
| 4-7204-А | ГОСТ | Повышенная грузоподъемность. |
| 57008R | ISO | С выпуклыми асимметричными роликами и обработанным сепаратором. |
| E30204J | ISO | Дорожки качения наружного кольца. угол контакта и ширина наружного кольца в соответствии с ISO. |
| HR30204C-A- | ISO | 15° Угол контакта. Двухрядный радиально-упорный шарикоподшипник без отверстия для смазки. Для конических роликоподшипников и радиальных шарикоподшипников. |
| X30204M/Y30204M | ISO | Подшипник с латунным сепаратором. центрированный по телам качения. |
| 05075X/05185-B | ISO | Конический роликовый подшипник. Угол контакта 20 градусов. Измененные размеры границ. введенные пересмотренными стандартами ISO. |
| 05075/05185-B | ISO | Конический роликовый подшипник. Угол контакта 20 градусов. |
| 67204A | ГОСТ | Двухрядный радиально-упорный шарикоподшипник без отверстия для смазки. |
| 7-7204 А | ГОСТ | Повышенная грузоподъемность. |
| 7204-К1 | ГОСТ | Кольцевая проточка на середине цилиндрической наружной поверхности наружного кольца плюс три отверстия для смазки. |
| 7204A | ГОСТ | Двухрядный радиально-упорный шарикоподшипник без отверстия для смазки. |
| HI-CAP 57008 | ISO | Угол контакта 20 градусов. |
| HI-CAP ST2047 BLFT | ISO | Угол контакта 20 градусов. |
| 5-7204 А | ГОСТ | Повышенная грузоподъемность. |
Аналог роликового подшипника 30204-XL — это подшипник такого же размера dx20,Dx47,Bx15, типа и конструкции.
| Обозначение | Конструктивные особенности | Внутренний (d) | Наружный (D) | Ширина (B) |
|---|---|---|---|---|
| 580204-АКС17 | Шариковый радиальный однорядный подшипник. Смазка Литол-24. Повышенная грузоподъемность. | 20.00 | 47.00 | 14.00 |
| 580204-АКУС17 | Шариковый радиальный однорядный подшипник. Смазка Литол-24. Дополнительные технические требования. Повышенная грузоподъемность. | 20.00 | 47.00 | 14.00 |
| 580204-КС17 | Шариковый радиальный однорядный подшипник. Смазка Литол-24. «Замок» (скос) на внутреннем кольце плюс массивный сепаратор из текстолита. | 20.00 | 47.00 | 14.00 |
| 580204-КС17W | Шариковый радиальный однорядный подшипник. Детали из вакуумированной стали.. Смазка Литол-24. «Замок» (скос) на внутреннем кольце плюс массивный сепаратор из текстолита. | 20.00 | 47.00 | 14.00 |
| 580204-КС17W2 | Шариковый радиальный однорядный подшипник. Детали из вакуумированной стали.. Смазка Литол-24. «Замок» (скос) на внутреннем кольце плюс массивный сепаратор из текстолита. | 20.00 | 47.00 | 14.00 |
| 580204-С17 | Шариковый радиальный однорядный подшипник. Смазка Литол-24. | 20.00 | 47.00 | 14.00 |
| 580204АК | Шариковый радиальный однорядный подшипник. Повышенная грузоподъемность. | 20.00 | 47.00 | 14.00 |
| 6-12204 К2 | Роликовый радиальный однорядный подшипник. Кольцевая проточка на середине цилиндрической наружной поверхности наружного кольца плюс три отверстия для смазки. | 20.00 | 47.00 | 14.00 |
| 6-180204 АКС17 | Шариковый радиальный однорядный подшипник. Смазка Литол-24. Повышенная грузоподъемность. | 20.00 | 47.00 | 14.00 |
| 6-180204 АС17 | Шариковый радиальный однорядный подшипник. Смазка Литол-24. Повышенная грузоподъемность. | 20.00 | 47.00 | 14.00 |
| 6-180204 АС9 | Шариковый радиальный однорядный подшипник. Повышенная грузоподъемность. Смазка ЛЗ-31. | 20.00 | 47.00 | 14.00 |
| 6-180204 КС9Ш2У | Шариковый радиальный однорядный подшипник. Дополнительные технические требования. Нормы шумности. Смазка ЛЗ-31. | 20.00 | 47.00 | 14.00 |
| 6-180204 С17 | Шариковый радиальный однорядный подшипник. Смазка Литол-24. | 20.00 | 47.00 | 14.00 |
| 6-180204 С9Ш2 | Шариковый радиальный однорядный подшипник. Нормы шумности. Смазка ЛЗ-31. | 20.00 | 47.00 | 14.00 |
| 6-180204 С9Ш2У | Шариковый радиальный однорядный подшипник. Дополнительные технические требования. Нормы шумности. Смазка ЛЗ-31. | 20.00 | 47.00 | 14.00 |
Способы доставки
Отправка через ведущие транспортные и курьерские компании: ПЭК, Деловые Линии, СДЭК, Байкал-Сервис, Энергия, КИТ, ЖелДорЭкспедиция.
Самовывоз возможен напрямую со склада в Москве.
Сроки доставки
Срок зависит от региона и выбранной транспортной компании. Все заказы комплектуются и отправляются в кратчайшие сроки со склада в Москве.
Надёжность и сохранность
Вся продукция упаковывается с учётом требований транспортировки. Мы гарантируем, что подшипники и комплектующие прибудут к заказчику в полной сохранности.
Доставка в страны ЕАЭС
Мы работаем с проверенными логистическими партнёрами, что позволяет оперативно доставлять заказы в Беларусь, Казахстан, Армению и другие страны ЕАЭС.
Варианты оплаты:
Минимальная сумма заказа и скидки:
Документы и гарантии:
Да, конечно! Наши технические специалисты готовы помочь вам с подбором точного аналога или замены подшипника. Просто позвоните нам по телефону +7 (495) 104-99-04 или напишите на почту zakaz@podsnab.ru.
Для оперативной консультации подготовьте, пожалуйста, имеющиеся данные: маркировку, размеры, тип оборудования или артикул старого подшипника.
Да, конечно! Мы высоко ценим долгосрочное сотрудничество и доверие клиентов по всей России. Для постоянных клиентов действует персональная система скидок.
Условия формируются индивидуально и зависят от:
Чтобы узнать свои условия и получить максимально выгодное предложение, свяжитесь с персональным менеджером или напишите нам на почту zakaz@podsnab.ru.
Вы можете оформить заказ несколькими способами:
Для оформления заказа от юридического лица свяжитесь с нашим отделом по работе с корпоративными клиентами по телефону +7 (495) 104-99-04 или напишите на email zakaz@podsnab.ru, прикрепив реквизиты вашей организации.
Мы оперативно подготовим коммерческое предложение и выставим счет.
Возврат товара надлежащего качества возможен в течение 10 дней с момента получения, если товар не был в употреблении, сохранен товарный вид, упаковка не вскрывалась и присутствуют все сопроводительные документы.
Возврат денежных средств осуществляется в течение 10 рабочих дней после проверки товара складом.
В соответствии с законодательством возврату не подлежат подшипники надлежащего качества, если отсутствует оригинальная упаковка или имеются следы монтажа.
В случае выявления брака или гарантийного случая мы гарантируем возврат или обмен товара.
Да, гарантийный срок хранения устанавливается заводом-изготовителем и в среднем составляет 2 года при соблюдении условий хранения: сухое помещение, оригинальная упаковка и смазка.
Точный срок для конкретного типа подшипника уточняйте у наших менеджеров.
Пн–Пт: с 8:00 до 17:00 (МСК).
Сб–Вс: выходные дни.
Заказы на сайте принимаются круглосуточно. Заявки, поступившие после окончания рабочего дня, обрабатываются на следующий рабочий день.
Минимальная сумма заказа для доставки составляет 3000 рублей. Самовывоз со склада возможен на любую сумму при наличии товара.
ООО «УралТехГрупп»
ИНН: 7415093830
КПП: 772401001
ОГРН: 1167456069021
Банк: ПАО Сбербанк
Р/с: 40702810838000475273
К/с: 30101810400000000225
БИК: 044525225
У подшипника 30204-XL пока нет отзывов. Вы можете стать первым покупателем, поделившимся своим мнением.