Поиск подшипника
Статьи
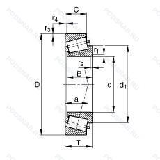
30219-XL — Роликовый радиальный-упорный однорядный подшипник, модификация основного исполнения 30219, производство FAG.
Размер подшипника: 95x170x34 мм.
Серия x-life премиум-класс. увеличиный срок службы.
Международная стандартизации ISO
30219XL
В наличии
| Обозначение | Конструктивные изменения |
|---|---|
| 30219M | Подшипник с латунным сепаратором. центрированный по телам качения. |
| 30219-A>A | Модификация внутренней конструкции. |
| 30219A | Соответствует стандартам ISO с улучшенными характеристиками. |
| 30219J1 | Прессованный стальной сепаратор. |
| 30219 | Роликовый радиальный-упорный однорядный подшипник. Основное конструктивное исполнение. |
| 30219UDF C3 | Специальная фаска. Конические роликоподшипники с возможностью взаимозаменять друг друга. Комплект из двух подшипников. согласованных для установки по Х-образной схеме. Число. следующее непосредственно после букв DF. обозначает конструкцию промежуточного кольца. |
| 30219A.A90.140.N11CA | Двухрядный радиально-упорный шарикоподшипник без отверстия для смазки. Два Х-расположенных конических роликоподшипника. С прокладками между чашками. Длина рельса в мм. |
| 30219A.A220.270.N11CA | Модификация внутренней конструкции. Два Х-расположенных конических роликоподшипника. С прокладками между чашками. Осевой зазор в мкм. |
| 30219J | Дорожки качения наружного кольца. угол контакта и ширина наружного кольца в соответствии с ISO. |
| 30219J2/DF | Штампованный стальной сепаратор. центрируемый по роликам. Число после J указывает на различные конструктивные исполнения сепаратора. Комплект из двух подшипников. согласованных для установки по Х-образной схеме. Число. следующее непосредственно после букв DF. обозначает конструкцию промежуточного кольца. |
| 30219P5 | Размерная и рабочая точность соответствует классу допуска ISO 5. |
| 30219-90KA1 | Assembly Code. |
| 30219M-90KM1 | Подшипник с латунным сепаратором. центрированный по телам качения. |
| 30219C3 | Внутренний зазор больше нормального. |
| 30219J2 | Штампованный стальной сепаратор. центрируемый по роликам. Число после J указывает на различные конструктивные исполнения сепаратора. |
| 30219JR | TAPERED ROLLER BEARING CONFORMING TO ISO R355 (SUB-UNIT. METRIC SERIES). EXAMPLE/ 30206JR. |
| 30219U | Конические роликоподшипники с возможностью взаимозаменять друг друга. |
| 30219A-P5 | Модификация внутренней конструкции. Размерная и рабочая точность соответствует классу допуска ISO 5. |
| 30219-H | Произведен в Китае. |
| 30219UP5 | Размерная и рабочая точность соответствует классу допуска ISO 5. Конические роликоподшипники с возможностью взаимозаменять друг друга. |
| 30219-A-N11CA-A90-140 | Модификация внутренней конструкции. Два Х-расположенных конических роликоподшипника. С прокладками между чашками. Осевой зазор в мкм. |
| 30219UDF | Роликовый радиальный-упорный однорядный подшипник. |
| 30219F | Сепаратор из обработанной стали или специального чугуна. |
Модификации роликового подшипника 30219-XL — это измененное основное конструктивное исполнение 30219, основные размеры (95x170x34) не отличаются.
| Обозначение | Гост | Конструктивные особенности |
|---|---|---|
| E30219J | ISO | Дорожки качения наружного кольца. угол контакта и ширина наружного кольца в соответствии с ISO. |
| X30219M/Y30219M | ISO | Подшипник с латунным сепаратором. центрированный по телам качения. |
| X30219/Y30219 | ISO | Роликовый радиальный-упорный однорядный подшипник. |
Аналог роликового подшипника 30219-XL — это подшипник такого же размера dx95,Dx170,Bx34, типа и конструкции.
| Обозначение | Конструктивные особенности | Внутренний (d) | Наружный (D) | Ширина (B) |
|---|---|---|---|---|
| Z-577488.30219-A | Однорядный конический роликовый подшипник. (Чаша/внешняя поверхность) отличается по наружному диаметру/радиусу/ширине от номера базовой детали. | 95.00 | 170.00 | 34.50 |
| HR30219J | однорядный конический роликовый подшипник. Дорожки качения наружного кольца. угол контакта и ширина наружного кольца в соответствии с ISO. Для конических роликоподшипников и радиальных шарикоподшипников. | 95.00 | 170.00 | 34.50 |
| UR30219A | Однорядный конический роликовый подшипник. Конический роликоподшипник с более высокой номинальной нагрузкой и более высокой предельной скоростью. | 95.00 | 170.00 | 34.50 |
Способы доставки
Отправка через ведущие транспортные и курьерские компании: ПЭК, Деловые Линии, СДЭК, Байкал-Сервис, Энергия, КИТ, ЖелДорЭкспедиция.
Самовывоз возможен напрямую со склада в Москве.
Сроки доставки
Срок зависит от региона и выбранной транспортной компании. Все заказы комплектуются и отправляются в кратчайшие сроки со склада в Москве.
Надёжность и сохранность
Вся продукция упаковывается с учётом требований транспортировки. Мы гарантируем, что подшипники и комплектующие прибудут к заказчику в полной сохранности.
Доставка в страны ЕАЭС
Мы работаем с проверенными логистическими партнёрами, что позволяет оперативно доставлять заказы в Беларусь, Казахстан, Армению и другие страны ЕАЭС.
Варианты оплаты:
Минимальная сумма заказа и скидки:
Документы и гарантии:
Да, конечно! Наши технические специалисты готовы помочь вам с подбором точного аналога или замены подшипника. Просто позвоните нам по телефону +7 (495) 104-99-04 или напишите на почту zakaz@podsnab.ru.
Для оперативной консультации подготовьте, пожалуйста, имеющиеся данные: маркировку, размеры, тип оборудования или артикул старого подшипника.
Да, конечно! Мы высоко ценим долгосрочное сотрудничество и доверие клиентов по всей России. Для постоянных клиентов действует персональная система скидок.
Условия формируются индивидуально и зависят от:
Чтобы узнать свои условия и получить максимально выгодное предложение, свяжитесь с персональным менеджером или напишите нам на почту zakaz@podsnab.ru.
Вы можете оформить заказ несколькими способами:
Для оформления заказа от юридического лица свяжитесь с нашим отделом по работе с корпоративными клиентами по телефону +7 (495) 104-99-04 или напишите на email zakaz@podsnab.ru, прикрепив реквизиты вашей организации.
Мы оперативно подготовим коммерческое предложение и выставим счет.
Возврат товара надлежащего качества возможен в течение 10 дней с момента получения, если товар не был в употреблении, сохранен товарный вид, упаковка не вскрывалась и присутствуют все сопроводительные документы.
Возврат денежных средств осуществляется в течение 10 рабочих дней после проверки товара складом.
В соответствии с законодательством возврату не подлежат подшипники надлежащего качества, если отсутствует оригинальная упаковка или имеются следы монтажа.
В случае выявления брака или гарантийного случая мы гарантируем возврат или обмен товара.
Да, гарантийный срок хранения устанавливается заводом-изготовителем и в среднем составляет 2 года при соблюдении условий хранения: сухое помещение, оригинальная упаковка и смазка.
Точный срок для конкретного типа подшипника уточняйте у наших менеджеров.
Пн–Пт: с 8:00 до 17:00 (МСК).
Сб–Вс: выходные дни.
Заказы на сайте принимаются круглосуточно. Заявки, поступившие после окончания рабочего дня, обрабатываются на следующий рабочий день.
Минимальная сумма заказа для доставки составляет 3000 рублей. Самовывоз со склада возможен на любую сумму при наличии товара.
ООО «УралТехГрупп»
ИНН: 7415093830
КПП: 772401001
ОГРН: 1167456069021
Банк: ПАО Сбербанк
Р/с: 40702810838000475273
К/с: 30101810400000000225
БИК: 044525225
У подшипника 30219-XL пока нет отзывов. Вы можете стать первым покупателем, поделившимся своим мнением.