Поиск подшипника
Статьи
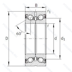
ZKLN4075-2Z — Шариковый радиально-упорный подшипник двойного направления, модификация основного исполнения ZKLN4075, производство INA.
Размер подшипника: 40x75x34 мм.
Зазорные уплотнения с обеих сторон подшипника.
Альтернативное обозначение: ZKLN4075-2Z-XL.
Международная стандартизации ISO
ZKLN40752Z
В наличии
| Обозначение | Конструктивные изменения |
|---|---|
| ZKLN4075 2RS | Резиновые уплотнения с каждой стороны подшипника. |
| ZKLN4075.2Z 2AP | Защитные металлические шайбы с обеих сторон подшипника. Matched Pair (Twice The Number Of Bearings. Than Without 2AP). |
| ZKLN4075-2RS-XL | Резиновые уплотнения с каждой стороны подшипника. Серия X-Life премиум-класс. увеличиный срок службы. |
| ZKLN4075-2Z-2AP-XL | Серия X-Life премиум-класс. увеличиный срок службы. Зазорные уплотнения с обеих сторон подшипника.. Matched Pair (Twice The Number Of Bearings. Than Without 2AP). |
| ZKLN4075-2Z-XL | Серия X-Life премиум-класс. увеличиный срок службы. Зазорные уплотнения с обеих сторон подшипника.. |
| ZKLN4075-2RS-2AP-XL | Резиновые уплотнения с каждой стороны подшипника. Серия X-Life премиум-класс. увеличиный срок службы. Matched Pair (Twice The Number Of Bearings. Than Without 2AP). |
| ZKLN4075 2RS 2AP | Манжетное уплотнение с обеих сторон подшипника. Matched Pair (Twice The Number Of Bearings. Than Without 2AP). |
| ZKLN4075ZZ | Защитные металлические шайбы с обеих сторон. |
Модификации шарикового подшипника ZKLN4075-2Z — это измененное основное конструктивное исполнение ZKLN4075, основные размеры (40x75x34) не отличаются.
| Обозначение | Гост | Конструктивные особенности |
|---|---|---|
| BSN4075DDUDTHP3 | ISO | Предварительная нагрузка. Тип уплотнения. Дуплексные подшипники для установки в тандеме. Класс точности ниже. чем P2. но выше. чем P4. |
| BSN4075DDUHP2B | ISO | Предварительная нагрузка. Тип уплотнения. Класс точности 2 по ISO. |
| BSN4075DDUDTHP3/MBE4L | ISO | Предварительная нагрузка. Тип уплотнения. Two Bearings Matched For Mounting In A Tandem Arrangement. Класс точности ниже. чем P2. но выше. чем P4. |
Аналог шарикового подшипника ZKLN4075-2Z — это подшипник такого же размера dx40,Dx75,Bx34, типа и конструкции.
| Обозначение | Конструктивные особенности | Внутренний (d) | Наружный (D) | Ширина (B) |
|---|---|---|---|---|
| MMN540BS75PPDM | Подшипник шариковый двухрядный радиально-упорный. | 40.00 | 75.00 | 34.00 |
| 474743 | Подшипник шариковый двухрядный радиально-упорный. | 40.00 | 76.00 | 33.00 |
| BD53 | Подшипник шариковый двухрядный радиально-упорный. | 40.00 | 76.00 | 33.00 |
| 474743F | Подшипник шариковый двухрядный радиально-упорный. Сепаратор из обработанной стали или специального чугуна. | 40.00 | 76.00 | 33.00 |
| IR8100 | Подшипник шариковый двухрядный радиально-упорный. | 40.00 | 76.00 | 33.00 |
| FW169 | Подшипник шариковый двухрядный радиально-упорный. | 40.00 | 76.00 | 33.00 |
| TM-DE 0863 LLCS43PX1/L260 | Шариковый радиально-упорный двухрядный подшипник. Угол контакта 15°. | 40.00 | 76.00 | 33.00 |
| PW40760033CS | Шариковый радиально-упорный двухрядный подшипник. Высокоуглеродистая сталь. | 40.00 | 76.00 | 33.00 |
| DAC4076033/28 | Шариковый радиально-упорный двухрядный подшипник. 1.3/4. | 40.00 | 76.00 | 33.00 |
| SAB39 | Шариковый радиально-упорный двухрядный подшипник. Модифицированная внутренняя конструкция. | 40.00 | 76.00 | 33.00 |
| SA0032 | Шариковый радиально-упорный двухрядный подшипник. | 40.00 | 76.00 | 33.00 |
| F16198 | Шариковый радиально-упорный двухрядный подшипник. | 40.00 | 76.00 | 33.00 |
| DAC40760033/28 | Шариковый радиально-упорный двухрядный подшипник. 1.3/4. | 40.00 | 76.00 | 33.00 |
| DAC40760033 | Шариковый радиально-упорный двухрядный подшипник. Однорядный радиально-упорный шарикоподшипник с углом контакта 25°. | 40.00 | 76.00 | 33.00 |
| 40BWD08A | Шариковый радиально-упорный двухрядный подшипник. | 40.00 | 76.00 | 33.00 |
Способы доставки
Отправка через ведущие транспортные и курьерские компании: ПЭК, Деловые Линии, СДЭК, Байкал-Сервис, Энергия, КИТ, ЖелДорЭкспедиция.
Самовывоз возможен напрямую со склада в Москве.
Сроки доставки
Срок зависит от региона и выбранной транспортной компании. Все заказы комплектуются и отправляются в кратчайшие сроки со склада в Москве.
Надёжность и сохранность
Вся продукция упаковывается с учётом требований транспортировки. Мы гарантируем, что подшипники и комплектующие прибудут к заказчику в полной сохранности.
Доставка в страны ЕАЭС
Мы работаем с проверенными логистическими партнёрами, что позволяет оперативно доставлять заказы в Беларусь, Казахстан, Армению и другие страны ЕАЭС.
Варианты оплаты:
Минимальная сумма заказа и скидки:
Документы и гарантии:
Да, конечно! Наши технические специалисты готовы помочь вам с подбором точного аналога или замены подшипника. Просто позвоните нам по телефону +7 (495) 104-99-04 или напишите на почту zakaz@podsnab.ru.
Для оперативной консультации подготовьте, пожалуйста, имеющиеся данные: маркировку, размеры, тип оборудования или артикул старого подшипника.
Да, конечно! Мы высоко ценим долгосрочное сотрудничество и доверие клиентов по всей России. Для постоянных клиентов действует персональная система скидок.
Условия формируются индивидуально и зависят от:
Чтобы узнать свои условия и получить максимально выгодное предложение, свяжитесь с персональным менеджером или напишите нам на почту zakaz@podsnab.ru.
Вы можете оформить заказ несколькими способами:
Для оформления заказа от юридического лица свяжитесь с нашим отделом по работе с корпоративными клиентами по телефону +7 (495) 104-99-04 или напишите на email zakaz@podsnab.ru, прикрепив реквизиты вашей организации.
Мы оперативно подготовим коммерческое предложение и выставим счет.
Возврат товара надлежащего качества возможен в течение 10 дней с момента получения, если товар не был в употреблении, сохранен товарный вид, упаковка не вскрывалась и присутствуют все сопроводительные документы.
Возврат денежных средств осуществляется в течение 10 рабочих дней после проверки товара складом.
В соответствии с законодательством возврату не подлежат подшипники надлежащего качества, если отсутствует оригинальная упаковка или имеются следы монтажа.
В случае выявления брака или гарантийного случая мы гарантируем возврат или обмен товара.
Да, гарантийный срок хранения устанавливается заводом-изготовителем и в среднем составляет 2 года при соблюдении условий хранения: сухое помещение, оригинальная упаковка и смазка.
Точный срок для конкретного типа подшипника уточняйте у наших менеджеров.
Пн–Пт: с 8:00 до 17:00 (МСК).
Сб–Вс: выходные дни.
Заказы на сайте принимаются круглосуточно. Заявки, поступившие после окончания рабочего дня, обрабатываются на следующий рабочий день.
Минимальная сумма заказа для доставки составляет 3000 рублей. Самовывоз со склада возможен на любую сумму при наличии товара.
ООО «УралТехГрупп»
ИНН: 7415093830
КПП: 772401001
ОГРН: 1167456069021
Банк: ПАО Сбербанк
Р/с: 40702810838000475273
К/с: 30101810400000000225
БИК: 044525225
У подшипника ZKLN4075-2Z пока нет отзывов. Вы можете стать первым покупателем, поделившимся своим мнением.