Поиск подшипника
Статьи
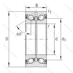
ZKLN30622RS — Шариковый радиально-упорный подшипник двойного направления, модификация основного исполнения ZKLN30622, выпускается производителями: IBO, INA.
Размер подшипника: 30x62x28 мм.
Резиновые уплотнения с каждой стороны подшипника.
Альтернативное обозначение: BEAS030062-2RS, BEAS30/62C 7 P60.
Международная стандартизации ISO
ZKLN30622RS
В наличии
| Обозначение | Гост | Конструктивные особенности |
|---|---|---|
| BEAS030062-2RS | ISO | Усиленные листовой сталью контактные уплотнения из акрилонитрил-бутадиенового каучука (NBR) с обеих сторон подшипника. |
| ZKLN3062-2Z-XL | ISO | Серия X-Life премиум-класс. увеличиный срок службы. Зазорные уплотнения с обеих сторон подшипника.. |
| BSN3062DDUHP3 | ISO | Предварительная нагрузка. Тип уплотнения. Класс точности ниже. чем P2. но выше. чем P4. |
| BSN3062DDUHP2BDT | ISO | Предварительная нагрузка. Тип уплотнения. Дуплексные подшипники для установки в тандеме. Класс точности 2 по ISO. |
| ZKLN3062-2Z | ISO | Зазорные уплотнения с обеих сторон подшипника.. |
| ZKLN3062-2RS-XL | ISO | Резиновые уплотнения с каждой стороны подшипника. Серия X-Life премиум-класс. увеличиный срок службы. |
| BEAS030062-2Z | ISO | Защитные металлические шайбы с обеих сторон подшипника. |
| BEAS30/62C 7 P60 | ISO | Усиленные листовой сталью контактные уплотнения из акрилонитрил-бутадиенового каучука (NBR) с обеих сторон подшипника. Литой под давлением сепаратор из полиамида 66. Accuracy To ABEC7 (ISO Tolerance Class 4). Угол контакта 60°. |
| BEAS030062-2RS/PE | ISO | Усиленные листовой сталью контактные уплотнения из акрилонитрил-бутадиенового каучука (NBR) с обеих сторон подшипника. Допуски на увеличенный диаметр и осевое биение по классу точности P5 для радиальных подшипников. |
| BEAS30/62C SQ P60 | ISO | Усиленные листовой сталью контактные уплотнения из акрилонитрил-бутадиенового каучука (NBR) с обеих сторон подшипника. Литой под давлением сепаратор из полиамида 66. Допуски на увеличенный диаметр и осевое биение по классу точности P5 для радиальных подшипников. Угол контакта 60°. |
| BEAS30/62Z 7 P60 | ISO | Защитные металлические шайбы с обеих сторон подшипника. Литой под давлением сепаратор из полиамида 66. Accuracy To ABEC7 (ISO Tolerance Class 4). Угол контакта 60°. |
| ZKLN3062 2RS PE | ISO | Манжетное уплотнение с обеих сторон подшипника. Допуски на увеличенный диаметр и осевое биение по классу точности P5 для радиальных подшипников. |
| ZKLN3062-DAC | ISO | Шариковый радиально-упорный подшипник двойного направления. |
Аналог шарикового подшипника ZKLN30622RS — это подшипник такого же размера dx30,Dx62,Bx28, типа и конструкции.
| Обозначение | Конструктивные особенности | Внутренний (d) | Наружный (D) | Ширина (B) |
|---|---|---|---|---|
| W219EL | Подшипник для корпуса. Шариковый подшипник. Специальный радиальный внутренний зазор для электродвигателей. | 30.16 | 62.00 | 28.70 |
| NATV30-X-PP-A | Опорный ролик. Переделка во внутренней конструкции. Идентичен старой нотации. Цилиндрическая рабочая поверхность. Манжетные уплотнения с обеих сторон (тип P - две шайбы из оцинкованной листовой стали с промежуточной частью NBR. Кромка уплотнения предварительно нагружена в осевом направлении). Диапазон температур -30℃/+100℃. | 30.00 | 62.00 | 28.00 |
| AS206D1 | Подшипник для корпуса. Не требующий обслуживания тип. | 30.00 | 62.00 | 29.00 |
| ASS206N | Подшипник для корпуса. Паз в корпусе для крепления защитных колпачков. | 30.00 | 62.00 | 29.00 |
| W5206LU C1 | Подшипник шариковый двухрядный радиально-упорный. Радиальный зазор меньше. чем C2. Контактное армированное уплотнение из резины с одной стороны подшипника. | 30.00 | 62.00 | 27.00 |
| NATV30LL/3AS | Опорный ролик. Контактное. синтетические. резиновое уплотнение с двух сторон. Смазка. Shell Oil Co. Смазка Alvania #3, стандартная заливка.. | 30.00 | 62.00 | 28.00 |
| MCYRR30X | Опорный ролик. Цилиндрическая рабочая поверхность. | 30.00 | 62.00 | 28.00 |
| W5206SLLD/2AS | Подшипник шариковый двухрядный радиально-упорный. Прессованный стальной сепаратор. Контактное. синтетические. резиновое уплотнение с двух сторон. LUBRICANT. SHELL OIL CO.. ALVANIA #2 GREASE. MIL-G-18709A. | 30.00 | 62.00 | 27.00 |
| NATR30XLL/3AS | Опорный ролик. Цилиндрическая рабочая поверхность. Контактное уплотнения из синтетической черной резины с обеих сторон. Смазка. Shell Oil Co. Смазка Alvania #3, стандартная заливка.. | 30.00 | 62.00 | 28.00 |
| NATV30XLL/3AS | Опорный ролик. Цилиндрическая рабочая поверхность. Контактное уплотнения из синтетической черной резины с обеих сторон. Смазка. Shell Oil Co. Смазка Alvania #3, стандартная заливка.. | 30.00 | 62.00 | 28.00 |
| FYCR30R | Опорный ролик. С выпуклыми асимметричными роликами и обработанным сепаратором. | 30.00 | 62.00 | 28.00 |
| UV30-2 A | Роликовый радиальный однорядный подшипник. Двухрядный радиально-упорный шарикоподшипник без отверстия для смазки. ISO Tolerance Class ABEC.9. | 30.00 | 62.00 | 27.00 |
| RN2306-E-MPBX | Роликовый радиальный однорядный подшипник. Повышенная грузоподъемность. | 30.00 | 62.50 | 27.00 |
| UK206L3 | Шариковый радиальный однорядный подшипник. Тройное манжетное уплотнение для вкладыша подшипника. | 30.00 | 62.00 | 27.00 |
| BEAS 030062-2RZ | Шариковый упорный подшипник. Шарикоподшипник. С уплотнением и низким коэффициентом трения с обеих сторон. Уплотнение состоит из шайбы из листовой стали с вулканизированной резиной. | 30.00 | 62.00 | 28.00 |
Способы доставки
Отправка через ведущие транспортные и курьерские компании: ПЭК, Деловые Линии, СДЭК, Байкал-Сервис, Энергия, КИТ, ЖелДорЭкспедиция.
Самовывоз возможен напрямую со склада в Москве.
Сроки доставки
Срок зависит от региона и выбранной транспортной компании. Все заказы комплектуются и отправляются в кратчайшие сроки со склада в Москве.
Надёжность и сохранность
Вся продукция упаковывается с учётом требований транспортировки. Мы гарантируем, что подшипники и комплектующие прибудут к заказчику в полной сохранности.
Доставка в страны ЕАЭС
Мы работаем с проверенными логистическими партнёрами, что позволяет оперативно доставлять заказы в Беларусь, Казахстан, Армению и другие страны ЕАЭС.
Варианты оплаты:
Минимальная сумма заказа и скидки:
Документы и гарантии:
Да, конечно! Наши технические специалисты готовы помочь вам с подбором точного аналога или замены подшипника. Просто позвоните нам по телефону +7 (495) 104-99-04 или напишите на почту zakaz@podsnab.ru.
Для оперативной консультации подготовьте, пожалуйста, имеющиеся данные: маркировку, размеры, тип оборудования или артикул старого подшипника.
Да, конечно! Мы высоко ценим долгосрочное сотрудничество и доверие клиентов по всей России. Для постоянных клиентов действует персональная система скидок.
Условия формируются индивидуально и зависят от:
Чтобы узнать свои условия и получить максимально выгодное предложение, свяжитесь с персональным менеджером или напишите нам на почту zakaz@podsnab.ru.
Вы можете оформить заказ несколькими способами:
Для оформления заказа от юридического лица свяжитесь с нашим отделом по работе с корпоративными клиентами по телефону +7 (495) 104-99-04 или напишите на email zakaz@podsnab.ru, прикрепив реквизиты вашей организации.
Мы оперативно подготовим коммерческое предложение и выставим счет.
Возврат товара надлежащего качества возможен в течение 10 дней с момента получения, если товар не был в употреблении, сохранен товарный вид, упаковка не вскрывалась и присутствуют все сопроводительные документы.
Возврат денежных средств осуществляется в течение 10 рабочих дней после проверки товара складом.
В соответствии с законодательством возврату не подлежат подшипники надлежащего качества, если отсутствует оригинальная упаковка или имеются следы монтажа.
В случае выявления брака или гарантийного случая мы гарантируем возврат или обмен товара.
Да, гарантийный срок хранения устанавливается заводом-изготовителем и в среднем составляет 2 года при соблюдении условий хранения: сухое помещение, оригинальная упаковка и смазка.
Точный срок для конкретного типа подшипника уточняйте у наших менеджеров.
Пн–Пт: с 8:00 до 17:00 (МСК).
Сб–Вс: выходные дни.
Заказы на сайте принимаются круглосуточно. Заявки, поступившие после окончания рабочего дня, обрабатываются на следующий рабочий день.
Минимальная сумма заказа для доставки составляет 3000 рублей. Самовывоз со склада возможен на любую сумму при наличии товара.
ООО «УралТехГрупп»
ИНН: 7415093830
КПП: 772401001
ОГРН: 1167456069021
Банк: ПАО Сбербанк
Р/с: 40702810838000475273
К/с: 30101810400000000225
БИК: 044525225
У подшипника ZKLN30622RS пока нет отзывов. Вы можете стать первым покупателем, поделившимся своим мнением.