Поиск подшипника
Статьи
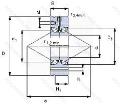
BEAM030080-2Z — Шариковый радиально-упорный подшипник двойного направления, модификация основного исполнения BEAM030080, производство SKF.
Размер подшипника: 30x80x28 мм.
Двойной подшипник для болтового крепления, защитные металлические шайбы с обеих сторон подшипника.
Альтернативное обозначение: BEAM30/80Z 7 P60, ZKLF3080-2Z.
Аналоги: BSDF15M60.2RSZ.P4.BM IBC Bearings.
Международная стандартизации ISO
BEAM0300802Z
В наличии
| Обозначение | Конструктивные изменения |
|---|---|
| BEAM030080-2RS | Усиленные листовой сталью контактные уплотнения из акрилонитрил-бутадиенового каучука (NBR) с обеих сторон подшипника. |
| BEAM030080-2RS/2DB | Резиновые уплотнения с каждой стороны подшипника. Matched Pair (Twice The Number Of Bearings. Than Without 2DB). |
Модификации шарикового подшипника BEAM030080-2Z — это измененное основное конструктивное исполнение BEAM030080, основные размеры (30x80x28) не отличаются.
| Обозначение | Гост | Конструктивные особенности |
|---|---|---|
| ZKLF3080-2RS | ISO | Резиновые уплотнения с каждой стороны подшипника. |
| 1590-0-3000 | ISO | Шариковый радиально-упорный подшипник двойного направления. |
| BSF3080DDUDTHP3 | ISO | Предварительная нагрузка. Тип уплотнения. Дуплексные подшипники для установки в тандеме. Класс точности ниже. чем P2. но выше. чем P4. |
| BSF3080DDUHP2B | ISO | Предварительная нагрузка. Тип уплотнения. Класс точности 2 по ISO. |
| ZKLF3080-2Z-XL | ISO | Серия X-Life премиум-класс. увеличиный срок службы. Зазорные уплотнения с обеих сторон подшипника.. |
| ZKLF3080-2RS-XL | ISO | Резиновые уплотнения с каждой стороны подшипника. Серия X-Life премиум-класс. увеличиный срок службы. |
| ZKLF3080-2Z-PE | ISO | Зазорные уплотнения с обеих сторон подшипника.. Допуски на увеличенный диаметр и осевое биение по классу точности P5 для радиальных подшипников. |
| BEAM30/80C 7 P60 | ISO | Усиленные листовой сталью контактные уплотнения из акрилонитрил-бутадиенового каучука (NBR) с обеих сторон подшипника. Литой под давлением сепаратор из полиамида 66. Accuracy To ABEC7 (ISO Tolerance Class 4). Угол контакта 60°. |
| BEAM30/80Z 7 P60 | ISO | Защитные металлические шайбы с обеих сторон подшипника. Литой под давлением сепаратор из полиамида 66. Accuracy To ABEC7 (ISO Tolerance Class 4). Угол контакта 60°. |
| BEAM30/80C SQ P60 | ISO | Усиленные листовой сталью контактные уплотнения из акрилонитрил-бутадиенового каучука (NBR) с обеих сторон подшипника. Литой под давлением сепаратор из полиамида 66. Допуски на увеличенный диаметр и осевое биение по классу точности P5 для радиальных подшипников. Угол контакта 60°. |
| BSTU3080LLXD2/GNP4U/L588 | ISO | Код предварительной нагрузки. Grease Code. Arrangement Code. Metallic Seals. Tolerance Class Code. |
| ZKLF3080-2Z | ISO | Зазорные уплотнения с обеих сторон подшипника.. |
| ZKLF3080 2RS PE | ISO | Манжетное уплотнение с обеих сторон подшипника. Допуски на увеличенный диаметр и осевое биение по классу точности P5 для радиальных подшипников. |
| BSDF15M60.2RSZ.P4.BM | ISO | Класс точности Р4 по ISO (точнее. чем P5) - Abec.7. Бесконтактное уплотнение с обеих сторон подшипника. |
| ZKLF3080-2RS-XL-I1 | ISO | Резиновые уплотнения с каждой стороны подшипника. Серия X-Life премиум-класс. увеличиный срок службы. |
Аналог шарикового подшипника BEAM030080-2Z — это подшипник такого же размера dx30,Dx80,Bx28, типа и конструкции.
| Обозначение | Конструктивные особенности | Внутренний (d) | Наружный (D) | Ширина (B) |
|---|---|---|---|---|
| 1594-030-00 | Линейный шариковый подшипник. Sequential Number Of Design. | 30.00 | 80.00 | 28.00 |
| LFR5207-30KDD | Опорный ролик. Защитные металлические шайбы по обе стороны подшипника с цилиндрическим наружным диаметром. | 30.00 | 80.00 | 29.00 |
| ZRL421629 | Однорядный цилиндрический роликовый подшипник. | 30.00 | 80.00 | 27.00 |
| KR5207-2RS | Кулачковый ролик толкатель. Rubber Seals At Each Side Of The Bearing. Temperature Range -30℃/+120℃. | 30.00 | 80.00 | 27.00 |
| BEAM 030080-2RZ | Шариковый упорный подшипник. Шарикоподшипник. С уплотнением и низким коэффициентом трения с обеих сторон. Уплотнение состоит из шайбы из листовой стали с вулканизированной резиной. | 30.00 | 80.00 | 28.00 |
| BEAM 030080-2RS/PE | Шариковый упорный подшипник. Резиновые уплотнения с каждой стороны подшипника. Допуски на увеличенный диаметр и осевое биение по классу точности P5 для радиальных подшипников. | 30.00 | 80.00 | 28.00 |
| 5-40 К385 | Роликовый радиальный однорядный подшипник. | 30.00 | 80.00 | 27.00 |
Способы доставки
Отправка через ведущие транспортные и курьерские компании: ПЭК, Деловые Линии, СДЭК, Байкал-Сервис, Энергия, КИТ, ЖелДорЭкспедиция.
Самовывоз возможен напрямую со склада в Москве.
Сроки доставки
Срок зависит от региона и выбранной транспортной компании. Все заказы комплектуются и отправляются в кратчайшие сроки со склада в Москве.
Надёжность и сохранность
Вся продукция упаковывается с учётом требований транспортировки. Мы гарантируем, что подшипники и комплектующие прибудут к заказчику в полной сохранности.
Доставка в страны ЕАЭС
Мы работаем с проверенными логистическими партнёрами, что позволяет оперативно доставлять заказы в Беларусь, Казахстан, Армению и другие страны ЕАЭС.
Варианты оплаты:
Минимальная сумма заказа и скидки:
Документы и гарантии:
Да, конечно! Наши технические специалисты готовы помочь вам с подбором точного аналога или замены подшипника. Просто позвоните нам по телефону +7 (495) 104-99-04 или напишите на почту zakaz@podsnab.ru.
Для оперативной консультации подготовьте, пожалуйста, имеющиеся данные: маркировку, размеры, тип оборудования или артикул старого подшипника.
Да, конечно! Мы высоко ценим долгосрочное сотрудничество и доверие клиентов по всей России. Для постоянных клиентов действует персональная система скидок.
Условия формируются индивидуально и зависят от:
Чтобы узнать свои условия и получить максимально выгодное предложение, свяжитесь с персональным менеджером или напишите нам на почту zakaz@podsnab.ru.
Вы можете оформить заказ несколькими способами:
Для оформления заказа от юридического лица свяжитесь с нашим отделом по работе с корпоративными клиентами по телефону +7 (495) 104-99-04 или напишите на email zakaz@podsnab.ru, прикрепив реквизиты вашей организации.
Мы оперативно подготовим коммерческое предложение и выставим счет.
Возврат товара надлежащего качества возможен в течение 10 дней с момента получения, если товар не был в употреблении, сохранен товарный вид, упаковка не вскрывалась и присутствуют все сопроводительные документы.
Возврат денежных средств осуществляется в течение 10 рабочих дней после проверки товара складом.
В соответствии с законодательством возврату не подлежат подшипники надлежащего качества, если отсутствует оригинальная упаковка или имеются следы монтажа.
В случае выявления брака или гарантийного случая мы гарантируем возврат или обмен товара.
Да, гарантийный срок хранения устанавливается заводом-изготовителем и в среднем составляет 2 года при соблюдении условий хранения: сухое помещение, оригинальная упаковка и смазка.
Точный срок для конкретного типа подшипника уточняйте у наших менеджеров.
Пн–Пт: с 8:00 до 17:00 (МСК).
Сб–Вс: выходные дни.
Заказы на сайте принимаются круглосуточно. Заявки, поступившие после окончания рабочего дня, обрабатываются на следующий рабочий день.
Минимальная сумма заказа для доставки составляет 3000 рублей. Самовывоз со склада возможен на любую сумму при наличии товара.
ООО «УралТехГрупп»
ИНН: 7415093830
КПП: 772401001
ОГРН: 1167456069021
Банк: ПАО Сбербанк
Р/с: 40702810838000475273
К/с: 30101810400000000225
БИК: 044525225
У подшипника BEAM030080-2Z пока нет отзывов. Вы можете стать первым покупателем, поделившимся своим мнением.