Поиск подшипника
Статьи
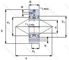
BEAM035090-2Z — Шариковый радиально-упорный подшипник двойного направления, модификация основного исполнения BEAM035090, производство SKF.
Размер подшипника: 35x90x34 мм.
Двойной подшипник для болтового крепления, защитные металлические шайбы с обеих сторон подшипника.
Альтернативное обозначение: BEAM35/90Z 7 P60, ZKLF3590-2Z.
Аналоги: AXSF3590.2RS APB/Austria Precision Bearing.
Международная стандартизации ISO
BEAM0350902Z
В наличии
| Обозначение | Конструктивные изменения |
|---|---|
| BEAM035090-2RS | Усиленные листовой сталью контактные уплотнения из акрилонитрил-бутадиенового каучука (NBR) с обеих сторон подшипника. |
| BEAM035090-2RS/PE | Усиленные листовой сталью контактные уплотнения из акрилонитрил-бутадиенового каучука (NBR) с обеих сторон подшипника. Допуски на увеличенный диаметр и осевое биение по классу точности P5 для радиальных подшипников. |
Модификации шарикового подшипника BEAM035090-2Z — это измененное основное конструктивное исполнение BEAM035090, основные размеры (35x90x34) не отличаются.
| Обозначение | Гост | Конструктивные особенности |
|---|---|---|
| AXSF3590.2RS | ISO | Резиновые уплотнения с каждой стороны подшипника. |
| ZKLF3590.2RS | ISO | Резиновые уплотнения с каждой стороны подшипника. |
| ZKLF3590-2RS-XL | ISO | Резиновые уплотнения с каждой стороны подшипника. Серия X-Life премиум-класс. увеличиный срок службы. |
| ZKLF3590-2Z-XL | ISO | Серия X-Life премиум-класс. увеличиный срок службы. Зазорные уплотнения с обеих сторон подшипника.. |
| BSF3590DDUHP2BDT | ISO | Предварительная нагрузка. Тип уплотнения. Дуплексные подшипники для установки в тандеме. Класс точности 2 по ISO. |
| ZKLF3590-2RS-PE | ISO | Манжетное уплотнение с обеих сторон подшипника. Допуски на увеличенный диаметр и осевое биение по классу точности P5 для радиальных подшипников. |
| ZKLF3590-2Z-PE | ISO | Зазорные уплотнения с обеих сторон подшипника.. Допуски на увеличенный диаметр и осевое биение по классу точности P5 для радиальных подшипников. |
| BEAM35/90C 7 P60 | ISO | Усиленные листовой сталью контактные уплотнения из акрилонитрил-бутадиенового каучука (NBR) с обеих сторон подшипника. Литой под давлением сепаратор из полиамида 66. Accuracy To ABEC7 (ISO Tolerance Class 4). Угол контакта 60°. |
| BEAM35/90C SQ P60 | ISO | Усиленные листовой сталью контактные уплотнения из акрилонитрил-бутадиенового каучука (NBR) с обеих сторон подшипника. Литой под давлением сепаратор из полиамида 66. Допуски на увеличенный диаметр и осевое биение по классу точности P5 для радиальных подшипников. Угол контакта 60°. |
| BEAM35/90Z 7 P60 | ISO | Защитные металлические шайбы с обеих сторон подшипника. Литой под давлением сепаратор из полиамида 66. Accuracy To ABEC7 (ISO Tolerance Class 4). Угол контакта 60°. |
Аналог шарикового подшипника BEAM035090-2Z — это подшипник такого же размера dx35,Dx90,Bx34, типа и конструкции.
| Обозначение | Конструктивные особенности | Внутренний (d) | Наружный (D) | Ширина (B) |
|---|---|---|---|---|
| LR5307-X-2Z | Опорный ролик. Защитные металлические шайбы с обеих сторон. Цилиндрическая рабочая поверхность. | 35.00 | 90.00 | 34.90 |
| 306707C ZZ | Опорный ролик. 15° Угол контакта. Два металлических защитных щитка. | 35.00 | 90.00 | 34.90 |
| 306807C ZZ | Опорный ролик. 15° Угол контакта. Защитные металлические шайбы с обеих сторон. | 35.00 | 90.00 | 34.90 |
| KRE90PP SK | Кулачковый ролик толкатель. Кулачковый толкатель штифтового типа. С шестигранной головкой. Манжетные уплотнения с обеих сторон (тип P - две шайбы из оцинкованной листовой стали с промежуточной частью NBR. Кромка уплотнения предварительно нагружена в осевом направлении). Диапазон температур -30℃/+100℃. | 35.00 | 90.00 | 35.00 |
| KRVE90PPA | Кулачковый ролик толкатель. Скользящие уплотнительные кольца из полиамида с обеих сторон, улучшенный корончатый профиль рабочей поверхности наружного кольца. | 35.00 | 90.00 | 35.00 |
| KRE90PPX | Кулачковый ролик толкатель. Скользящие уплотнительные кольца из полиамида с обеих сторон, улучшенный корончатый профиль рабочей поверхности наружного кольца. | 35.00 | 90.00 | 35.00 |
| 22308 K+AH2308 | Роликовый радиальный сферический двухрядный подшипник. Коническое отверстие. Конусность 1/12. | 35.00 | 90.00 | 33.00 |
| 22308-E-K-W33+H2308 | Роликовый радиальный сферический двухрядный подшипник. Канавка для смазки и три отверстия во внешнем кольце подшипника. Коническое отверстие. Конусность 1/12. Повышенная грузоподъемность. | 35.00 | 90.00 | 33.00 |
| 22308-E1-K-T41A + H2308 | Роликовый радиальный сферический двухрядный подшипник. Коническое отверстие. Конусность 1/12. Конструкция с увеличенной грузоподьемностью. Для вибросит/виброгрохотов (Зазор С4). | 35.00 | 90.00 | 33.00 |
| 22308-E1-K + AH2308 | Роликовый радиальный сферический двухрядный подшипник. Коническое отверстие. Конусность 1/12. Конструкция с увеличенной грузоподьемностью. | 35.00 | 90.00 | 33.00 |
| 22308-E1-K + H2308 | Роликовый радиальный сферический двухрядный подшипник. Коническое отверстие. Конусность 1/12. Конструкция с увеличенной грузоподьемностью. | 35.00 | 90.00 | 33.00 |
| 22308 EK + AH 2308 | Сферический двухрядный подшипник. Противовращающийся штырь. Массивные ножки и свободный момент выравнивания. | 35.00 | 90.00 | 33.00 |
| ZKLF3590-2Z | Шариковый радиально-упорный двухрядный подшипник. Защитные металлические шайбы с обеих сторон подшипника. | 35.00 | 90.00 | 34.00 |
| 2308-K-TVH-C3 + H2308 | Шариковый сферический двухрядный подшипник. Внутренний зазор больше нормального. Коническое отверстие. Конусность 1/12. Твердая клетка из полиамида. | 35.00 | 90.00 | 33.00 |
| BEAM 035090-2RZ | Шариковый упорный подшипник. Шарикоподшипник. С уплотнением и низким коэффициентом трения с обеих сторон. Уплотнение состоит из шайбы из листовой стали с вулканизированной резиной. | 35.00 | 90.00 | 34.00 |
Способы доставки
Отправка через ведущие транспортные и курьерские компании: ПЭК, Деловые Линии, СДЭК, Байкал-Сервис, Энергия, КИТ, ЖелДорЭкспедиция.
Самовывоз возможен напрямую со склада в Москве.
Сроки доставки
Срок зависит от региона и выбранной транспортной компании. Все заказы комплектуются и отправляются в кратчайшие сроки со склада в Москве.
Надёжность и сохранность
Вся продукция упаковывается с учётом требований транспортировки. Мы гарантируем, что подшипники и комплектующие прибудут к заказчику в полной сохранности.
Доставка в страны ЕАЭС
Мы работаем с проверенными логистическими партнёрами, что позволяет оперативно доставлять заказы в Беларусь, Казахстан, Армению и другие страны ЕАЭС.
Варианты оплаты:
Минимальная сумма заказа и скидки:
Документы и гарантии:
Да, конечно! Наши технические специалисты готовы помочь вам с подбором точного аналога или замены подшипника. Просто позвоните нам по телефону +7 (495) 104-99-04 или напишите на почту zakaz@podsnab.ru.
Для оперативной консультации подготовьте, пожалуйста, имеющиеся данные: маркировку, размеры, тип оборудования или артикул старого подшипника.
Да, конечно! Мы высоко ценим долгосрочное сотрудничество и доверие клиентов по всей России. Для постоянных клиентов действует персональная система скидок.
Условия формируются индивидуально и зависят от:
Чтобы узнать свои условия и получить максимально выгодное предложение, свяжитесь с персональным менеджером или напишите нам на почту zakaz@podsnab.ru.
Вы можете оформить заказ несколькими способами:
Для оформления заказа от юридического лица свяжитесь с нашим отделом по работе с корпоративными клиентами по телефону +7 (495) 104-99-04 или напишите на email zakaz@podsnab.ru, прикрепив реквизиты вашей организации.
Мы оперативно подготовим коммерческое предложение и выставим счет.
Возврат товара надлежащего качества возможен в течение 10 дней с момента получения, если товар не был в употреблении, сохранен товарный вид, упаковка не вскрывалась и присутствуют все сопроводительные документы.
Возврат денежных средств осуществляется в течение 10 рабочих дней после проверки товара складом.
В соответствии с законодательством возврату не подлежат подшипники надлежащего качества, если отсутствует оригинальная упаковка или имеются следы монтажа.
В случае выявления брака или гарантийного случая мы гарантируем возврат или обмен товара.
Да, гарантийный срок хранения устанавливается заводом-изготовителем и в среднем составляет 2 года при соблюдении условий хранения: сухое помещение, оригинальная упаковка и смазка.
Точный срок для конкретного типа подшипника уточняйте у наших менеджеров.
Пн–Пт: с 8:00 до 17:00 (МСК).
Сб–Вс: выходные дни.
Заказы на сайте принимаются круглосуточно. Заявки, поступившие после окончания рабочего дня, обрабатываются на следующий рабочий день.
Минимальная сумма заказа для доставки составляет 3000 рублей. Самовывоз со склада возможен на любую сумму при наличии товара.
ООО «УралТехГрупп»
ИНН: 7415093830
КПП: 772401001
ОГРН: 1167456069021
Банк: ПАО Сбербанк
Р/с: 40702810838000475273
К/с: 30101810400000000225
БИК: 044525225
У подшипника BEAM035090-2Z пока нет отзывов. Вы можете стать первым покупателем, поделившимся своим мнением.