Поиск подшипника
Статьи
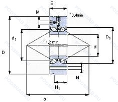
BEAM050115-2Z — Шариковый радиально-упорный подшипник двойного направления, модификация основного исполнения BEAM050115, производство SKF.
Размер подшипника: 50x115x34 мм.
Двойной подшипник для болтового крепления, защитные металлические шайбы с обеих сторон подшипника.
Альтернативное обозначение: BEAM50/115Z 7 P60, ZKLF50115-2Z.
Международная стандартизации ISO
BEAM0501152Z
В наличии
| Обозначение | Конструктивные изменения |
|---|---|
| BEAM050115-2RS | Усиленные листовой сталью контактные уплотнения из акрилонитрил-бутадиенового каучука (NBR) с обеих сторон подшипника. |
| BEAM050115-2RS/PE | Усиленные листовой сталью контактные уплотнения из акрилонитрил-бутадиенового каучука (NBR) с обеих сторон подшипника. Допуски на увеличенный диаметр и осевое биение по классу точности P5 для радиальных подшипников. |
Модификации шарикового подшипника BEAM050115-2Z — это измененное основное конструктивное исполнение BEAM050115, основные размеры (50x115x34) не отличаются.
| Обозначение | Гост | Конструктивные особенности |
|---|---|---|
| ZKLF50115 2RS PE | ISO | Манжетное уплотнение с обеих сторон подшипника. Допуски на увеличенный диаметр и осевое биение по классу точности P5 для радиальных подшипников. |
| ZKLF50115-2RS-XL | ISO | Резиновые уплотнения с каждой стороны подшипника. Серия X-Life премиум-класс. увеличиный срок службы. |
| ZKLF50115-2Z-XL | ISO | Серия X-Life премиум-класс. увеличиный срок службы. Зазорные уплотнения с обеих сторон подшипника.. |
| BSF50115DDUDTHP3 | ISO | Предварительная нагрузка. Тип уплотнения. Дуплексные подшипники для установки в тандеме. Класс точности ниже. чем P2. но выше. чем P4. |
| BSF50115DDUHP2B | ISO | Предварительная нагрузка. Тип уплотнения. Класс точности 2 по ISO. |
| BSF50115DDUDTHP3/MBE4 | ISO | Предварительная нагрузка. Тип уплотнения. Two Bearings Matched For Mounting In A Tandem Arrangement. Класс точности ниже. чем P2. но выше. чем P4. |
| ZKLF50115-2Z-PE | ISO | Зазорные уплотнения с обеих сторон подшипника.. Допуски на увеличенный диаметр и осевое биение по классу точности P5 для радиальных подшипников. |
| BEAM50/115C 7 P60 | ISO | Усиленные листовой сталью контактные уплотнения из акрилонитрил-бутадиенового каучука (NBR) с обеих сторон подшипника. Литой под давлением сепаратор из полиамида 66. Accuracy To ABEC7 (ISO Tolerance Class 4). Угол контакта 60°. |
| BEAM50/115Z 7 P60 | ISO | Защитные металлические шайбы с обеих сторон подшипника. Литой под давлением сепаратор из полиамида 66. Accuracy To ABEC7 (ISO Tolerance Class 4). Угол контакта 60°. |
| BEAM50/115C SQ P60 | ISO | Усиленные листовой сталью контактные уплотнения из акрилонитрил-бутадиенового каучука (NBR) с обеих сторон подшипника. Литой под давлением сепаратор из полиамида 66. Допуски на увеличенный диаметр и осевое биение по классу точности P5 для радиальных подшипников. Угол контакта 60°. |
| ZKLF50115-2RS-E55ES | ISO | Манжетное уплотнение с обеих сторон подшипника. |
| ZKLF50115.2Z | ISO | Зазорные уплотнения с обеих сторон подшипника.. |
| BSF50115DDUHP2BDT | ISO | Предварительная нагрузка. Тип уплотнения. Дуплексные подшипники для установки в тандеме. Класс точности 2 по ISO. |
Аналог шарикового подшипника BEAM050115-2Z — это подшипник такого же размера dx50,Dx115,Bx34, типа и конструкции.
| Обозначение | Конструктивные особенности | Внутренний (d) | Наружный (D) | Ширина (B) |
|---|---|---|---|---|
| 441696R | Подшипник шариковый двухрядный радиально-упорный. Wide Inner Ring Bearing. One Land-Riding Rubber Seal. | 50.00 | 116.00 | 33.80 |
| SAL50ES | Сферический шарнирный подшипник. Внешние размеры корпусов могут отличаться для одного и того же номера изделия. (Сегментный контактный материала код S/S)=Сталь-на-стали. Кольцевые канавки и смазочные отверстия во внутреннем и наружном кольцах. | 50.00 | 114.00 | 35.00 |
| GIHR50DO-2RS | Сферический шарнирный подшипник. Манжетное уплотнение с двух сторон. Стальная контактная поверхность скольжения. Внутреннее и наружное кольца закалены. | 50.00 | 116.00 | 35.00 |
| SIJ50ES | Сферический шарнирный подшипник. Сталь. Масляные отверстия и канавки. | 50.00 | 116.00 | 35.00 |
| GIHR-K50HO-2RS | Сферический шарнирный подшипник. Манжетное уплотнение с двух сторон. Стальная cкользящая контактная поверхность. Цилиндрическое расширение на внутреннем кольце. | 50.00 | 116.00 | 35.00 |
| GIHR-K50DOB | Сферический шарнирный подшипник. Особенность внутренней конструкции. Поверхность контакта скольжения сталь / сталь. | 50.00 | 116.00 | 35.00 |
| SN50U | Сферический шарнирный подшипник. Универсальный одиночный подшипник. | 50.00 | 116.00 | 35.00 |
| SN50S | Сферический шарнирный подшипник. Запечатанная версия кулачкового ролика. | 50.00 | 116.00 | 35.00 |
| GAL50DO | Сферический шарнирный подшипник. Поверхность контакта скольжения сталь / сталь. | 50.00 | 114.00 | 35.00 |
| SI50ES-2RS/KI | Сферический шарнирный подшипник. Резиновые уплотнения с каждой стороны подшипника. | 50.00 | 114.00 | 35.00 |
| GIR50UK-2RSA | Сферический шарнирный подшипник. Особенность внутренней конструкции. Манжетное уплотнение с двух сторон. Контактная поверхность скольжения хром/PTFE композит. | 50.00 | 114.00 | 35.00 |
| SI-50TXE-2LS | Сферический шарнирный подшипник. Контактное уплотнение с обеих сторон подшипника. Закаленная и шлифованная сталь. Скользящая поверхность покрыта твердым хромом и отполирована. | 50.00 | 114.00 | 35.00 |
| SI-50TE-2RS | Сферический шарнирный подшипник. Double-Lip Rubbing Seals Of Metric Bearings Are Made Of Polyester Elastomer (-30°C/+130°C). Inch-Size Bearings Are Made Of Polyurethane (-20°C/+80°C). Внешнее кольцо из углеродной хромированной стали. с изломом. закаленное и шлифованное. со скользящей поверхностью из материала PTFE. Внутреннее кольцо из углеродной хромированной стали закаленное и шлифованное. скользящая поверхность покрыта твердым хромом. | 50.00 | 114.00 | 35.00 |
| ZKLF50115-2RS | Шариковый радиально-упорный двухрядный подшипник. Резиновые уплотнения с каждой стороны подшипника. | 50.00 | 115.00 | 34.00 |
| BEAM 050115-2RZ | Шариковый упорный подшипник. Шарикоподшипник. С уплотнением и низким коэффициентом трения с обеих сторон. Уплотнение состоит из шайбы из листовой стали с вулканизированной резиной. | 50.00 | 115.00 | 34.00 |
Способы доставки
Отправка через ведущие транспортные и курьерские компании: ПЭК, Деловые Линии, СДЭК, Байкал-Сервис, Энергия, КИТ, ЖелДорЭкспедиция.
Самовывоз возможен напрямую со склада в Москве.
Сроки доставки
Срок зависит от региона и выбранной транспортной компании. Все заказы комплектуются и отправляются в кратчайшие сроки со склада в Москве.
Надёжность и сохранность
Вся продукция упаковывается с учётом требований транспортировки. Мы гарантируем, что подшипники и комплектующие прибудут к заказчику в полной сохранности.
Доставка в страны ЕАЭС
Мы работаем с проверенными логистическими партнёрами, что позволяет оперативно доставлять заказы в Беларусь, Казахстан, Армению и другие страны ЕАЭС.
Варианты оплаты:
Минимальная сумма заказа и скидки:
Документы и гарантии:
Да, конечно! Наши технические специалисты готовы помочь вам с подбором точного аналога или замены подшипника. Просто позвоните нам по телефону +7 (495) 104-99-04 или напишите на почту zakaz@podsnab.ru.
Для оперативной консультации подготовьте, пожалуйста, имеющиеся данные: маркировку, размеры, тип оборудования или артикул старого подшипника.
Да, конечно! Мы высоко ценим долгосрочное сотрудничество и доверие клиентов по всей России. Для постоянных клиентов действует персональная система скидок.
Условия формируются индивидуально и зависят от:
Чтобы узнать свои условия и получить максимально выгодное предложение, свяжитесь с персональным менеджером или напишите нам на почту zakaz@podsnab.ru.
Вы можете оформить заказ несколькими способами:
Для оформления заказа от юридического лица свяжитесь с нашим отделом по работе с корпоративными клиентами по телефону +7 (495) 104-99-04 или напишите на email zakaz@podsnab.ru, прикрепив реквизиты вашей организации.
Мы оперативно подготовим коммерческое предложение и выставим счет.
Возврат товара надлежащего качества возможен в течение 10 дней с момента получения, если товар не был в употреблении, сохранен товарный вид, упаковка не вскрывалась и присутствуют все сопроводительные документы.
Возврат денежных средств осуществляется в течение 10 рабочих дней после проверки товара складом.
В соответствии с законодательством возврату не подлежат подшипники надлежащего качества, если отсутствует оригинальная упаковка или имеются следы монтажа.
В случае выявления брака или гарантийного случая мы гарантируем возврат или обмен товара.
Да, гарантийный срок хранения устанавливается заводом-изготовителем и в среднем составляет 2 года при соблюдении условий хранения: сухое помещение, оригинальная упаковка и смазка.
Точный срок для конкретного типа подшипника уточняйте у наших менеджеров.
Пн–Пт: с 8:00 до 17:00 (МСК).
Сб–Вс: выходные дни.
Заказы на сайте принимаются круглосуточно. Заявки, поступившие после окончания рабочего дня, обрабатываются на следующий рабочий день.
Минимальная сумма заказа для доставки составляет 3000 рублей. Самовывоз со склада возможен на любую сумму при наличии товара.
ООО «УралТехГрупп»
ИНН: 7415093830
КПП: 772401001
ОГРН: 1167456069021
Банк: ПАО Сбербанк
Р/с: 40702810838000475273
К/с: 30101810400000000225
БИК: 044525225
У подшипника BEAM050115-2Z пока нет отзывов. Вы можете стать первым покупателем, поделившимся своим мнением.