Поиск подшипника
Статьи
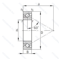
BSB040090T — Шариковый радиально-упорный подшипник однонаправленный, модификация основного исполнения BSB040090, производство FAG.
Размер подшипника: 40x90x20 мм.
Полиамидный сепаратор.
Альтернативное обозначение: 40TAC90DB, BSD4090DB, MM40BS90DUH.
Аналоги: BSB040090-T FAG.
Международная стандартизации ISO
BSB040090T
В наличии
| Обозначение | Конструктивные изменения |
|---|---|
| BSB040090-T-DU | Полиамидный сепаратор. Комплект из 2 универсальных подшипников. |
| BSB040090-T-L055 | Полиамидный сепаратор. Подшипник смазан высокоэффективной смазкой Arcanol MULTITOP. |
| BSB040090SUH P3 | Класс точности ниже. чем P2. но выше. чем P4. Одиночный универсальный подшипник. Большой преднатяг. |
| BSB040090-2RS-T | Резиновые уплотнения с каждой стороны подшипника. Полиамидный сепаратор. |
Модификации шарикового подшипника BSB040090T — это измененное основное конструктивное исполнение BSB040090, основные размеры (40x90x20) не отличаются.
| Обозначение | Гост | Конструктивные особенности |
|---|---|---|
| BSD4090CGA | ISO | Внутренние изменения в конструкции. Небольшая предварительная нагрузка. Подшипник для универсального монтажа. |
| 40TAC90CSUHPN7C | ISO | 60° Угол контакта. Одиночный универсальный подшипник. Большой преднатяг. Стандартная точность NSK Класс точности 7C (эквивалентно осевому биению Класс 2). |
| 40TAC90BDDGSUC10PN01 | ISO | High Capacity & Higher Speed (Replaces “A” Type). Резиновые уплотнения с каждой стороны подшипника. Одиночный подшипник для универсального монтажа в произвольном порядке. Метрическая серия. Accuracy Code/ Normal Grade. |
| 2A-BST40X90-20BLXLP4/L588 | ISO | Точность выше. чем P5. Both Side Light Contact Rubber Seal. Urea Base Special Grease. |
| BST40X90-20BP4 | ISO | Класс точности Р4 по ISO (точнее. чем P5) - Abec.7. |
| 2A-BST40X90-1BLXL/L588 | ISO | Both Side Light Contact Rubber Seal. Urea Base Special Grease. |
| 40TAB09U-2LR/GMP4 | ISO | Радиально-упорный одиночный подшипник - шлифованный для универсального дуплексирования. Класс точности Р4 по ISO (точнее. чем P5) - Abec.7. Центральный преднатяг. |
Аналог шарикового подшипника BSB040090T — это подшипник такого же размера dx40,Dx90,Bx20, типа и конструкции.
| Обозначение | Конструктивные особенности | Внутренний (d) | Наружный (D) | Ширина (B) |
|---|---|---|---|---|
| 306523BE | Подшипник однорядный шариковый радиальный. Single Row Angular Contact Ball Bearing With A 40° Угол контакта And Optimized Internal Design. | 40.00 | 90.00 | 20.00 |
| B40-167A | Шариковый радиальный однорядный подшипник. Подшипник со специальными размерами. | 40.00 | 90.00 | 19.00 |
| 6-7308 А | Роликовый радиальный-упорный однорядный подшипник. Повышенная грузоподъемность. | 40.00 | 90.00 | 20.00 |
| 7308-А | Роликовый радиальный-упорный однорядный подшипник. Повышенная грузоподъемность. | 40.00 | 90.00 | 20.00 |
| SC0828 | Шариковый радиальный однорядный подшипник. Механически обработанный сепаратор. | 40.00 | 90.00 | 20.00 |
| TA-SC08A44LLAXNRXPX1V5 | Шариковый радиальный однорядный подшипник. Механически обработанный сепаратор. Уплотнение из полиакрила. Канавка и стопорное кольцо на наружном кольце. Модификация фаски. | 40.00 | 90.00 | 19.00 |
| TM-SC08A33CS12PX1 | Шариковый радиальный однорядный подшипник. Механически обработанный сепаратор. Уплотнение из полиакрила. Модификация фаски. | 40.00 | 90.00 | 19.00 |
| TM-SC0887C3 | Шариковый радиальный однорядный подшипник. Механически обработанный сепаратор. Внутренний радиальный зазор С3. | 40.00 | 90.00 | 20.00 |
| BSD 4090 C | Шариковый упорный подшипник. 15° Угол контакта. | 40.00 | 90.00 | 20.00 |
| 40TAB09DF-2LR | Шариковый упорный двухрядный подшипник. | 40.00 | 90.00 | 20.00 |
| 40TAB09DB | Шариковый упорный двухрядный подшипник. | 40.00 | 90.00 | 20.00 |
| 40TAB09DF | Шариковый упорный двухрядный подшипник. | 40.00 | 90.00 | 20.00 |
| BSD 4090 CG-2RZ | Шариковый упорный однорядный подшипник. Шарикоподшипник. С уплотнением и низким коэффициентом трения с обеих сторон. Уплотнение состоит из шайбы из листовой стали с вулканизированной резиной. Резьбовой винт со стопором и защелкой. | 40.00 | 90.00 | 20.00 |
| BSD 4090 CG | Шариковый упорный однорядный подшипник. Резьбовой винт со стопором и защелкой. | 40.00 | 90.00 | 20.00 |
| SAC4090B | Шариковый упорный однорядный подшипник. Конический роликовый подшипник. Угол контакта 20 градусов. | 40.00 | 90.00 | 20.00 |
Способы доставки
Отправка через ведущие транспортные и курьерские компании: ПЭК, Деловые Линии, СДЭК, Байкал-Сервис, Энергия, КИТ, ЖелДорЭкспедиция.
Самовывоз возможен напрямую со склада в Москве.
Сроки доставки
Срок зависит от региона и выбранной транспортной компании. Все заказы комплектуются и отправляются в кратчайшие сроки со склада в Москве.
Надёжность и сохранность
Вся продукция упаковывается с учётом требований транспортировки. Мы гарантируем, что подшипники и комплектующие прибудут к заказчику в полной сохранности.
Доставка в страны ЕАЭС
Мы работаем с проверенными логистическими партнёрами, что позволяет оперативно доставлять заказы в Беларусь, Казахстан, Армению и другие страны ЕАЭС.
Варианты оплаты:
Минимальная сумма заказа и скидки:
Документы и гарантии:
Да, конечно! Наши технические специалисты готовы помочь вам с подбором точного аналога или замены подшипника. Просто позвоните нам по телефону +7 (495) 104-99-04 или напишите на почту zakaz@podsnab.ru.
Для оперативной консультации подготовьте, пожалуйста, имеющиеся данные: маркировку, размеры, тип оборудования или артикул старого подшипника.
Да, конечно! Мы высоко ценим долгосрочное сотрудничество и доверие клиентов по всей России. Для постоянных клиентов действует персональная система скидок.
Условия формируются индивидуально и зависят от:
Чтобы узнать свои условия и получить максимально выгодное предложение, свяжитесь с персональным менеджером или напишите нам на почту zakaz@podsnab.ru.
Вы можете оформить заказ несколькими способами:
Для оформления заказа от юридического лица свяжитесь с нашим отделом по работе с корпоративными клиентами по телефону +7 (495) 104-99-04 или напишите на email zakaz@podsnab.ru, прикрепив реквизиты вашей организации.
Мы оперативно подготовим коммерческое предложение и выставим счет.
Возврат товара надлежащего качества возможен в течение 10 дней с момента получения, если товар не был в употреблении, сохранен товарный вид, упаковка не вскрывалась и присутствуют все сопроводительные документы.
Возврат денежных средств осуществляется в течение 10 рабочих дней после проверки товара складом.
В соответствии с законодательством возврату не подлежат подшипники надлежащего качества, если отсутствует оригинальная упаковка или имеются следы монтажа.
В случае выявления брака или гарантийного случая мы гарантируем возврат или обмен товара.
Да, гарантийный срок хранения устанавливается заводом-изготовителем и в среднем составляет 2 года при соблюдении условий хранения: сухое помещение, оригинальная упаковка и смазка.
Точный срок для конкретного типа подшипника уточняйте у наших менеджеров.
Пн–Пт: с 8:00 до 17:00 (МСК).
Сб–Вс: выходные дни.
Заказы на сайте принимаются круглосуточно. Заявки, поступившие после окончания рабочего дня, обрабатываются на следующий рабочий день.
Минимальная сумма заказа для доставки составляет 3000 рублей. Самовывоз со склада возможен на любую сумму при наличии товара.
ООО «УралТехГрупп»
ИНН: 7415093830
КПП: 772401001
ОГРН: 1167456069021
Банк: ПАО Сбербанк
Р/с: 40702810838000475273
К/с: 30101810400000000225
БИК: 044525225
У подшипника BSB040090T пока нет отзывов. Вы можете стать первым покупателем, поделившимся своим мнением.