Поиск подшипника
Статьи
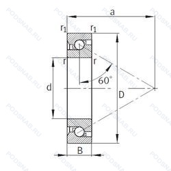
7602025TVP — Шариковый радиально-упорный подшипник однонаправленный, модификация основного исполнения 7602025, выпускается производителями: FAG, NEUTRAL.
Размер подшипника: 25x52x15 мм.
Твердая клетка из полиамида.
Альтернативное обозначение: BSA205, BSA205C, BSA205CGA.
Международная стандартизации ISO
7602025TVP
В наличии
| Обозначение | Конструктивные изменения |
|---|---|
| 7602025-TVP-DU | Формованный полиамидный сепаратор оконного типа. Роликовые тела качения. Комплект из 2 универсальных подшипников. |
| 7602025-TVP-L055 | Формованный полиамидный сепаратор оконного типа. Роликовые тела качения. Подшипник смазан высокоэффективной смазкой Arcanol MULTITOP. |
| 7602025-TVP-DU-L055 | Формованный полиамидный сепаратор оконного типа. Роликовые тела качения. Комплект из 2 универсальных подшипников. Подшипник смазан высокоэффективной смазкой Arcanol MULTITOP. |
| 7602025-TVP-TU-L055 | Формованный полиамидный сепаратор оконного типа. Роликовые тела качения. Подшипник смазан высокоэффективной смазкой Arcanol MULTITOP. Триплексный комплект подшипников, универсальное заземление. |
| 7602025-2RS-TVP | Резиновые уплотнения с каждой стороны подшипника. Формованный полиамидный сепаратор оконного типа. Роликовые тела качения. |
Модификации шарикового подшипника 7602025TVP — это измененное основное конструктивное исполнение 7602025, основные размеры (25x52x15) не отличаются.
| Обозначение | Гост | Конструктивные особенности |
|---|---|---|
| BSA205CGA | ISO | Внутренние изменения в конструкции. Небольшая предварительная нагрузка. Подшипник для универсального монтажа. |
| BS225 7 P62 | ISO | Сочетание P6 (размерная точность и точность хода в соответствии с классом допуска ISO 6 (лучше. чем обычно)) и C2 (внутренний зазор подшипника меньше. чем обычно). P4 (SKF)=Abec.7. |
| BS225 7 PE62 UL | ISO | Универсальный монтаж и легкий преднатяг. Расположение внешнего сепаратора. Формованный под давлением сепаратор из полиамида 6.6. P4 (SKF)=Abec.7. 62° Угол контакта. |
| BSA 205 C | ISO | 15° Угол контакта. |
Аналог шарикового подшипника 7602025TVP — это подшипник такого же размера dx25,Dx52,Bx15, типа и конструкции.
| Обозначение | Конструктивные особенности | Внутренний (d) | Наружный (D) | Ширина (B) |
|---|---|---|---|---|
| 55-32205 Б3 | Роликовый радиальный однорядный подшипник. Сепаратор из безоловянистой бронзы.. | 25.00 | 52.00 | 15.00 |
| 580205-AC17 | Шариковый радиальный однорядный подшипник. Литол-24. | 25.00 | 52.00 | 15.00 |
| 580205-А | Шариковый радиальный однорядный подшипник. Повышенная грузоподъемность. | 25.00 | 52.00 | 15.00 |
| 580205-АЕК7С17 | Шариковый радиальный однорядный подшипник. Смазка Литол-24. Сепаратор из текстолита.. Повышенная грузоподъемность. | 25.00 | 52.00 | 15.00 |
| 580205-АС17 | Шариковый радиальный однорядный подшипник. Смазка Литол-24. Повышенная грузоподъемность. | 25.00 | 52.00 | 15.00 |
| 6-180205 А | Шариковый радиальный однорядный подшипник. Повышенная грузоподъемность. | 25.00 | 52.00 | 15.00 |
| 6-180205 А1С9 | Шариковый радиальный однорядный подшипник. Повышенная грузоподъемность. Смазка ЛЗ-31. | 25.00 | 52.00 | 15.00 |
| 6-180205 АКС17 | Шариковый радиальный однорядный подшипник. Смазка Литол-24. Повышенная грузоподъемность. | 25.00 | 52.00 | 15.00 |
| 6-180205 АС17 | Шариковый радиальный однорядный подшипник. Смазка Литол-24. Повышенная грузоподъемность. | 25.00 | 52.00 | 15.00 |
| 6-180205 АС17Ш1 | Шариковый радиальный однорядный подшипник. Смазка Литол-24. Повышенная грузоподъемность. Нормы шумности. | 25.00 | 52.00 | 15.00 |
| 6-180205 К6С2 | Шариковый радиальный однорядный подшипник. Смазка ЦИАТИМ-221. | 25.00 | 52.00 | 15.00 |
| 6-180205 КС9 | Шариковый радиальный однорядный подшипник. «Замок» (скос) на внутреннем кольце плюс массивный сепаратор из текстолита. Смазка ЛЗ-31. | 25.00 | 52.00 | 15.00 |
| 6-180205 С17 | Шариковый радиальный однорядный подшипник. Смазка Литол-24. | 25.00 | 52.00 | 15.00 |
| 6-180205 С9 | Шариковый радиальный однорядный подшипник. Смазка ЛЗ-31. | 25.00 | 52.00 | 15.00 |
| 6-180205 Ш1 | Шариковый радиальный однорядный подшипник. Нормы шумности. | 25.00 | 52.00 | 15.00 |
Способы доставки
Отправка через ведущие транспортные и курьерские компании: ПЭК, Деловые Линии, СДЭК, Байкал-Сервис, Энергия, КИТ, ЖелДорЭкспедиция.
Самовывоз возможен напрямую со склада в Москве.
Сроки доставки
Срок зависит от региона и выбранной транспортной компании. Все заказы комплектуются и отправляются в кратчайшие сроки со склада в Москве.
Надёжность и сохранность
Вся продукция упаковывается с учётом требований транспортировки. Мы гарантируем, что подшипники и комплектующие прибудут к заказчику в полной сохранности.
Доставка в страны ЕАЭС
Мы работаем с проверенными логистическими партнёрами, что позволяет оперативно доставлять заказы в Беларусь, Казахстан, Армению и другие страны ЕАЭС.
Варианты оплаты:
Минимальная сумма заказа и скидки:
Документы и гарантии:
Да, конечно! Наши технические специалисты готовы помочь вам с подбором точного аналога или замены подшипника. Просто позвоните нам по телефону +7 (495) 104-99-04 или напишите на почту zakaz@podsnab.ru.
Для оперативной консультации подготовьте, пожалуйста, имеющиеся данные: маркировку, размеры, тип оборудования или артикул старого подшипника.
Да, конечно! Мы высоко ценим долгосрочное сотрудничество и доверие клиентов по всей России. Для постоянных клиентов действует персональная система скидок.
Условия формируются индивидуально и зависят от:
Чтобы узнать свои условия и получить максимально выгодное предложение, свяжитесь с персональным менеджером или напишите нам на почту zakaz@podsnab.ru.
Вы можете оформить заказ несколькими способами:
Для оформления заказа от юридического лица свяжитесь с нашим отделом по работе с корпоративными клиентами по телефону +7 (495) 104-99-04 или напишите на email zakaz@podsnab.ru, прикрепив реквизиты вашей организации.
Мы оперативно подготовим коммерческое предложение и выставим счет.
Возврат товара надлежащего качества возможен в течение 10 дней с момента получения, если товар не был в употреблении, сохранен товарный вид, упаковка не вскрывалась и присутствуют все сопроводительные документы.
Возврат денежных средств осуществляется в течение 10 рабочих дней после проверки товара складом.
В соответствии с законодательством возврату не подлежат подшипники надлежащего качества, если отсутствует оригинальная упаковка или имеются следы монтажа.
В случае выявления брака или гарантийного случая мы гарантируем возврат или обмен товара.
Да, гарантийный срок хранения устанавливается заводом-изготовителем и в среднем составляет 2 года при соблюдении условий хранения: сухое помещение, оригинальная упаковка и смазка.
Точный срок для конкретного типа подшипника уточняйте у наших менеджеров.
Пн–Пт: с 8:00 до 17:00 (МСК).
Сб–Вс: выходные дни.
Заказы на сайте принимаются круглосуточно. Заявки, поступившие после окончания рабочего дня, обрабатываются на следующий рабочий день.
Минимальная сумма заказа для доставки составляет 3000 рублей. Самовывоз со склада возможен на любую сумму при наличии товара.
ООО «УралТехГрупп»
ИНН: 7415093830
КПП: 772401001
ОГРН: 1167456069021
Банк: ПАО Сбербанк
Р/с: 40702810838000475273
К/с: 30101810400000000225
БИК: 044525225
У подшипника 7602025TVP пока нет отзывов. Вы можете стать первым покупателем, поделившимся своим мнением.