Поиск подшипника
Статьи
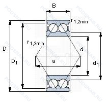
5312 E — Шариковый радиально-упорный подшипник, модификация основного исполнения 5312, производство SKF.
Размер подшипника: 60x130x54 мм.
Повышенная грузоподъемность.
Международная стандартизации ISO
5312E
В наличии
| Обозначение | Конструктивные изменения |
|---|---|
| 5312WL | Широкий. Длинная каретка. |
| 5312D | Металлическая защитная шайба с одной стороны. |
| 5312A | Двухрядный радиально-упорный шарикоподшипник без отверстия для смазки. |
| 5312E-2Z/C3 | Внутренний зазор больше нормального. Подшипник с заправочным пазом для ввода тел качений. Защитные металлические шайбы с обеих сторон подшипника. |
| 5312MFG1 | Двухрядный радиально-упорный. Шарикоподшипник с заполняющей выемкой и сходящимися наружу углами контакта. Металлическая защитная шайба с одной стороны. Канавка под стопорное кольцо на наружном кольце с соответствующим стопорным кольцом. Extra Width (Spacer Ring Kit Supplied). |
| 5312-2RSTNG/EEMN | Seal At Each Side Of The Bearing. Клетка из армированного стекловолокном полиамида 66. Exxon-Mobil Polyrex EM. |
| 5312AB | Модификация внутренней конструкции. |
| 5312H | Pressed Steel Cage (Snap Type). Hardened. |
| 5312ZZG15 | Защитные металлические шайбы с обеих сторон. Литой сепаратор из полиамида 6.6. армированного стекловолокном. Центрированный элемент качения.. |
| 5312C ZZ H501 | Двухрядный радиально-упорный подшипник качения без канавки для заполнения шариками. Со сходящимися наружу угловыми контактами. Жесткая конструкция. Защитные металлические шайбы с двух сторон подшипника. Внутренний суффикс-код MRC. |
| 5312G | Канавка под стопорное кольцо на наружном кольце с соответствующим стопорным кольцом. |
| 5312CFF | Двухрядный радиально-упорный подшипник качения без канавки для заполнения шариками. Со сходящимися наружу угловыми контактами. Жесткая конструкция. Металлическое уплотнение с двух сторон. |
| 5312CG | Резьбовой винт со стопором и защелкой. |
| 5312MF1 | Двухрядный радиально-упорный. Шарикоподшипник с заполняющей выемкой и сходящимися наружу углами контакта. Металлическая защитная шайба с одной стороны. Extra Width (Spacer Ring Kit Supplied). |
| 5312S C3 | Прессованный стальной сепаратор. Внутренний зазор больше нормального. |
| 5312SC3NR | Прессованный стальной сепаратор. Внутренний зазор больше нормального. Канавка под стопорное кольцо на наружном кольце с соответствующим стопорным кольцом. |
| 5312NR | Канавка под стопорное кольцо на наружном кольце с соответствующим стопорным кольцом. |
| A 5312 WB | Cast Iron Take-Up Type Bearing Unit With Its Stretcher Frame. Relubricatable. |
| 5312 A-2Z | Измененная или модифицированная внутренняя конструкция при неизменных основных размерах. Защитные металлические шайбы с обеих сторон подшипника. |
| 5312 E-2Z | Повышенная грузоподъемность. Защитные металлические шайбы с обеих сторон подшипника. |
| 5312KG | Серия с закрепительной втулкой и смазочным отверстием. |
| 5312W | Максимальная грузоподъемность. |
| 5312WG | Максимальная грузоподъемность. |
| 5312N | Канавка под стопорное кольцо на внешнем кольце. |
| 5312-2RS | Резиновые уплотнения с каждой стороны подшипника. |
Модификации шарикового подшипника 5312 E — это измененное основное конструктивное исполнение 5312, основные размеры (60x130x54) не отличаются.
| Обозначение | Конструктивные особенности | Внутренний (d) | Наружный (D) | Ширина (B) |
|---|---|---|---|---|
| WS22312-E1-2RSR | Роликовый радиальный сферический двухрядный подшипник. Конструкция с увеличенной грузоподьемностью. Резиновые уплотнения с каждой стороны подшипника. Установочная шайба вала. | 60.00 | 130.00 | 53.00 |
| NJ3312 | Роликовый радиальный однорядный подшипник. Штампованный сепаратор из стального листа. Канавка под стопорное кольцо на наружном кольце подшипника. Однорядный цилиндрический роликовый подшипник. Наружное кольцо имеет два борта. | 60.00 | 130.00 | 54.00 |
| NU3312 | Роликовый радиальный однорядный подшипник. Канавка под стопорное кольцо на наружном кольце подшипника. Однорядные цилиндрические роликоподшипники. Наружное кольцо подшипника имеет два борта. | 60.00 | 130.00 | 54.00 |
| NUP3312 | Роликовый радиальный однорядный подшипник. Канавка под стопорное кольцо на наружном кольце подшипника. Точность размеров примерно соответствует классу точности Р4. Однорядный цилиндрический роликовый подшипник. Наружное кольцо имеет два борта. | 60.00 | 130.00 | 54.00 |
| 3056312-К1 | Шариковый радиально-упорный двухрядный подшипник. «Замок» (скос) на внутреннем кольце плюс массивный сепаратор из текстолита. | 60.00 | 130.00 | 54.00 |
| 6-3056312 Ш1 | Шариковый радиально-упорный двухрядный подшипник. Нормы шумности. | 60.00 | 130.00 | 54.00 |
| 6-3056312 Ш | Шариковый радиально-упорный двухрядный подшипник. Нормы шумности. | 60.00 | 130.00 | 54.00 |
| 3312-B-2RSR-TV | Шариковый радиально-упорный двухрядный подшипник. Конический роликовый подшипник. Угол контакта 20 градусов. Резиновые уплотнения с каждой стороны подшипника. Прочный сепаратор из полиамида. армированного стекловолокном. | 60.00 | 130.00 | 54.00 |
| 63312ZZ | Шариковый радиальный однорядный подшипник. Защитные металлические шайбы с обеих сторон. | 60.00 | 130.00 | 54.00 |
| 6-2612 КМ | Роликовый радиальный однорядный подшипник. Модифицированный контакт.. | 60.00 | 130.00 | 55.00 |
| 63312LLB | Шариковый радиальный однорядный подшипник. Уплотнение бесконтактного типа из синтетического каучука. | 60.00 | 130.00 | 53.98 |
| 63312LLU | Шариковый радиальный однорядный подшипник. Контактное резиновое уплотнение с двух сторон. | 60.00 | 130.00 | 53.98 |
| 53412- MP+U412 | Шариковый упорный однорядный подшипник. Массивный латунный сепаратор. центрированный по телам качения. | 60.00 | 130.00 | 54.00 |
| 53412M+U412 | Шариковый упорный однорядный подшипник. Подшипник с латунным сепаратором. центрированный по телам качения. | 60.00 | 130.00 | 54.00 |
| 53412 M U | Шариковый упорный однорядный подшипник. Подшипник с латунным сепаратором. центрированный по телам качения. Универсальный одиночный подшипник. | 60.00 | 130.00 | 54.00 |
Способы доставки
Отправка через ведущие транспортные и курьерские компании: ПЭК, Деловые Линии, СДЭК, Байкал-Сервис, Энергия, КИТ, ЖелДорЭкспедиция.
Самовывоз возможен напрямую со склада в Москве.
Сроки доставки
Срок зависит от региона и выбранной транспортной компании. Все заказы комплектуются и отправляются в кратчайшие сроки со склада в Москве.
Надёжность и сохранность
Вся продукция упаковывается с учётом требований транспортировки. Мы гарантируем, что подшипники и комплектующие прибудут к заказчику в полной сохранности.
Доставка в страны ЕАЭС
Мы работаем с проверенными логистическими партнёрами, что позволяет оперативно доставлять заказы в Беларусь, Казахстан, Армению и другие страны ЕАЭС.
Варианты оплаты:
Минимальная сумма заказа и скидки:
Документы и гарантии:
Да, конечно! Наши технические специалисты готовы помочь вам с подбором точного аналога или замены подшипника. Просто позвоните нам по телефону +7 (495) 104-99-04 или напишите на почту zakaz@podsnab.ru.
Для оперативной консультации подготовьте, пожалуйста, имеющиеся данные: маркировку, размеры, тип оборудования или артикул старого подшипника.
Да, конечно! Мы высоко ценим долгосрочное сотрудничество и доверие клиентов по всей России. Для постоянных клиентов действует персональная система скидок.
Условия формируются индивидуально и зависят от:
Чтобы узнать свои условия и получить максимально выгодное предложение, свяжитесь с персональным менеджером или напишите нам на почту zakaz@podsnab.ru.
Вы можете оформить заказ несколькими способами:
Для оформления заказа от юридического лица свяжитесь с нашим отделом по работе с корпоративными клиентами по телефону +7 (495) 104-99-04 или напишите на email zakaz@podsnab.ru, прикрепив реквизиты вашей организации.
Мы оперативно подготовим коммерческое предложение и выставим счет.
Возврат товара надлежащего качества возможен в течение 10 дней с момента получения, если товар не был в употреблении, сохранен товарный вид, упаковка не вскрывалась и присутствуют все сопроводительные документы.
Возврат денежных средств осуществляется в течение 10 рабочих дней после проверки товара складом.
В соответствии с законодательством возврату не подлежат подшипники надлежащего качества, если отсутствует оригинальная упаковка или имеются следы монтажа.
В случае выявления брака или гарантийного случая мы гарантируем возврат или обмен товара.
Да, гарантийный срок хранения устанавливается заводом-изготовителем и в среднем составляет 2 года при соблюдении условий хранения: сухое помещение, оригинальная упаковка и смазка.
Точный срок для конкретного типа подшипника уточняйте у наших менеджеров.
Пн–Пт: с 8:00 до 17:00 (МСК).
Сб–Вс: выходные дни.
Заказы на сайте принимаются круглосуточно. Заявки, поступившие после окончания рабочего дня, обрабатываются на следующий рабочий день.
Минимальная сумма заказа для доставки составляет 3000 рублей. Самовывоз со склада возможен на любую сумму при наличии товара.
ООО «УралТехГрупп»
ИНН: 7415093830
КПП: 772401001
ОГРН: 1167456069021
Банк: ПАО Сбербанк
Р/с: 40702810838000475273
К/с: 30101810400000000225
БИК: 044525225
У подшипника 5312 E пока нет отзывов. Вы можете стать первым покупателем, поделившимся своим мнением.