Поиск подшипника
Статьи
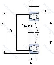
7013 CE/HCP4A — Шариковый радиально-упорный подшипник, модификация основного исполнения 7013, производство SKF.
Размер подшипника: 65x100x18 мм.
15° угол контакта and (e) small size steel balls, измененная или модифицированная внутренняя конструкция при неизменных основных размерах.
Международная стандартизации ISO
7013CEHCP4A
В наличии
| Обозначение | Конструктивные изменения |
|---|---|
| 7013CDB | Однорядный радиально-упорный шарикоподшипник улучшенной конструкции с углом контакта 15°. |
| 7013DT | Дуплексные подшипники для установки в тандеме. |
| 7013DF | Комплект из двух подшипников. согласованных для установки по Х-образной схеме. Число. следующее непосредственно после букв DF. обозначает конструкцию промежуточного кольца. |
| 7013DB | Two Single Row Deep Groove Ball Bearings. Single Row Angular Contact Ball Bearings Or Single Row Tapered Roller Bearings Matched For Mounting In A Back-To-Back Arrangement. |
| 7013 BDT | Механически обработанный сепаратор из текстолита. |
| 7013 BDF | Механически обработанный сепаратор из стали или специального чугуна. |
| 7013 ADF | Механически обработанный сепаратор из стали или специального чугуна. |
| 7013 ADB | Modified Snap Ring Grooves In The Outer Ring_ Two-Piece Inner Ring Held Together By A Retaining Ring. |
| 7013 ADT | Механически обработанный сепаратор из текстолита. |
| 5S-7013UADG/GNP42 | Универсальный подшипник. Класс точности JIS4 для размеров и JIS 2 для точности вращения. Угол контакта 25°. Гибридный подшипник. |
| 5S-7013UCG/GNP42 | Угол контакта 15°. Универсальный подшипник. Класс точности JIS4 для размеров и JIS 2 для точности вращения. Гибридный подшипник. |
| 7013UCG/GNP42 | Угол контакта 15°. Универсальный подшипник. Класс точности JIS4 для размеров и JIS 2 для точности вращения. |
| 7013UGD2/GNP4 | Универсальный подшипник. Класс точности JIS4 / ISO 4. |
| 7013GD2/GNP4 | Универсальный подшипник. Класс точности JIS4 / ISO 4. |
| 7013UCGD2/GLP4 | Угол контакта 15°. Универсальный подшипник. Класс точности JIS4 / ISO 4. |
| 7013UCG/GNP4 | Угол контакта 15°. Универсальный подшипник. Класс точности JIS4 / ISO 4. |
| 7013UADG/GNP42 | Универсальный подшипник. Класс точности JIS4 для размеров и JIS 2 для точности вращения. Угол контакта 25°. |
| 7013 ACB/HCP4A | Измененная или модифицированная внутренняя конструкция при неизменных основных размерах. 25° Угол контакта. High-Speed B Design. |
| 7013HVUJ74 | Угол контакта 25°. Преднатяг (Лёгкий. Универсальные подшпники. |
| 7013 A | Двухрядный радиально-упорный шарикоподшипник без отверстия для смазки. |
| 7013CPA | Угол контакта 15 градусов. |
| 7013AC | Суффикс для радиально-упорного шарикоподшипника. |
| 7013 DB/P7 | Two Single Row Deep Groove Ball Bearings. Single Row Angular Contact Ball Bearings Or Single Row Tapered Roller Bearings Matched For Mounting In A Back-To-Back Arrangement. Точность размеров соответствует классу ISO 4. Точность хода лучше. чем ISO Class 4. |
| 7013 FB/P7 | Точность размеров соответствует классу ISO 4. Точность хода лучше. чем ISO Class 4. 18° Угол контакта. High Speed Design. |
| 3NC 7013 FT | REINFORCED PHENOLIC CAGE. |
Модификации шарикового подшипника 7013 CE/HCP4A — это измененное основное конструктивное исполнение 7013, основные размеры (65x100x18) не отличаются.
| Обозначение | Гост | Конструктивные особенности |
|---|---|---|
| S7013 CE/HCP4A | ISO | Измененная или модифицированная внутренняя конструкция при неизменных основных размерах. 15° Угол контакта And (E) Small Size Steel Balls. |
| S7013 ACD/HCP4A | ISO | Измененная или модифицированная внутренняя конструкция при неизменных основных размерах. Однорядный с улучшенной конструкцией и углом контакта 25°. |
| S7013 ACB/HCP4A | ISO | Измененная или модифицированная внутренняя конструкция при неизменных основных размерах. 25° Угол контакта. High-Speed B Design. |
| S7013 CE/P4A | ISO | Точность размеров в соответствии с классом допуска ISO 4. точность вращения лучше чем класс допуска ISO 4. 15° Угол контакта And (E) Small Size Steel Balls. |
| S7013 CD/HCP4A | ISO | Измененная или модифицированная внутренняя конструкция при неизменных основных размерах. Двухкомпонентный штампованный стальной сепаратор с направляющим кольцом. |
| S7013 ACD/P4A | ISO | Точность размеров в соответствии с классом допуска ISO 4. точность вращения лучше чем класс допуска ISO 4. Однорядный с улучшенной конструкцией и углом контакта 25°. |
| S7013 ACE/HCP4A | ISO | Измененная или модифицированная внутренняя конструкция при неизменных основных размерах. 25° Угол контакта And (E) Small Size Steel Balls. |
| S7013 CB/HCP4A | ISO | Измененная или модифицированная внутренняя конструкция при неизменных основных размерах. Подшипник для универсального монтажа. Два подшипника. установленные по О-образной или Х-образной схеме. имеют нормальный осевой внутренний зазор. |
| S7013 ACE/P4A | ISO | Точность размеров в соответствии с классом допуска ISO 4. точность вращения лучше чем класс допуска ISO 4. 25° Угол контакта And (E) Small Size Steel Balls. |
| S7013 CD/P4A | ISO | Двухкомпонентный штампованный стальной сепаратор с направляющим кольцом. Точность размеров в соответствии с классом допуска ISO 4. точность вращения лучше чем класс допуска ISO 4. |
| S7013 CB/P4A | ISO | Точность размеров в соответствии с классом допуска ISO 4. точность вращения лучше чем класс допуска ISO 4. Подшипник для универсального монтажа. Два подшипника. установленные по О-образной или Х-образной схеме. имеют нормальный осевой внутренний зазор. |
| S7013 ACB/P4A | ISO | Точность размеров в соответствии с классом допуска ISO 4. точность вращения лучше чем класс допуска ISO 4. 25° Угол контакта. High-Speed B Design. |
| B7013-C-T-P4S | ISO | 15° Угол контакта. Textile Laminated Phenolic Resin. Outer Ring Guided. The Cage Is Suitable For Long-Term Operation At Temperatures Up To 100°C. Класс точности. стандарт FAG лучше чем P4. |
| B7013-C-2RSD-T-P4S | ISO | 15° Угол контакта. Textile Laminated Phenolic Resin. Outer Ring Guided. The Cage Is Suitable For Long-Term Operation At Temperatures Up To 100°C. Класс точности. стандарт FAG лучше чем P4. Lip Seals On Both Sides. Non-Contact. |
| B7013-E-2RSD-T-P4S | ISO | Повышенная грузоподъемность. Textile Laminated Phenolic Resin. Outer Ring Guided. The Cage Is Suitable For Long-Term Operation At Temperatures Up To 100°C. Класс точности. стандарт FAG лучше чем P4. Lip Seals On Both Sides. Non-Contact. |
| HCB7013-C-T-P4S | ISO | 15° Угол контакта. Textile Laminated Phenolic Resin. Outer Ring Guided. The Cage Is Suitable For Long-Term Operation At Temperatures Up To 100°C. Класс точности. стандарт FAG лучше чем P4. |
Аналог шарикового подшипника 7013 CE/HCP4A — это подшипник такого же размера dx65,Dx100,Bx18, типа и конструкции.
| Обозначение | Конструктивные особенности | Внутренний (d) | Наружный (D) | Ширина (B) |
|---|---|---|---|---|
| 46113-К | Шариковый радиально-упорный однорядный подшипник. «Замок» (скос) на внутреннем кольце плюс массивный сепаратор из текстолита. | 65.00 | 100.00 | 18.00 |
| 5-113 АЛ | Шариковый радиальный однорядный подшипник. Сепаратор из латуни.. Повышенная грузоподъемность. | 65.00 | 100.00 | 18.00 |
| 5-113 БТ2 | Шариковый радиальный однорядный подшипник. 200°. Температура отпуска. Сепаратор из безоловянистой бронзы.. | 65.00 | 100.00 | 18.00 |
| 5-113 Л | Шариковый радиальный однорядный подшипник. Сепаратор из латуни.. | 65.00 | 100.00 | 18.00 |
| 5-113 ЛТ2 | Шариковый радиальный однорядный подшипник. Сепаратор из латуни.. 200°. Температура отпуска. | 65.00 | 100.00 | 18.00 |
| 5-2113 Б1Т3 | Роликовый радиальный однорядный подшипник. 250°. Температура отпуска. Сепаратор из безоловянистой бронзы.. | 65.00 | 100.00 | 18.00 |
| 5-36113 Е | Шариковый радиально-упорный однорядный подшипник. Сепаратор из текстолита.. | 65.00 | 100.00 | 18.00 |
| 5-36113 К | Шариковый радиально-упорный однорядный подшипник. «Замок» (скос) на внутреннем кольце плюс массивный сепаратор из текстолита. | 65.00 | 100.00 | 18.00 |
| 5-46113 Е | Шариковый радиально-упорный однорядный подшипник. Сепаратор из текстолита.. | 65.00 | 100.00 | 18.00 |
| 5-46113 К | Шариковый радиально-упорный однорядный подшипник. «Замок» (скос) на внутреннем кольце плюс массивный сепаратор из текстолита. | 65.00 | 100.00 | 18.00 |
| 5-46113 Л | Шариковый радиально-упорный однорядный подшипник. Сепаратор из латуни.. | 65.00 | 100.00 | 18.00 |
| 55-32113 Л | Роликовый радиальный однорядный подшипник. Сепаратор из латуни.. | 65.00 | 100.00 | 18.00 |
| 56-2113 Р1 | Роликовый радиальный однорядный подшипник. Детали из теплоустойчивой (быстрорежущие) стали.. | 65.00 | 100.00 | 18.00 |
| 6-113 А | Шариковый радиальный однорядный подшипник. Повышенная грузоподъемность. | 65.00 | 100.00 | 18.00 |
| 6-113 Л | Шариковый радиальный однорядный подшипник. Сепаратор из латуни.. | 65.00 | 100.00 | 18.00 |
Способы доставки
Отправка через ведущие транспортные и курьерские компании: ПЭК, Деловые Линии, СДЭК, Байкал-Сервис, Энергия, КИТ, ЖелДорЭкспедиция.
Самовывоз возможен напрямую со склада в Москве.
Сроки доставки
Срок зависит от региона и выбранной транспортной компании. Все заказы комплектуются и отправляются в кратчайшие сроки со склада в Москве.
Надёжность и сохранность
Вся продукция упаковывается с учётом требований транспортировки. Мы гарантируем, что подшипники и комплектующие прибудут к заказчику в полной сохранности.
Доставка в страны ЕАЭС
Мы работаем с проверенными логистическими партнёрами, что позволяет оперативно доставлять заказы в Беларусь, Казахстан, Армению и другие страны ЕАЭС.
Варианты оплаты:
Минимальная сумма заказа и скидки:
Документы и гарантии:
Да, конечно! Наши технические специалисты готовы помочь вам с подбором точного аналога или замены подшипника. Просто позвоните нам по телефону +7 (495) 104-99-04 или напишите на почту zakaz@podsnab.ru.
Для оперативной консультации подготовьте, пожалуйста, имеющиеся данные: маркировку, размеры, тип оборудования или артикул старого подшипника.
Да, конечно! Мы высоко ценим долгосрочное сотрудничество и доверие клиентов по всей России. Для постоянных клиентов действует персональная система скидок.
Условия формируются индивидуально и зависят от:
Чтобы узнать свои условия и получить максимально выгодное предложение, свяжитесь с персональным менеджером или напишите нам на почту zakaz@podsnab.ru.
Вы можете оформить заказ несколькими способами:
Для оформления заказа от юридического лица свяжитесь с нашим отделом по работе с корпоративными клиентами по телефону +7 (495) 104-99-04 или напишите на email zakaz@podsnab.ru, прикрепив реквизиты вашей организации.
Мы оперативно подготовим коммерческое предложение и выставим счет.
Возврат товара надлежащего качества возможен в течение 10 дней с момента получения, если товар не был в употреблении, сохранен товарный вид, упаковка не вскрывалась и присутствуют все сопроводительные документы.
Возврат денежных средств осуществляется в течение 10 рабочих дней после проверки товара складом.
В соответствии с законодательством возврату не подлежат подшипники надлежащего качества, если отсутствует оригинальная упаковка или имеются следы монтажа.
В случае выявления брака или гарантийного случая мы гарантируем возврат или обмен товара.
Да, гарантийный срок хранения устанавливается заводом-изготовителем и в среднем составляет 2 года при соблюдении условий хранения: сухое помещение, оригинальная упаковка и смазка.
Точный срок для конкретного типа подшипника уточняйте у наших менеджеров.
Пн–Пт: с 8:00 до 17:00 (МСК).
Сб–Вс: выходные дни.
Заказы на сайте принимаются круглосуточно. Заявки, поступившие после окончания рабочего дня, обрабатываются на следующий рабочий день.
Минимальная сумма заказа для доставки составляет 3000 рублей. Самовывоз со склада возможен на любую сумму при наличии товара.
ООО «УралТехГрупп»
ИНН: 7415093830
КПП: 772401001
ОГРН: 1167456069021
Банк: ПАО Сбербанк
Р/с: 40702810838000475273
К/с: 30101810400000000225
БИК: 044525225
У подшипника 7013 CE/HCP4A пока нет отзывов. Вы можете стать первым покупателем, поделившимся своим мнением.