Поиск подшипника
Статьи
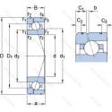
7022 ACE/HCP4AL1 — Шариковый радиально-упорный подшипник, модификация основного исполнения 7022, производство SKF.
Размер подшипника: 110x170x28 мм.
25° угол контакта and (e) small size steel balls, измененная или модифицированная внутренняя конструкция при неизменных основных размерах.
Международная стандартизации ISO
7022ACEHCP4AL1
В наличии
| Обозначение | Конструктивные изменения |
|---|---|
| 7022 B-UX | Конический роликовый подшипник. Угол контакта 20 градусов. Универсальный монтаж, сверхлегкая предварительная нагрузка.. |
| 7022 C-UO | 15° Угол контакта. Универсальный монтаж. Для установки по O- и X- образной схеме - беззазорные.. |
| 7022CDT | Механически обработанный сепаратор из текстолита. Однорядный радиально-упорный шарикоподшипник улучшенной конструкции с углом контакта 15°. |
| 7022CDB | Однорядный радиально-упорный шарикоподшипник улучшенной конструкции с углом контакта 15°. |
| 7022DT | Дуплексные подшипники для установки в тандеме. |
| 7022CDF | Однорядный радиально-упорный шарикоподшипник улучшенной конструкции с углом контакта 15°. |
| 7022DB | Two Single Row Deep Groove Ball Bearings. Single Row Angular Contact Ball Bearings Or Single Row Tapered Roller Bearings Matched For Mounting In A Back-To-Back Arrangement. |
| 7022DF | Комплект из двух подшипников. согласованных для установки по Х-образной схеме. Число. следующее непосредственно после букв DF. обозначает конструкцию промежуточного кольца. |
| 7022 BDT | Механически обработанный сепаратор из текстолита. |
| 7022 ADB | Modified Snap Ring Grooves In The Outer Ring_ Two-Piece Inner Ring Held Together By A Retaining Ring. |
| 7022 BDF | Механически обработанный сепаратор из стали или специального чугуна. |
| 7022 ADF | Механически обработанный сепаратор из стали или специального чугуна. |
| 7022 ADT | Механически обработанный сепаратор из текстолита. |
| 5S-7022UCG/GNP42 | Угол контакта 15°. Универсальный подшипник. Класс точности JIS4 для размеров и JIS 2 для точности вращения. Гибридный подшипник. |
| 5S-7022UADG/GNP42 | Универсальный подшипник. Класс точности JIS4 для размеров и JIS 2 для точности вращения. Угол контакта 25°. Гибридный подшипник. |
| 7022UADG/GNP42 | Универсальный подшипник. Класс точности JIS4 для размеров и JIS 2 для точности вращения. Угол контакта 25°. |
| 7022UGP4 | Универсальный подшипник. Класс точности JIS4 / ISO 4. |
| 7022UCG/GNP42 | Угол контакта 15°. Универсальный подшипник. Класс точности JIS4 для размеров и JIS 2 для точности вращения. |
| 7022CVUJ74 | Угол контакта 15°. Преднатяг (Лёгкий. Универсальные подшпники. |
| 7022HVUJ74 | Угол контакта 25°. Преднатяг (Лёгкий. Универсальные подшпники. |
| 7022 A | Двухрядный радиально-упорный шарикоподшипник без отверстия для смазки. |
| 7022CPA | Угол контакта 15 градусов. |
| 7022UCDTBTT/G095P4 | Угол контакта 15°. Универсальный подшипник. Класс точности JIS4 / ISO 4. |
| 7022 DB/P7 | Two Single Row Deep Groove Ball Bearings. Single Row Angular Contact Ball Bearings Or Single Row Tapered Roller Bearings Matched For Mounting In A Back-To-Back Arrangement. Точность размеров соответствует классу ISO 4. Точность хода лучше. чем ISO Class 4. |
| 7022 FB/P7 | Точность размеров соответствует классу ISO 4. Точность хода лучше. чем ISO Class 4. 18° Угол контакта. High Speed Design. |
Модификации шарикового подшипника 7022 ACE/HCP4AL1 — это измененное основное конструктивное исполнение 7022, основные размеры (110x170x28) не отличаются.
| Обозначение | Гост | Конструктивные особенности |
|---|---|---|
| S7022 ACB/P4A | ISO | Точность размеров в соответствии с классом допуска ISO 4. точность вращения лучше чем класс допуска ISO 4. 25° Угол контакта. High-Speed B Design. |
| S7022 ACD/P4A | ISO | Точность размеров в соответствии с классом допуска ISO 4. точность вращения лучше чем класс допуска ISO 4. Однорядный с улучшенной конструкцией и углом контакта 25°. |
| S7022 ACE/HCP4A | ISO | Измененная или модифицированная внутренняя конструкция при неизменных основных размерах. 25° Угол контакта And (E) Small Size Steel Balls. |
| S7022 CD/HCP4A | ISO | Измененная или модифицированная внутренняя конструкция при неизменных основных размерах. Двухкомпонентный штампованный стальной сепаратор с направляющим кольцом. |
| S7022 CB/HCP4A | ISO | Измененная или модифицированная внутренняя конструкция при неизменных основных размерах. Подшипник для универсального монтажа. Два подшипника. установленные по О-образной или Х-образной схеме. имеют нормальный осевой внутренний зазор. |
| S7022 ACE/P4A | ISO | Точность размеров в соответствии с классом допуска ISO 4. точность вращения лучше чем класс допуска ISO 4. 25° Угол контакта And (E) Small Size Steel Balls. |
| S7022 CD/P4A | ISO | Двухкомпонентный штампованный стальной сепаратор с направляющим кольцом. Точность размеров в соответствии с классом допуска ISO 4. точность вращения лучше чем класс допуска ISO 4. |
| S7022 ACB/HCP4A | ISO | Измененная или модифицированная внутренняя конструкция при неизменных основных размерах. 25° Угол контакта. High-Speed B Design. |
| S7022 CB/P4A | ISO | Точность размеров в соответствии с классом допуска ISO 4. точность вращения лучше чем класс допуска ISO 4. Подшипник для универсального монтажа. Два подшипника. установленные по О-образной или Х-образной схеме. имеют нормальный осевой внутренний зазор. |
| S7022 CE/P4A | ISO | Точность размеров в соответствии с классом допуска ISO 4. точность вращения лучше чем класс допуска ISO 4. 15° Угол контакта And (E) Small Size Steel Balls. |
| S7022 CE/HCP4A | ISO | Измененная или модифицированная внутренняя конструкция при неизменных основных размерах. 15° Угол контакта And (E) Small Size Steel Balls. |
| H7022AC/HQ1 | ISO | Суффикс для радиально-упорного шарикоподшипника. |
| H7022C | ISO | 15° Угол контакта. |
| B7022-E-2RSD-T-P4S | ISO | Повышенная грузоподъемность. Textile Laminated Phenolic Resin. Outer Ring Guided. The Cage Is Suitable For Long-Term Operation At Temperatures Up To 100°C. Класс точности. стандарт FAG лучше чем P4. Lip Seals On Both Sides. Non-Contact. |
| B7022-C-2RSD-T-P4S | ISO | 15° Угол контакта. Textile Laminated Phenolic Resin. Outer Ring Guided. The Cage Is Suitable For Long-Term Operation At Temperatures Up To 100°C. Класс точности. стандарт FAG лучше чем P4. Lip Seals On Both Sides. Non-Contact. |
| B7022-E-T-P4S | ISO | Повышенная грузоподъемность. Textile Laminated Phenolic Resin. Outer Ring Guided. The Cage Is Suitable For Long-Term Operation At Temperatures Up To 100°C. Класс точности. стандарт FAG лучше чем P4. |
| HCB7022-C-2RSD-T-P4S | ISO | 15° Угол контакта. Textile Laminated Phenolic Resin. Outer Ring Guided. The Cage Is Suitable For Long-Term Operation At Temperatures Up To 100°C. Класс точности. стандарт FAG лучше чем P4. Lip Seals On Both Sides. Non-Contact. |
| HCB7022-C-T-P4S | ISO | 15° Угол контакта. Textile Laminated Phenolic Resin. Outer Ring Guided. The Cage Is Suitable For Long-Term Operation At Temperatures Up To 100°C. Класс точности. стандарт FAG лучше чем P4. |
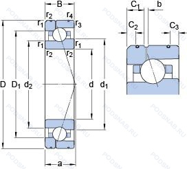
Аналог шарикового подшипника 7022 ACE/HCP4AL1 — это подшипник такого же размера dx110,Dx170,Bx28, типа и конструкции.
| Обозначение | Конструктивные особенности | Внутренний (d) | Наружный (D) | Ширина (B) |
|---|---|---|---|---|
| 46122-КЕ | Шариковый радиально-упорный однорядный подшипник. «Замок» (скос) на внутреннем кольце плюс массивный сепаратор из текстолита. Сепаратор из текстолита.. | 110.00 | 170.00 | 28.00 |
| 46122-Л | Шариковый радиально-упорный однорядный подшипник. Сепаратор из латуни.. | 110.00 | 170.00 | 28.00 |
| 46122К | Шариковый радиально-упорный однорядный подшипник. «Замок» (скос) на внутреннем кольце плюс массивный сепаратор из текстолита. | 110.00 | 170.00 | 28.00 |
| 5-122 Г | Шариковый радиальный однорядный подшипник. Сепаратор из черных металлов.. | 110.00 | 170.00 | 28.00 |
| 5-122 Л | Шариковый радиальный однорядный подшипник. Сепаратор из латуни.. | 110.00 | 170.00 | 28.00 |
| 5-176122 ДТ2 | Шариковый радиально-упорный однорядный подшипник. Сепаратор из алюминиевого сплава.. 200°. Температура отпуска. | 110.00 | 170.00 | 28.00 |
| 5-32122 Д1Т2 | Роликовый радиальный однорядный подшипник. 200°. Температура отпуска. Сепаратор из алюминиевого сплава.. | 110.00 | 170.00 | 28.00 |
| 5-36122 К | Шариковый радиально-упорный однорядный подшипник. «Замок» (скос) на внутреннем кольце плюс массивный сепаратор из текстолита. | 110.00 | 170.00 | 28.00 |
| 5-36122 Л | Шариковый радиально-упорный однорядный подшипник. Сепаратор из латуни.. | 110.00 | 170.00 | 28.00 |
| 5-46122 К | Шариковый радиально-упорный однорядный подшипник. «Замок» (скос) на внутреннем кольце плюс массивный сепаратор из текстолита. | 110.00 | 170.00 | 28.00 |
| 5-46122 Л | Шариковый радиально-упорный однорядный подшипник. Сепаратор из латуни.. | 110.00 | 170.00 | 28.00 |
| 55-32122 Б5Т2 | Роликовый радиальный однорядный подшипник. 200°. Температура отпуска. Сепаратор из безоловянистой бронзы.. | 110.00 | 170.00 | 28.00 |
| 5А-32122 Б5Т2 | Роликовый радиальный однорядный подшипник. 200°. Температура отпуска. Сепаратор из безоловянистой бронзы.. | 110.00 | 170.00 | 28.00 |
| 6-126122 Р1 | Шариковый радиально-упорный однорядный подшипник. Детали из теплоустойчивой (быстрорежущие) стали.. | 110.00 | 170.00 | 28.00 |
| 6-126122 Р3 | Шариковый радиально-упорный однорядный подшипник. Детали из теплоустойчивой (быстрорежущие) стали.. | 110.00 | 170.00 | 28.00 |
Способы доставки
Отправка через ведущие транспортные и курьерские компании: ПЭК, Деловые Линии, СДЭК, Байкал-Сервис, Энергия, КИТ, ЖелДорЭкспедиция.
Самовывоз возможен напрямую со склада в Москве.
Сроки доставки
Срок зависит от региона и выбранной транспортной компании. Все заказы комплектуются и отправляются в кратчайшие сроки со склада в Москве.
Надёжность и сохранность
Вся продукция упаковывается с учётом требований транспортировки. Мы гарантируем, что подшипники и комплектующие прибудут к заказчику в полной сохранности.
Доставка в страны ЕАЭС
Мы работаем с проверенными логистическими партнёрами, что позволяет оперативно доставлять заказы в Беларусь, Казахстан, Армению и другие страны ЕАЭС.
Варианты оплаты:
Минимальная сумма заказа и скидки:
Документы и гарантии:
Да, конечно! Наши технические специалисты готовы помочь вам с подбором точного аналога или замены подшипника. Просто позвоните нам по телефону +7 (495) 104-99-04 или напишите на почту zakaz@podsnab.ru.
Для оперативной консультации подготовьте, пожалуйста, имеющиеся данные: маркировку, размеры, тип оборудования или артикул старого подшипника.
Да, конечно! Мы высоко ценим долгосрочное сотрудничество и доверие клиентов по всей России. Для постоянных клиентов действует персональная система скидок.
Условия формируются индивидуально и зависят от:
Чтобы узнать свои условия и получить максимально выгодное предложение, свяжитесь с персональным менеджером или напишите нам на почту zakaz@podsnab.ru.
Вы можете оформить заказ несколькими способами:
Для оформления заказа от юридического лица свяжитесь с нашим отделом по работе с корпоративными клиентами по телефону +7 (495) 104-99-04 или напишите на email zakaz@podsnab.ru, прикрепив реквизиты вашей организации.
Мы оперативно подготовим коммерческое предложение и выставим счет.
Возврат товара надлежащего качества возможен в течение 10 дней с момента получения, если товар не был в употреблении, сохранен товарный вид, упаковка не вскрывалась и присутствуют все сопроводительные документы.
Возврат денежных средств осуществляется в течение 10 рабочих дней после проверки товара складом.
В соответствии с законодательством возврату не подлежат подшипники надлежащего качества, если отсутствует оригинальная упаковка или имеются следы монтажа.
В случае выявления брака или гарантийного случая мы гарантируем возврат или обмен товара.
Да, гарантийный срок хранения устанавливается заводом-изготовителем и в среднем составляет 2 года при соблюдении условий хранения: сухое помещение, оригинальная упаковка и смазка.
Точный срок для конкретного типа подшипника уточняйте у наших менеджеров.
Пн–Пт: с 8:00 до 17:00 (МСК).
Сб–Вс: выходные дни.
Заказы на сайте принимаются круглосуточно. Заявки, поступившие после окончания рабочего дня, обрабатываются на следующий рабочий день.
Минимальная сумма заказа для доставки составляет 3000 рублей. Самовывоз со склада возможен на любую сумму при наличии товара.
ООО «УралТехГрупп»
ИНН: 7415093830
КПП: 772401001
ОГРН: 1167456069021
Банк: ПАО Сбербанк
Р/с: 40702810838000475273
К/с: 30101810400000000225
БИК: 044525225
У подшипника 7022 ACE/HCP4AL1 пока нет отзывов. Вы можете стать первым покупателем, поделившимся своим мнением.