Поиск подшипника
Статьи
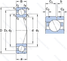
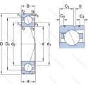
7032 ACD/HCP4AL — Шариковый радиально-упорный подшипник, модификация основного исполнения 7032, производство SKF.
Размер подшипника: 160x240x38 мм.
Однорядный с улучшенной конструкцией и углом контакта 25°, измененная или модифицированная внутренняя конструкция при неизменных основных размерах.
Международная стандартизации ISO
7032ACDHCP4AL
В наличии
| Обозначение | Конструктивные изменения |
|---|---|
| 7032DB | Two Single Row Deep Groove Ball Bearings. Single Row Angular Contact Ball Bearings Or Single Row Tapered Roller Bearings Matched For Mounting In A Back-To-Back Arrangement. |
| 7032CDB | Угол контакта 40°. Однорядный радиально-упорный шарикоподшипник улучшенной конструкции с углом контакта 15°. |
| 7032DT | Дуплексные подшипники для установки в тандеме. |
| 7032 ADB | Modified Snap Ring Grooves In The Outer Ring_ Two-Piece Inner Ring Held Together By A Retaining Ring. |
| 7032 ADT | Механически обработанный сепаратор из текстолита. |
| 7032 BDF | Механически обработанный сепаратор из стали или специального чугуна. |
| 7032 ADF | Механически обработанный сепаратор из стали или специального чугуна. |
| 7032 BDT | Механически обработанный сепаратор из текстолита. |
| 7032DF | Комплект из двух подшипников. согласованных для установки по Х-образной схеме. Число. следующее непосредственно после букв DF. обозначает конструкцию промежуточного кольца. |
| 5S-7032CT1B/GNP42 | Угол контакта 15°. Универсальный подшипник. Фенольный механически обработанный сепаратор. Класс точности JIS4 для размеров и JIS 2 для точности вращения. Гибридный подшипник. |
| 7032CT1B/GNP42 | Угол контакта 15°. Универсальный подшипник. Фенольный механически обработанный сепаратор. Класс точности JIS4 для размеров и JIS 2 для точности вращения. |
| 7032CG/GLP4 | Универсальный подшипник. Класс точности JIS4 / ISO 4. Резьбовой винт со стопором и защелкой. |
| 7032CP4 | Угол контакта 15°. Класс точности JIS4 / ISO 4. |
| 7032P5 | Размерная и рабочая точность соответствует классу допуска ISO 5. |
| 7032CG | Резьбовой винт со стопором и защелкой. |
| 7032CP5 | Класс точности. |
| 7032CVUJ74 | Угол контакта 15°. Преднатяг (Лёгкий. Универсальные подшпники. |
| 7032HVUJ74 | Угол контакта 25°. Преднатяг (Лёгкий. Универсальные подшпники. |
| 7032 A | Двухрядный радиально-упорный шарикоподшипник без отверстия для смазки. |
| 7032F | Сепаратор из обработанной стали или специального чугуна. |
| 7032CPA | Угол контакта 15 градусов. |
| 7032C | Угол контакта 15°. |
| 7032DTBT/GHP4 | Универсальный подшипник. Класс точности JIS4 / ISO 4. Tandem Back-To-Back (Quad-Row). |
| 7032CDTBT/GMP4 | Угол контакта 15°. Универсальный подшипник. Класс точности JIS4 / ISO 4. |
| 7032DTBT/GMP5 | Универсальный подшипник. Tandem Back-To-Back (Quad-Row). |
Модификации шарикового подшипника 7032 ACD/HCP4AL — это измененное основное конструктивное исполнение 7032, основные размеры (160x240x38) не отличаются.
| Обозначение | Гост | Конструктивные особенности |
|---|---|---|
| H7032C/HQ1 | ISO | 15° Угол контакта. |
| H7032AC/HQ1 | ISO | Суффикс для радиально-упорного шарикоподшипника. |
| H7032AC | ISO | Суффикс для радиально-упорного шарикоподшипника. |
| H7032C | ISO | 15° Угол контакта. |
| B7032-E-T-P4S | ISO | Повышенная грузоподъемность. Textile Laminated Phenolic Resin. Outer Ring Guided. The Cage Is Suitable For Long-Term Operation At Temperatures Up To 100°C. Класс точности. стандарт FAG лучше чем P4. |
| B7032-C-T-P4S | ISO | 15° Угол контакта. Textile Laminated Phenolic Resin. Outer Ring Guided. The Cage Is Suitable For Long-Term Operation At Temperatures Up To 100°C. Класс точности. стандарт FAG лучше чем P4. |
| HCB7032-E-T-P4S | ISO | Повышенная грузоподъемность. Textile Laminated Phenolic Resin. Outer Ring Guided. The Cage Is Suitable For Long-Term Operation At Temperatures Up To 100°C. Класс точности. стандарт FAG лучше чем P4. |
| HCB7032-C-T-P4S | ISO | 15° Угол контакта. Textile Laminated Phenolic Resin. Outer Ring Guided. The Cage Is Suitable For Long-Term Operation At Temperatures Up To 100°C. Класс точности. стандарт FAG лучше чем P4. |
Аналог шарикового подшипника 7032 ACD/HCP4AL — это подшипник такого же размера dx160,Dx240,Bx38, типа и конструкции.
| Обозначение | Конструктивные особенности | Внутренний (d) | Наружный (D) | Ширина (B) |
|---|---|---|---|---|
| 3NCHAC032CA | Шариковый радиальный однорядный подшипник. Угол контакта 20 градусов. Латунный сепаратор с симметричными роликами. | 160.00 | 240.00 | 38.00 |
| 3NCHAR032C | Шариковый радиальный однорядный подшипник. Угол контакта 20 градусов. | 160.00 | 240.00 | 38.00 |
| 3NCHAR032CA | Шариковый радиальный однорядный подшипник. Угол контакта 20 градусов. Латунный сепаратор с симметричными роликами. | 160.00 | 240.00 | 38.00 |
| 132-Л | Шариковый радиальный однорядный подшипник. Сепаратор из латуни.. | 160.00 | 240.00 | 38.00 |
| 26-132 Л | Шариковый радиальный однорядный подшипник. Сепаратор из латуни.. | 160.00 | 240.00 | 38.00 |
| 2В0-132 Л | Шариковый радиальный однорядный подшипник. Сепаратор из латуни.. | 160.00 | 240.00 | 38.00 |
| 45-126132 Р2 | Шариковый радиально-упорный однорядный подшипник. Детали из теплоустойчивой (быстрорежущие) стали.. | 160.00 | 240.00 | 38.00 |
| 45-126132 Р2У | Шариковый радиально-упорный однорядный подшипник. Дополнительные технические требования. Детали из теплоустойчивой (быстрорежущие) стали.. | 160.00 | 240.00 | 38.00 |
| 46132-Л | Шариковый радиально-упорный однорядный подшипник. Сепаратор из латуни.. | 160.00 | 240.00 | 38.00 |
| 46132К | Шариковый радиально-упорный однорядный подшипник. «Замок» (скос) на внутреннем кольце плюс массивный сепаратор из текстолита. | 160.00 | 240.00 | 38.00 |
| 5-176132 БТ2 | Шариковый радиально-упорный однорядный подшипник. 200°. Температура отпуска. Сепаратор из безоловянистой бронзы.. | 160.00 | 240.00 | 38.00 |
| 5-36132 К | Шариковый радиально-упорный однорядный подшипник. «Замок» (скос) на внутреннем кольце плюс массивный сепаратор из текстолита. | 160.00 | 240.00 | 38.00 |
| 5-46132 К | Шариковый радиально-упорный однорядный подшипник. «Замок» (скос) на внутреннем кольце плюс массивный сепаратор из текстолита. | 160.00 | 240.00 | 38.00 |
| 5-46132 Л | Шариковый радиально-упорный однорядный подшипник. Сепаратор из латуни.. | 160.00 | 240.00 | 38.00 |
| 6-132 Л | Шариковый радиальный однорядный подшипник. Сепаратор из латуни.. | 160.00 | 240.00 | 38.00 |
Способы доставки
Отправка через ведущие транспортные и курьерские компании: ПЭК, Деловые Линии, СДЭК, Байкал-Сервис, Энергия, КИТ, ЖелДорЭкспедиция.
Самовывоз возможен напрямую со склада в Москве.
Сроки доставки
Срок зависит от региона и выбранной транспортной компании. Все заказы комплектуются и отправляются в кратчайшие сроки со склада в Москве.
Надёжность и сохранность
Вся продукция упаковывается с учётом требований транспортировки. Мы гарантируем, что подшипники и комплектующие прибудут к заказчику в полной сохранности.
Доставка в страны ЕАЭС
Мы работаем с проверенными логистическими партнёрами, что позволяет оперативно доставлять заказы в Беларусь, Казахстан, Армению и другие страны ЕАЭС.
Варианты оплаты:
Минимальная сумма заказа и скидки:
Документы и гарантии:
Да, конечно! Наши технические специалисты готовы помочь вам с подбором точного аналога или замены подшипника. Просто позвоните нам по телефону +7 (495) 104-99-04 или напишите на почту zakaz@podsnab.ru.
Для оперативной консультации подготовьте, пожалуйста, имеющиеся данные: маркировку, размеры, тип оборудования или артикул старого подшипника.
Да, конечно! Мы высоко ценим долгосрочное сотрудничество и доверие клиентов по всей России. Для постоянных клиентов действует персональная система скидок.
Условия формируются индивидуально и зависят от:
Чтобы узнать свои условия и получить максимально выгодное предложение, свяжитесь с персональным менеджером или напишите нам на почту zakaz@podsnab.ru.
Вы можете оформить заказ несколькими способами:
Для оформления заказа от юридического лица свяжитесь с нашим отделом по работе с корпоративными клиентами по телефону +7 (495) 104-99-04 или напишите на email zakaz@podsnab.ru, прикрепив реквизиты вашей организации.
Мы оперативно подготовим коммерческое предложение и выставим счет.
Возврат товара надлежащего качества возможен в течение 10 дней с момента получения, если товар не был в употреблении, сохранен товарный вид, упаковка не вскрывалась и присутствуют все сопроводительные документы.
Возврат денежных средств осуществляется в течение 10 рабочих дней после проверки товара складом.
В соответствии с законодательством возврату не подлежат подшипники надлежащего качества, если отсутствует оригинальная упаковка или имеются следы монтажа.
В случае выявления брака или гарантийного случая мы гарантируем возврат или обмен товара.
Да, гарантийный срок хранения устанавливается заводом-изготовителем и в среднем составляет 2 года при соблюдении условий хранения: сухое помещение, оригинальная упаковка и смазка.
Точный срок для конкретного типа подшипника уточняйте у наших менеджеров.
Пн–Пт: с 8:00 до 17:00 (МСК).
Сб–Вс: выходные дни.
Заказы на сайте принимаются круглосуточно. Заявки, поступившие после окончания рабочего дня, обрабатываются на следующий рабочий день.
Минимальная сумма заказа для доставки составляет 3000 рублей. Самовывоз со склада возможен на любую сумму при наличии товара.
ООО «УралТехГрупп»
ИНН: 7415093830
КПП: 772401001
ОГРН: 1167456069021
Банк: ПАО Сбербанк
Р/с: 40702810838000475273
К/с: 30101810400000000225
БИК: 044525225
У подшипника 7032 ACD/HCP4AL пока нет отзывов. Вы можете стать первым покупателем, поделившимся своим мнением.