Поиск подшипника
Статьи
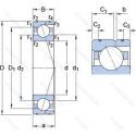
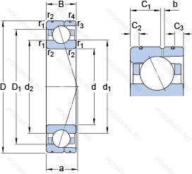
7034 ACD/P4AL — Шариковый радиально-упорный подшипник, модификация основного исполнения 7034, производство SKF.
Размер подшипника: 170x260x42 мм.
Однорядный с улучшенной конструкцией и углом контакта 25°, измененная или модифицированная внутренняя конструкция при неизменных основных размерах.
Международная стандартизации ISO
7034ACDP4AL
В наличии
| Обозначение | Конструктивные изменения |
|---|---|
| 7034 A-UX | Двухрядный радиально-упорный шарикоподшипник без отверстия для смазки. Универсальный монтаж, сверхлегкая предварительная нагрузка.. |
| 7034 B-UX | Конический роликовый подшипник. Угол контакта 20 градусов. Универсальный монтаж, сверхлегкая предварительная нагрузка.. |
| 7034 C-UO | 15° Угол контакта. Универсальный монтаж. Для установки по O- и X- образной схеме - беззазорные.. |
| 7034 A-UD | Двухрядный радиально-упорный шарикоподшипник без отверстия для смазки. |
| 7034 C-UX | 15° Угол контакта. Универсальный монтаж, сверхлегкая предварительная нагрузка.. |
| 7034 C-UD | 15° Угол контакта. |
| 7034DT | Дуплексные подшипники для установки в тандеме. |
| 7034DF | Комплект из двух подшипников. согласованных для установки по Х-образной схеме. Число. следующее непосредственно после букв DF. обозначает конструкцию промежуточного кольца. |
| 7034CDB | Угол контакта 40°. Однорядный радиально-упорный шарикоподшипник улучшенной конструкции с углом контакта 15°. |
| 7034CDF | Механически обработанный сепаратор из стали или специального чугуна. Однорядный радиально-упорный шарикоподшипник улучшенной конструкции с углом контакта 15°. |
| 7034DB | Two Single Row Deep Groove Ball Bearings. Single Row Angular Contact Ball Bearings Or Single Row Tapered Roller Bearings Matched For Mounting In A Back-To-Back Arrangement. |
| 7034CDT | Механически обработанный сепаратор из текстолита. Однорядный радиально-упорный шарикоподшипник улучшенной конструкции с углом контакта 15°. |
| 7034 ADT | Механически обработанный сепаратор из текстолита. |
| 7034 ADF | Механически обработанный сепаратор из стали или специального чугуна. |
| 7034 BDT | Механически обработанный сепаратор из текстолита. |
| 7034 ADB | Modified Snap Ring Grooves In The Outer Ring_ Two-Piece Inner Ring Held Together By A Retaining Ring. |
| 5S-7034CT1B/GNP42 | Угол контакта 15°. Универсальный подшипник. Фенольный механически обработанный сепаратор. Класс точности JIS4 для размеров и JIS 2 для точности вращения. Гибридный подшипник. |
| 7034CP5 | Класс точности. |
| 7034CT1B/GNP42 | Угол контакта 15°. Универсальный подшипник. Фенольный механически обработанный сепаратор. Класс точности JIS4 для размеров и JIS 2 для точности вращения. |
| 7034HVUJ74 | Угол контакта 25°. Преднатяг (Лёгкий. Универсальные подшпники. |
| 7034CVUJ74 | Угол контакта 15°. Преднатяг (Лёгкий. Универсальные подшпники. |
| 7034B | Угол контакта 40°. |
| 7034 A | Двухрядный радиально-упорный шарикоподшипник без отверстия для смазки. |
| 7034CPA | Угол контакта 15 градусов. |
| 7034C | Угол контакта 15°. |
Модификации шарикового подшипника 7034 ACD/P4AL — это измененное основное конструктивное исполнение 7034, основные размеры (170x260x42) не отличаются.
| Обозначение | Гост | Конструктивные особенности |
|---|---|---|
| H7034C/HQ1 | ISO | 15° Угол контакта. |
| H7034AC | ISO | Суффикс для радиально-упорного шарикоподшипника. |
| H7034C | ISO | 15° Угол контакта. |
| H7034AC/HQ1 | ISO | Суффикс для радиально-упорного шарикоподшипника. |
| B7034-C-T-P4S | ISO | 15° Угол контакта. Textile Laminated Phenolic Resin. Outer Ring Guided. The Cage Is Suitable For Long-Term Operation At Temperatures Up To 100°C. Класс точности. стандарт FAG лучше чем P4. |
| B7034-E-T-P4S | ISO | Повышенная грузоподъемность. Textile Laminated Phenolic Resin. Outer Ring Guided. The Cage Is Suitable For Long-Term Operation At Temperatures Up To 100°C. Класс точности. стандарт FAG лучше чем P4. |
| HCB7034-E-T-P4S | ISO | Повышенная грузоподъемность. Textile Laminated Phenolic Resin. Outer Ring Guided. The Cage Is Suitable For Long-Term Operation At Temperatures Up To 100°C. Класс точности. стандарт FAG лучше чем P4. |
| HCB7034-C-T-P4S | ISO | 15° Угол контакта. Textile Laminated Phenolic Resin. Outer Ring Guided. The Cage Is Suitable For Long-Term Operation At Temperatures Up To 100°C. Класс точности. стандарт FAG лучше чем P4. |
Аналог шарикового подшипника 7034 ACD/P4AL — это подшипник такого же размера dx170,Dx260,Bx42, типа и конструкции.
| Обозначение | Конструктивные особенности | Внутренний (d) | Наружный (D) | Ширина (B) |
|---|---|---|---|---|
| 3NCHAR034C | Шариковый радиальный однорядный подшипник. Угол контакта 20 градусов. | 170.00 | 260.00 | 42.00 |
| 3NCHAR034CA | Шариковый радиальный однорядный подшипник. Угол контакта 20 градусов. Латунный сепаратор с симметричными роликами. | 170.00 | 260.00 | 42.00 |
| 134-А | Шариковый радиальный однорядный подшипник. Повышенная грузоподъемность. | 170.00 | 260.00 | 42.00 |
| 134-Л | Шариковый радиальный однорядный подшипник. Сепаратор из латуни.. | 170.00 | 260.00 | 42.00 |
| 2В0-134 Л | Шариковый радиальный однорядный подшипник. Сепаратор из латуни.. | 170.00 | 260.00 | 42.00 |
| 46134-АЛ | Шариковый радиально-упорный однорядный подшипник. Сепаратор из латуни.. Повышенная грузоподъемность. | 170.00 | 260.00 | 42.00 |
| 46134-Л | Шариковый радиально-упорный однорядный подшипник. Сепаратор из латуни.. | 170.00 | 260.00 | 42.00 |
| 46134К | Шариковый радиально-упорный однорядный подшипник. «Замок» (скос) на внутреннем кольце плюс массивный сепаратор из текстолита. | 170.00 | 260.00 | 42.00 |
| 5-176134 Д1Т1 | Шариковый радиально-упорный однорядный подшипник. 180°. Сепаратор из алюминиевого сплава.. Температура отпуска. | 170.00 | 260.00 | 42.00 |
| 5-46134 Л | Шариковый радиально-упорный однорядный подшипник. Сепаратор из латуни.. | 170.00 | 260.00 | 42.00 |
| 6-134 АЛ | Шариковый радиальный однорядный подшипник. Сепаратор из латуни.. Повышенная грузоподъемность. | 170.00 | 260.00 | 42.00 |
| 6-134 Л | Шариковый радиальный однорядный подшипник. Сепаратор из латуни.. | 170.00 | 260.00 | 42.00 |
| 6-176134 Д | Шариковый радиально-упорный однорядный подшипник. Сепаратор из алюминиевого сплава.. | 170.00 | 260.00 | 42.00 |
| 6-176134 Д1Т1 | Шариковый радиально-упорный однорядный подшипник. 180°. Сепаратор из алюминиевого сплава.. Температура отпуска. | 170.00 | 260.00 | 42.00 |
| 6-176134 Л | Шариковый радиально-упорный однорядный подшипник. Сепаратор из латуни.. | 170.00 | 260.00 | 42.00 |
Способы доставки
Отправка через ведущие транспортные и курьерские компании: ПЭК, Деловые Линии, СДЭК, Байкал-Сервис, Энергия, КИТ, ЖелДорЭкспедиция.
Самовывоз возможен напрямую со склада в Москве.
Сроки доставки
Срок зависит от региона и выбранной транспортной компании. Все заказы комплектуются и отправляются в кратчайшие сроки со склада в Москве.
Надёжность и сохранность
Вся продукция упаковывается с учётом требований транспортировки. Мы гарантируем, что подшипники и комплектующие прибудут к заказчику в полной сохранности.
Доставка в страны ЕАЭС
Мы работаем с проверенными логистическими партнёрами, что позволяет оперативно доставлять заказы в Беларусь, Казахстан, Армению и другие страны ЕАЭС.
Варианты оплаты:
Минимальная сумма заказа и скидки:
Документы и гарантии:
Да, конечно! Наши технические специалисты готовы помочь вам с подбором точного аналога или замены подшипника. Просто позвоните нам по телефону +7 (495) 104-99-04 или напишите на почту zakaz@podsnab.ru.
Для оперативной консультации подготовьте, пожалуйста, имеющиеся данные: маркировку, размеры, тип оборудования или артикул старого подшипника.
Да, конечно! Мы высоко ценим долгосрочное сотрудничество и доверие клиентов по всей России. Для постоянных клиентов действует персональная система скидок.
Условия формируются индивидуально и зависят от:
Чтобы узнать свои условия и получить максимально выгодное предложение, свяжитесь с персональным менеджером или напишите нам на почту zakaz@podsnab.ru.
Вы можете оформить заказ несколькими способами:
Для оформления заказа от юридического лица свяжитесь с нашим отделом по работе с корпоративными клиентами по телефону +7 (495) 104-99-04 или напишите на email zakaz@podsnab.ru, прикрепив реквизиты вашей организации.
Мы оперативно подготовим коммерческое предложение и выставим счет.
Возврат товара надлежащего качества возможен в течение 10 дней с момента получения, если товар не был в употреблении, сохранен товарный вид, упаковка не вскрывалась и присутствуют все сопроводительные документы.
Возврат денежных средств осуществляется в течение 10 рабочих дней после проверки товара складом.
В соответствии с законодательством возврату не подлежат подшипники надлежащего качества, если отсутствует оригинальная упаковка или имеются следы монтажа.
В случае выявления брака или гарантийного случая мы гарантируем возврат или обмен товара.
Да, гарантийный срок хранения устанавливается заводом-изготовителем и в среднем составляет 2 года при соблюдении условий хранения: сухое помещение, оригинальная упаковка и смазка.
Точный срок для конкретного типа подшипника уточняйте у наших менеджеров.
Пн–Пт: с 8:00 до 17:00 (МСК).
Сб–Вс: выходные дни.
Заказы на сайте принимаются круглосуточно. Заявки, поступившие после окончания рабочего дня, обрабатываются на следующий рабочий день.
Минимальная сумма заказа для доставки составляет 3000 рублей. Самовывоз со склада возможен на любую сумму при наличии товара.
ООО «УралТехГрупп»
ИНН: 7415093830
КПП: 772401001
ОГРН: 1167456069021
Банк: ПАО Сбербанк
Р/с: 40702810838000475273
К/с: 30101810400000000225
БИК: 044525225
У подшипника 7034 ACD/P4AL пока нет отзывов. Вы можете стать первым покупателем, поделившимся своим мнением.