Поиск подшипника
Статьи
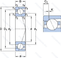
7040 ACD/HCP4AH1 — Шариковый радиально-упорный подшипник, модификация основного исполнения 7040, производство SKF.
Размер подшипника: 200x310x51 мм.
Однорядный с улучшенной конструкцией и углом контакта 25°, измененная или модифицированная внутренняя конструкция при неизменных основных размерах.
Международная стандартизации ISO
7040ACDHCP4AH1
В наличии
| Обозначение | Конструктивные изменения |
|---|---|
| 7040 B-UD | Конический роликовый подшипник. Угол контакта 20 градусов. |
| 7040 B-UO | Конический роликовый подшипник. Угол контакта 20 градусов. Универсальный монтаж. Для установки по O- и X- образной схеме - беззазорные.. |
| 7040 B-UX | Конический роликовый подшипник. Угол контакта 20 градусов. Универсальный монтаж, сверхлегкая предварительная нагрузка.. |
| 7040 C-UD | 15° Угол контакта. |
| 7040 A-UX | Двухрядный радиально-упорный шарикоподшипник без отверстия для смазки. Универсальный монтаж, сверхлегкая предварительная нагрузка.. |
| 7040 A-UO | Двухрядный радиально-упорный шарикоподшипник без отверстия для смазки. Универсальный монтаж. Для установки по O- и X- образной схеме - беззазорные.. |
| 7040CDB | Однорядный радиально-упорный шарикоподшипник улучшенной конструкции с углом контакта 15°. |
| 7040DT | Дуплексные подшипники для установки в тандеме. |
| 7040CDT | Механически обработанный сепаратор из текстолита. Однорядный радиально-упорный шарикоподшипник улучшенной конструкции с углом контакта 15°. |
| 7040DF | Комплект из двух подшипников. согласованных для установки по Х-образной схеме. Число. следующее непосредственно после букв DF. обозначает конструкцию промежуточного кольца. |
| 7040DB | Two Single Row Deep Groove Ball Bearings. Single Row Angular Contact Ball Bearings Or Single Row Tapered Roller Bearings Matched For Mounting In A Back-To-Back Arrangement. |
| 7040CDF | Механически обработанный сепаратор из стали или специального чугуна. Однорядный радиально-упорный шарикоподшипник улучшенной конструкции с углом контакта 15°. |
| 7040 ADB | Modified Snap Ring Grooves In The Outer Ring_ Two-Piece Inner Ring Held Together By A Retaining Ring. |
| 7040 ADT | Механически обработанный сепаратор из текстолита. |
| 7040 ADF | Механически обработанный сепаратор из стали или специального чугуна. |
| 7040 BDF | Механически обработанный сепаратор из стали или специального чугуна. |
| 7040 BDT | Механически обработанный сепаратор из текстолита. |
| 5S-7040CT1B/GNP42 | Угол контакта 15°. Универсальный подшипник. Фенольный механически обработанный сепаратор. Класс точности JIS4 для размеров и JIS 2 для точности вращения. Гибридный подшипник. |
| 7040CT1B/GNP42 | Угол контакта 15°. Универсальный подшипник. Фенольный механически обработанный сепаратор. Класс точности JIS4 для размеров и JIS 2 для точности вращения. |
| 7040HVUJ74 | Угол контакта 25°. Преднатяг (Лёгкий. Универсальные подшпники. |
| 7040CVUJ74 | Угол контакта 15°. Преднатяг (Лёгкий. Универсальные подшпники. |
| 7040 A | Двухрядный радиально-упорный шарикоподшипник без отверстия для смазки. |
| 7040B | Угол контакта 40°. |
| 7040CPA | Угол контакта 15 градусов. |
| 7040C | Угол контакта 15°. |
Модификации шарикового подшипника 7040 ACD/HCP4AH1 — это измененное основное конструктивное исполнение 7040, основные размеры (200x310x51) не отличаются.
| Обозначение | Гост | Конструктивные особенности |
|---|---|---|
| H7040C/HQ1 | ISO | 15° Угол контакта. |
| H7040AC/HQ1 | ISO | Суффикс для радиально-упорного шарикоподшипника. |
| B7040-E-T-P4S | ISO | Повышенная грузоподъемность. Textile Laminated Phenolic Resin. Outer Ring Guided. The Cage Is Suitable For Long-Term Operation At Temperatures Up To 100°C. Класс точности. стандарт FAG лучше чем P4. |
| HCB7040-E-T-P4S | ISO | Повышенная грузоподъемность. Textile Laminated Phenolic Resin. Outer Ring Guided. The Cage Is Suitable For Long-Term Operation At Temperatures Up To 100°C. Класс точности. стандарт FAG лучше чем P4. |
| HCB7040-C-T-P4S | ISO | 15° Угол контакта. Textile Laminated Phenolic Resin. Outer Ring Guided. The Cage Is Suitable For Long-Term Operation At Temperatures Up To 100°C. Класс точности. стандарт FAG лучше чем P4. |
Аналог шарикового подшипника 7040 ACD/HCP4AH1 — это подшипник такого же размера dx200,Dx310,Bx51, типа и конструкции.
| Обозначение | Конструктивные особенности | Внутренний (d) | Наружный (D) | Ширина (B) |
|---|---|---|---|---|
| 6-140 АЛ | Шариковый радиальный однорядный подшипник. Сепаратор из латуни.. Повышенная грузоподъемность. | 200.00 | 310.00 | 51.00 |
| 76-140 АЛШ1 | Шариковый радиальный однорядный подшипник. Сепаратор из латуни.. Повышенная грузоподъемность. Нормы шумности. | 200.00 | 310.00 | 51.00 |
| 6040ZX | Шариковый радиальный однорядный подшипник. Съемная защитная шайба с одной стороны. | 200.00 | 310.00 | 51.00 |
| 7-32140 ЛУ | Роликовый радиальный однорядный подшипник. Сепаратор из латуни.. Дополнительные технические требования. | 200.00 | 310.00 | 51.00 |
| 70-140 Л | Шариковый радиальный однорядный подшипник. Сепаратор из латуни.. | 200.00 | 310.00 | 51.00 |
| 70-672140 Л | Роликовый радиальный цилиндрический однорядный подшипник. Сепаратор из латуни.. | 200.00 | 310.00 | 51.00 |
| 70-672140 Л1 | Роликовый радиальный цилиндрический однорядный подшипник. Сепаратор из латуни.. | 200.00 | 310.00 | 51.00 |
| 6040Z | Шариковый радиальный однорядный подшипник. Стальная шайба. | 200.00 | 310.00 | 51.00 |
| 9140K | Шариковый радиальный однорядный подшипник. Коническое отверстие. Конусность 1/12. | 200.00 | 310.00 | 51.00 |
| 140-АЛ | Шариковый радиальный однорядный подшипник. Сепаратор из латуни.. Повышенная грузоподъемность. | 200.00 | 310.00 | 51.00 |
| 140-Л | Шариковый радиальный однорядный подшипник. Сепаратор из латуни.. | 200.00 | 310.00 | 51.00 |
| 2В0-140 Л | Шариковый радиальный однорядный подшипник. Сепаратор из латуни.. | 200.00 | 310.00 | 51.00 |
| 46140К | Шариковый радиально-упорный однорядный подшипник. «Замок» (скос) на внутреннем кольце плюс массивный сепаратор из текстолита. | 200.00 | 310.00 | 51.00 |
| 466140Л2 | Шариковый радиально-упорный сдвоенный подшипник. Сепаратор из латуни.. | 200.00 | 310.00 | 51.00 |
| 6-140 Л | Шариковый радиальный однорядный подшипник. Сепаратор из латуни.. | 200.00 | 310.00 | 51.00 |
Способы доставки
Отправка через ведущие транспортные и курьерские компании: ПЭК, Деловые Линии, СДЭК, Байкал-Сервис, Энергия, КИТ, ЖелДорЭкспедиция.
Самовывоз возможен напрямую со склада в Москве.
Сроки доставки
Срок зависит от региона и выбранной транспортной компании. Все заказы комплектуются и отправляются в кратчайшие сроки со склада в Москве.
Надёжность и сохранность
Вся продукция упаковывается с учётом требований транспортировки. Мы гарантируем, что подшипники и комплектующие прибудут к заказчику в полной сохранности.
Доставка в страны ЕАЭС
Мы работаем с проверенными логистическими партнёрами, что позволяет оперативно доставлять заказы в Беларусь, Казахстан, Армению и другие страны ЕАЭС.
Варианты оплаты:
Минимальная сумма заказа и скидки:
Документы и гарантии:
Да, конечно! Наши технические специалисты готовы помочь вам с подбором точного аналога или замены подшипника. Просто позвоните нам по телефону +7 (495) 104-99-04 или напишите на почту zakaz@podsnab.ru.
Для оперативной консультации подготовьте, пожалуйста, имеющиеся данные: маркировку, размеры, тип оборудования или артикул старого подшипника.
Да, конечно! Мы высоко ценим долгосрочное сотрудничество и доверие клиентов по всей России. Для постоянных клиентов действует персональная система скидок.
Условия формируются индивидуально и зависят от:
Чтобы узнать свои условия и получить максимально выгодное предложение, свяжитесь с персональным менеджером или напишите нам на почту zakaz@podsnab.ru.
Вы можете оформить заказ несколькими способами:
Для оформления заказа от юридического лица свяжитесь с нашим отделом по работе с корпоративными клиентами по телефону +7 (495) 104-99-04 или напишите на email zakaz@podsnab.ru, прикрепив реквизиты вашей организации.
Мы оперативно подготовим коммерческое предложение и выставим счет.
Возврат товара надлежащего качества возможен в течение 10 дней с момента получения, если товар не был в употреблении, сохранен товарный вид, упаковка не вскрывалась и присутствуют все сопроводительные документы.
Возврат денежных средств осуществляется в течение 10 рабочих дней после проверки товара складом.
В соответствии с законодательством возврату не подлежат подшипники надлежащего качества, если отсутствует оригинальная упаковка или имеются следы монтажа.
В случае выявления брака или гарантийного случая мы гарантируем возврат или обмен товара.
Да, гарантийный срок хранения устанавливается заводом-изготовителем и в среднем составляет 2 года при соблюдении условий хранения: сухое помещение, оригинальная упаковка и смазка.
Точный срок для конкретного типа подшипника уточняйте у наших менеджеров.
Пн–Пт: с 8:00 до 17:00 (МСК).
Сб–Вс: выходные дни.
Заказы на сайте принимаются круглосуточно. Заявки, поступившие после окончания рабочего дня, обрабатываются на следующий рабочий день.
Минимальная сумма заказа для доставки составляет 3000 рублей. Самовывоз со склада возможен на любую сумму при наличии товара.
ООО «УралТехГрупп»
ИНН: 7415093830
КПП: 772401001
ОГРН: 1167456069021
Банк: ПАО Сбербанк
Р/с: 40702810838000475273
К/с: 30101810400000000225
БИК: 044525225
У подшипника 7040 ACD/HCP4AH1 пока нет отзывов. Вы можете стать первым покупателем, поделившимся своим мнением.