Поиск подшипника
Статьи
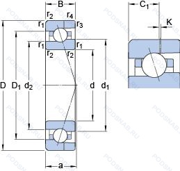
706 ACE/P4AH — Шариковый радиально-упорный подшипник, модификация основного исполнения 706, производство SKF.
Размер подшипника: 6x17x6 мм.
25° угол контакта and (e) small size steel balls, измененная или модифицированная внутренняя конструкция при неизменных основных размерах.
Международная стандартизации ISO
706ACEP4AH
В наличии
| Обозначение | Конструктивные изменения |
|---|---|
| 706 | Шариковый радиально-упорный подшипник. Основное конструктивное исполнение. |
| 706CE/P4ADGA | Точность размеров в соответствии с классом допуска ISO 4. точность вращения лучше чем класс допуска ISO 4. Два однорядных радиально-упорных шарикоподшипника для универсального сопряжения. т. е. в паре для монтажа «спиной к спине». «лицом к лицу» или «тандем». 15° Угол контакта And (E) Small Size Steel Balls. |
| 706ATYDFC7P5 | 30° Угол контакта. Размерная и рабочая точность соответствует классу допуска ISO 5. Шарикоподшипник. Радиально-упорный. Сверхточный. Сепаратор из полиамида. усиленного стекловолокном. Два однорядных радиально-упорных шарикоподшипника. подобранных для установки лицом к лицу. Небольшая предварительная нагрузка. |
| 706 CE/P4A | Точность размеров в соответствии с классом допуска ISO 4. точность вращения лучше чем класс допуска ISO 4. 15° Угол контакта And (E) Small Size Steel Balls. |
| 706 CD/HCP4AH | Измененная или модифицированная внутренняя конструкция при неизменных основных размерах. Двухкомпонентный штампованный стальной сепаратор с направляющим кольцом. |
| 706 ACD/HCP4AH | Измененная или модифицированная внутренняя конструкция при неизменных основных размерах. Однорядный с улучшенной конструкцией и углом контакта 25°. |
| 706 CD/P4AH | Измененная или модифицированная внутренняя конструкция при неизменных основных размерах. Двухкомпонентный штампованный стальной сепаратор с направляющим кольцом. |
| 706 ACD/P4A | Точность размеров в соответствии с классом допуска ISO 4. точность вращения лучше чем класс допуска ISO 4. Однорядный с улучшенной конструкцией и углом контакта 25°. |
| 706 CE/HCP4AH | Измененная или модифицированная внутренняя конструкция при неизменных основных размерах. 15° Угол контакта And (E) Small Size Steel Balls. |
| 706 CE/P4AH | Измененная или модифицированная внутренняя конструкция при неизменных основных размерах. 15° Угол контакта And (E) Small Size Steel Balls. |
| 706 ACE/HCP4AH | Измененная или модифицированная внутренняя конструкция при неизменных основных размерах. 25° Угол контакта And (E) Small Size Steel Balls. |
| 706 CD/HCP4A | Измененная или модифицированная внутренняя конструкция при неизменных основных размерах. Двухкомпонентный штампованный стальной сепаратор с направляющим кольцом. |
| 706 ACD/P4AH | Измененная или модифицированная внутренняя конструкция при неизменных основных размерах. Однорядный с улучшенной конструкцией и углом контакта 25°. |
| 706 CD/P4A | Двухкомпонентный штампованный стальной сепаратор с направляющим кольцом. Точность размеров в соответствии с классом допуска ISO 4. точность вращения лучше чем класс допуска ISO 4. |
| 706 ACD/HCP4A | Измененная или модифицированная внутренняя конструкция при неизменных основных размерах. Однорядный с улучшенной конструкцией и углом контакта 25°. |
| 706 ACE/P4A | Точность размеров в соответствии с классом допуска ISO 4. точность вращения лучше чем класс допуска ISO 4. 25° Угол контакта And (E) Small Size Steel Balls. |
| 706 CE/HCP4A | Измененная или модифицированная внутренняя конструкция при неизменных основных размерах. 15° Угол контакта And (E) Small Size Steel Balls. |
| 706 ACE/HCP4A | Измененная или модифицированная внутренняя конструкция при неизменных основных размерах. 25° Угол контакта And (E) Small Size Steel Balls. |
| 706 ATBP4 | Шариковый радиально-упорный подшипник. |
| 706 CTBP4 | Шариковый радиально-упорный подшипник. |
| 706C | 15° Угол контакта. |
| 706A | Двухрядный радиально-упорный шарикоподшипник без отверстия для смазки. |
Модификации шарикового подшипника 706 ACE/P4AH — это измененное основное конструктивное исполнение 706, основные размеры (6x17x6) не отличаются.
| Обозначение | Конструктивные особенности | Внутренний (d) | Наружный (D) | Ширина (B) |
|---|---|---|---|---|
| 5-640025-У | Шариковый радиальный однорядный подшипник. Дополнительные технические требования. | 5.00 | 16.00 | 5.00 |
| 5-80025-К1С21 | Шариковый радиальный однорядный подшипник. Смазка ЭРА. | 5.00 | 16.00 | 5.00 |
| 5-80025-КС21 | Шариковый радиальный однорядный подшипник. «Замок» (скос) на внутреннем кольце плюс массивный сепаратор из текстолита. Смазка ЭРА. | 5.00 | 16.00 | 5.00 |
| 5-80025-КЮТС21 | Шариковый радиальный однорядный подшипник. «Замок» (скос) на внутреннем кольце плюс массивный сепаратор из текстолита. Температура отпуска. 160°. Смазка ЭРА. Все детали или часть деталей из нержавеющей стали.. | 5.00 | 16.00 | 5.00 |
| 5-80025 ЮТС19 | Шариковый радиальный однорядный подшипник. Температура отпуска. 160°. Все детали или часть деталей из нержавеющей стали.. Смазка ВНИИНП-286. | 5.00 | 16.00 | 5.00 |
| 5-80025-ЮТС2 | Шариковый радиальный однорядный подшипник. Температура отпуска. 160°. Все детали или часть деталей из нержавеющей стали.. Смазка ЦИАТИМ-221. | 5.00 | 16.00 | 5.00 |
| 5-80025-ЮТС21 | Шариковый радиальный однорядный подшипник. Температура отпуска. 160°. Смазка ЭРА. Все детали или часть деталей из нержавеющей стали.. | 5.00 | 16.00 | 5.00 |
| 5-840025-К | Шариковый радиальный однорядный подшипник. «Замок» (скос) на внутреннем кольце плюс массивный сепаратор из текстолита. | 5.00 | 16.00 | 6.00 |
| 536057-К | Шариковый радиально-упорный однорядный подшипник. «Замок» (скос) на внутреннем кольце плюс массивный сепаратор из текстолита. | 6.20 | 17.60 | 5.50 |
| 5М5-6025 | Шариковый радиально-упорный однорядный подшипник. Модифицированный контакт.. | 5.00 | 16.00 | 5.00 |
| 6-1000097 БЮТБ | Шариковый радиальный однорядный подшипник. Температура отпуска. 160°. Все детали или часть деталей из нержавеющей стали.. Сепаратор из безоловянистой бронзы.. | 7.00 | 17.00 | 5.00 |
| 6-1000097 Т2 | Шариковый радиальный однорядный подшипник. 200°. Температура отпуска. | 7.00 | 17.00 | 5.00 |
| 6-1000097 ЮТ | Шариковый радиальный однорядный подшипник. Температура отпуска. 160°. Все детали или часть деталей из нержавеющей стали.. | 7.00 | 17.00 | 5.00 |
| 6-1000097 ЮТП | Шариковый радиальный однорядный подшипник. Температура отпуска. 160°. Все детали или часть деталей из нержавеющей стали.. | 7.00 | 17.00 | 5.00 |
| 6-1008096-Е | Шариковый упорный однорядный подшипник. Сепаратор из текстолита.. | 6.00 | 18.00 | 7.00 |
Способы доставки
Отправка через ведущие транспортные и курьерские компании: ПЭК, Деловые Линии, СДЭК, Байкал-Сервис, Энергия, КИТ, ЖелДорЭкспедиция.
Самовывоз возможен напрямую со склада в Москве.
Сроки доставки
Срок зависит от региона и выбранной транспортной компании. Все заказы комплектуются и отправляются в кратчайшие сроки со склада в Москве.
Надёжность и сохранность
Вся продукция упаковывается с учётом требований транспортировки. Мы гарантируем, что подшипники и комплектующие прибудут к заказчику в полной сохранности.
Доставка в страны ЕАЭС
Мы работаем с проверенными логистическими партнёрами, что позволяет оперативно доставлять заказы в Беларусь, Казахстан, Армению и другие страны ЕАЭС.
Варианты оплаты:
Минимальная сумма заказа и скидки:
Документы и гарантии:
Да, конечно! Наши технические специалисты готовы помочь вам с подбором точного аналога или замены подшипника. Просто позвоните нам по телефону +7 (495) 104-99-04 или напишите на почту zakaz@podsnab.ru.
Для оперативной консультации подготовьте, пожалуйста, имеющиеся данные: маркировку, размеры, тип оборудования или артикул старого подшипника.
Да, конечно! Мы высоко ценим долгосрочное сотрудничество и доверие клиентов по всей России. Для постоянных клиентов действует персональная система скидок.
Условия формируются индивидуально и зависят от:
Чтобы узнать свои условия и получить максимально выгодное предложение, свяжитесь с персональным менеджером или напишите нам на почту zakaz@podsnab.ru.
Вы можете оформить заказ несколькими способами:
Для оформления заказа от юридического лица свяжитесь с нашим отделом по работе с корпоративными клиентами по телефону +7 (495) 104-99-04 или напишите на email zakaz@podsnab.ru, прикрепив реквизиты вашей организации.
Мы оперативно подготовим коммерческое предложение и выставим счет.
Возврат товара надлежащего качества возможен в течение 10 дней с момента получения, если товар не был в употреблении, сохранен товарный вид, упаковка не вскрывалась и присутствуют все сопроводительные документы.
Возврат денежных средств осуществляется в течение 10 рабочих дней после проверки товара складом.
В соответствии с законодательством возврату не подлежат подшипники надлежащего качества, если отсутствует оригинальная упаковка или имеются следы монтажа.
В случае выявления брака или гарантийного случая мы гарантируем возврат или обмен товара.
Да, гарантийный срок хранения устанавливается заводом-изготовителем и в среднем составляет 2 года при соблюдении условий хранения: сухое помещение, оригинальная упаковка и смазка.
Точный срок для конкретного типа подшипника уточняйте у наших менеджеров.
Пн–Пт: с 8:00 до 17:00 (МСК).
Сб–Вс: выходные дни.
Заказы на сайте принимаются круглосуточно. Заявки, поступившие после окончания рабочего дня, обрабатываются на следующий рабочий день.
Минимальная сумма заказа для доставки составляет 3000 рублей. Самовывоз со склада возможен на любую сумму при наличии товара.
ООО «УралТехГрупп»
ИНН: 7415093830
КПП: 772401001
ОГРН: 1167456069021
Банк: ПАО Сбербанк
Р/с: 40702810838000475273
К/с: 30101810400000000225
БИК: 044525225
У подшипника 706 ACE/P4AH пока нет отзывов. Вы можете стать первым покупателем, поделившимся своим мнением.