Поиск подшипника
Статьи
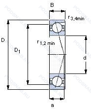
7203 ACD/HCP4A — Шариковый радиально-упорный подшипник, модификация основного исполнения 7203, производство SKF.
Размер подшипника: 17x40x12 мм.
Однорядный с улучшенной конструкцией и углом контакта 25°, измененная или модифицированная внутренняя конструкция при неизменных основных размерах.
Международная стандартизации ISO
7203ACDHCP4A
В наличии
| Обозначение | Конструктивные изменения |
|---|---|
| 7203 C-UO | 15° Угол контакта. Универсальный монтаж. Для установки по O- и X- образной схеме - беззазорные.. |
| 7203 A-UO | Двухрядный радиально-упорный шарикоподшипник без отверстия для смазки. Универсальный монтаж. Для установки по O- и X- образной схеме - беззазорные.. |
| 7203CDB | Однорядный радиально-упорный шарикоподшипник улучшенной конструкции с углом контакта 15°. |
| 7203BDF | Угол контакта 40°. Механически обработанный сепаратор из стали или специального чугуна. |
| 7203DF | Комплект из двух подшипников. согласованных для установки по Х-образной схеме. Число. следующее непосредственно после букв DF. обозначает конструкцию промежуточного кольца. |
| 7203CDT | Механически обработанный сепаратор из текстолита. Однорядный радиально-упорный шарикоподшипник улучшенной конструкции с углом контакта 15°. |
| 7203CDF | Механически обработанный сепаратор из стали или специального чугуна. Однорядный радиально-упорный шарикоподшипник улучшенной конструкции с углом контакта 15°. |
| 7203DT | Дуплексные подшипники для установки в тандеме. |
| 7203 ADF | Механически обработанный сепаратор из стали или специального чугуна. |
| 7203 ADT | Механически обработанный сепаратор из текстолита. |
| 7203 ADB | Modified Snap Ring Grooves In The Outer Ring_ Two-Piece Inner Ring Held Together By A Retaining Ring. |
| 5S-7203UCG/GNP42 | Угол контакта 15°. Универсальный подшипник. Класс точности JIS4 для размеров и JIS 2 для точности вращения. Гибридный подшипник. |
| 7203CG/GLP4 | Универсальный подшипник. Класс точности JIS4 / ISO 4. Резьбовой винт со стопором и защелкой. |
| 7203CGNP4 | Угол контакта 15°. Универсальный подшипник. Класс точности JIS4 / ISO 4. |
| 7203T2G/GNP4 | Универсальный подшипник. Класс точности JIS4 / ISO 4. Пластиковый. |
| 7203CGD2/GLP4 | Угол контакта 15°. Универсальный подшипник. Класс точности JIS4 / ISO 4. |
| 7203T2G/GMP42 | Универсальный подшипник. Пластиковый. Класс точности JIS4 для размеров и JIS 2 для точности вращения. |
| 7203UCG/GNP42 | Угол контакта 15°. Универсальный подшипник. Класс точности JIS4 для размеров и JIS 2 для точности вращения. |
| 7203HG1UJ74 | Угол контакта 25°. Преднатяг (Лёгкий. Универсальные подшпники. |
| 7203C | Угол контакта 15°. |
| 7203 A | Двухрядный радиально-упорный шарикоподшипник без отверстия для смазки. |
| 7203CPA | Угол контакта 15 градусов. |
| 7203AC | Суффикс для радиально-упорного шарикоподшипника. |
| 7203-BE-MP | Single Row Angular Contact Ball Bearing With A 40° Угол контакта And Optimized Internal Design. Массивный латунный сепаратор. центрированный по телам качения. |
| 7203BEA | 40° Угол контакта. High Capacity. All Four Corners Equal. |
Модификации шарикового подшипника 7203 ACD/HCP4A — это измененное основное конструктивное исполнение 7203, основные размеры (17x40x12) не отличаются.
| Обозначение | Гост | Конструктивные особенности |
|---|---|---|
| QJ 203 N2MA | ISO | Измененная или модифицированная внутренняя конструкция при неизменных основных размерах. Шариковый подшипник с четырехточечным контактом. |
| S7203 CD/P4A | ISO | Двухкомпонентный штампованный стальной сепаратор с направляющим кольцом. Точность размеров в соответствии с классом допуска ISO 4. точность вращения лучше чем класс допуска ISO 4. |
| S7203 CD/HCP4A | ISO | Измененная или модифицированная внутренняя конструкция при неизменных основных размерах. Двухкомпонентный штампованный стальной сепаратор с направляющим кольцом. |
| S7203 ACD/HCP4A | ISO | Измененная или модифицированная внутренняя конструкция при неизменных основных размерах. Однорядный с улучшенной конструкцией и углом контакта 25°. |
| S7203 ACD/P4A | ISO | Точность размеров в соответствии с классом допуска ISO 4. точность вращения лучше чем класс допуска ISO 4. Однорядный с улучшенной конструкцией и углом контакта 25°. |
| B7203-C-2RSD-T-P4S | ISO | 15° Угол контакта. Textile Laminated Phenolic Resin. Outer Ring Guided. The Cage Is Suitable For Long-Term Operation At Temperatures Up To 100°C. Класс точности. стандарт FAG лучше чем P4. Lip Seals On Both Sides. Non-Contact. |
| B7203-E-2RSD-T-P4S | ISO | Повышенная грузоподъемность. Textile Laminated Phenolic Resin. Outer Ring Guided. The Cage Is Suitable For Long-Term Operation At Temperatures Up To 100°C. Класс точности. стандарт FAG лучше чем P4. Lip Seals On Both Sides. Non-Contact. |
| B7203-E-T-P4S | ISO | Повышенная грузоподъемность. Textile Laminated Phenolic Resin. Outer Ring Guided. The Cage Is Suitable For Long-Term Operation At Temperatures Up To 100°C. Класс точности. стандарт FAG лучше чем P4. |
| HCB7203-E-T-P4S | ISO | Повышенная грузоподъемность. Textile Laminated Phenolic Resin. Outer Ring Guided. The Cage Is Suitable For Long-Term Operation At Temperatures Up To 100°C. Класс точности. стандарт FAG лучше чем P4. |
| HCB7203-C-T-P4S | ISO | 15° Угол контакта. Textile Laminated Phenolic Resin. Outer Ring Guided. The Cage Is Suitable For Long-Term Operation At Temperatures Up To 100°C. Класс точности. стандарт FAG лучше чем P4. |
| HCB7203-E-2RSD-T-P4S | ISO | Повышенная грузоподъемность. Textile Laminated Phenolic Resin. Outer Ring Guided. The Cage Is Suitable For Long-Term Operation At Temperatures Up To 100°C. Класс точности. стандарт FAG лучше чем P4. Lip Seals On Both Sides. Non-Contact. |
Аналог шарикового подшипника 7203 ACD/HCP4A — это подшипник такого же размера dx17,Dx40,Bx12, типа и конструкции.
| Обозначение | Конструктивные особенности | Внутренний (d) | Наружный (D) | Ширина (B) |
|---|---|---|---|---|
| 5-46203 Р | Шариковый радиально-упорный однорядный подшипник. Детали из теплоустойчивой (быстрорежущие) стали.. | 17.00 | 40.00 | 12.00 |
| 5-66203 К | Шариковый радиально-упорный однорядный подшипник. «Замок» (скос) на внутреннем кольце плюс массивный сепаратор из текстолита. | 17.00 | 40.00 | 12.00 |
| 5-80203 С9 | Шариковый радиальный однорядный подшипник. Смазка ЛЗ-31. | 17.00 | 40.00 | 12.00 |
| 50203-А | Шариковый радиальный однорядный подшипник. Повышенная грузоподъемность. | 17.00 | 40.00 | 12.00 |
| 55-32203 Б1 | Роликовый радиальный однорядный подшипник. Сепаратор из безоловянистой бронзы.. | 17.00 | 40.00 | 12.00 |
| 55-32203 Б2 | Роликовый радиальный однорядный подшипник. Сепаратор из безоловянистой бронзы.. | 17.00 | 40.00 | 12.00 |
| 55-32203 Б3 | Роликовый радиальный однорядный подшипник. Сепаратор из безоловянистой бронзы.. | 17.00 | 40.00 | 12.00 |
| 550703-М | Шариковый радиальный однорядный подшипник. Модифицированный контакт.. | 17.00 | 40.00 | 13.00 |
| 6-180203 А1С17 | Шариковый радиальный однорядный подшипник. Смазка Литол-24. Повышенная грузоподъемность. | 17.00 | 40.00 | 12.00 |
| 6-180203 А1С17Ш | Шариковый радиальный однорядный подшипник. Смазка Литол-24. Повышенная грузоподъемность. Нормы шумности. | 17.00 | 40.00 | 12.00 |
| 6-180203 А1С9 | Шариковый радиальный однорядный подшипник. Повышенная грузоподъемность. Смазка ЛЗ-31. | 17.00 | 40.00 | 12.00 |
| 6-180203 АК1С9 | Шариковый радиальный однорядный подшипник. Повышенная грузоподъемность. Смазка ЛЗ-31. | 17.00 | 40.00 | 12.00 |
| 6-180203 АС17 | Шариковый радиальный однорядный подшипник. Смазка Литол-24. Повышенная грузоподъемность. | 17.00 | 40.00 | 12.00 |
| 6-180203 АС9 | Шариковый радиальный однорядный подшипник. Повышенная грузоподъемность. Смазка ЛЗ-31. | 17.00 | 40.00 | 12.00 |
| 6-180203 К1С17 | Шариковый радиальный однорядный подшипник. Смазка Литол-24. | 17.00 | 40.00 | 12.00 |
Способы доставки
Отправка через ведущие транспортные и курьерские компании: ПЭК, Деловые Линии, СДЭК, Байкал-Сервис, Энергия, КИТ, ЖелДорЭкспедиция.
Самовывоз возможен напрямую со склада в Москве.
Сроки доставки
Срок зависит от региона и выбранной транспортной компании. Все заказы комплектуются и отправляются в кратчайшие сроки со склада в Москве.
Надёжность и сохранность
Вся продукция упаковывается с учётом требований транспортировки. Мы гарантируем, что подшипники и комплектующие прибудут к заказчику в полной сохранности.
Доставка в страны ЕАЭС
Мы работаем с проверенными логистическими партнёрами, что позволяет оперативно доставлять заказы в Беларусь, Казахстан, Армению и другие страны ЕАЭС.
Варианты оплаты:
Минимальная сумма заказа и скидки:
Документы и гарантии:
Да, конечно! Наши технические специалисты готовы помочь вам с подбором точного аналога или замены подшипника. Просто позвоните нам по телефону +7 (495) 104-99-04 или напишите на почту zakaz@podsnab.ru.
Для оперативной консультации подготовьте, пожалуйста, имеющиеся данные: маркировку, размеры, тип оборудования или артикул старого подшипника.
Да, конечно! Мы высоко ценим долгосрочное сотрудничество и доверие клиентов по всей России. Для постоянных клиентов действует персональная система скидок.
Условия формируются индивидуально и зависят от:
Чтобы узнать свои условия и получить максимально выгодное предложение, свяжитесь с персональным менеджером или напишите нам на почту zakaz@podsnab.ru.
Вы можете оформить заказ несколькими способами:
Для оформления заказа от юридического лица свяжитесь с нашим отделом по работе с корпоративными клиентами по телефону +7 (495) 104-99-04 или напишите на email zakaz@podsnab.ru, прикрепив реквизиты вашей организации.
Мы оперативно подготовим коммерческое предложение и выставим счет.
Возврат товара надлежащего качества возможен в течение 10 дней с момента получения, если товар не был в употреблении, сохранен товарный вид, упаковка не вскрывалась и присутствуют все сопроводительные документы.
Возврат денежных средств осуществляется в течение 10 рабочих дней после проверки товара складом.
В соответствии с законодательством возврату не подлежат подшипники надлежащего качества, если отсутствует оригинальная упаковка или имеются следы монтажа.
В случае выявления брака или гарантийного случая мы гарантируем возврат или обмен товара.
Да, гарантийный срок хранения устанавливается заводом-изготовителем и в среднем составляет 2 года при соблюдении условий хранения: сухое помещение, оригинальная упаковка и смазка.
Точный срок для конкретного типа подшипника уточняйте у наших менеджеров.
Пн–Пт: с 8:00 до 17:00 (МСК).
Сб–Вс: выходные дни.
Заказы на сайте принимаются круглосуточно. Заявки, поступившие после окончания рабочего дня, обрабатываются на следующий рабочий день.
Минимальная сумма заказа для доставки составляет 3000 рублей. Самовывоз со склада возможен на любую сумму при наличии товара.
ООО «УралТехГрупп»
ИНН: 7415093830
КПП: 772401001
ОГРН: 1167456069021
Банк: ПАО Сбербанк
Р/с: 40702810838000475273
К/с: 30101810400000000225
БИК: 044525225
У подшипника 7203 ACD/HCP4A пока нет отзывов. Вы можете стать первым покупателем, поделившимся своим мнением.