Поиск подшипника
Статьи
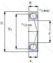
7208 ACD/HCP4A — Шариковый радиально-упорный подшипник, модификация основного исполнения 7208, производство SKF.
Размер подшипника: 40x80x18 мм.
Однорядный с улучшенной конструкцией и углом контакта 25°, измененная или модифицированная внутренняя конструкция при неизменных основных размерах.
Международная стандартизации ISO
7208ACDHCP4A
В наличии
| Обозначение | Конструктивные изменения |
|---|---|
| 7208 C-UX | 15° Угол контакта. Универсальный монтаж, сверхлегкая предварительная нагрузка.. |
| 7208 C-UO | 15° Угол контакта. Универсальный монтаж. Для установки по O- и X- образной схеме - беззазорные.. |
| 7208BDT | Угол контакта 40°. Механически обработанный сепаратор из текстолита. |
| 7208CDF | Механически обработанный сепаратор из стали или специального чугуна. Однорядный радиально-упорный шарикоподшипник улучшенной конструкции с углом контакта 15°. |
| 7208CDB | Однорядный радиально-упорный шарикоподшипник улучшенной конструкции с углом контакта 15°. |
| 7208BDF | Угол контакта 40°. Механически обработанный сепаратор из стали или специального чугуна. |
| 7208CDT | Механически обработанный сепаратор из текстолита. Однорядный радиально-упорный шарикоподшипник улучшенной конструкции с углом контакта 15°. |
| 7208DF | Комплект из двух подшипников. согласованных для установки по Х-образной схеме. Число. следующее непосредственно после букв DF. обозначает конструкцию промежуточного кольца. |
| 7208DT | Дуплексные подшипники для установки в тандеме. |
| 7208 ADT | Механически обработанный сепаратор из текстолита. |
| 7208 ADF | Механически обработанный сепаратор из стали или специального чугуна. |
| 7208 ADB | Modified Snap Ring Grooves In The Outer Ring_ Two-Piece Inner Ring Held Together By A Retaining Ring. |
| 5S-7208UCG/GNP42 | Угол контакта 15°. Универсальный подшипник. Класс точности JIS4 для размеров и JIS 2 для точности вращения. Гибридный подшипник. |
| 7208UCG/GNP42 | Угол контакта 15°. Универсальный подшипник. Класс точности JIS4 для размеров и JIS 2 для точности вращения. |
| 7208CG/GNP4 | Универсальный подшипник. Класс точности JIS4 / ISO 4. Резьбовой винт со стопором и защелкой. |
| 7208CGD2/GLP4 | Угол контакта 15°. Универсальный подшипник. Класс точности JIS4 / ISO 4. |
| 7208CG/GNP42 | Универсальный подшипник. Резьбовой винт со стопором и защелкой. Класс точности JIS4 для размеров и JIS 2 для точности вращения. |
| 7208B-2RS | Резиновые уплотнения с каждой стороны подшипника. Конический роликовый подшипник. Угол контакта 20 градусов. |
| 7208AC | Суффикс для радиально-упорного шарикоподшипника. |
| 7208C | Угол контакта 15°. |
| 7208CPA | Угол контакта 15 градусов. |
| 7208-BE-MP | Single Row Angular Contact Ball Bearing With A 40° Угол контакта And Optimized Internal Design. Массивный латунный сепаратор. центрированный по телам качения. |
| 7208-BECB-MP | Массивный латунный сепаратор. центрированный по телам качения. |
| 7208BEA | 40° Угол контакта. High Capacity. All Four Corners Equal. |
| 3NC 7208 FT | REINFORCED PHENOLIC CAGE. |
Модификации шарикового подшипника 7208 ACD/HCP4A — это измененное основное конструктивное исполнение 7208, основные размеры (40x80x18) не отличаются.
| Обозначение | Гост | Конструктивные особенности |
|---|---|---|
| QJ 208 PHAS | ISO | Glass Fibre Reinforced PEEK Cage. With Lubrication Grooves In The Guiding Surface. Outer Ring Centered. Шариковый подшипник с четырехточечным контактом. |
| S7208 CD/HCP4A | ISO | Измененная или модифицированная внутренняя конструкция при неизменных основных размерах. Двухкомпонентный штампованный стальной сепаратор с направляющим кольцом. |
| S7208 ACD/P4A | ISO | Точность размеров в соответствии с классом допуска ISO 4. точность вращения лучше чем класс допуска ISO 4. Однорядный с улучшенной конструкцией и углом контакта 25°. |
| S7208 CD/P4A | ISO | Двухкомпонентный штампованный стальной сепаратор с направляющим кольцом. Точность размеров в соответствии с классом допуска ISO 4. точность вращения лучше чем класс допуска ISO 4. |
| B7208-C-2RSD-T-P4S | ISO | 15° Угол контакта. Textile Laminated Phenolic Resin. Outer Ring Guided. The Cage Is Suitable For Long-Term Operation At Temperatures Up To 100°C. Класс точности. стандарт FAG лучше чем P4. Lip Seals On Both Sides. Non-Contact. |
| B7208-E-2RSD-T-P4S | ISO | Повышенная грузоподъемность. Textile Laminated Phenolic Resin. Outer Ring Guided. The Cage Is Suitable For Long-Term Operation At Temperatures Up To 100°C. Класс точности. стандарт FAG лучше чем P4. Lip Seals On Both Sides. Non-Contact. |
| B7208-E-T-P4S | ISO | Повышенная грузоподъемность. Textile Laminated Phenolic Resin. Outer Ring Guided. The Cage Is Suitable For Long-Term Operation At Temperatures Up To 100°C. Класс точности. стандарт FAG лучше чем P4. |
| HCB7208-C-2RSD-T-P4S | ISO | 15° Угол контакта. Textile Laminated Phenolic Resin. Outer Ring Guided. The Cage Is Suitable For Long-Term Operation At Temperatures Up To 100°C. Класс точности. стандарт FAG лучше чем P4. Lip Seals On Both Sides. Non-Contact. |
| HCB7208-E-2RSD-T-P4S | ISO | Повышенная грузоподъемность. Textile Laminated Phenolic Resin. Outer Ring Guided. The Cage Is Suitable For Long-Term Operation At Temperatures Up To 100°C. Класс точности. стандарт FAG лучше чем P4. Lip Seals On Both Sides. Non-Contact. |
| HCB7208-C-T-P4S | ISO | 15° Угол контакта. Textile Laminated Phenolic Resin. Outer Ring Guided. The Cage Is Suitable For Long-Term Operation At Temperatures Up To 100°C. Класс точности. стандарт FAG лучше чем P4. |
Аналог шарикового подшипника 7208 ACD/HCP4A — это подшипник такого же размера dx40,Dx80,Bx18, типа и конструкции.
| Обозначение | Конструктивные особенности | Внутренний (d) | Наружный (D) | Ширина (B) |
|---|---|---|---|---|
| 50208-У1 | Шариковый радиальный однорядный подшипник. Дополнительные технические требования. | 40.00 | 80.00 | 18.00 |
| 50208E5 | Шариковый радиальный однорядный подшипник. Смазочные отверстия и канавки во внутреннем кольце. | 40.00 | 80.00 | 18.00 |
| 55-32208 Б2Т2 | Роликовый радиальный однорядный подшипник. 200°. Температура отпуска. Сепаратор из безоловянистой бронзы.. | 40.00 | 80.00 | 18.00 |
| 55-32208 БТ2 | Роликовый радиальный однорядный подшипник. 200°. Температура отпуска. Сепаратор из безоловянистой бронзы.. | 40.00 | 80.00 | 18.00 |
| 55-32208 Р3 | Роликовый радиальный однорядный подшипник. Детали из теплоустойчивой (быстрорежущие) стали.. | 40.00 | 80.00 | 18.00 |
| 55-32208 Р5 | Роликовый радиальный однорядный подшипник. Детали из теплоустойчивой (быстрорежущие) стали.. | 40.00 | 80.00 | 18.00 |
| 6-102208 М | Роликовый радиальный однорядный подшипник. Модифицированный контакт.. | 40.00 | 80.00 | 18.00 |
| 6-12208 КМ | Роликовый радиальный однорядный подшипник. Модифицированный контакт.. | 40.00 | 80.00 | 18.00 |
| 6-12208 Л1 | Роликовый радиальный однорядный подшипник. Сепаратор из латуни.. | 40.00 | 80.00 | 18.00 |
| 6-136208 Р | Шариковый радиально-упорный однорядный подшипник. Детали из теплоустойчивой (быстрорежущие) стали.. | 40.00 | 80.00 | 18.00 |
| 6-150208 А | Шариковый радиальный однорядный подшипник. Повышенная грузоподъемность. | 40.00 | 80.00 | 18.00 |
| 6-150208 Е5 | Шариковый радиальный однорядный подшипник. Сепаратор из текстолита.. | 40.00 | 80.00 | 18.00 |
| 6-150208 У1 | Шариковый радиальный однорядный подшипник. Дополнительные технические требования. | 40.00 | 80.00 | 18.00 |
| 6-180208 С17 | Шариковый радиальный однорядный подшипник. Смазка Литол-24. | 40.00 | 80.00 | 18.00 |
| 6-180208 С9 | Шариковый радиальный однорядный подшипник. Смазка ЛЗ-31. | 40.00 | 80.00 | 18.00 |
Способы доставки
Отправка через ведущие транспортные и курьерские компании: ПЭК, Деловые Линии, СДЭК, Байкал-Сервис, Энергия, КИТ, ЖелДорЭкспедиция.
Самовывоз возможен напрямую со склада в Москве.
Сроки доставки
Срок зависит от региона и выбранной транспортной компании. Все заказы комплектуются и отправляются в кратчайшие сроки со склада в Москве.
Надёжность и сохранность
Вся продукция упаковывается с учётом требований транспортировки. Мы гарантируем, что подшипники и комплектующие прибудут к заказчику в полной сохранности.
Доставка в страны ЕАЭС
Мы работаем с проверенными логистическими партнёрами, что позволяет оперативно доставлять заказы в Беларусь, Казахстан, Армению и другие страны ЕАЭС.
Варианты оплаты:
Минимальная сумма заказа и скидки:
Документы и гарантии:
Да, конечно! Наши технические специалисты готовы помочь вам с подбором точного аналога или замены подшипника. Просто позвоните нам по телефону +7 (495) 104-99-04 или напишите на почту zakaz@podsnab.ru.
Для оперативной консультации подготовьте, пожалуйста, имеющиеся данные: маркировку, размеры, тип оборудования или артикул старого подшипника.
Да, конечно! Мы высоко ценим долгосрочное сотрудничество и доверие клиентов по всей России. Для постоянных клиентов действует персональная система скидок.
Условия формируются индивидуально и зависят от:
Чтобы узнать свои условия и получить максимально выгодное предложение, свяжитесь с персональным менеджером или напишите нам на почту zakaz@podsnab.ru.
Вы можете оформить заказ несколькими способами:
Для оформления заказа от юридического лица свяжитесь с нашим отделом по работе с корпоративными клиентами по телефону +7 (495) 104-99-04 или напишите на email zakaz@podsnab.ru, прикрепив реквизиты вашей организации.
Мы оперативно подготовим коммерческое предложение и выставим счет.
Возврат товара надлежащего качества возможен в течение 10 дней с момента получения, если товар не был в употреблении, сохранен товарный вид, упаковка не вскрывалась и присутствуют все сопроводительные документы.
Возврат денежных средств осуществляется в течение 10 рабочих дней после проверки товара складом.
В соответствии с законодательством возврату не подлежат подшипники надлежащего качества, если отсутствует оригинальная упаковка или имеются следы монтажа.
В случае выявления брака или гарантийного случая мы гарантируем возврат или обмен товара.
Да, гарантийный срок хранения устанавливается заводом-изготовителем и в среднем составляет 2 года при соблюдении условий хранения: сухое помещение, оригинальная упаковка и смазка.
Точный срок для конкретного типа подшипника уточняйте у наших менеджеров.
Пн–Пт: с 8:00 до 17:00 (МСК).
Сб–Вс: выходные дни.
Заказы на сайте принимаются круглосуточно. Заявки, поступившие после окончания рабочего дня, обрабатываются на следующий рабочий день.
Минимальная сумма заказа для доставки составляет 3000 рублей. Самовывоз со склада возможен на любую сумму при наличии товара.
ООО «УралТехГрупп»
ИНН: 7415093830
КПП: 772401001
ОГРН: 1167456069021
Банк: ПАО Сбербанк
Р/с: 40702810838000475273
К/с: 30101810400000000225
БИК: 044525225
У подшипника 7208 ACD/HCP4A пока нет отзывов. Вы можете стать первым покупателем, поделившимся своим мнением.