Поиск подшипника
Статьи
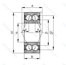
3004-B-2Z-TVH — Шариковый радиально-упорный подшипник, модификация основного исполнения 3004, производство FAG.
Размер подшипника: 20x42x16 мм.
Твердая клетка из полиамида, защитные металлические шайбы с обеих сторон подшипника, модифицированная внутренняя конструкция.
Международная стандартизации ISO
3004B2ZTVH
В наличии
| Обозначение | Конструктивные изменения |
|---|---|
| 3004-2RS-L091/20 | Резиновые уплотнения с каждой стороны подшипника. 20% Fill. Optimized Grease For All Purposes. Temperature Range Approximately -50°C / +120°C - Description/ Isoflex® LDS 18 Special A)-Is A Dynamically Light Long-Term Grease For Plain And Rolling Bearings. It Consists Of Ester Oil. Mineral Oil And Lithium Soap. The Product Is Resistant To Ageing. Oxidation And Water. And It Protects Reliably Against Corrosion. Application/ Isoflex® LDS 18 Special A Is Suitable For Plain And Rolling Bearings Operating At Low Temperatures And/Or High Speeds. For Example In Grinding Spindles. Machine Tool Spindles. Spindle Bearings. Textile Spindles. Bearings In Oe-Spinning Turbines. Bearings In Precision And Optical Equipment. |
| 3004 | Шариковый радиально-упорный подшипник. Основное конструктивное исполнение. |
| 3004-2RS-C3 | Внутренний зазор больше нормального. Резиновые уплотнения с каждой стороны подшипника. |
| 3004-C3 | Внутренний зазор больше нормального. |
| 3004-2Z | Защитные металлические шайбы с обеих сторон подшипника. |
| 3004 2RS | Контактные уплотнения типа RS с обеих сторон игольчатого роликоподшипника. |
| 3004-B-TVH | Модификация внутренней конструкции. Литой полиамидный сепаратор (PA66). защелкивающийся. |
| 3004B 2RS TNG C3 | Внутренний зазор больше нормального. Резиновые уплотнения с каждой стороны подшипника. Конический роликовый подшипник. Угол контакта 20 градусов. Прочный сепаратор из полиамида. армированного стекловолокном. |
| 3004B 2RS TNG | Резиновые уплотнения с каждой стороны подшипника. Конический роликовый подшипник. Угол контакта 20 градусов. Прочный сепаратор из полиамида. армированного стекловолокном. |
| 3004ZZ | Защитные металлические шайбы с обеих сторон. |
| 3004-B-2RSR-TVH | Модифицированная внутренняя конструкция. Твердая клетка из полиамида. Резиновые уплотнения с каждой стороны подшипника. |
Модификации шарикового подшипника 3004-B-2Z-TVH — это измененное основное конструктивное исполнение 3004, основные размеры (20x42x16) не отличаются.
| Обозначение | Конструктивные особенности | Внутренний (d) | Наружный (D) | Ширина (B) |
|---|---|---|---|---|
| 63004EE | Подшипник однорядный шариковый радиальный. Резиновые уплотнения с каждой стороны подшипника. | 20.00 | 42.00 | 16.00 |
| 32004-X-H | Однорядный конический роликовый подшипник. Pressed Snap-Type Steel Cage. Hardened. External Dimensions Matched To International Standards.. H =. | 20.00 | 42.00 | 15.00 |
| 4T-32004XP5 | Однорядный конический роликовый подшипник. Размерная и рабочая точность соответствует классу допуска ISO 5. Размеры границ изменены в соответствии со стандартами ISO. | 20.00 | 42.00 | 15.00 |
| U004+ER | Подшипник для корпуса. Эксцентриковое кольцо. | 20.00 | 42.00 | 16.50 |
| 10R32004VC12UA | однорядный конический роликовый подшипник. Конический роликовый подшипник. Модификация внутренней конструкции. Design Change Indices. | 20.00 | 42.00 | 15.00 |
| 2007104A | Роликовый радиальный-упорный однорядный подшипник. Двухрядный радиально-упорный шарикоподшипник без отверстия для смазки. | 20.00 | 42.00 | 15.00 |
| E32004J | Роликовый радиальный-упорный однорядный подшипник. Дорожки качения наружного кольца. угол контакта и ширина наружного кольца в соответствии с ISO. | 20.00 | 42.00 | 15.00 |
| X32004X/YAA32004X | Роликовый радиальный-упорный однорядный подшипник. Измененные размеры границ. введенные пересмотренными стандартами ISO. | 20.00 | 42.00 | 15.00 |
| X32004X/Y32004X | Роликовый радиальный-упорный однорядный подшипник. Измененные размеры границ. введенные пересмотренными стандартами ISO. | 20.00 | 42.00 | 15.00 |
| XAA32004X/YAA32004X | Роликовый радиальный-упорный однорядный подшипник. Измененные размеры границ. введенные пересмотренными стандартами ISO. | 20.00 | 42.00 | 15.00 |
| XAA32004X/Y32004X | Роликовый радиальный-упорный однорядный подшипник. Измененные размеры границ. введенные пересмотренными стандартами ISO. | 20.00 | 42.00 | 15.00 |
| MU004+ER | Шариковый радиальный однорядный подшипник. Эксцентриковое кольцо. | 20.00 | 42.00 | 16.50 |
| 5-2007104 А | Роликовый радиальный-упорный однорядный подшипник. Повышенная грузоподъемность. | 20.00 | 42.00 | 15.00 |
| 5-502704 Р | Роликовый радиальный однорядный подшипник. Детали из теплоустойчивой (быстрорежущие) стали.. | 20.00 | 42.00 | 16.00 |
| 6-2007104 А | Роликовый радиальный-упорный однорядный подшипник. Повышенная грузоподъемность. | 20.00 | 42.00 | 15.00 |
Способы доставки
Отправка через ведущие транспортные и курьерские компании: ПЭК, Деловые Линии, СДЭК, Байкал-Сервис, Энергия, КИТ, ЖелДорЭкспедиция.
Самовывоз возможен напрямую со склада в Москве.
Сроки доставки
Срок зависит от региона и выбранной транспортной компании. Все заказы комплектуются и отправляются в кратчайшие сроки со склада в Москве.
Надёжность и сохранность
Вся продукция упаковывается с учётом требований транспортировки. Мы гарантируем, что подшипники и комплектующие прибудут к заказчику в полной сохранности.
Доставка в страны ЕАЭС
Мы работаем с проверенными логистическими партнёрами, что позволяет оперативно доставлять заказы в Беларусь, Казахстан, Армению и другие страны ЕАЭС.
Варианты оплаты:
Минимальная сумма заказа и скидки:
Документы и гарантии:
Да, конечно! Наши технические специалисты готовы помочь вам с подбором точного аналога или замены подшипника. Просто позвоните нам по телефону +7 (495) 104-99-04 или напишите на почту zakaz@podsnab.ru.
Для оперативной консультации подготовьте, пожалуйста, имеющиеся данные: маркировку, размеры, тип оборудования или артикул старого подшипника.
Да, конечно! Мы высоко ценим долгосрочное сотрудничество и доверие клиентов по всей России. Для постоянных клиентов действует персональная система скидок.
Условия формируются индивидуально и зависят от:
Чтобы узнать свои условия и получить максимально выгодное предложение, свяжитесь с персональным менеджером или напишите нам на почту zakaz@podsnab.ru.
Вы можете оформить заказ несколькими способами:
Для оформления заказа от юридического лица свяжитесь с нашим отделом по работе с корпоративными клиентами по телефону +7 (495) 104-99-04 или напишите на email zakaz@podsnab.ru, прикрепив реквизиты вашей организации.
Мы оперативно подготовим коммерческое предложение и выставим счет.
Возврат товара надлежащего качества возможен в течение 10 дней с момента получения, если товар не был в употреблении, сохранен товарный вид, упаковка не вскрывалась и присутствуют все сопроводительные документы.
Возврат денежных средств осуществляется в течение 10 рабочих дней после проверки товара складом.
В соответствии с законодательством возврату не подлежат подшипники надлежащего качества, если отсутствует оригинальная упаковка или имеются следы монтажа.
В случае выявления брака или гарантийного случая мы гарантируем возврат или обмен товара.
Да, гарантийный срок хранения устанавливается заводом-изготовителем и в среднем составляет 2 года при соблюдении условий хранения: сухое помещение, оригинальная упаковка и смазка.
Точный срок для конкретного типа подшипника уточняйте у наших менеджеров.
Пн–Пт: с 8:00 до 17:00 (МСК).
Сб–Вс: выходные дни.
Заказы на сайте принимаются круглосуточно. Заявки, поступившие после окончания рабочего дня, обрабатываются на следующий рабочий день.
Минимальная сумма заказа для доставки составляет 3000 рублей. Самовывоз со склада возможен на любую сумму при наличии товара.
ООО «УралТехГрупп»
ИНН: 7415093830
КПП: 772401001
ОГРН: 1167456069021
Банк: ПАО Сбербанк
Р/с: 40702810838000475273
К/с: 30101810400000000225
БИК: 044525225
У подшипника 3004-B-2Z-TVH пока нет отзывов. Вы можете стать первым покупателем, поделившимся своим мнением.