Поиск подшипника
Статьи
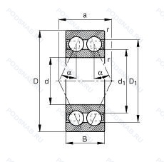
3002-B-TVH — Шариковый радиально-упорный подшипник, модификация основного исполнения 3002, производство FAG.
Размер подшипника: 15x32x13 мм.
Твердая клетка из полиамида, модифицированная внутренняя конструкция.
Международная стандартизации ISO
3002BTVH
В наличии
| Обозначение | Конструктивные изменения |
|---|---|
| 3002-2RS | Резиновые уплотнения с каждой стороны подшипника. |
| 3002ZZ | Защитные металлические шайбы с обеих сторон. |
| 3002-2Z | Защитные металлические шайбы с обеих сторон подшипника. |
| 3002-2RS-C3 | Внутренний зазор больше нормального. Резиновые уплотнения с каждой стороны подшипника. |
| 3002-2RS-AH01 | Резиновые уплотнения с каждой стороны подшипника. Размеры могут отличаться от базового номера детали. Внутренний зазор равен C3 (больше обычного) и защищен от коррозии специальным покрытием Corrotect®. |
| 3002-2Z-C3 | Внутренний зазор больше нормального. Защитные металлические шайбы с обеих сторон подшипника. |
| 3002B 2RS | Резиновые уплотнения с каждой стороны подшипника. Конический роликовый подшипник. Угол контакта 20 градусов. |
| 3002-B-ZZ-GL | Конический роликовый подшипник. Угол контакта 20 градусов. Защитные металлические шайбы с обеих сторон. Консистентная смазка. |
| 3002B-2ZRTNG/A72N | 25° Угол контакта. Metal Shields At Each Side Of The Bearing. Прочный сепаратор из полиамида. армированного стекловолокном. |
| 3002-B-2RS-TVH | Резиновые уплотнения с каждой стороны подшипника. Модификация внутренней конструкции. Формованный полиамидный сепаратор защелкивающегося типа. |
| 3002 2RS T9H | Манжетное уплотнение с обеих сторон подшипника. Glass-Fibre Reinforced (25%) Thermoplastic Polyamide PA 6.6. 1-Piece. Operating Temperature 120°C. |
| 3002B-2ZRTNG | Конический роликовый подшипник. Угол контакта 20 градусов. Metal Shields At Each Side Of The Bearing. Прочный сепаратор из полиамида. армированного стекловолокном. |
| 3002-B-2Z-TVH | Модифицированная внутренняя конструкция. Защитные металлические шайбы с обеих сторон подшипника. Твердая клетка из полиамида. |
| 3002-B-2RSR-TVH | Модифицированная внутренняя конструкция. Твердая клетка из полиамида. Резиновые уплотнения с каждой стороны подшипника. |
Модификации шарикового подшипника 3002-B-TVH — это измененное основное конструктивное исполнение 3002, основные размеры (15x32x13) не отличаются.
| Обозначение | Конструктивные особенности | Внутренний (d) | Наружный (D) | Ширина (B) |
|---|---|---|---|---|
| 63002-2RSR-HLM | Подшипник однорядный шариковый радиальный. Резиновые уплотнения с каждой стороны подшипника. Код местонахождения завода. может использоваться в стандартной комплектации. | 15.00 | 32.00 | 13.00 |
| GCR32EEM | Кулачковый ролик толкатель. Металлические уплотнения с двух сторон подшипника. | 15.00 | 32.00 | 14.00 |
| RNA2201-X-2RSR | Опорный ролик. Rubber Seals At Each Side Of The Bearing. Temperature Range -30℃/+120℃. Цилиндрическая рабочая поверхность. | 16.00 | 32.00 | 13.80 |
| 63002-2RS1/C3 | Подшипник однорядный шариковый радиальный. Внутренний зазор больше нормального. Усиленные листовой сталью контактные уплотнения из акрилонитрил-бутадиенового каучука (NBR) с обеих сторон подшипника. | 15.00 | 32.00 | 13.00 |
| KRVE32PP SK | Кулачковый ролик толкатель. Кулачковый толкатель штифтового типа. С шестигранной головкой. Манжетные уплотнения с обеих сторон (тип P - две шайбы из оцинкованной листовой стали с промежуточной частью NBR. Кромка уплотнения предварительно нагружена в осевом направлении). Диапазон температур -30℃/+100℃. | 15.00 | 32.00 | 14.00 |
| NK15/12-TV-XL | Роликовый игольчатый подшипник. Серия X-Life премиум-класс. увеличиный срок службы. Сепаратор из полиамида. | 15.00 | 32.00 | 12.00 |
| KRE32-NMT | Кулачковый ролик толкатель. Шестигранная гайка. | 15.00 | 32.00 | 14.00 |
| NAO15X32X12-IS1 | Роликовый игольчатый подшипник. Одно смазочное отверстие во внутреннем кольце. | 15.00 | 32.00 | 12.00 |
| 8-202 А | Шариковый упорный однорядный подшипник. Повышенная грузоподъемность. | 15.00 | 32.00 | 12.00 |
| 8202-К | Шариковый упорный однорядный подшипник. «Замок» (скос) на внутреннем кольце плюс массивный сепаратор из текстолита. | 15.00 | 32.00 | 12.00 |
| 8202Н | Шариковый упорный однорядный подшипник. Детали из теплостойкой стали. | 15.00 | 32.00 | 12.00 |
| U002+ER | Шариковый радиальный однорядный подшипник. Эксцентриковое кольцо. | 15.00 | 32.00 | 12.00 |
| 51202 V/HR22Q2 | Шариковый упорный однорядный подшипник. Подшипник без сепаратора. С полным комплектом тел качения. | 15.00 | 32.00 | 12.00 |
| 51202 V/HR22T2 | Шариковый упорный однорядный подшипник. Подшипник без сепаратора. С полным комплектом тел качения. | 15.00 | 32.00 | 12.00 |
| 51202 V/HR11Q1 | Шариковый упорный однорядный подшипник. Подшипник без сепаратора. С полным комплектом тел качения. | 15.00 | 32.00 | 12.00 |
Способы доставки
Отправка через ведущие транспортные и курьерские компании: ПЭК, Деловые Линии, СДЭК, Байкал-Сервис, Энергия, КИТ, ЖелДорЭкспедиция.
Самовывоз возможен напрямую со склада в Москве.
Сроки доставки
Срок зависит от региона и выбранной транспортной компании. Все заказы комплектуются и отправляются в кратчайшие сроки со склада в Москве.
Надёжность и сохранность
Вся продукция упаковывается с учётом требований транспортировки. Мы гарантируем, что подшипники и комплектующие прибудут к заказчику в полной сохранности.
Доставка в страны ЕАЭС
Мы работаем с проверенными логистическими партнёрами, что позволяет оперативно доставлять заказы в Беларусь, Казахстан, Армению и другие страны ЕАЭС.
Варианты оплаты:
Минимальная сумма заказа и скидки:
Документы и гарантии:
Да, конечно! Наши технические специалисты готовы помочь вам с подбором точного аналога или замены подшипника. Просто позвоните нам по телефону +7 (495) 104-99-04 или напишите на почту zakaz@podsnab.ru.
Для оперативной консультации подготовьте, пожалуйста, имеющиеся данные: маркировку, размеры, тип оборудования или артикул старого подшипника.
Да, конечно! Мы высоко ценим долгосрочное сотрудничество и доверие клиентов по всей России. Для постоянных клиентов действует персональная система скидок.
Условия формируются индивидуально и зависят от:
Чтобы узнать свои условия и получить максимально выгодное предложение, свяжитесь с персональным менеджером или напишите нам на почту zakaz@podsnab.ru.
Вы можете оформить заказ несколькими способами:
Для оформления заказа от юридического лица свяжитесь с нашим отделом по работе с корпоративными клиентами по телефону +7 (495) 104-99-04 или напишите на email zakaz@podsnab.ru, прикрепив реквизиты вашей организации.
Мы оперативно подготовим коммерческое предложение и выставим счет.
Возврат товара надлежащего качества возможен в течение 10 дней с момента получения, если товар не был в употреблении, сохранен товарный вид, упаковка не вскрывалась и присутствуют все сопроводительные документы.
Возврат денежных средств осуществляется в течение 10 рабочих дней после проверки товара складом.
В соответствии с законодательством возврату не подлежат подшипники надлежащего качества, если отсутствует оригинальная упаковка или имеются следы монтажа.
В случае выявления брака или гарантийного случая мы гарантируем возврат или обмен товара.
Да, гарантийный срок хранения устанавливается заводом-изготовителем и в среднем составляет 2 года при соблюдении условий хранения: сухое помещение, оригинальная упаковка и смазка.
Точный срок для конкретного типа подшипника уточняйте у наших менеджеров.
Пн–Пт: с 8:00 до 17:00 (МСК).
Сб–Вс: выходные дни.
Заказы на сайте принимаются круглосуточно. Заявки, поступившие после окончания рабочего дня, обрабатываются на следующий рабочий день.
Минимальная сумма заказа для доставки составляет 3000 рублей. Самовывоз со склада возможен на любую сумму при наличии товара.
ООО «УралТехГрупп»
ИНН: 7415093830
КПП: 772401001
ОГРН: 1167456069021
Банк: ПАО Сбербанк
Р/с: 40702810838000475273
К/с: 30101810400000000225
БИК: 044525225
У подшипника 3002-B-TVH пока нет отзывов. Вы можете стать первым покупателем, поделившимся своим мнением.