Поиск подшипника
Статьи
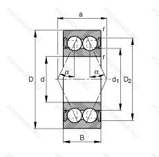
30/6-B-2RSR-TVH — Шариковый радиально-упорный подшипник, модификация основного исполнения 30/6, производство FAG.
Размер подшипника: 6x17x9 мм.
Резиновые уплотнения с каждой стороны подшипника, твердая клетка из полиамида, модифицированная внутренняя конструкция.
Международная стандартизации ISO
306B2RSRTVH
В наличии
| Обозначение | Конструктивные изменения |
|---|---|
| 30/6-B-TVH-HLC | Конический роликовый подшипник. Угол контакта 20 градусов. Формованный полиамидный сепаратор защелкивающегося типа. Код местонахождения завода. может использоваться в стандартной комплектации. |
| 30/6ZZ | Защитные металлические шайбы с обеих сторон. |
| 30/6ZZ HLW | Защитные металлические шайбы с обеих сторон. Код местонахождения завода. может использоваться в стандартной комплектации. |
| 30/6 2Z(C) | 15° Угол контакта. Защитные металлические шайбы с обеих сторон подшипника. |
| 30/6 2RS | Резиновые уплотнения с каждой стороны подшипника. |
| 30/6B 2RS | Резиновые уплотнения с каждой стороны подшипника. Конический роликовый подшипник. Угол контакта 20 градусов. |
| 30/6-B-2Z-TVH-HLC-UNS | Модификация внутренней конструкции. Защитные металлические шайбы с обеих сторон. Формованный полиамидный сепаратор защелкивающегося типа. Без подписи (без обозначения на подшипнике). Код местонахождения завода. может использоваться в стандартной комплектации. |
| 30/6-B-2RSR-TVH-HLC | Модификация внутренней конструкции. Формованный полиамидный сепаратор защелкивающегося типа. Seal At Each Side Of The Bearing. Код местонахождения завода. может использоваться в стандартной комплектации. |
| 30/6-B-2Z-TVH-HLC | Модификация внутренней конструкции. Защитные металлические шайбы с обеих сторон. Формованный полиамидный сепаратор защелкивающегося типа. Код местонахождения завода. может использоваться в стандартной комплектации. |
| 30/6-B-2Z-TVH | Модификация внутренней конструкции. Щиты с обеих сторон подшипника. Формованный полиамидный сепаратор защелкивающегося типа. |
| 30/6-2RSR-HLW | Резиновые уплотнения с каждой стороны подшипника. Код местонахождения завода. может использоваться в стандартной комплектации. |
| 30/6-2Z-HLC | Зазорные уплотнения с обеих сторон подшипника.. Код местонахождения завода. может использоваться в стандартной комплектации. |
| 30/6 2RS HLW | Манжетное уплотнение с обеих сторон подшипника. Код местонахождения завода. может использоваться в стандартной комплектации. |
| 30/6-2Z-HLW | Зазорные уплотнения с обеих сторон подшипника.. Код местонахождения завода. может использоваться в стандартной комплектации. |
| 30/6-2RSR-HLC | Резиновые уплотнения с каждой стороны подшипника. Код местонахождения завода. может использоваться в стандартной комплектации. |
| 30/6 2RU | Non Contact Type Friction Torque = Small High Speed Performance = Good Grease Sealing = Better Than ZZ-Type Dirt Resistance = Better Than ZZ-Type Water Resistance = Better Than ZZ / Inferior To 2RS Operating Temp. -30°C To + 100°C. |
Модификации шарикового подшипника 30/6-B-2RSR-TVH — это измененное основное конструктивное исполнение 30/6, основные размеры (6x17x9) не отличаются.
| Обозначение | Конструктивные особенности | Внутренний (d) | Наружный (D) | Ширина (B) |
|---|---|---|---|---|
| GEBK5S | Шарнирный подшипник. Запечатанная версия кулачкового ролика. Коническое отверстие. Повышенной грузоподъемности. | 5.00 | 16.00 | 8.00 |
| GEBK6S | Шарнирный подшипник. Запечатанная версия кулачкового ролика. Коническое отверстие. Повышенной грузоподъемности. | 6.00 | 18.00 | 9.00 |
| GEG5E | Шарнирный подшипник. Повышенной грузоподъемности. | 5.00 | 16.00 | 9.00 |
| GEG6E | Шарнирный подшипник. Повышенной грузоподъемности. | 6.00 | 16.00 | 9.00 |
| GEG5C | Шарнирный подшипник. 15° Угол контакта. | 5.00 | 16.00 | 9.00 |
| GEG6C | Шарнирный подшипник. 15° Угол контакта. | 6.00 | 16.00 | 9.00 |
| GE 006 HCR | Шарнирный подшипник. Антизадирная пластичная смазка. | 6.00 | 16.00 | 9.00 |
| GE 006 HS | Шарнирный подшипник. Антизадирная пластичная смазка. | 6.00 | 16.00 | 9.00 |
| GE6FO | Шарнирный подшипник. Стальная скользящая контактная поверхность. Более широкое внутреннее кольцо. Антизадирная пластичная смазка. | 6.00 | 16.00 | 9.00 |
| GEBJ6S | Шарнирный подшипник. Запечатанная версия кулачкового ролика. | 6.00 | 16.00 | 9.00 |
| GEFZ6S | Шарнирный подшипник. Запечатанная версия кулачкового ролика. | 6.35 | 16.67 | 8.71 |
| GEFZ6T | Шарнирный подшипник. Textile Laminated Phenolic Resin. Outer Ring Guided. The Cage Is Suitable For Long-Term Operation At Temperatures Up To 100°C. | 6.35 | 16.67 | 8.71 |
| GEFZ6C | Шарнирный подшипник. 15° Угол контакта. | 6.35 | 16.67 | 8.71 |
| MBT6V | Шарнирный подшипник. Подшипник без сепаратора. С полным комплектом тел качения. | 6.00 | 16.50 | 8.50 |
| MBG6CR | Шарнирный подшипник. (TB-Segment) Phenolic (Composition) Fafnir Standard. | 6.00 | 16.50 | 8.50 |
Способы доставки
Отправка через ведущие транспортные и курьерские компании: ПЭК, Деловые Линии, СДЭК, Байкал-Сервис, Энергия, КИТ, ЖелДорЭкспедиция.
Самовывоз возможен напрямую со склада в Москве.
Сроки доставки
Срок зависит от региона и выбранной транспортной компании. Все заказы комплектуются и отправляются в кратчайшие сроки со склада в Москве.
Надёжность и сохранность
Вся продукция упаковывается с учётом требований транспортировки. Мы гарантируем, что подшипники и комплектующие прибудут к заказчику в полной сохранности.
Доставка в страны ЕАЭС
Мы работаем с проверенными логистическими партнёрами, что позволяет оперативно доставлять заказы в Беларусь, Казахстан, Армению и другие страны ЕАЭС.
Варианты оплаты:
Минимальная сумма заказа и скидки:
Документы и гарантии:
Да, конечно! Наши технические специалисты готовы помочь вам с подбором точного аналога или замены подшипника. Просто позвоните нам по телефону +7 (495) 104-99-04 или напишите на почту zakaz@podsnab.ru.
Для оперативной консультации подготовьте, пожалуйста, имеющиеся данные: маркировку, размеры, тип оборудования или артикул старого подшипника.
Да, конечно! Мы высоко ценим долгосрочное сотрудничество и доверие клиентов по всей России. Для постоянных клиентов действует персональная система скидок.
Условия формируются индивидуально и зависят от:
Чтобы узнать свои условия и получить максимально выгодное предложение, свяжитесь с персональным менеджером или напишите нам на почту zakaz@podsnab.ru.
Вы можете оформить заказ несколькими способами:
Для оформления заказа от юридического лица свяжитесь с нашим отделом по работе с корпоративными клиентами по телефону +7 (495) 104-99-04 или напишите на email zakaz@podsnab.ru, прикрепив реквизиты вашей организации.
Мы оперативно подготовим коммерческое предложение и выставим счет.
Возврат товара надлежащего качества возможен в течение 10 дней с момента получения, если товар не был в употреблении, сохранен товарный вид, упаковка не вскрывалась и присутствуют все сопроводительные документы.
Возврат денежных средств осуществляется в течение 10 рабочих дней после проверки товара складом.
В соответствии с законодательством возврату не подлежат подшипники надлежащего качества, если отсутствует оригинальная упаковка или имеются следы монтажа.
В случае выявления брака или гарантийного случая мы гарантируем возврат или обмен товара.
Да, гарантийный срок хранения устанавливается заводом-изготовителем и в среднем составляет 2 года при соблюдении условий хранения: сухое помещение, оригинальная упаковка и смазка.
Точный срок для конкретного типа подшипника уточняйте у наших менеджеров.
Пн–Пт: с 8:00 до 17:00 (МСК).
Сб–Вс: выходные дни.
Заказы на сайте принимаются круглосуточно. Заявки, поступившие после окончания рабочего дня, обрабатываются на следующий рабочий день.
Минимальная сумма заказа для доставки составляет 3000 рублей. Самовывоз со склада возможен на любую сумму при наличии товара.
ООО «УралТехГрупп»
ИНН: 7415093830
КПП: 772401001
ОГРН: 1167456069021
Банк: ПАО Сбербанк
Р/с: 40702810838000475273
К/с: 30101810400000000225
БИК: 044525225
У подшипника 30/6-B-2RSR-TVH пока нет отзывов. Вы можете стать первым покупателем, поделившимся своим мнением.