Поиск подшипника
Статьи
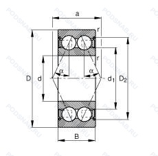
3800-B-2Z-TVH — Шариковый радиально-упорный подшипник, модификация основного исполнения 3800, производство FAG.
Размер подшипника: 10x19x7 мм.
Твердая клетка из полиамида, защитные металлические шайбы с обеих сторон подшипника, модифицированная внутренняя конструкция.
Международная стандартизации ISO
3800B2ZTVH
В наличии
| Обозначение | Конструктивные изменения |
|---|---|
| 3800 2RS | Контактные уплотнения типа RS с обеих сторон игольчатого роликоподшипника. |
| 3800ZZ | Защитные металлические шайбы (бесконтактные уплотнения) с обеих сторон подшипника. |
| 3800-2Z | Защитные металлические шайбы с обеих сторон подшипника. |
| 3800 | Шариковый радиально-упорный подшипник. Основное конструктивное исполнение. |
| 3800B.TVH | Модификация внутренней конструкции. Литой полиамидный сепаратор (PA66). защелкивающийся. |
| 3800 2RS T9H | Манжетное уплотнение с обеих сторон подшипника. Glass-Fibre Reinforced (25%) Thermoplastic Polyamide PA 6.6. 1-Piece. Operating Temperature 120°C. |
| 3800C2 | Внутренний зазор подшипника меньше нормального. |
| 3800-T9H-AF2 | Glass-Fibre Reinforced (25%) Thermoplastic Polyamide PA 6.6. 1-Piece. Operating Temperature 120°C. Lubricant. Shell Oil Co. Aeroshell Fluid 12. Temperature Range -65°C To +250°C Fahrenheit. MIL-L6085A. |
| 3800-B-2RSR-TVH | Модифицированная внутренняя конструкция. Твердая клетка из полиамида. Резиновые уплотнения с каждой стороны подшипника. |
Модификации шарикового подшипника 3800-B-2Z-TVH — это измененное основное конструктивное исполнение 3800, основные размеры (10x19x7) не отличаются.
| Обозначение | Конструктивные особенности | Внутренний (d) | Наружный (D) | Ширина (B) |
|---|---|---|---|---|
| SF699-2Z | Шариковый радиальный однорядный подшипник. Защитные металлические шайбы с обеих сторон подшипника. | 9.00 | 20.00 | 6.00 |
| 62800-2Z | Шариковый радиальный однорядный подшипник. Защитные металлические шайбы с обеих сторон подшипника. | 10.00 | 19.00 | 6.00 |
| F699-2Z | Шариковый радиальный однорядный подшипник. Защитные металлические шайбы с обеих сторон подшипника. | 9.00 | 20.00 | 6.00 |
| 1000099-Л | Шариковый радиальный однорядный подшипник. Сепаратор из латуни.. | 9.00 | 20.00 | 6.00 |
| 1000099-ЮТ | Шариковый радиальный однорядный подшипник. Температура отпуска. 160°. Все детали или часть деталей из нержавеющей стали.. | 9.00 | 20.00 | 6.00 |
| 22-1080099 КШ3УС21 | Шариковый радиальный однорядный подшипник. «Замок» (скос) на внутреннем кольце плюс массивный сепаратор из текстолита. Дополнительные технические требования. Смазка ЭРА. Нормы шумности. | 9.00 | 20.00 | 6.00 |
| 24-1080099 С2 | Шариковый радиальный однорядный подшипник. Смазка ЦИАТИМ-221. | 9.00 | 20.00 | 6.00 |
| 4-1000099 ЮТ | Шариковый радиальный однорядный подшипник. Температура отпуска. 160°. Все детали или часть деталей из нержавеющей стали.. | 9.00 | 20.00 | 6.00 |
| НШЛТ9 Ю1Т | Шарнирный подшипник. Температура отпуска. 160°. Одно или два кольца из нержавеющей стали.. | 9.00 | 20.00 | 6.00 |
| 5-1000099 Л | Шариковый радиальный однорядный подшипник. Сепаратор из латуни.. | 9.00 | 20.00 | 6.00 |
| 5-1000099 ЮТ | Шариковый радиальный однорядный подшипник. Температура отпуска. 160°. Все детали или часть деталей из нержавеющей стали.. | 9.00 | 20.00 | 6.00 |
| 524-1000099-К | Шариковый радиальный однорядный подшипник. «Замок» (скос) на внутреннем кольце плюс массивный сепаратор из текстолита. | 9.00 | 20.00 | 6.00 |
| 6-1000099 Т2 | Шариковый радиальный однорядный подшипник. 200°. Температура отпуска. | 9.00 | 20.00 | 6.00 |
| 6-1000099 ЮТ | Шариковый радиальный однорядный подшипник. Температура отпуска. 160°. Все детали или часть деталей из нержавеющей стали.. | 9.00 | 20.00 | 6.00 |
| 6-1000099 ЮТП | Шариковый радиальный однорядный подшипник. Температура отпуска. 160°. Все детали или часть деталей из нержавеющей стали.. | 9.00 | 20.00 | 6.00 |
Способы доставки
Отправка через ведущие транспортные и курьерские компании: ПЭК, Деловые Линии, СДЭК, Байкал-Сервис, Энергия, КИТ, ЖелДорЭкспедиция.
Самовывоз возможен напрямую со склада в Москве.
Сроки доставки
Срок зависит от региона и выбранной транспортной компании. Все заказы комплектуются и отправляются в кратчайшие сроки со склада в Москве.
Надёжность и сохранность
Вся продукция упаковывается с учётом требований транспортировки. Мы гарантируем, что подшипники и комплектующие прибудут к заказчику в полной сохранности.
Доставка в страны ЕАЭС
Мы работаем с проверенными логистическими партнёрами, что позволяет оперативно доставлять заказы в Беларусь, Казахстан, Армению и другие страны ЕАЭС.
Варианты оплаты:
Минимальная сумма заказа и скидки:
Документы и гарантии:
Да, конечно! Наши технические специалисты готовы помочь вам с подбором точного аналога или замены подшипника. Просто позвоните нам по телефону +7 (495) 104-99-04 или напишите на почту zakaz@podsnab.ru.
Для оперативной консультации подготовьте, пожалуйста, имеющиеся данные: маркировку, размеры, тип оборудования или артикул старого подшипника.
Да, конечно! Мы высоко ценим долгосрочное сотрудничество и доверие клиентов по всей России. Для постоянных клиентов действует персональная система скидок.
Условия формируются индивидуально и зависят от:
Чтобы узнать свои условия и получить максимально выгодное предложение, свяжитесь с персональным менеджером или напишите нам на почту zakaz@podsnab.ru.
Вы можете оформить заказ несколькими способами:
Для оформления заказа от юридического лица свяжитесь с нашим отделом по работе с корпоративными клиентами по телефону +7 (495) 104-99-04 или напишите на email zakaz@podsnab.ru, прикрепив реквизиты вашей организации.
Мы оперативно подготовим коммерческое предложение и выставим счет.
Возврат товара надлежащего качества возможен в течение 10 дней с момента получения, если товар не был в употреблении, сохранен товарный вид, упаковка не вскрывалась и присутствуют все сопроводительные документы.
Возврат денежных средств осуществляется в течение 10 рабочих дней после проверки товара складом.
В соответствии с законодательством возврату не подлежат подшипники надлежащего качества, если отсутствует оригинальная упаковка или имеются следы монтажа.
В случае выявления брака или гарантийного случая мы гарантируем возврат или обмен товара.
Да, гарантийный срок хранения устанавливается заводом-изготовителем и в среднем составляет 2 года при соблюдении условий хранения: сухое помещение, оригинальная упаковка и смазка.
Точный срок для конкретного типа подшипника уточняйте у наших менеджеров.
Пн–Пт: с 8:00 до 17:00 (МСК).
Сб–Вс: выходные дни.
Заказы на сайте принимаются круглосуточно. Заявки, поступившие после окончания рабочего дня, обрабатываются на следующий рабочий день.
Минимальная сумма заказа для доставки составляет 3000 рублей. Самовывоз со склада возможен на любую сумму при наличии товара.
ООО «УралТехГрупп»
ИНН: 7415093830
КПП: 772401001
ОГРН: 1167456069021
Банк: ПАО Сбербанк
Р/с: 40702810838000475273
К/с: 30101810400000000225
БИК: 044525225
У подшипника 3800-B-2Z-TVH пока нет отзывов. Вы можете стать первым покупателем, поделившимся своим мнением.