Поиск подшипника
Статьи
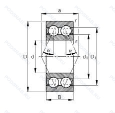
3000-B-TVH — Шариковый радиально-упорный подшипник, модификация основного исполнения 3000, производство FAG.
Размер подшипника: 10x26x12 мм.
Твердая клетка из полиамида, модифицированная внутренняя конструкция.
Международная стандартизации ISO
3000BTVH
В наличии
| Обозначение | Конструктивные изменения |
|---|---|
| 3000-2Z | Защитные металлические шайбы с обеих сторон подшипника. |
| 3000 2RS | Резиновые уплотнения с каждой стороны подшипника. |
| 3000ZZ | Защитные металлические шайбы с обеих сторон. |
| 3000ZZ EMB | Защитные металлические шайбы с обеих сторон. Land-Riding One-Piece Brass Cage. |
| 3000.2RS.TN | Резиновые уплотнения с каждой стороны подшипника. Формованный полиамидный сепаратор оконного типа. Роликовые тела качения. |
| 3000-B-2RSR-TVH | Модифицированная внутренняя конструкция. Твердая клетка из полиамида. Резиновые уплотнения с каждой стороны подшипника. |
| 3000-B-2Z-TVH | Модифицированная внутренняя конструкция. Защитные металлические шайбы с обеих сторон подшипника. Твердая клетка из полиамида. |
Модификации шарикового подшипника 3000-B-TVH — это измененное основное конструктивное исполнение 3000, основные размеры (10x26x12) не отличаются.
| Обозначение | Конструктивные особенности | Внутренний (d) | Наружный (D) | Ширина (B) |
|---|---|---|---|---|
| F6SB | Сферический шарнирный подшипник. Низкоуглеродистая оцинкованная хромированная сталь. спеченная фосфористая бронза - пропитанная маслом.. | 9.53 | 25.40 | 12.70 |
| KR26XCLL | Кулачковый ролик толкатель. Цилиндрический (плоский) профиль наружной рабочей поверхности. Контактное. синтетические. резиновое уплотнение с двух сторон. | 10.00 | 26.00 | 12.00 |
| SC00A11LLH1C3 | Подшипник однорядный шариковый радиальный. Внутренний зазор больше нормального. Манжетное уплотнение с обеих сторон подшипника. | 10.00 | 27.00 | 11.00 |
| KR26FXLLH/3AS | Кулачковый ролик толкатель. Нержавеющая сталь. Цилиндрический (плоский) профиль наружной рабочей поверхности. Манжетное уплотнение с обеих сторон подшипника. Смазка. Shell Oil Co. Смазка Alvania #3, стандартная заливка.. | 10.00 | 26.00 | 12.00 |
| KRV26PPXA NMT | Кулачковый ролик толкатель. Цилиндрическая рабочая поверхность. Манжетные уплотнения с обеих сторон (тип P - две шайбы из оцинкованной листовой стали с промежуточной частью NBR. Кромка уплотнения предварительно нагружена в осевом направлении). Диапазон температур -30℃/+100℃. Шестигранная гайка. | 10.00 | 26.00 | 12.00 |
| KR26X-NMT | Кулачковый ролик толкатель. Цилиндрическая рабочая поверхность. Шестигранная гайка. | 10.00 | 26.00 | 12.00 |
| 8200Н | Шариковый упорный однорядный подшипник. Детали из теплостойкой стали. | 10.00 | 26.00 | 11.00 |
| 914800-К1 | Роликовый радиальный игольчатый однорядный подшипник. Кольцевая проточка на середине цилиндрической наружной поверхности наружного кольца плюс три отверстия для смазки. | 10.00 | 26.00 | 11.90 |
| MU000+ER | Шариковый радиальный однорядный подшипник. Эксцентриковое кольцо. | 10.00 | 26.00 | 11.00 |
| B10-50T12 | Шариковый радиальный однорядный подшипник. Подшипник со специальными размерами. | 10.00 | 27.00 | 11.00 |
| B10-50T12DDNCXG1 | Шариковый радиальный однорядный подшипник. Подшипник со специальными размерами. | 10.00 | 27.00 | 11.00 |
| B10-50DD | Шариковый радиальный однорядный подшипник. Подшипник со специальными размерами. | 10.00 | 27.00 | 11.00 |
| 51200 V/HR11T1 | Шариковый упорный однорядный подшипник. Подшипник без сепаратора. С полным комплектом тел качения. | 10.00 | 26.00 | 11.00 |
| 53200U+U200 | Шариковый упорный однорядный подшипник. Универсальный одиночный подшипник. | 10.00 | 26.00 | 13.00 |
| SAZP9N | Шарнирный подшипник. Канавка под стопорное кольцо на внешнем кольце. | 9.53 | 25.40 | 12.70 |
Способы доставки
Отправка через ведущие транспортные и курьерские компании: ПЭК, Деловые Линии, СДЭК, Байкал-Сервис, Энергия, КИТ, ЖелДорЭкспедиция.
Самовывоз возможен напрямую со склада в Москве.
Сроки доставки
Срок зависит от региона и выбранной транспортной компании. Все заказы комплектуются и отправляются в кратчайшие сроки со склада в Москве.
Надёжность и сохранность
Вся продукция упаковывается с учётом требований транспортировки. Мы гарантируем, что подшипники и комплектующие прибудут к заказчику в полной сохранности.
Доставка в страны ЕАЭС
Мы работаем с проверенными логистическими партнёрами, что позволяет оперативно доставлять заказы в Беларусь, Казахстан, Армению и другие страны ЕАЭС.
Варианты оплаты:
Минимальная сумма заказа и скидки:
Документы и гарантии:
Да, конечно! Наши технические специалисты готовы помочь вам с подбором точного аналога или замены подшипника. Просто позвоните нам по телефону +7 (495) 104-99-04 или напишите на почту zakaz@podsnab.ru.
Для оперативной консультации подготовьте, пожалуйста, имеющиеся данные: маркировку, размеры, тип оборудования или артикул старого подшипника.
Да, конечно! Мы высоко ценим долгосрочное сотрудничество и доверие клиентов по всей России. Для постоянных клиентов действует персональная система скидок.
Условия формируются индивидуально и зависят от:
Чтобы узнать свои условия и получить максимально выгодное предложение, свяжитесь с персональным менеджером или напишите нам на почту zakaz@podsnab.ru.
Вы можете оформить заказ несколькими способами:
Для оформления заказа от юридического лица свяжитесь с нашим отделом по работе с корпоративными клиентами по телефону +7 (495) 104-99-04 или напишите на email zakaz@podsnab.ru, прикрепив реквизиты вашей организации.
Мы оперативно подготовим коммерческое предложение и выставим счет.
Возврат товара надлежащего качества возможен в течение 10 дней с момента получения, если товар не был в употреблении, сохранен товарный вид, упаковка не вскрывалась и присутствуют все сопроводительные документы.
Возврат денежных средств осуществляется в течение 10 рабочих дней после проверки товара складом.
В соответствии с законодательством возврату не подлежат подшипники надлежащего качества, если отсутствует оригинальная упаковка или имеются следы монтажа.
В случае выявления брака или гарантийного случая мы гарантируем возврат или обмен товара.
Да, гарантийный срок хранения устанавливается заводом-изготовителем и в среднем составляет 2 года при соблюдении условий хранения: сухое помещение, оригинальная упаковка и смазка.
Точный срок для конкретного типа подшипника уточняйте у наших менеджеров.
Пн–Пт: с 8:00 до 17:00 (МСК).
Сб–Вс: выходные дни.
Заказы на сайте принимаются круглосуточно. Заявки, поступившие после окончания рабочего дня, обрабатываются на следующий рабочий день.
Минимальная сумма заказа для доставки составляет 3000 рублей. Самовывоз со склада возможен на любую сумму при наличии товара.
ООО «УралТехГрупп»
ИНН: 7415093830
КПП: 772401001
ОГРН: 1167456069021
Банк: ПАО Сбербанк
Р/с: 40702810838000475273
К/с: 30101810400000000225
БИК: 044525225
У подшипника 3000-B-TVH пока нет отзывов. Вы можете стать первым покупателем, поделившимся своим мнением.