Поиск подшипника
Статьи
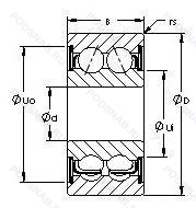
5216ZZ — Шариковый радиально-упорный подшипник, модификация основного исполнения 5216, производство AST.
Размер подшипника: 80x140x44 мм.
Защитные металлические шайбы с обеих сторон.
Международная стандартизации ISO
5216ZZ
В наличии
| Обозначение | Конструктивные изменения |
|---|---|
| 5216W | Подшипник без смазочных отверстий в наружном кольце. |
| 5216A | Измененная или модифицированная внутренняя конструкция при неизменных основных размерах. |
| 5216 | Шариковый радиально-упорный подшипник. Основное конструктивное исполнение. |
| 5216MG H501 | Внутренний суффикс-код MRC. Формованный сепаратор из полиамида. укрепленного стекловолокном. |
| 5216C3 | Внутренний зазор больше нормального. |
| 5216Z | щит из листовой прессованной стали с одной стороны подшипника. |
| 5216M | Двухрядный радиально-упорный. Шарикоподшипник с заполняющей выемкой и сходящимися наружу углами контакта. |
| 5216A/C3 | Внутренний зазор больше нормального. Двухрядный радиально-упорный шарикоподшипник без отверстия для смазки. |
| 5216MFF | Двухрядный радиально-упорный. Шарикоподшипник с заполняющей выемкой и сходящимися наружу углами контакта. Металлическое уплотнение с двух сторон. |
| 5216MFFG H501 | Двухрядный радиально-упорный. Шарикоподшипник с заполняющей выемкой и сходящимися наружу углами контакта. Канавка под стопорное кольцо на наружном кольце с соответствующим стопорным кольцом. Металлическое уплотнение с двух сторон. Внутренний суффикс-код MRC. |
| 5216MG | Формованный сепаратор из полиамида. укрепленного стекловолокном. |
| A 5216 WB | Cast Iron Take-Up Type Bearing Unit With Its Stretcher Frame. Relubricatable. |
| 5216 A-2RS1 | Измененная или модифицированная внутренняя конструкция при неизменных основных размерах. Усиленные листовой сталью контактные уплотнения из акрилонитрил-бутадиенового каучука (NBR) с обеих сторон подшипника. |
| 5216 E-2Z | Повышенная грузоподъемность. Защитные металлические шайбы с обеих сторон подшипника. |
| 5216 E | Повышенная грузоподъемность. |
| 5216-2RS | Резиновые уплотнения с каждой стороны подшипника. |
| 5216DD PRB | Два уплотнения из PTFE. Molded Nylon Cage. |
| 5216G | Устройство повторного смазывания со смазочной канавкой и отверстием на внешнем кольце. |
| 5216G PRB | Устройство повторного смазывания со смазочной канавкой и отверстием на внешнем кольце. Molded Nylon Cage. |
| 5216DD | Два уплотнения из PTFE. |
| 5216ANR | Шариковый радиально-упорный подшипник. |
| 5216AN | Код формы шариковой направляющей. |
| 5216NR | Канавка под стопорное кольцо на наружном кольце с соответствующим стопорным кольцом. |
| 5216N | Канавка под стопорное кольцо на внешнем кольце. |
| 5216S | Запечатанная версия кулачкового ролика. Только для тел качения. |
Модификации шарикового подшипника 5216ZZ — это измененное основное конструктивное исполнение 5216, основные размеры (80x140x44) не отличаются.
| Обозначение | Конструктивные особенности | Внутренний (d) | Наружный (D) | Ширина (B) |
|---|---|---|---|---|
| 8316Н | Шариковый упорный однорядный подшипник. Детали из теплостойкой стали. | 80.00 | 140.00 | 44.00 |
| 3056216-У | Шариковый радиально-упорный двухрядный подшипник. Дополнительные технические требования. | 80.00 | 140.00 | 44.40 |
| 3056216-К1 | Шариковый радиально-упорный двухрядный подшипник. «Замок» (скос) на внутреннем кольце плюс массивный сепаратор из текстолита. | 80.00 | 140.00 | 44.40 |
| 3056216-Л1 | Шариковый радиально-упорный двухрядный подшипник. Сепаратор из латуни.. | 80.00 | 140.00 | 44.40 |
| 6-3056216-Л1Ш1 | Шариковый радиально-упорный двухрядный подшипник. Сепаратор из латуни.. Нормы шумности. | 80.00 | 140.00 | 44.40 |
| 6-3056216-Л1Ш | Шариковый радиально-упорный двухрядный подшипник. Сепаратор из латуни.. Нормы шумности. | 80.00 | 140.00 | 44.40 |
| 6-3056216-Ш | Шариковый радиально-упорный двухрядный подшипник. Нормы шумности. | 80.00 | 140.00 | 44.40 |
| 76-3056216 Л1Ш1 | Шариковый радиально-упорный двухрядный подшипник. Сепаратор из латуни.. Нормы шумности. | 80.00 | 140.00 | 44.40 |
| 76-3056216 Л1Ш | Шариковый радиально-упорный двухрядный подшипник. Сепаратор из латуни.. Нормы шумности. | 80.00 | 140.00 | 44.40 |
| 3216 ZZ | Шариковый радиально-упорный двухрядный подшипник. Защитные металлические шайбы (бесконтактные уплотнения) с обеих сторон подшипника. | 80.00 | 140.00 | 44.40 |
| 3216-B-TV | Шариковый радиально-упорный двухрядный подшипник. Конический роликовый подшипник. Угол контакта 20 градусов. Прочный сепаратор из полиамида. армированного стекловолокном. | 80.00 | 140.00 | 44.40 |
| 3056216-Е | Шариковый радиально-упорный двухрядный подшипник. Сепаратор из текстолита.. | 80.00 | 140.00 | 44.40 |
| 3056216-Л | Шариковый радиально-упорный двухрядный подшипник. Сепаратор из латуни.. | 80.00 | 140.00 | 44.40 |
| 63216-2RS | Шариковый радиальный однорядный подшипник. Резиновые уплотнения с каждой стороны подшипника. | 80.00 | 140.00 | 44.40 |
| 63216 ZZ | Шариковый радиальный однорядный подшипник. Защитные металлические шайбы (бесконтактные уплотнения) с обеих сторон подшипника. | 80.00 | 140.00 | 44.40 |
Способы доставки
Отправка через ведущие транспортные и курьерские компании: ПЭК, Деловые Линии, СДЭК, Байкал-Сервис, Энергия, КИТ, ЖелДорЭкспедиция.
Самовывоз возможен напрямую со склада в Москве.
Сроки доставки
Срок зависит от региона и выбранной транспортной компании. Все заказы комплектуются и отправляются в кратчайшие сроки со склада в Москве.
Надёжность и сохранность
Вся продукция упаковывается с учётом требований транспортировки. Мы гарантируем, что подшипники и комплектующие прибудут к заказчику в полной сохранности.
Доставка в страны ЕАЭС
Мы работаем с проверенными логистическими партнёрами, что позволяет оперативно доставлять заказы в Беларусь, Казахстан, Армению и другие страны ЕАЭС.
Варианты оплаты:
Минимальная сумма заказа и скидки:
Документы и гарантии:
Да, конечно! Наши технические специалисты готовы помочь вам с подбором точного аналога или замены подшипника. Просто позвоните нам по телефону +7 (495) 104-99-04 или напишите на почту zakaz@podsnab.ru.
Для оперативной консультации подготовьте, пожалуйста, имеющиеся данные: маркировку, размеры, тип оборудования или артикул старого подшипника.
Да, конечно! Мы высоко ценим долгосрочное сотрудничество и доверие клиентов по всей России. Для постоянных клиентов действует персональная система скидок.
Условия формируются индивидуально и зависят от:
Чтобы узнать свои условия и получить максимально выгодное предложение, свяжитесь с персональным менеджером или напишите нам на почту zakaz@podsnab.ru.
Вы можете оформить заказ несколькими способами:
Для оформления заказа от юридического лица свяжитесь с нашим отделом по работе с корпоративными клиентами по телефону +7 (495) 104-99-04 или напишите на email zakaz@podsnab.ru, прикрепив реквизиты вашей организации.
Мы оперативно подготовим коммерческое предложение и выставим счет.
Возврат товара надлежащего качества возможен в течение 10 дней с момента получения, если товар не был в употреблении, сохранен товарный вид, упаковка не вскрывалась и присутствуют все сопроводительные документы.
Возврат денежных средств осуществляется в течение 10 рабочих дней после проверки товара складом.
В соответствии с законодательством возврату не подлежат подшипники надлежащего качества, если отсутствует оригинальная упаковка или имеются следы монтажа.
В случае выявления брака или гарантийного случая мы гарантируем возврат или обмен товара.
Да, гарантийный срок хранения устанавливается заводом-изготовителем и в среднем составляет 2 года при соблюдении условий хранения: сухое помещение, оригинальная упаковка и смазка.
Точный срок для конкретного типа подшипника уточняйте у наших менеджеров.
Пн–Пт: с 8:00 до 17:00 (МСК).
Сб–Вс: выходные дни.
Заказы на сайте принимаются круглосуточно. Заявки, поступившие после окончания рабочего дня, обрабатываются на следующий рабочий день.
Минимальная сумма заказа для доставки составляет 3000 рублей. Самовывоз со склада возможен на любую сумму при наличии товара.
ООО «УралТехГрупп»
ИНН: 7415093830
КПП: 772401001
ОГРН: 1167456069021
Банк: ПАО Сбербанк
Р/с: 40702810838000475273
К/с: 30101810400000000225
БИК: 044525225
У подшипника 5216ZZ пока нет отзывов. Вы можете стать первым покупателем, поделившимся своим мнением.