Поиск подшипника
Статьи
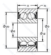
5317ZZ — Шариковый радиально-упорный подшипник, модификация основного исполнения 5317, производство AST.
Размер подшипника: 85x180x73 мм.
Защитные металлические шайбы с обеих сторон.
Международная стандартизации ISO
5317ZZ
В наличии
| Обозначение | Конструктивные изменения |
|---|---|
| 5317M | Подшипник с латунным сепаратором. центрированный по телам качения. |
| 5317 | Шариковый радиально-упорный подшипник. Основное конструктивное исполнение. |
| 5317TS | Лабиринтные уплотнения. |
| 5317/C3 | Внутренний зазор больше нормального. |
| 5317C | Двухрядный радиально-упорный подшипник качения без канавки для заполнения шариками. Со сходящимися наружу угловыми контактами. Жесткая конструкция. |
| A 5317 WB | Cast Iron Take-Up Type Bearing Unit With Its Stretcher Frame. Relubricatable. |
| 5317 A | Измененная или модифицированная внутренняя конструкция при неизменных основных размерах. |
| 5317W | Максимальная грузоподъемность. |
Модификации шарикового подшипника 5317ZZ — это измененное основное конструктивное исполнение 5317, основные размеры (85x180x73) не отличаются.
| Обозначение | Конструктивные особенности | Внутренний (d) | Наружный (D) | Ширина (B) |
|---|---|---|---|---|
| 3317DA/C3 | Подшипник шариковый двухрядный радиально-упорный. Внутренний зазор больше нормального. Шарикоподшипник двухрядный с разъемным внутренним кольцом. | 85.00 | 180.00 | 73.00 |
| MDJK85M | Подшипник шариковый двухрядный радиально-упорный. Механически обработанный латунный сепаратор .Расположенный на элементах качения. | 85.00 | 180.00 | 73.00 |
| 3317DA.521521.K100 | Подшипник шариковый двухрядный радиально-упорный. Шарикоподшипник двухрядный с разъемным внутренним кольцом. Package Marking With Customer Number For BSI-Verkehrstechnik. Mulheim. | 85.00 | 180.00 | 73.00 |
| 3317C.M | Подшипник шариковый двухрядный радиально-упорный. 15° Угол контакта. Твердый латунный сепаратор. Шариковые направляющие. | 85.00 | 180.00 | 73.00 |
| 51417MP | Подшипник шариковый упорный однонаправленный. Массивный латунный сепаратор. центрированный по телам качения. | 85.00 | 180.00 | 72.00 |
| 51417FP | Подшипник шариковый упорный однонаправленный. Механически обработанный стальной сепаратор оконного типа. | 85.00 | 180.00 | 72.00 |
| 3317-DA-MA | Подшипник шариковый двухрядный радиально-упорный. Механически обработанный латунный сепаратор. Центрирование по внешнему кольцу. Шарикоподшипник двухрядный с разъемным внутренним кольцом. | 85.00 | 180.00 | 73.00 |
| 3317-M-C3 | Подшипник шариковый двухрядный радиально-упорный. Внутренний зазор больше нормального. Твердый латунный сепаратор. Шариковые направляющие. | 85.00 | 180.00 | 73.00 |
| 3092317-Л | Роликовый радиальный однорядный подшипник. Сепаратор из латуни.. | 85.00 | 180.00 | 73.00 |
| 30-92317 ЛМ | Роликовый радиальный однорядный подшипник. Сепаратор из латуни.. Модифицированный контакт.. | 85.00 | 180.00 | 73.00 |
| NJ3317 | Роликовый радиальный однорядный подшипник. Штампованный сепаратор из стального листа. Канавка под стопорное кольцо на наружном кольце подшипника. Однорядный цилиндрический роликовый подшипник. Наружное кольцо имеет два борта. | 85.00 | 180.00 | 73.00 |
| NU3317 | Роликовый радиальный однорядный подшипник. Канавка под стопорное кольцо на наружном кольце подшипника. Однорядные цилиндрические роликоподшипники. Наружное кольцо подшипника имеет два борта. | 85.00 | 180.00 | 73.00 |
| NUP3317 | Роликовый радиальный однорядный подшипник. Канавка под стопорное кольцо на наружном кольце подшипника. Точность размеров примерно соответствует классу точности Р4. Однорядный цилиндрический роликовый подшипник. Наружное кольцо имеет два борта. | 85.00 | 180.00 | 73.00 |
| 8417Н | Шариковый упорный однорядный подшипник. Детали из теплостойкой стали. | 85.00 | 180.00 | 72.00 |
| 63317-2RS | Шариковый радиальный однорядный подшипник. Резиновые уплотнения с каждой стороны подшипника. | 85.00 | 180.00 | 73.00 |
Способы доставки
Отправка через ведущие транспортные и курьерские компании: ПЭК, Деловые Линии, СДЭК, Байкал-Сервис, Энергия, КИТ, ЖелДорЭкспедиция.
Самовывоз возможен напрямую со склада в Москве.
Сроки доставки
Срок зависит от региона и выбранной транспортной компании. Все заказы комплектуются и отправляются в кратчайшие сроки со склада в Москве.
Надёжность и сохранность
Вся продукция упаковывается с учётом требований транспортировки. Мы гарантируем, что подшипники и комплектующие прибудут к заказчику в полной сохранности.
Доставка в страны ЕАЭС
Мы работаем с проверенными логистическими партнёрами, что позволяет оперативно доставлять заказы в Беларусь, Казахстан, Армению и другие страны ЕАЭС.
Варианты оплаты:
Минимальная сумма заказа и скидки:
Документы и гарантии:
Да, конечно! Наши технические специалисты готовы помочь вам с подбором точного аналога или замены подшипника. Просто позвоните нам по телефону +7 (495) 104-99-04 или напишите на почту zakaz@podsnab.ru.
Для оперативной консультации подготовьте, пожалуйста, имеющиеся данные: маркировку, размеры, тип оборудования или артикул старого подшипника.
Да, конечно! Мы высоко ценим долгосрочное сотрудничество и доверие клиентов по всей России. Для постоянных клиентов действует персональная система скидок.
Условия формируются индивидуально и зависят от:
Чтобы узнать свои условия и получить максимально выгодное предложение, свяжитесь с персональным менеджером или напишите нам на почту zakaz@podsnab.ru.
Вы можете оформить заказ несколькими способами:
Для оформления заказа от юридического лица свяжитесь с нашим отделом по работе с корпоративными клиентами по телефону +7 (495) 104-99-04 или напишите на email zakaz@podsnab.ru, прикрепив реквизиты вашей организации.
Мы оперативно подготовим коммерческое предложение и выставим счет.
Возврат товара надлежащего качества возможен в течение 10 дней с момента получения, если товар не был в употреблении, сохранен товарный вид, упаковка не вскрывалась и присутствуют все сопроводительные документы.
Возврат денежных средств осуществляется в течение 10 рабочих дней после проверки товара складом.
В соответствии с законодательством возврату не подлежат подшипники надлежащего качества, если отсутствует оригинальная упаковка или имеются следы монтажа.
В случае выявления брака или гарантийного случая мы гарантируем возврат или обмен товара.
Да, гарантийный срок хранения устанавливается заводом-изготовителем и в среднем составляет 2 года при соблюдении условий хранения: сухое помещение, оригинальная упаковка и смазка.
Точный срок для конкретного типа подшипника уточняйте у наших менеджеров.
Пн–Пт: с 8:00 до 17:00 (МСК).
Сб–Вс: выходные дни.
Заказы на сайте принимаются круглосуточно. Заявки, поступившие после окончания рабочего дня, обрабатываются на следующий рабочий день.
Минимальная сумма заказа для доставки составляет 3000 рублей. Самовывоз со склада возможен на любую сумму при наличии товара.
ООО «УралТехГрупп»
ИНН: 7415093830
КПП: 772401001
ОГРН: 1167456069021
Банк: ПАО Сбербанк
Р/с: 40702810838000475273
К/с: 30101810400000000225
БИК: 044525225
У подшипника 5317ZZ пока нет отзывов. Вы можете стать первым покупателем, поделившимся своим мнением.