Поиск подшипника
Статьи
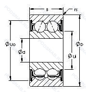
5208-2RS C3 — Шариковый радиально-упорный двухрядный подшипник, модификация основного исполнения 5208, производство PFI.
Размер подшипника: 40x80x30 мм.
Резиновые уплотнения с каждой стороны подшипника, внутренний зазор больше нормального.
Международная стандартизации ISO
52082RSC3
В наличии
| Обозначение | Конструктивные изменения |
|---|---|
| 5208M | Двухрядный радиально-упорный. Шарикоподшипник с заполняющей выемкой и сходящимися наружу углами контакта. |
| 5208NR | Канавка под стопорное кольцо на наружном кольце с соответствующим стопорным кольцом. |
| 5208CF | Inner Rings Can Be Provided In A Semi- Finished Condition With Appropriate Grind Stock To Allow Mill Operators To Optimize The Roll’s Precision By Finish Grinding The Inner Ring After Mounting It Onto The Roll. The Part Numbers For These Bearings And Inner Ring Assemblies Are Identified By A Cf Suffix. |
| 5208MZZ | Защитные металлические шайбы с двух сторон подшипника. Двухрядный радиально-упорный. Шарикоподшипник с заполняющей выемкой и сходящимися наружу углами контакта. |
| 5208A-2RS1 | Двухрядный радиально-упорный шарикоподшипник без отверстия для смазки. Усиленные листовой сталью контактные уплотнения из акрилонитрил-бутадиенового каучука (NBR) с обеих сторон подшипника. |
| 5208EE | Резиновые уплотнения с каждой стороны подшипника. |
| 5208ZZC3 | Внутренний зазор больше нормального. Защитные металлические шайбы с обеих сторон. |
| 5208 E-2Z/C3 | Внутренний зазор больше нормального. Подшипник с заправочным пазом для ввода тел качений. Защитные металлические шайбы с обеих сторон подшипника. |
| 5208ENR | Подшипник с заправочным пазом для ввода тел качений. Канавка под стопорное кольцо на наружном кольце с соответствующим стопорным кольцом. |
| 5208CFF H501 | Двухрядный радиально-упорный подшипник качения без канавки для заполнения шариками. Со сходящимися наружу угловыми контактами. Жесткая конструкция. Металлическое уплотнение с двух сторон. Внутренний суффикс-код MRC. |
| 5208SCZZ/2AS | Прессованный стальной сепаратор. Защитные металлические шайбы с обеих сторон. LUBRICANT. SHELL OIL CO.. ALVANIA #2 GREASE. MIL-G-18709A. |
| A 5208 WB | Cast Iron Take-Up Type Bearing Unit With Its Stretcher Frame. Relubricatable. |
| 5208 E-2RS1 | Повышенная грузоподъемность. Усиленные листовой сталью контактные уплотнения из акрилонитрил-бутадиенового каучука (NBR) с обеих сторон подшипника. |
| 5208 E-2Z | Повышенная грузоподъемность. Защитные металлические шайбы с обеих сторон подшипника. |
| 5208 E | Повышенная грузоподъемность. |
| 5208WD | Защитная шайба из штампованной стали с одной стороны. |
| 5208-2NS | Два контактных уплотнения. |
| 5208N | Канавка под стопорное кольцо на внешнем кольце. |
| 5208AZZ | Однорядный радиальный шарикоподшипник с двумя уплотнениями. |
| 5208A-2NS | Двухрядный радиально-упорный шарикоподшипник без отверстия для смазки. Два контактных уплотнения. |
| 5208NS | Шарики из нитрида кремния Si3N4 (гибридные подшипники). Керамические шарики. |
| 5208AN | Код формы шариковой направляющей. |
| 5208SCLLD | Угол контакта 15°. Только для тел качения. |
| 5208SCLLM | Угол контакта 15°. Только для тел качения. |
| 5208SCZZ | Угол контакта 15°. Только для тел качения. |
Модификации шарикового подшипника 5208-2RS C3 — это измененное основное конструктивное исполнение 5208, основные размеры (40x80x30) не отличаются.
| Обозначение | Гост | Конструктивные особенности |
|---|---|---|
| 6-3056208 КШ1 | ГОСТ | «Замок» (скос) на внутреннем кольце плюс массивный сепаратор из текстолита. Нормы шумности. |
| 6-3056208 К1Ш1 | ГОСТ | «Замок» (скос) на внутреннем кольце плюс массивный сепаратор из текстолита. Нормы шумности. |
| 6-3056208 К1Ш | ГОСТ | «Замок» (скос) на внутреннем кольце плюс массивный сепаратор из текстолита. Нормы шумности. |
| 8-3056208-К | ГОСТ | «Замок» (скос) на внутреннем кольце плюс массивный сепаратор из текстолита. |
| S5208-2RS | ISO | Резиновые уплотнения с каждой стороны подшипника. |
| DAC40800302 | ISO | Однорядный радиально-упорный шарикоподшипник с углом контакта 25°. |
| 3208B2RS/C3 | ISO | Внутренний зазор больше нормального. |
| F16042 | ISO | Шариковый радиально-упорный двухрядный подшипник. |
| 3208-B-2Z-TV | ISO | Конический роликовый подшипник. Угол контакта 20 градусов. Защитные металлические шайбы с обеих сторон подшипника. Прочный сепаратор из полиамида. армированного стекловолокном. |
| 3056208 | ГОСТ | Шариковый радиально-упорный двухрядный подшипник. |
| 20-3056208 К | ГОСТ | «Замок» (скос) на внутреннем кольце плюс массивный сепаратор из текстолита. |
| 3056208-Е | ГОСТ | Сепаратор из текстолита.. |
| 3056208-К | ГОСТ | «Замок» (скос) на внутреннем кольце плюс массивный сепаратор из текстолита. |
| 3056208-К1 | ГОСТ | «Замок» (скос) на внутреннем кольце плюс массивный сепаратор из текстолита. |
| 3286208-Д | ГОСТ | Сепаратор из алюминиевого сплава.. |
| 3208A-2RS1 | ISO | Измененная или модифицированная внутренняя конструкция при неизменных основных размерах. Усиленные листовой сталью контактные уплотнения из акрилонитрил-бутадиенового каучука (NBR) с обеих сторон подшипника. |
| E2.3208A-2Z | ISO | Шариковый радиально-упорный двухрядный подшипник. |
| 6-3056208 Е | ГОСТ | Сепаратор из текстолита.. |
| 6-3056208 К | ГОСТ | «Замок» (скос) на внутреннем кольце плюс массивный сепаратор из текстолита. |
| 6-3286208 Д | ГОСТ | Сепаратор из алюминиевого сплава.. |
Аналог шарикового подшипника 5208-2RS C3 — это подшипник такого же размера dx40,Dx80,Bx30, типа и конструкции.
| Обозначение | Конструктивные особенности | Внутренний (d) | Наружный (D) | Ширина (B) |
|---|---|---|---|---|
| W6208-ZZ | Шариковый радиальный однорядный подшипник. Защитные металлические шайбы с обеих сторон. | 40.00 | 80.00 | 30.20 |
| W6208-2RS | Шариковый радиальный однорядный подшипник. Резиновые уплотнения с каждой стороны подшипника. | 40.00 | 80.00 | 30.20 |
| HI-CAP TR080803R-9 | Роликовый радиальный-упорный однорядный подшипник. Угол контакта 20 градусов. | 40.00 | 80.00 | 30.00 |
| HI-CAP 57620/3320 | Роликовый радиальный-упорный однорядный подшипник. Угол контакта 20 градусов. | 39.69 | 80.17 | 29.37 |
| 76-3160208 ЕТ2 | Шариковый радиальный однорядный подшипник. Сепаратор из текстолита.. 200°. Температура отпуска. | 40.00 | 80.00 | 30.20 |
| 76-3160208 ЕТ2С4 | Шариковый радиальный однорядный подшипник. Сепаратор из текстолита.. 200°. Температура отпуска. Смазка ЦИАТИМ-221С. | 40.00 | 80.00 | 30.20 |
| 76-3180208 ЕТ2С4 | Шариковый радиальный однорядный подшипник. Сепаратор из текстолита.. 200°. Температура отпуска. Смазка ЦИАТИМ-221С. | 40.00 | 80.00 | 30.20 |
| 63208LLU | Шариковый радиальный однорядный подшипник. Контактное резиновое уплотнение с двух сторон. | 40.00 | 80.00 | 30.20 |
| 63208LLB | Шариковый радиальный однорядный подшипник. Уплотнение бесконтактного типа из синтетического каучука. | 40.00 | 80.00 | 30.16 |
| RA109RRB | Шариковый радиальный однорядный подшипник. Два резиновых уплотнения Land Riding со сферическим наружным диаметром (B). | 39.69 | 80.00 | 30.18 |
| RA109RR | Шариковый радиальный однорядный подшипник. С выпуклыми асимметричными роликами. Обработанный сепаратор штыревого типа из медного сплава. С центральным ребром. С ребрами с двух сторон (для предотвращения падения роликов). | 39.69 | 80.00 | 30.18 |
| RAE40RR | Шариковый радиальный однорядный подшипник. С выпуклыми асимметричными роликами. Обработанный сепаратор штыревого типа из медного сплава. С центральным ребром. С ребрами с двух сторон (для предотвращения падения роликов). | 40.00 | 80.00 | 30.18 |
| W208KLL | Шариковый радиальный однорядный подшипник. Широкий. BALL BEARING. CONRAD TYPE. INDUSTRIAL POWER TRANSMISSION. DOUBLE MECHANI-SEAL. | 40.00 | 80.00 | 30.18 |
| GRA109RRB | Шариковый радиальный однорядный подшипник. Два резиновых уплотнения Land Riding со сферическим наружным диаметром (B). | 39.69 | 80.00 | 30.18 |
| GRAE40RR | Шариковый радиальный однорядный подшипник. С выпуклыми асимметричными роликами. Обработанный сепаратор штыревого типа из медного сплава. С центральным ребром. С ребрами с двух сторон (для предотвращения падения роликов). | 40.00 | 80.00 | 30.18 |
Способы доставки
Отправка через ведущие транспортные и курьерские компании: ПЭК, Деловые Линии, СДЭК, Байкал-Сервис, Энергия, КИТ, ЖелДорЭкспедиция.
Самовывоз возможен напрямую со склада в Москве.
Сроки доставки
Срок зависит от региона и выбранной транспортной компании. Все заказы комплектуются и отправляются в кратчайшие сроки со склада в Москве.
Надёжность и сохранность
Вся продукция упаковывается с учётом требований транспортировки. Мы гарантируем, что подшипники и комплектующие прибудут к заказчику в полной сохранности.
Доставка в страны ЕАЭС
Мы работаем с проверенными логистическими партнёрами, что позволяет оперативно доставлять заказы в Беларусь, Казахстан, Армению и другие страны ЕАЭС.
Варианты оплаты:
Минимальная сумма заказа и скидки:
Документы и гарантии:
Да, конечно! Наши технические специалисты готовы помочь вам с подбором точного аналога или замены подшипника. Просто позвоните нам по телефону +7 (495) 104-99-04 или напишите на почту zakaz@podsnab.ru.
Для оперативной консультации подготовьте, пожалуйста, имеющиеся данные: маркировку, размеры, тип оборудования или артикул старого подшипника.
Да, конечно! Мы высоко ценим долгосрочное сотрудничество и доверие клиентов по всей России. Для постоянных клиентов действует персональная система скидок.
Условия формируются индивидуально и зависят от:
Чтобы узнать свои условия и получить максимально выгодное предложение, свяжитесь с персональным менеджером или напишите нам на почту zakaz@podsnab.ru.
Вы можете оформить заказ несколькими способами:
Для оформления заказа от юридического лица свяжитесь с нашим отделом по работе с корпоративными клиентами по телефону +7 (495) 104-99-04 или напишите на email zakaz@podsnab.ru, прикрепив реквизиты вашей организации.
Мы оперативно подготовим коммерческое предложение и выставим счет.
Возврат товара надлежащего качества возможен в течение 10 дней с момента получения, если товар не был в употреблении, сохранен товарный вид, упаковка не вскрывалась и присутствуют все сопроводительные документы.
Возврат денежных средств осуществляется в течение 10 рабочих дней после проверки товара складом.
В соответствии с законодательством возврату не подлежат подшипники надлежащего качества, если отсутствует оригинальная упаковка или имеются следы монтажа.
В случае выявления брака или гарантийного случая мы гарантируем возврат или обмен товара.
Да, гарантийный срок хранения устанавливается заводом-изготовителем и в среднем составляет 2 года при соблюдении условий хранения: сухое помещение, оригинальная упаковка и смазка.
Точный срок для конкретного типа подшипника уточняйте у наших менеджеров.
Пн–Пт: с 8:00 до 17:00 (МСК).
Сб–Вс: выходные дни.
Заказы на сайте принимаются круглосуточно. Заявки, поступившие после окончания рабочего дня, обрабатываются на следующий рабочий день.
Минимальная сумма заказа для доставки составляет 3000 рублей. Самовывоз со склада возможен на любую сумму при наличии товара.
ООО «УралТехГрупп»
ИНН: 7415093830
КПП: 772401001
ОГРН: 1167456069021
Банк: ПАО Сбербанк
Р/с: 40702810838000475273
К/с: 30101810400000000225
БИК: 044525225
У подшипника 5208-2RS C3 пока нет отзывов. Вы можете стать первым покупателем, поделившимся своим мнением.