Поиск подшипника
Статьи
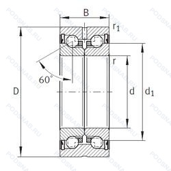
ZKLN0619-2Z — Шариковый радиально-упорный двухрядный подшипник, модификация основного исполнения ZKLN0619, производство INA.
Размер подшипника: 6x19x12 мм.
Защитные металлические шайбы с обеих сторон подшипника.
Альтернативное обозначение: ZKLN0619-2Z-XL.
Международная стандартизации ISO
ZKLN06192Z
В наличии
| Обозначение | Конструктивные изменения |
|---|---|
| ZKLN0619-2Z-XL | Серия X-Life премиум-класс. увеличиный срок службы. Зазорные уплотнения с обеих сторон подшипника.. |
| ZKLN0619-2Z-PE | Зазорные уплотнения с обеих сторон подшипника.. Допуски на увеличенный диаметр и осевое биение по классу точности P5 для радиальных подшипников. |
Модификации шарикового подшипника ZKLN0619-2Z — это измененное основное конструктивное исполнение ZKLN0619, основные размеры (6x19x12) не отличаются.
| Обозначение | Гост | Конструктивные особенности |
|---|---|---|
| SF612DT | ISO | Дуплексные подшипники для установки в тандеме. |
| SF624DF | ISO | Комплект из двух подшипников. согласованных для установки по Х-образной схеме. Число. следующее непосредственно после букв DF. обозначает конструкцию промежуточного кольца. |
| ZKLFA0630-2Z | ISO | Защитные металлические шайбы с обеих сторон подшипника. |
Аналог шарикового подшипника ZKLN0619-2Z — это подшипник такого же размера dx6,Dx19,Bx12, типа и конструкции.
| Обозначение | Конструктивные особенности | Внутренний (d) | Наружный (D) | Ширина (B) |
|---|---|---|---|---|
| 707CE/P4ADBA | Подшипник шариковый однорядный радиально-упорный. Точность размеров в соответствии с классом допуска ISO 4. точность вращения лучше чем класс допуска ISO 4. Два однорядных радиальных шарикоподшипника. Однорядные радиально-упорные шарикоподшипники или однорядные конические роликовые подшипники. подходящие для монтажа в схеме «спина к спине». Легкая предварительная нагрузка. 15° Угол контакта And (E) Small Size Steel Balls. | 7.00 | 19.00 | 12.00 |
| MCYR6SX | Опорный ролик. Радиально-упорный сферический подшипник скольжения. требующий обслуживания по ISO 12 2402. Монтажные размеры как для конических роликоподшипников по DIN 720. 320X. Стальная скользящая контактная поверхность. | 6.00 | 19.00 | 11.00 |
| NATR6LL | Опорный ролик. Контактное. синтетические. резиновое уплотнение с двух сторон. | 6.00 | 19.00 | 11.00 |
| NATR6-X-PP-A | Опорный ролик. Переделка во внутренней конструкции. Идентичен старой нотации. Цилиндрическая рабочая поверхность. Манжетные уплотнения с обеих сторон (тип P - две шайбы из оцинкованной листовой стали с промежуточной частью NBR. Кромка уплотнения предварительно нагружена в осевом направлении). Диапазон температур -30℃/+100℃. | 6.00 | 19.00 | 11.00 |
| NA22/6-X-2RSR | Опорный ролик. Rubber Seals At Each Side Of The Bearing. Temperature Range -30℃/+120℃. Цилиндрическая рабочая поверхность. Exxon Aviation Instrument Oil. | 6.00 | 19.00 | 11.80 |
| NART6VR | Опорный ролик. Коронка на наружном кольце. Подшипник без сепаратора. С полным комплектом тел качения. Когда в суффиксе упоминается только «V». Это означает. что подшипник уплотнен. Поэтому используйте «2Z» в сегменте «Уплотнение».. | 6.00 | 19.00 | 11.00 |
| NART6UUR | Опорный ролик. Коронка на наружном кольце. Резиновые уплотнения с каждой стороны подшипника. | 6.00 | 19.00 | 11.00 |
| NATV6-X-PP-A | Опорный ролик. Переделка во внутренней конструкции. Идентичен старой нотации. Цилиндрическая рабочая поверхность. Манжетные уплотнения с обеих сторон (тип P - две шайбы из оцинкованной листовой стали с промежуточной частью NBR. Кромка уплотнения предварительно нагружена в осевом направлении). Диапазон температур -30℃/+100℃. | 6.00 | 19.00 | 11.00 |
| NA22/6LL/3AS | Опорный ролик. Контактное. синтетические. резиновое уплотнение с двух сторон. Смазка. Shell Oil Co. Смазка Alvania #3, стандартная заливка.. | 6.00 | 19.00 | 11.80 |
| MCYR6S | Опорный ролик. Запечатанная версия кулачкового ролика. | 6.00 | 19.00 | 11.00 |
| NATR6XLL/3AS | Опорный ролик. Цилиндрическая рабочая поверхность. Контактное уплотнения из синтетической черной резины с обеих сторон. Смазка. Shell Oil Co. Смазка Alvania #3, стандартная заливка.. | 6.00 | 19.00 | 12.00 |
| NATV6XLL/3AS | Опорный ролик. Цилиндрическая рабочая поверхность. Контактное уплотнения из синтетической черной резины с обеих сторон. Смазка. Shell Oil Co. Смазка Alvania #3, стандартная заливка.. | 6.00 | 19.00 | 11.00 |
| ШВХ6 | Шарнирный подшипник. С хвостовиком.. | 6.00 | 20.00 | 12.00 |
| NA22/6XLL | Роликовый игольчатый подшипник однорядный. Два уплотнения. | 6.00 | 19.00 | 12.00 |
| 607ZZD2 | Шариковый радиальный однорядный подшипник. Стальная шайба. | 7.00 | 19.00 | 12.00 |
Способы доставки
Отправка через ведущие транспортные и курьерские компании: ПЭК, Деловые Линии, СДЭК, Байкал-Сервис, Энергия, КИТ, ЖелДорЭкспедиция.
Самовывоз возможен напрямую со склада в Москве.
Сроки доставки
Срок зависит от региона и выбранной транспортной компании. Все заказы комплектуются и отправляются в кратчайшие сроки со склада в Москве.
Надёжность и сохранность
Вся продукция упаковывается с учётом требований транспортировки. Мы гарантируем, что подшипники и комплектующие прибудут к заказчику в полной сохранности.
Доставка в страны ЕАЭС
Мы работаем с проверенными логистическими партнёрами, что позволяет оперативно доставлять заказы в Беларусь, Казахстан, Армению и другие страны ЕАЭС.
Варианты оплаты:
Минимальная сумма заказа и скидки:
Документы и гарантии:
Да, конечно! Наши технические специалисты готовы помочь вам с подбором точного аналога или замены подшипника. Просто позвоните нам по телефону +7 (495) 104-99-04 или напишите на почту zakaz@podsnab.ru.
Для оперативной консультации подготовьте, пожалуйста, имеющиеся данные: маркировку, размеры, тип оборудования или артикул старого подшипника.
Да, конечно! Мы высоко ценим долгосрочное сотрудничество и доверие клиентов по всей России. Для постоянных клиентов действует персональная система скидок.
Условия формируются индивидуально и зависят от:
Чтобы узнать свои условия и получить максимально выгодное предложение, свяжитесь с персональным менеджером или напишите нам на почту zakaz@podsnab.ru.
Вы можете оформить заказ несколькими способами:
Для оформления заказа от юридического лица свяжитесь с нашим отделом по работе с корпоративными клиентами по телефону +7 (495) 104-99-04 или напишите на email zakaz@podsnab.ru, прикрепив реквизиты вашей организации.
Мы оперативно подготовим коммерческое предложение и выставим счет.
Возврат товара надлежащего качества возможен в течение 10 дней с момента получения, если товар не был в употреблении, сохранен товарный вид, упаковка не вскрывалась и присутствуют все сопроводительные документы.
Возврат денежных средств осуществляется в течение 10 рабочих дней после проверки товара складом.
В соответствии с законодательством возврату не подлежат подшипники надлежащего качества, если отсутствует оригинальная упаковка или имеются следы монтажа.
В случае выявления брака или гарантийного случая мы гарантируем возврат или обмен товара.
Да, гарантийный срок хранения устанавливается заводом-изготовителем и в среднем составляет 2 года при соблюдении условий хранения: сухое помещение, оригинальная упаковка и смазка.
Точный срок для конкретного типа подшипника уточняйте у наших менеджеров.
Пн–Пт: с 8:00 до 17:00 (МСК).
Сб–Вс: выходные дни.
Заказы на сайте принимаются круглосуточно. Заявки, поступившие после окончания рабочего дня, обрабатываются на следующий рабочий день.
Минимальная сумма заказа для доставки составляет 3000 рублей. Самовывоз со склада возможен на любую сумму при наличии товара.
ООО «УралТехГрупп»
ИНН: 7415093830
КПП: 772401001
ОГРН: 1167456069021
Банк: ПАО Сбербанк
Р/с: 40702810838000475273
К/с: 30101810400000000225
БИК: 044525225
У подшипника ZKLN0619-2Z пока нет отзывов. Вы можете стать первым покупателем, поделившимся своим мнением.