Поиск подшипника
Статьи
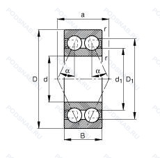
3203-BD-TVH — Шариковый радиально-упорный двухрядный подшипник, модификация основного исполнения 3203, производство FAG.
Размер подшипника: 17x40x17 мм.
Твердая клетка из полиамида, tapered roller bearing. steep угол контакта (24° to 32°). metric series.
Альтернативное обозначение: 3203-BD-XL-TVH.
Международная стандартизации ISO
3203BDTVH
В наличии
| Обозначение | Конструктивные изменения |
|---|---|
| 3203P6 | Размерные и геометрические допуски соответствуют классу точности P6. |
| 3203B ZR TN | 25° Угол контакта. Сепаратор из полиамида 66. армированного стекловолокном. Металлическое уплотнение с одной стороны. Радиальный тип. |
| 3203J C3 | Внутренний зазор больше нормального. Сепаратор из стали. |
| 3203B ZZ TNG | 25° Угол контакта. Защитная металлическая шайба с двух сторон подшипника. Сепаратор из полиамида 66. армированного стекловолокном. |
| 3203B ZZ | 25° Угол контакта. Защитная металлическая шайба с двух сторон подшипника. |
| 3203KRR AH16 | Манжетные уплотнения с обеих сторон (уплотнение типа R - имеет оцинкованные внутреннюю и внешнюю крышки. Между крышками имеется уплотнительная кромка NBR. идущая по шлифованному буртику). |
| 3203B Z NR TNG | Конический роликовый подшипник. Угол контакта 20 градусов. Одна защитная металлическая шайба. SNAP RING GROOVE WITH SNAP RING. Прочный сепаратор из полиамида. армированного стекловолокном. |
| 3203B TNG C2 | Внутренний зазор подшипника меньше нормального. Конический роликовый подшипник. Угол контакта 20 градусов. Прочный сепаратор из полиамида. армированного стекловолокном. |
| 3203B TNH | Угол контакта 40°. Полиамидный защелкивающийся сепаратор. расположенный на подвижных элементах. |
| 3203B.TVH.C3 | Внутренний зазор больше нормального. Модификация внутренней конструкции. Литой полиамидный сепаратор (PA66). защелкивающийся. |
| 3203-B-2RS-TVH | Резиновые уплотнения с каждой стороны подшипника. Модификация внутренней конструкции. Формованный полиамидный сепаратор защелкивающегося типа. |
| 3203A TG | Двухрядный радиально-упорный шарикоподшипник без отверстия для смазки. Пластиковый сепаратор с фиксатором. |
| 3203S | Запечатанная версия кулачкового ролика. |
| 3203B 2RSR TG MT2 | Конический роликовый подшипник. Угол контакта 20 градусов. Контактное уплотнение с обеих сторон подшипника. сепаратор из полиамида 6.6. армированного стекловолокном. LUBRICANT. MEDIUM TEMPERATURE RANGES. |
| 3203B TG MT15 3D | 25 DEGREES CONTACT ANGLE. сепаратор из полиамида 6.6. армированного стекловолокном. LUBRICANT. MEDIUM TEMPERATURE RANGES. |
| 3203ZZ TNG | Защитные металлические шайбы с обеих сторон. Прочный сепаратор из полиамида. армированного стекловолокном. |
| 3203 2RS TNG | Резиновые уплотнения с каждой стороны подшипника. Прочный сепаратор из полиамида. армированного стекловолокном. |
| 3203-2RS-C3 | Внутренний зазор больше нормального. Манжетное уплотнение с обеих сторон подшипника. |
| 3203A-2RS1TN9/C3 | Внутренний зазор больше нормального. Двухрядный радиально-упорный шарикоподшипник без отверстия для смазки. Литой защелкивающийся сепаратор из полиамида. армированного стекловолокном 6.6. Усиленные листовой сталью контактные уплотнения из акрилонитрил-бутадиенового каучука (NBR) с обеих сторон подшипника. |
| 3203B-2ZTNC3 | Внутренний зазор больше нормального. 25° Угол контакта. Две металлические защитные шайбы. Сепаратор из полиамида 66. армированного стекловолокном. |
| 3203BTNC3 | Внутренний зазор больше нормального. 25° Угол контакта. Клетка из армированного стекловолокном полиамида 66. |
| 3203A-2Z | Измененная или модифицированная внутренняя конструкция при неизменных основных размерах. Защитные металлические шайбы с обеих сторон подшипника. |
| 3203-BD-2HRS-TVH | Твердая клетка из полиамида. Манжетные уплотнения с обеих сторон изготовлены из нитрил-бутадиенового каучука. Эти конструкции смазываются на весь срок службы высококачественной смазкой и подходят для умеренных скоростей. Момент трения и тепловыделение ниже, чем при использовании предыдущего уплотнения RSR.. Tapered Roller Bearing. Steep Угол контакта (24° To 32°). Metric Series. |
| 3203-BD-2Z-TVH | Защитные металлические шайбы с обеих сторон подшипника. Твердая клетка из полиамида. Tapered Roller Bearing. Steep Угол контакта (24° To 32°). Metric Series. |
| 3203-B-2RSR-TV | Конический роликовый подшипник. Угол контакта 20 градусов. Резиновые уплотнения с каждой стороны подшипника. Прочный сепаратор из полиамида. армированного стекловолокном. |
Модификации шарикового подшипника 3203-BD-TVH — это измененное основное конструктивное исполнение 3203, основные размеры (17x40x17) не отличаются.
| Обозначение | Гост | Конструктивные особенности |
|---|---|---|
| TS3-DF0365LLBA2V1 | ISO | Нитриловое бесконтактное уплотнение (-25 to +120°C). |
| TS3-DF0365LLBA2C3/LX03 | ISO | Угол контакта 15°. Нитриловое бесконтактное уплотнение (-25 to +120°C). |
| TS3-DF0365LLBA1CS20PX1/LX03Q3 | ISO | Угол контакта 15°. Нитриловое бесконтактное уплотнение (-25 to +120°C). |
| TS3-DF0365LLBA2CS22/LX03Q2 | ISO | Угол контакта 15°. Нитриловое бесконтактное уплотнение (-25 to +120°C). |
| 5203K PRB | ISO | Коническое отверстие. Конусность 1/12. Molded Nylon Cage. |
| S3203-2RS | ISO | Резиновые уплотнения с каждой стороны подшипника. |
| S5203-2RS | ISO | Резиновые уплотнения с каждой стороны подшипника. |
| 5203AN | ISO | Код формы шариковой направляющей. |
| 5203NR | ISO | Канавка под стопорное кольцо на наружном кольце с соответствующим стопорным кольцом. |
| 5203NS | ISO | Шарики из нитрида кремния Si3N4 (гибридные подшипники). Керамические шарики. |
| 5203A-2NS | ISO | Двухрядный радиально-упорный шарикоподшипник без отверстия для смазки. Два контактных уплотнения. |
| 5203AZZ | ISO | Однорядный радиальный шарикоподшипник с двумя уплотнениями. |
| 5203SCZZ | ISO | Угол контакта 15°. Только для тел качения. |
| 5203SCLLM | ISO | Угол контакта 15°. Только для тел качения. |
| 5203S | ISO | Запечатанная версия кулачкового ролика. Только для тел качения. |
| 5203SCLLD | ISO | Угол контакта 15°. Только для тел качения. |
| 3056203-Е | ГОСТ | Сепаратор из текстолита.. |
| 3056203-К | ГОСТ | «Замок» (скос) на внутреннем кольце плюс массивный сепаратор из текстолита. |
| 3056203-К1 | ГОСТ | «Замок» (скос) на внутреннем кольце плюс массивный сепаратор из текстолита. |
| 6-3056203 Е | ГОСТ | Сепаратор из текстолита.. |
Аналог шарикового подшипника 3203-BD-TVH — это подшипник такого же размера dx17,Dx40,Bx17, типа и конструкции.
| Обозначение | Конструктивные особенности | Внутренний (d) | Наружный (D) | Ширина (B) |
|---|---|---|---|---|
| 6-180503 АК4С9И | Шариковый радиальный однорядный подшипник. Повышенная грузоподъемность. Изменение ТУ на поставку комплектующих деталей или исходных материалов. Смазка ЛЗ-31. | 17.00 | 40.00 | 16.00 |
| 6-180503 АК4С9Ш1 | Шариковый радиальный однорядный подшипник. Нормы шумности. Повышенная грузоподъемность. Смазка ЛЗ-31. | 17.00 | 40.00 | 16.00 |
| 6-180503 АК4С9Ш1И | Шариковый радиальный однорядный подшипник. Нормы шумности. Повышенная грузоподъемность. Изменение ТУ на поставку комплектующих деталей или исходных материалов. Смазка ЛЗ-31. | 17.00 | 40.00 | 16.00 |
| 6-180503 АК4С9ШИ | Шариковый радиальный однорядный подшипник. Повышенная грузоподъемность. Изменение ТУ на поставку комплектующих деталей или исходных материалов. Нормы шумности. Смазка ЛЗ-31. | 17.00 | 40.00 | 16.00 |
| 6-180503 АС9 | Шариковый радиальный однорядный подшипник. Повышенная грузоподъемность. Смазка ЛЗ-31. | 17.00 | 40.00 | 16.00 |
| 6-180503 АС9Ш1 | Шариковый радиальный однорядный подшипник. Повышенная грузоподъемность. Нормы шумности. Смазка ЛЗ-31. | 17.00 | 40.00 | 16.00 |
| 6-180503 АС9Ш1К4 | Шариковый радиальный однорядный подшипник. Повышенная грузоподъемность. Нормы шумности. Смазка ЛЗ-31. | 17.00 | 40.00 | 16.00 |
| 6-180503 К1С9 | Шариковый радиальный однорядный подшипник. Смазка ЛЗ-31. | 17.00 | 40.00 | 16.00 |
| 6-180503 К2С9Ш1 | Шариковый радиальный однорядный подшипник. Нормы шумности. Смазка ЛЗ-31. | 17.00 | 40.00 | 16.00 |
| 6-180503 К3С9 | Шариковый радиальный однорядный подшипник. «Замок» (скос) на внутреннем кольце плюс массивный сепаратор из текстолита. Смазка ЛЗ-31. | 17.00 | 40.00 | 16.00 |
| 6-180503 К4С9 | Шариковый радиальный однорядный подшипник. «Замок» (скос) на внутреннем кольце плюс массивный сепаратор из текстолита. Смазка ЛЗ-31. | 17.00 | 40.00 | 16.00 |
| 6-180503 К4С9И | Шариковый радиальный однорядный подшипник. «Замок» (скос) на внутреннем кольце плюс массивный сепаратор из текстолита. Изменение ТУ на поставку комплектующих деталей или исходных материалов. Смазка ЛЗ-31. | 17.00 | 40.00 | 16.00 |
| 6-180503 К4С9Ш1 | Шариковый радиальный однорядный подшипник. Нормы шумности. Смазка ЛЗ-31. | 17.00 | 40.00 | 16.00 |
| 6-180503 С17 | Шариковый радиальный однорядный подшипник. Смазка Литол-24. | 17.00 | 40.00 | 16.00 |
| 6-180503 С9 | Шариковый радиальный однорядный подшипник. Смазка ЛЗ-31. | 17.00 | 40.00 | 16.00 |
Способы доставки
Отправка через ведущие транспортные и курьерские компании: ПЭК, Деловые Линии, СДЭК, Байкал-Сервис, Энергия, КИТ, ЖелДорЭкспедиция.
Самовывоз возможен напрямую со склада в Москве.
Сроки доставки
Срок зависит от региона и выбранной транспортной компании. Все заказы комплектуются и отправляются в кратчайшие сроки со склада в Москве.
Надёжность и сохранность
Вся продукция упаковывается с учётом требований транспортировки. Мы гарантируем, что подшипники и комплектующие прибудут к заказчику в полной сохранности.
Доставка в страны ЕАЭС
Мы работаем с проверенными логистическими партнёрами, что позволяет оперативно доставлять заказы в Беларусь, Казахстан, Армению и другие страны ЕАЭС.
Варианты оплаты:
Минимальная сумма заказа и скидки:
Документы и гарантии:
Да, конечно! Наши технические специалисты готовы помочь вам с подбором точного аналога или замены подшипника. Просто позвоните нам по телефону +7 (495) 104-99-04 или напишите на почту zakaz@podsnab.ru.
Для оперативной консультации подготовьте, пожалуйста, имеющиеся данные: маркировку, размеры, тип оборудования или артикул старого подшипника.
Да, конечно! Мы высоко ценим долгосрочное сотрудничество и доверие клиентов по всей России. Для постоянных клиентов действует персональная система скидок.
Условия формируются индивидуально и зависят от:
Чтобы узнать свои условия и получить максимально выгодное предложение, свяжитесь с персональным менеджером или напишите нам на почту zakaz@podsnab.ru.
Вы можете оформить заказ несколькими способами:
Для оформления заказа от юридического лица свяжитесь с нашим отделом по работе с корпоративными клиентами по телефону +7 (495) 104-99-04 или напишите на email zakaz@podsnab.ru, прикрепив реквизиты вашей организации.
Мы оперативно подготовим коммерческое предложение и выставим счет.
Возврат товара надлежащего качества возможен в течение 10 дней с момента получения, если товар не был в употреблении, сохранен товарный вид, упаковка не вскрывалась и присутствуют все сопроводительные документы.
Возврат денежных средств осуществляется в течение 10 рабочих дней после проверки товара складом.
В соответствии с законодательством возврату не подлежат подшипники надлежащего качества, если отсутствует оригинальная упаковка или имеются следы монтажа.
В случае выявления брака или гарантийного случая мы гарантируем возврат или обмен товара.
Да, гарантийный срок хранения устанавливается заводом-изготовителем и в среднем составляет 2 года при соблюдении условий хранения: сухое помещение, оригинальная упаковка и смазка.
Точный срок для конкретного типа подшипника уточняйте у наших менеджеров.
Пн–Пт: с 8:00 до 17:00 (МСК).
Сб–Вс: выходные дни.
Заказы на сайте принимаются круглосуточно. Заявки, поступившие после окончания рабочего дня, обрабатываются на следующий рабочий день.
Минимальная сумма заказа для доставки составляет 3000 рублей. Самовывоз со склада возможен на любую сумму при наличии товара.
ООО «УралТехГрупп»
ИНН: 7415093830
КПП: 772401001
ОГРН: 1167456069021
Банк: ПАО Сбербанк
Р/с: 40702810838000475273
К/с: 30101810400000000225
БИК: 044525225
У подшипника 3203-BD-TVH пока нет отзывов. Вы можете стать первым покупателем, поделившимся своим мнением.