Поиск подшипника
Статьи
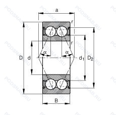
3201-B-2Z-TVH — Шариковый радиально-упорный двухрядный подшипник, модификация основного исполнения 3201, производство FAG.
Размер подшипника: 12x32x15 мм.
Твердая клетка из полиамида, защитные металлические шайбы с обеих сторон подшипника, модифицированная внутренняя конструкция.
Международная стандартизации ISO
3201B2ZTVH
В наличии
| Обозначение | Конструктивные изменения |
|---|---|
| 3201-B-TV | Design Without Filling Slots Have Угол контактаs Of 32°. Сепаратор из полиамида. |
| 3201-B-2Z-TV | Design Without Filling Slots Have Угол контактаs Of 32°. Защитные металлические шайбы с обеих сторон. Сепаратор из полиамида. |
| 3201-B-2RSR-TV | Design Without Filling Slots Have Угол контактаs Of 32°. Резиновые уплотнения с каждой стороны подшипника. Сепаратор из полиамида. |
| 3201-2RS-ATN9 | Нет слотов для заполнения. Литой сепаратор из полиамида 6.6. армированного стекловолокном. Элемент качения по центру. Резиновые уплотнения с каждой стороны подшипника. |
| 3201.2RS.TN | Резиновые уплотнения с каждой стороны подшипника. Формованный полиамидный сепаратор оконного типа. Роликовые тела качения. |
| 3201 ZZ ATN9 | Нет слотов для заполнения. Литой сепаратор из полиамида 6.6. армированного стекловолокном. Центрированный элемент качения.. Защитные металлические шайбы с обеих сторон. |
| 3201B 2RSR TNG | 25° Угол контакта. Резиновые уплотнения с каждой стороны подшипника. Сепаратор из полиамида 66. армированного стекловолокном. |
| 3201E JH | Повышенная грузоподъемность. Штампованная сталь. |
| 3201B Z NR TNG | Конический роликовый подшипник. Угол контакта 20 градусов. Одна защитная металлическая шайба. SNAP RING GROOVE WITH SNAP RING. Прочный сепаратор из полиамида. армированного стекловолокном. |
| 3201B ZZ | Конический роликовый подшипник. Угол контакта 20 градусов. Две металлические защитные шайбы. |
| 3201B.2ZR.TVH.NR | Модификация внутренней конструкции. Канавка под стопорное кольцо на наружном кольце с соответствующим стопорным кольцом. Формованный полиамидный сепаратор защелкивающегося типа. Щиты с обеих сторон подшипника. |
| 3201-B-2RS-TNH | Резиновые уплотнения с каждой стороны подшипника. Модификация внутренней конструкции. Подшипник с защелкиваемым сепаратором из пластмассы. |
| 3201-B-TNH-C3 | Внутренний зазор больше нормального. Модификация внутренней конструкции. Подшипник с защелкиваемым сепаратором из пластмассы. |
| 3201B TNG C3 | Внутренний зазор больше нормального. 25° Угол контакта. Сепаратор из полиамида 66. армированного стекловолокном. |
| 3201 2RS TNG | Резиновые уплотнения с каждой стороны подшипника. Прочный сепаратор из полиамида. армированного стекловолокном. |
| 3201-2ZTN9 | Формованный под давлением защелкивающийся сепаратор из усиленного стекловолокном полиамида 6.6. Защитные металлические шайбы с обеих сторон подшипника. |
| 3201ATN9/C3 | Внутренний зазор больше нормального. Двухрядный радиально-упорный шарикоподшипник без отверстия для смазки. Литой защелкивающийся сепаратор из полиамида. армированного стекловолокном 6.6. |
| 3201BB.TVH.C3 | Внутренний зазор больше нормального. Формованный полиамидный сепаратор защелкивающегося типа. Ball Bearing. Paired. Back-To-Back. |
| 3201AM | Двухрядный радиально-упорный шарикоподшипник без отверстия для смазки. Обработанный латунный сепаратор оконного типа. Центрирование шарика. |
| 3201A-2RS1TN9/MT33 | Двухрядный радиально-упорный шарикоподшипник без отверстия для смазки. Литой защелкивающийся сепаратор из полиамида. армированного стекловолокном 6.6. Усиленные листовой сталью контактные уплотнения из акрилонитрил-бутадиенового каучука (NBR) с обеих сторон подшипника. Lithium Grease. Medium Temp. 74 cSt @ 40°C. -30°C/+120°C. A Two-Figure Number Following MT Identifies The Actual Grease. An Additional Letter Or Letter/Figure Combination As Mentioned Under HT Identifies Filling Degrees Other Than Standard. Examples/ MT33 Or MT37F9. |
| 3201B-2ZTN | 25° Угол контакта. Две металлические защитные шайбы. Сепаратор из полиамида 66. армированного стекловолокном. |
| 3201B-2ZTNC3 | Внутренний зазор больше нормального. 25° Угол контакта. Две металлические защитные шайбы. Сепаратор из полиамида 66. армированного стекловолокном. |
| 3201J | Сепаратор из стали. |
| 3201 A-2RS1 | Измененная или модифицированная внутренняя конструкция при неизменных основных размерах. Усиленные листовой сталью контактные уплотнения из акрилонитрил-бутадиенового каучука (NBR) с обеих сторон подшипника. |
| 3201A-2Z | Измененная или модифицированная внутренняя конструкция при неизменных основных размерах. Защитные металлические шайбы с обеих сторон подшипника. |
Модификации шарикового подшипника 3201-B-2Z-TVH — это измененное основное конструктивное исполнение 3201, основные размеры (12x32x15) не отличаются.
| Обозначение | Гост | Конструктивные особенности |
|---|---|---|
| 5201EEG15 | ISO | Шариковый радиально-упорный двухрядный подшипник. |
| 5201K | ISO | Коническое отверстие. Конусность 1/12. |
| 5201K PRB | ISO | Коническое отверстие. Конусность 1/12. Molded Nylon Cage. |
| S3201 | ISO | Шариковый радиально-упорный двухрядный подшипник. |
| 5201A-2NS | ISO | Двухрядный радиально-упорный шарикоподшипник без отверстия для смазки. Два контактных уплотнения. |
| 5201ANS | ISO | Шариковый радиально-упорный двухрядный подшипник. |
| 5201AZZ | ISO | Однорядный радиальный шарикоподшипник с двумя уплотнениями. |
| 5201ANR | ISO | Шариковый радиально-упорный двухрядный подшипник. |
| 5201NS | ISO | Шарики из нитрида кремния Si3N4 (гибридные подшипники). Керамические шарики. |
| 5201NR | ISO | Канавка под стопорное кольцо на наружном кольце с соответствующим стопорным кольцом. |
| 5201AN | ISO | Код формы шариковой направляющей. |
| 5201AZ | ISO | Шариковый радиально-упорный двухрядный подшипник. |
| 5201N | ISO | Канавка под стопорное кольцо на внешнем кольце. |
| 5201Z | ISO | щит из листовой прессованной стали с одной стороны подшипника. |
| 5201SCLLD | ISO | Угол контакта 15°. Только для тел качения. |
| 5201SCZZ | ISO | Угол контакта 15°. Только для тел качения. |
| 5201SCLLM | ISO | Угол контакта 15°. Только для тел качения. |
| 3056201 | ГОСТ | Шариковый радиально-упорный двухрядный подшипник. |
| 3056201-К | ГОСТ | «Замок» (скос) на внутреннем кольце плюс массивный сепаратор из текстолита. |
| 5-3086201 Д | ГОСТ | Сепаратор из алюминиевого сплава.. |
Аналог шарикового подшипника 3201-B-2Z-TVH — это подшипник такого же размера dx12,Dx32,Bx15, типа и конструкции.
| Обозначение | Конструктивные особенности | Внутренний (d) | Наружный (D) | Ширина (B) |
|---|---|---|---|---|
| 2ШМ12-Ю | Шарнирный подшипник. Одно или два кольца из нержавеющей стали.. Без отверстий и канавок для смазки.. | 12.00 | 32.00 | 16.00 |
| 2ШС12-Ю | Шарнирный подшипник. Одно или два кольца из нержавеющей стали.. С отверстиями и канавками для смазки во внутреннем кольце.. | 12.00 | 32.00 | 16.00 |
| 2Ш12-Ю | Шарнирный подшипник. Одно или два кольца из нержавеющей стали.. Нормы шумности. Без отверстий и канавок для смазки.. | 12.00 | 32.00 | 16.00 |
| 2Ш12-Ю2УТВК | Шарнирный подшипник. Уменьшенный внутренний осевой зазор.. Температура отпуска. 160°. Поверхность скольжения – нержавеющая сталь/серебро (покрытие сферы внутреннего кольца серебром).. Нормы шумности. Без отверстий и канавок для смазки.. Отдельное внутреннее кольцо шарнирного подшипника.. | 12.00 | 24.00 | 16.00 |
| 2Ш12-Ю2УТВК1 | Шарнирный подшипник. Уменьшенный внутренний осевой зазор.. Температура отпуска. 160°. Поверхность скольжения – нержавеющая сталь/серебро (покрытие сферы внутреннего кольца серебром).. Нормы шумности. Без отверстий и канавок для смазки.. Канавка и отверстие для смазки на наружном кольце.. | 12.00 | 24.00 | 16.00 |
| 2Ш12-ЮТВК | Шарнирный подшипник. Температура отпуска. 160°. Одно или два кольца из нержавеющей стали.. Нормы шумности. Без отверстий и канавок для смазки.. Отдельное внутреннее кольцо шарнирного подшипника.. | 12.00 | 24.00 | 16.00 |
| 2ШЛТ12 | Шарнирный подшипник. Без отверстий и канавок для смазки. | 12.00 | 32.00 | 16.00 |
| 2ШЛТ12-Ю1Т | Шарнирный подшипник. Температура отпуска. 160°. Одно или два кольца из нержавеющей стали.. Без отверстий и канавок для смазки. | 12.00 | 22.00 | 16.00 |
| 2ШМ12-ЮТ | Шарнирный подшипник. Температура отпуска. 160°. Одно или два кольца из нержавеющей стали.. Без отверстий и канавок для смазки.. | 12.00 | 32.00 | 16.00 |
| 2ШС12-Ю2УТ | Шарнирный подшипник. Уменьшенный внутренний осевой зазор.. Температура отпуска. 160°. Поверхность скольжения – нержавеющая сталь/серебро (покрытие сферы внутреннего кольца серебром).. С отверстиями и канавками для смазки во внутреннем кольце.. | 12.00 | 32.00 | 16.00 |
| 2ШС12-ЮТ | Шарнирный подшипник. Температура отпуска. 160°. Одно или два кольца из нержавеющей стали.. С отверстиями и канавками для смазки во внутреннем кольце.. | 12.00 | 32.00 | 16.00 |
| 2ШС12ВК | Шарнирный подшипник. Отдельное внутреннее кольцо шарнирного подшипника.. С отверстиями и канавками для смазки во внутреннем кольце.. | 12.00 | 32.00 | 16.00 |
| 5-160501 ЕТ2 | Шариковый радиальный однорядный подшипник. Сепаратор из текстолита.. 200°. Температура отпуска. | 12.00 | 32.00 | 14.00 |
| 6-180501 АС9Ш1 | Шариковый радиальный однорядный подшипник. Повышенная грузоподъемность. Нормы шумности. Смазка ЛЗ-31. | 12.00 | 32.00 | 14.00 |
| 6-180501 К4С9Ш1 | Шариковый радиальный однорядный подшипник. Нормы шумности. Смазка ЛЗ-31. | 12.00 | 32.00 | 14.00 |
Способы доставки
Отправка через ведущие транспортные и курьерские компании: ПЭК, Деловые Линии, СДЭК, Байкал-Сервис, Энергия, КИТ, ЖелДорЭкспедиция.
Самовывоз возможен напрямую со склада в Москве.
Сроки доставки
Срок зависит от региона и выбранной транспортной компании. Все заказы комплектуются и отправляются в кратчайшие сроки со склада в Москве.
Надёжность и сохранность
Вся продукция упаковывается с учётом требований транспортировки. Мы гарантируем, что подшипники и комплектующие прибудут к заказчику в полной сохранности.
Доставка в страны ЕАЭС
Мы работаем с проверенными логистическими партнёрами, что позволяет оперативно доставлять заказы в Беларусь, Казахстан, Армению и другие страны ЕАЭС.
Варианты оплаты:
Минимальная сумма заказа и скидки:
Документы и гарантии:
Да, конечно! Наши технические специалисты готовы помочь вам с подбором точного аналога или замены подшипника. Просто позвоните нам по телефону +7 (495) 104-99-04 или напишите на почту zakaz@podsnab.ru.
Для оперативной консультации подготовьте, пожалуйста, имеющиеся данные: маркировку, размеры, тип оборудования или артикул старого подшипника.
Да, конечно! Мы высоко ценим долгосрочное сотрудничество и доверие клиентов по всей России. Для постоянных клиентов действует персональная система скидок.
Условия формируются индивидуально и зависят от:
Чтобы узнать свои условия и получить максимально выгодное предложение, свяжитесь с персональным менеджером или напишите нам на почту zakaz@podsnab.ru.
Вы можете оформить заказ несколькими способами:
Для оформления заказа от юридического лица свяжитесь с нашим отделом по работе с корпоративными клиентами по телефону +7 (495) 104-99-04 или напишите на email zakaz@podsnab.ru, прикрепив реквизиты вашей организации.
Мы оперативно подготовим коммерческое предложение и выставим счет.
Возврат товара надлежащего качества возможен в течение 10 дней с момента получения, если товар не был в употреблении, сохранен товарный вид, упаковка не вскрывалась и присутствуют все сопроводительные документы.
Возврат денежных средств осуществляется в течение 10 рабочих дней после проверки товара складом.
В соответствии с законодательством возврату не подлежат подшипники надлежащего качества, если отсутствует оригинальная упаковка или имеются следы монтажа.
В случае выявления брака или гарантийного случая мы гарантируем возврат или обмен товара.
Да, гарантийный срок хранения устанавливается заводом-изготовителем и в среднем составляет 2 года при соблюдении условий хранения: сухое помещение, оригинальная упаковка и смазка.
Точный срок для конкретного типа подшипника уточняйте у наших менеджеров.
Пн–Пт: с 8:00 до 17:00 (МСК).
Сб–Вс: выходные дни.
Заказы на сайте принимаются круглосуточно. Заявки, поступившие после окончания рабочего дня, обрабатываются на следующий рабочий день.
Минимальная сумма заказа для доставки составляет 3000 рублей. Самовывоз со склада возможен на любую сумму при наличии товара.
ООО «УралТехГрупп»
ИНН: 7415093830
КПП: 772401001
ОГРН: 1167456069021
Банк: ПАО Сбербанк
Р/с: 40702810838000475273
К/с: 30101810400000000225
БИК: 044525225
У подшипника 3201-B-2Z-TVH пока нет отзывов. Вы можете стать первым покупателем, поделившимся своим мнением.