Поиск подшипника
Статьи
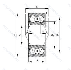
3202-BD-TVH — Шариковый радиально-упорный двухрядный подшипник, модификация основного исполнения 3202, производство FAG.
Размер подшипника: 15x35x15 мм.
Твердая клетка из полиамида, tapered roller bearing. steep угол контакта (24° to 32°). metric series.
Альтернативное обозначение: 3202-BD-XL-TVH.
Международная стандартизации ISO
3202BDTVH
В наличии
| Обозначение | Конструктивные изменения |
|---|---|
| 3202B 2RS TNG/AVSN5 | Резиновые уплотнения с каждой стороны подшипника. 25° Угол контакта. Сепаратор из полиамида 66. армированного стекловолокном. |
| 3202B-2ZRNRTNG | 25° Угол контакта. Канавка под стопорное кольцо на наружном кольце с соответствующим стопорным кольцом. Metal Shields At Each Side Of The Bearing. Прочный сепаратор из полиамида. армированного стекловолокном. |
| 3202B-2ZNRTN | 25° Угол контакта. Metal Shields At Each Side Of The Bearing. Канавка под стопорное кольцо на наружном кольце с соответствующим стопорным кольцом. Прочный сепаратор из полиамида. армированного стекловолокном. |
| 3202B 2RS TNG C3 | Внутренний зазор больше нормального. Резиновые уплотнения с каждой стороны подшипника. 25° Угол контакта. Сепаратор из полиамида 66. армированного стекловолокном. |
| 3202-B-2Z-TV | Design Without Filling Slots Have Угол контактаs Of 32°. Защитные металлические шайбы с обеих сторон. Сепаратор из полиамида. |
| 3202.2RS.TN.C3 | Внутренний зазор больше нормального. Резиновые уплотнения с каждой стороны подшипника. Формованный полиамидный сепаратор оконного типа. Роликовые тела качения. |
| 3202B ZZ TNG C3 | Внутренний зазор больше нормального. 25° Угол контакта. Защитная металлическая шайба с двух сторон подшипника. Сепаратор из полиамида 66. армированного стекловолокном. |
| 3202B-2RSRSTNGC3 | Внутренний зазор больше нормального. 25° Угол контакта. Резиновые уплотнения с каждой стороны подшипника. Сепаратор из полиамида 66. армированного стекловолокном. |
| 3202-2Z-C3 | Внутренний зазор больше нормального. Зазорные уплотнения с обеих сторон подшипника.. |
| 3202BC.TNH | Подшипник с защелкиваемым сепаратором из пластмассы. Conrad Type 25° Угол контакта. Domestic Production. |
| 3202B.TVH.C2 | Внутренний зазор подшипника меньше нормального. Модификация внутренней конструкции. Литой полиамидный сепаратор (PA66). защелкивающийся. |
| 3202B.TVH.C3 | Внутренний зазор больше нормального. Модификация внутренней конструкции. Литой полиамидный сепаратор (PA66). защелкивающийся. |
| 3202B TG MT15 | Конический роликовый подшипник. Угол контакта 20 градусов. сепаратор из полиамида 6.6. армированного стекловолокном. LUBRICANT. MEDIUM TEMPERATURE RANGES. |
| 3202M | Механически обработанный латунный сепаратор .Расположенный на элементах качения. |
| 3202BC.TNH.C3 | Внутренний зазор больше нормального. Подшипник с защелкиваемым сепаратором из пластмассы. Conrad Type 25° Угол контакта. Domestic Production. |
| 3202A J30 | Без пазов для заполнения, с полиамидным сепаратором, угол 25°. Внутренний зазор больше нормального. |
| 3202-B-2RS-TV | Резиновые уплотнения с каждой стороны подшипника. Design Without Filling Slots Have Угол контактаs Of 32°. Сепаратор из полиамида. |
| 3202B-2ZTNC3 | Внутренний зазор больше нормального. 25° Угол контакта. Две металлические защитные шайбы. Сепаратор из полиамида 66. армированного стекловолокном. |
| 3202BTN | 25° Угол контакта. Клетка из армированного стекловолокном полиамида 66. |
| 3202 2NSE | Резиновые уплотнения с каждой стороны подшипника. |
| 3202-ST | Stainless Steel (440C) Rings And Rolling Elements. |
| 3202A-2Z | Измененная или модифицированная внутренняя конструкция при неизменных основных размерах. Защитные металлические шайбы с обеих сторон подшипника. |
| 3202-BD-2Z-TVH | Защитные металлические шайбы с обеих сторон подшипника. Твердая клетка из полиамида. Tapered Roller Bearing. Steep Угол контакта (24° To 32°). Metric Series. |
| 3202-BD-2HRS-TVH | Твердая клетка из полиамида. Манжетные уплотнения с обеих сторон изготовлены из нитрил-бутадиенового каучука. Эти конструкции смазываются на весь срок службы высококачественной смазкой и подходят для умеренных скоростей. Момент трения и тепловыделение ниже, чем при использовании предыдущего уплотнения RSR.. Tapered Roller Bearing. Steep Угол контакта (24° To 32°). Metric Series. |
| 3202-B-2RSR-TV | Конический роликовый подшипник. Угол контакта 20 градусов. Резиновые уплотнения с каждой стороны подшипника. Прочный сепаратор из полиамида. армированного стекловолокном. |
Модификации шарикового подшипника 3202-BD-TVH — это измененное основное конструктивное исполнение 3202, основные размеры (15x35x15) не отличаются.
| Обозначение | Гост | Конструктивные особенности |
|---|---|---|
| 5202-2RS C3 | ISO | Внутренний зазор больше нормального. Резиновые уплотнения с каждой стороны подшипника. |
| 5202NRZZG15 | ISO | Шариковый радиально-упорный двухрядный подшипник. |
| 5202K PRB | ISO | Коническое отверстие. Конусность 1/12. Molded Nylon Cage. |
| S3202 | ISO | Шариковый радиально-упорный двухрядный подшипник. |
| 5202AZZ | ISO | Однорядный радиальный шарикоподшипник с двумя уплотнениями. |
| 5202AZ | ISO | Шариковый радиально-упорный двухрядный подшипник. |
| 5202A-2NS | ISO | Двухрядный радиально-упорный шарикоподшипник без отверстия для смазки. Два контактных уплотнения. |
| 5202N | ISO | Канавка под стопорное кольцо на внешнем кольце. |
| 5202AN | ISO | Код формы шариковой направляющей. |
| 5202ANR | ISO | Шариковый радиально-упорный двухрядный подшипник. |
| 5202A | ISO | Двухрядный радиально-упорный шарикоподшипник без отверстия для смазки. |
| 5202NS | ISO | Шарики из нитрида кремния Si3N4 (гибридные подшипники). Керамические шарики. |
| 5202Z | ISO | щит из листовой прессованной стали с одной стороны подшипника. |
| 5202ANS | ISO | Шариковый радиально-упорный двухрядный подшипник. |
| 5202SCLLD | ISO | Угол контакта 15°. Только для тел качения. |
| 5202SCLLM | ISO | Угол контакта 15°. Только для тел качения. |
| 5202S | ISO | Запечатанная версия кулачкового ролика. Только для тел качения. |
| 5202SCZZ | ISO | Угол контакта 15°. Только для тел качения. |
| 3056202 | ГОСТ | Шариковый радиально-упорный двухрядный подшипник. |
| 3056202-Е | ГОСТ | Сепаратор из текстолита.. |
Аналог шарикового подшипника 3202-BD-TVH — это подшипник такого же размера dx15,Dx35,Bx15, типа и конструкции.
| Обозначение | Конструктивные особенности | Внутренний (d) | Наружный (D) | Ширина (B) |
|---|---|---|---|---|
| 2ШС15 К | Шарнирный подшипник. Канавка и отверстие для смазки на внутреннем и наружном кольцах.. С отверстиями и канавками для смазки во внутреннем кольце.. | 15.00 | 35.00 | 14.00 |
| 2ШСЛ15 | Шарнирный подшипник. С отверстиями и канавками для смазки во внутреннем кольце. | 15.00 | 35.00 | 14.00 |
| 2ШСЛ15К | Шарнирный подшипник. Канавка и отверстие для смазки на внутреннем и наружном кольцах.. С отверстиями и канавками для смазки во внутреннем кольце. | 15.00 | 35.00 | 14.00 |
| 2ШСЛ15К1 | Шарнирный подшипник. Канавка и отверстие для смазки на наружном кольце.. С отверстиями и канавками для смазки во внутреннем кольце. | 15.00 | 35.00 | 14.00 |
| 2ШСП15 | Шарнирный подшипник. С отверстиями и канавками для смазки во внутреннем кольце. | 15.00 | 35.00 | 14.00 |
| 2ШСП15К | Шарнирный подшипник. Канавка и отверстие для смазки на внутреннем и наружном кольцах.. С отверстиями и канавками для смазки во внутреннем кольце. | 15.00 | 35.00 | 14.00 |
| 45-180502 Е1Т2С2 | Шариковый радиальный однорядный подшипник. Сепаратор из текстолита.. 200°. Смазка ЦИАТИМ-221. Температура отпуска. | 15.00 | 35.00 | 14.00 |
| 6-180502 АЕС9 | Шариковый радиальный однорядный подшипник. Сепаратор из текстолита.. Повышенная грузоподъемность. Смазка ЛЗ-31. | 15.00 | 35.00 | 14.00 |
| 6-180502 К1С9 | Шариковый радиальный однорядный подшипник. Смазка ЛЗ-31. | 15.00 | 35.00 | 14.00 |
| 6-180502 К1С9Ш1 | Шариковый радиальный однорядный подшипник. Нормы шумности. Смазка ЛЗ-31. | 15.00 | 35.00 | 14.00 |
| 6-180502 К1УС9 | Шариковый радиальный однорядный подшипник. «Замок» (скос) на внутреннем кольце плюс массивный сепаратор из текстолита. Дополнительные технические требования. Смазка ЛЗ-31. | 15.00 | 35.00 | 14.00 |
| 6-180502 К2УС9 | Шариковый радиальный однорядный подшипник. Дополнительные технические требования. Смазка ЛЗ-31. | 15.00 | 35.00 | 14.00 |
| 6-180502 УС9Ш1 | Шариковый радиальный однорядный подшипник. Дополнительные технические требования. Нормы шумности. Смазка ЛЗ-31. | 15.00 | 35.00 | 14.00 |
| 6-180502 ЮТС2 | Шариковый радиальный однорядный подшипник. Температура отпуска. 160°. Все детали или часть деталей из нержавеющей стали.. Смазка ЦИАТИМ-221. | 15.00 | 35.00 | 14.00 |
| 6-180902 АС17 | Шариковый радиальный однорядный подшипник. Смазка Литол-24. Повышенная грузоподъемность. | 16.00 | 35.00 | 14.00 |
Способы доставки
Отправка через ведущие транспортные и курьерские компании: ПЭК, Деловые Линии, СДЭК, Байкал-Сервис, Энергия, КИТ, ЖелДорЭкспедиция.
Самовывоз возможен напрямую со склада в Москве.
Сроки доставки
Срок зависит от региона и выбранной транспортной компании. Все заказы комплектуются и отправляются в кратчайшие сроки со склада в Москве.
Надёжность и сохранность
Вся продукция упаковывается с учётом требований транспортировки. Мы гарантируем, что подшипники и комплектующие прибудут к заказчику в полной сохранности.
Доставка в страны ЕАЭС
Мы работаем с проверенными логистическими партнёрами, что позволяет оперативно доставлять заказы в Беларусь, Казахстан, Армению и другие страны ЕАЭС.
Варианты оплаты:
Минимальная сумма заказа и скидки:
Документы и гарантии:
Да, конечно! Наши технические специалисты готовы помочь вам с подбором точного аналога или замены подшипника. Просто позвоните нам по телефону +7 (495) 104-99-04 или напишите на почту zakaz@podsnab.ru.
Для оперативной консультации подготовьте, пожалуйста, имеющиеся данные: маркировку, размеры, тип оборудования или артикул старого подшипника.
Да, конечно! Мы высоко ценим долгосрочное сотрудничество и доверие клиентов по всей России. Для постоянных клиентов действует персональная система скидок.
Условия формируются индивидуально и зависят от:
Чтобы узнать свои условия и получить максимально выгодное предложение, свяжитесь с персональным менеджером или напишите нам на почту zakaz@podsnab.ru.
Вы можете оформить заказ несколькими способами:
Для оформления заказа от юридического лица свяжитесь с нашим отделом по работе с корпоративными клиентами по телефону +7 (495) 104-99-04 или напишите на email zakaz@podsnab.ru, прикрепив реквизиты вашей организации.
Мы оперативно подготовим коммерческое предложение и выставим счет.
Возврат товара надлежащего качества возможен в течение 10 дней с момента получения, если товар не был в употреблении, сохранен товарный вид, упаковка не вскрывалась и присутствуют все сопроводительные документы.
Возврат денежных средств осуществляется в течение 10 рабочих дней после проверки товара складом.
В соответствии с законодательством возврату не подлежат подшипники надлежащего качества, если отсутствует оригинальная упаковка или имеются следы монтажа.
В случае выявления брака или гарантийного случая мы гарантируем возврат или обмен товара.
Да, гарантийный срок хранения устанавливается заводом-изготовителем и в среднем составляет 2 года при соблюдении условий хранения: сухое помещение, оригинальная упаковка и смазка.
Точный срок для конкретного типа подшипника уточняйте у наших менеджеров.
Пн–Пт: с 8:00 до 17:00 (МСК).
Сб–Вс: выходные дни.
Заказы на сайте принимаются круглосуточно. Заявки, поступившие после окончания рабочего дня, обрабатываются на следующий рабочий день.
Минимальная сумма заказа для доставки составляет 3000 рублей. Самовывоз со склада возможен на любую сумму при наличии товара.
ООО «УралТехГрупп»
ИНН: 7415093830
КПП: 772401001
ОГРН: 1167456069021
Банк: ПАО Сбербанк
Р/с: 40702810838000475273
К/с: 30101810400000000225
БИК: 044525225
У подшипника 3202-BD-TVH пока нет отзывов. Вы можете стать первым покупателем, поделившимся своим мнением.