Поиск подшипника
Статьи
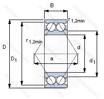
305178 — Шариковый радиально-упорный двухрядный подшипник, основное исполнение, выпускается производителями: KOYO, SKF.
Размер подшипника: 190x290x92 мм.
Международная стандартизации ISO
305178
В наличии
| Обозначение | Конструктивные изменения |
|---|---|
| 305178P6 A | значение этого символа. прикрепленного к базовому коду. специально не зафиксировано. Они используются в соответствии с требованиями к выявлению изменений конструкции подшипника и определенным конструктивным особенностям. Также их можно совмещать между собой. Размерные и геометрические допуски соответствуют классу точности P6. |
Модификации шарикового подшипника 305178 — это измененное основное конструктивное исполнение 305178, основные размеры (190x290x92) не отличаются.
| Обозначение | Гост | Конструктивные особенности |
|---|---|---|
| 7038 A-UD | ISO | Двухрядный радиально-упорный шарикоподшипник без отверстия для смазки. |
| 7038 A-UX | ISO | Двухрядный радиально-упорный шарикоподшипник без отверстия для смазки. Универсальный монтаж, сверхлегкая предварительная нагрузка.. |
| 7038 C-UX | ISO | 15° Угол контакта. Универсальный монтаж, сверхлегкая предварительная нагрузка.. |
| 7038 C-UD | ISO | 15° Угол контакта. |
| 7038 B-UX | ISO | Конический роликовый подшипник. Угол контакта 20 градусов. Универсальный монтаж, сверхлегкая предварительная нагрузка.. |
| 7038 A-UO | ISO | Двухрядный радиально-упорный шарикоподшипник без отверстия для смазки. Универсальный монтаж. Для установки по O- и X- образной схеме - беззазорные.. |
| 7038 B-UO | ISO | Конический роликовый подшипник. Угол контакта 20 градусов. Универсальный монтаж. Для установки по O- и X- образной схеме - беззазорные.. |
| 7038 C-UO | ISO | 15° Угол контакта. Универсальный монтаж. Для установки по O- и X- образной схеме - беззазорные.. |
| 7038 B-UD | ISO | Конический роликовый подшипник. Угол контакта 20 градусов. |
| 7038CDT | ISO | Механически обработанный сепаратор из текстолита. Однорядный радиально-упорный шарикоподшипник улучшенной конструкции с углом контакта 15°. |
| 7038CDB | ISO | Однорядный радиально-упорный шарикоподшипник улучшенной конструкции с углом контакта 15°. |
| 7038CDF | ISO | Механически обработанный сепаратор из стали или специального чугуна. Однорядный радиально-упорный шарикоподшипник улучшенной конструкции с углом контакта 15°. |
| 7038 BDT | ISO | Механически обработанный сепаратор из текстолита. |
| 7038 ADT | ISO | Механически обработанный сепаратор из текстолита. |
| 7038 BDF | ISO | Механически обработанный сепаратор из стали или специального чугуна. |
| 7038 ADB | ISO | Modified Snap Ring Grooves In The Outer Ring_ Two-Piece Inner Ring Held Together By A Retaining Ring. |
| 7038 ADF | ISO | Механически обработанный сепаратор из стали или специального чугуна. |
| 7038 BDB | ISO | Шариковый радиально-упорный двухрядный подшипник. |
Аналог шарикового подшипника 305178 — это подшипник такого же размера dx190,Dx290,Bx92, типа и конструкции.
| Обозначение | Конструктивные особенности | Внутренний (d) | Наружный (D) | Ширина (B) |
|---|---|---|---|---|
| 7038C TR DUL P4 | Подшипник шариковый однорядный радиально-упорный. 15° Угол контакта. Комплект из 2 универсальных подшипников. Небольшой предварительный натяг. Класс точности. Ball Slide Model. | 190.00 | 290.00 | 92.00 |
| 7038C TR DUM P3 | Подшипник шариковый однорядный радиально-упорный. 15° Угол контакта. 2 bearings. Universal Matching - Medium Preload. Ball Slide Model. Класс точности ниже. чем P2. но выше. чем P4. | 190.00 | 290.00 | 92.00 |
| 7038C TR DUM P4 | Подшипник шариковый однорядный радиально-упорный. 15° Угол контакта. Класс точности 4 по ISO. Комплект из 2 универсальных подшипников. Средний преднатяг. Сепаратор из фенольных смол. центрируемый по внутреннему кольцу. | 190.00 | 290.00 | 92.00 |
| 7038C T DUL P4 | Подшипник шариковый однорядный радиально-упорный. 15° Угол контакта. Механически обработанный ламинированный фенольный сепаратор. Комплект из 2 универсальных подшипников. Небольшой предварительный натяг. Класс точности Р4 по ISO (точнее. чем P5) - Abec.7. | 190.00 | 290.00 | 92.00 |
| 246138 | Шариковый радиально-упорный сдвоенный подшипник. | 190.00 | 290.00 | 92.00 |
| 266138 | Шариковый радиально-упорный сдвоенный подшипник. | 190.00 | 290.00 | 92.00 |
| 346138 | Шариковый радиально-упорный сдвоенный подшипник. | 190.00 | 290.00 | 92.00 |
| 366138 | Шариковый радиально-упорный сдвоенный подшипник. | 190.00 | 290.00 | 92.00 |
| 446138 | Шариковый радиально-упорный сдвоенный подшипник. | 190.00 | 290.00 | 92.00 |
| 466138 | Шариковый радиально-упорный сдвоенный подшипник. | 190.00 | 290.00 | 92.00 |
Способы доставки
Отправка через ведущие транспортные и курьерские компании: ПЭК, Деловые Линии, СДЭК, Байкал-Сервис, Энергия, КИТ, ЖелДорЭкспедиция.
Самовывоз возможен напрямую со склада в Москве.
Сроки доставки
Срок зависит от региона и выбранной транспортной компании. Все заказы комплектуются и отправляются в кратчайшие сроки со склада в Москве.
Надёжность и сохранность
Вся продукция упаковывается с учётом требований транспортировки. Мы гарантируем, что подшипники и комплектующие прибудут к заказчику в полной сохранности.
Доставка в страны ЕАЭС
Мы работаем с проверенными логистическими партнёрами, что позволяет оперативно доставлять заказы в Беларусь, Казахстан, Армению и другие страны ЕАЭС.
Варианты оплаты:
Минимальная сумма заказа и скидки:
Документы и гарантии:
Да, конечно! Наши технические специалисты готовы помочь вам с подбором точного аналога или замены подшипника. Просто позвоните нам по телефону +7 (495) 104-99-04 или напишите на почту zakaz@podsnab.ru.
Для оперативной консультации подготовьте, пожалуйста, имеющиеся данные: маркировку, размеры, тип оборудования или артикул старого подшипника.
Да, конечно! Мы высоко ценим долгосрочное сотрудничество и доверие клиентов по всей России. Для постоянных клиентов действует персональная система скидок.
Условия формируются индивидуально и зависят от:
Чтобы узнать свои условия и получить максимально выгодное предложение, свяжитесь с персональным менеджером или напишите нам на почту zakaz@podsnab.ru.
Вы можете оформить заказ несколькими способами:
Для оформления заказа от юридического лица свяжитесь с нашим отделом по работе с корпоративными клиентами по телефону +7 (495) 104-99-04 или напишите на email zakaz@podsnab.ru, прикрепив реквизиты вашей организации.
Мы оперативно подготовим коммерческое предложение и выставим счет.
Возврат товара надлежащего качества возможен в течение 10 дней с момента получения, если товар не был в употреблении, сохранен товарный вид, упаковка не вскрывалась и присутствуют все сопроводительные документы.
Возврат денежных средств осуществляется в течение 10 рабочих дней после проверки товара складом.
В соответствии с законодательством возврату не подлежат подшипники надлежащего качества, если отсутствует оригинальная упаковка или имеются следы монтажа.
В случае выявления брака или гарантийного случая мы гарантируем возврат или обмен товара.
Да, гарантийный срок хранения устанавливается заводом-изготовителем и в среднем составляет 2 года при соблюдении условий хранения: сухое помещение, оригинальная упаковка и смазка.
Точный срок для конкретного типа подшипника уточняйте у наших менеджеров.
Пн–Пт: с 8:00 до 17:00 (МСК).
Сб–Вс: выходные дни.
Заказы на сайте принимаются круглосуточно. Заявки, поступившие после окончания рабочего дня, обрабатываются на следующий рабочий день.
Минимальная сумма заказа для доставки составляет 3000 рублей. Самовывоз со склада возможен на любую сумму при наличии товара.
ООО «УралТехГрупп»
ИНН: 7415093830
КПП: 772401001
ОГРН: 1167456069021
Банк: ПАО Сбербанк
Р/с: 40702810838000475273
К/с: 30101810400000000225
БИК: 044525225
У подшипника 305178 пока нет отзывов. Вы можете стать первым покупателем, поделившимся своим мнением.