Поиск подшипника
Статьи
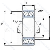
5220 A — Шариковый радиально-упорный двухрядный подшипник, модификация основного исполнения 5220, выпускается производителями: NACHI, SKF.
Размер подшипника: 100x180x60 мм.
Измененная или модифицированная внутренняя конструкция при неизменных основных размерах.
Международная стандартизации ISO
5220A
В наличии
| Обозначение | Конструктивные изменения |
|---|---|
| 5220A/W64 | Двухрядный радиально-упорный шарикоподшипник без отверстия для смазки. Антифрикционный заполнитель. твердая смазка. |
| 5220WS | Double Ribbed Outer Ring. Stamped Steel Land-Riding Cage. |
| 5220 | Шариковый радиально-упорный двухрядный подшипник. Основное конструктивное исполнение. |
| 5220Z | щит из листовой прессованной стали с одной стороны подшипника. |
| 5220W | Радиальный подшипник. Тип заправочного паза. |
| 5220 U 117 | Cylinder Roller Bearing. Single Row. Two Lip Outer Ring. Non-Locating. Separable. Assembled Retainer. 101 to 129 are numerically assigned codes that designate the variation from standard (example 101 = 1st variation. 102 = 2nd variation. etc.). These bearing code numbers do not in any way reference the modification from standard. Engineering must be contacted for information concerning a particular modification. |
| A 5220 WB | Cast Iron Take-Up Type Bearing Unit With Its Stretcher Frame. Relubricatable. |
| A-5220-WS | Двухрядный радиально-упорный шарикоподшипник без отверстия для смазки. Double Ribbed Outer Ring. Stamped Steel Land-Riding Cage. |
| 5220-2RS | Резиновые уплотнения с каждой стороны подшипника. |
| 5220ZZ | Защитные металлические шайбы с обеих сторон. |
| 5220ANR | Шариковый радиально-упорный двухрядный подшипник. |
| 5220AN | Код формы шариковой направляющей. |
| 5220NR | Канавка под стопорное кольцо на наружном кольце с соответствующим стопорным кольцом. |
| 5220N | Канавка под стопорное кольцо на внешнем кольце. |
Модификации шарикового подшипника 5220 A — это измененное основное конструктивное исполнение 5220, основные размеры (100x180x60) не отличаются.
| Обозначение | Гост | Конструктивные особенности |
|---|---|---|
| 6-3056220 К1Ш1 | ГОСТ | «Замок» (скос) на внутреннем кольце плюс массивный сепаратор из текстолита. Нормы шумности. |
| 6-3056220 Л1Ш1 | ГОСТ | Сепаратор из латуни.. Нормы шумности. |
| 6-3056220 Ш | ГОСТ | Нормы шумности. |
| 76-3056220 К1Ш1 | ГОСТ | «Замок» (скос) на внутреннем кольце плюс массивный сепаратор из текстолита. Нормы шумности. |
| 76-3056220 Л1Ш1 | ГОСТ | Сепаратор из латуни.. Нормы шумности. |
| 3056220 | ГОСТ | Шариковый радиально-упорный двухрядный подшипник. |
| 3056220-К1 | ГОСТ | «Замок» (скос) на внутреннем кольце плюс массивный сепаратор из текстолита. |
| 3056220-Л1 | ГОСТ | Сепаратор из латуни.. |
Аналог шарикового подшипника 5220 A — это подшипник такого же размера dx100,Dx180,Bx60, типа и конструкции.
| Обозначение | Конструктивные особенности | Внутренний (d) | Наружный (D) | Ширина (B) |
|---|---|---|---|---|
| 23220B | Роликовый радиальный сферический двухрядный подшипник. Конический роликовый подшипник. Угол контакта 20 градусов. | 100.00 | 180.00 | 60.30 |
| 23220YM | Роликовый радиальный сферический двухрядный подшипник. 1 Piece Bronze Cage - Finger Type. | 100.00 | 180.00 | 60.30 |
| 23220 KCW33+AH3220 | Роликовый радиальный сферический двухрядный подшипник. Кольцевая канавка и три отверстия для смазывания в наружном кольце подшипника. Коническое внутреннее отверстие. | 100.00 | 180.00 | 60.30 |
| 23220 KCW33+H2320 | Роликовый радиальный сферический двухрядный подшипник. Кольцевая канавка и три отверстия для смазывания в наружном кольце подшипника. Коническое внутреннее отверстие. | 100.00 | 180.00 | 60.30 |
| N3220 | Роликовый радиальный однорядный подшипник. Канавка под стопорное кольцо на наружном кольце подшипника. | 100.00 | 180.00 | 60.30 |
| NF3220 | Роликовый радиальный однорядный подшипник. Механически обработанный сепаратор из стали или специального чугуна. Канавка под стопорное кольцо на наружном кольце подшипника. | 100.00 | 180.00 | 60.30 |
| NJ100X180X60.3 | Роликовый радиальный однорядный подшипник. Габаритные размеры отличаются от стандарта ISO или опорные ролики с цилиндрической наружной поверхностью. Размерные и геометрические допуски соответствуют классу точности P6. Однорядный цилиндрический роликовый подшипник. Наружное кольцо имеет два борта. | 100.00 | 180.00 | 60.30 |
| NJ3220 | Роликовый радиальный однорядный подшипник. Штампованный сепаратор из стального листа. Канавка под стопорное кольцо на наружном кольце подшипника. Однорядный цилиндрический роликовый подшипник. Наружное кольцо имеет два борта. | 100.00 | 180.00 | 60.30 |
| NJ5220 | Роликовый радиальный однорядный подшипник. Штампованный сепаратор из стального листа. Канавка под стопорное кольцо на наружном кольце подшипника. Однорядный цилиндрический роликовый подшипник. Наружное кольцо имеет два борта. | 100.00 | 180.00 | 60.32 |
| NP3220 | Роликовый радиальный однорядный подшипник. Канавка под стопорное кольцо на наружном кольце подшипника. | 100.00 | 180.00 | 60.30 |
| NUP3220 | Роликовый радиальный однорядный подшипник. Канавка под стопорное кольцо на наружном кольце подшипника. Точность размеров примерно соответствует классу точности Р4. Однорядный цилиндрический роликовый подшипник. Наружное кольцо имеет два борта. | 100.00 | 180.00 | 60.30 |
| NUP5220 | Роликовый радиальный однорядный подшипник. Канавка под стопорное кольцо на наружном кольце подшипника. Точность размеров примерно соответствует классу точности Р4. Однорядный цилиндрический роликовый подшипник. Наружное кольцо имеет два борта. | 100.00 | 180.00 | 60.32 |
| 23220EX1 | Роликовый радиальный сферический двухрядный подшипник. Сферический роликоподшипник высокой грузоподъемности. | 100.00 | 180.00 | 60.30 |
| 23220AX | Роликовый радиальный сферический двухрядный подшипник. Поверхность контакта скольжения сталь / сталь. | 100.00 | 180.00 | 60.30 |
| AR100-42 | Роликовый радиальный-упорный двухрядный подшипник. 2.5/8. | 100.00 | 180.00 | 60.00 |
Способы доставки
Отправка через ведущие транспортные и курьерские компании: ПЭК, Деловые Линии, СДЭК, Байкал-Сервис, Энергия, КИТ, ЖелДорЭкспедиция.
Самовывоз возможен напрямую со склада в Москве.
Сроки доставки
Срок зависит от региона и выбранной транспортной компании. Все заказы комплектуются и отправляются в кратчайшие сроки со склада в Москве.
Надёжность и сохранность
Вся продукция упаковывается с учётом требований транспортировки. Мы гарантируем, что подшипники и комплектующие прибудут к заказчику в полной сохранности.
Доставка в страны ЕАЭС
Мы работаем с проверенными логистическими партнёрами, что позволяет оперативно доставлять заказы в Беларусь, Казахстан, Армению и другие страны ЕАЭС.
Варианты оплаты:
Минимальная сумма заказа и скидки:
Документы и гарантии:
Да, конечно! Наши технические специалисты готовы помочь вам с подбором точного аналога или замены подшипника. Просто позвоните нам по телефону +7 (495) 104-99-04 или напишите на почту zakaz@podsnab.ru.
Для оперативной консультации подготовьте, пожалуйста, имеющиеся данные: маркировку, размеры, тип оборудования или артикул старого подшипника.
Да, конечно! Мы высоко ценим долгосрочное сотрудничество и доверие клиентов по всей России. Для постоянных клиентов действует персональная система скидок.
Условия формируются индивидуально и зависят от:
Чтобы узнать свои условия и получить максимально выгодное предложение, свяжитесь с персональным менеджером или напишите нам на почту zakaz@podsnab.ru.
Вы можете оформить заказ несколькими способами:
Для оформления заказа от юридического лица свяжитесь с нашим отделом по работе с корпоративными клиентами по телефону +7 (495) 104-99-04 или напишите на email zakaz@podsnab.ru, прикрепив реквизиты вашей организации.
Мы оперативно подготовим коммерческое предложение и выставим счет.
Возврат товара надлежащего качества возможен в течение 10 дней с момента получения, если товар не был в употреблении, сохранен товарный вид, упаковка не вскрывалась и присутствуют все сопроводительные документы.
Возврат денежных средств осуществляется в течение 10 рабочих дней после проверки товара складом.
В соответствии с законодательством возврату не подлежат подшипники надлежащего качества, если отсутствует оригинальная упаковка или имеются следы монтажа.
В случае выявления брака или гарантийного случая мы гарантируем возврат или обмен товара.
Да, гарантийный срок хранения устанавливается заводом-изготовителем и в среднем составляет 2 года при соблюдении условий хранения: сухое помещение, оригинальная упаковка и смазка.
Точный срок для конкретного типа подшипника уточняйте у наших менеджеров.
Пн–Пт: с 8:00 до 17:00 (МСК).
Сб–Вс: выходные дни.
Заказы на сайте принимаются круглосуточно. Заявки, поступившие после окончания рабочего дня, обрабатываются на следующий рабочий день.
Минимальная сумма заказа для доставки составляет 3000 рублей. Самовывоз со склада возможен на любую сумму при наличии товара.
ООО «УралТехГрупп»
ИНН: 7415093830
КПП: 772401001
ОГРН: 1167456069021
Банк: ПАО Сбербанк
Р/с: 40702810838000475273
К/с: 30101810400000000225
БИК: 044525225
У подшипника 5220 A пока нет отзывов. Вы можете стать первым покупателем, поделившимся своим мнением.