Поиск подшипника
Статьи
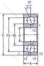
2-1036902-К — Шариковый радиально-упорный однорядный подшипник, модификация основного исполнения 1036902, производство ГПЗ.
Размер подшипника: 15x28x7 мм.
«замок» (скос) на внутреннем кольце плюс массивный сепаратор из текстолита.
Государственный стандарт ГОСТ
21036902К
В наличии
| Обозначение | Конструктивные изменения |
|---|---|
| 1036902 | Шариковый радиально-упорный однорядный подшипник. Основное конструктивное исполнение. |
| 1036902К | «Замок» (скос) на внутреннем кольце плюс массивный сепаратор из текстолита. |
Модификации шарикового подшипника 2-1036902-К — это измененное основное конструктивное исполнение 1036902, основные размеры (15x28x7) не отличаются.
| Обозначение | Гост | Конструктивные особенности |
|---|---|---|
| 71902 ACD/HCP4A | ISO | Измененная или модифицированная внутренняя конструкция при неизменных основных размерах. Однорядный с улучшенной конструкцией и углом контакта 25°. |
| 71902 CE/P4A | ISO | Точность размеров в соответствии с классом допуска ISO 4. точность вращения лучше чем класс допуска ISO 4. 15° Угол контакта And (E) Small Size Steel Balls. |
| 71902 ACE/HCP4A | ISO | Измененная или модифицированная внутренняя конструкция при неизменных основных размерах. 25° Угол контакта And (E) Small Size Steel Balls. |
| S71902 CE/P4A | ISO | Точность размеров в соответствии с классом допуска ISO 4. точность вращения лучше чем класс допуска ISO 4. 15° Угол контакта And (E) Small Size Steel Balls. |
| S71902 CD/HCP4A | ISO | Измененная или модифицированная внутренняя конструкция при неизменных основных размерах. Двухкомпонентный штампованный стальной сепаратор с направляющим кольцом. |
| S71902 CE/HCP4A | ISO | Измененная или модифицированная внутренняя конструкция при неизменных основных размерах. 15° Угол контакта And (E) Small Size Steel Balls. |
| S71902 ACE/P4A | ISO | Точность размеров в соответствии с классом допуска ISO 4. точность вращения лучше чем класс допуска ISO 4. 25° Угол контакта And (E) Small Size Steel Balls. |
| S71902 ACE/HCP4A | ISO | Измененная или модифицированная внутренняя конструкция при неизменных основных размерах. 25° Угол контакта And (E) Small Size Steel Balls. |
| ML71902CVUJ74S | ISO | Угол контакта 15°. Универсальные подшпники. Высокопрецизионные радиально-упорные подшипники с высокой скоростью вращения. Преднатяг (Лёгкий. |
| ML71902HVUJ74S | ISO | Угол контакта 25°. Универсальные подшпники. Высокопрецизионные радиально-упорные подшипники с высокой скоростью вращения. Преднатяг (Лёгкий. |
| MLE71902CVUJ74S | ISO | Угол контакта 15°. Универсальные подшпники. Преднатяг (Лёгкий. Высокопрецизионные радиально-упорные подшипники с высокой скоростью вращения с бесконтактным уплотнением с обеих сторон. |
| 71902 C | ISO | 15° Угол контакта. |
| HSS71902-E-T-P4S | ISO | Повышенная грузоподъемность. Textile Laminated Phenolic Resin. Outer Ring Guided. The Cage Is Suitable For Long-Term Operation At Temperatures Up To 100°C. Класс точности. стандарт FAG лучше чем P4. |
| 71902 A | ISO | Двухрядный радиально-упорный шарикоподшипник без отверстия для смазки. |
| 7902CPA | ISO | Угол контакта 15 градусов. |
| 7902 C | ISO | Угол контакта 15 градусов. |
| 7902AC | ISO | Суффикс для радиально-упорного шарикоподшипника. |
| 7902 A5 | ISO | 25° Угол контакта. |
| 1046902К | ГОСТ | «Замок» (скос) на внутреннем кольце плюс массивный сепаратор из текстолита. |
| 4-1076902 ЮТ | ГОСТ | Температура отпуска. 160°. Все детали или часть деталей из нержавеющей стали.. |
Аналог шарикового подшипника 2-1036902-К — это подшипник такого же размера dx15,Dx28,Bx7, типа и конструкции.
| Обозначение | Конструктивные особенности | Внутренний (d) | Наружный (D) | Ширина (B) |
|---|---|---|---|---|
| 61902-Z.T9H.C3 | Шариковый радиальный однорядный подшипник. Внутренний зазор больше нормального. щит из листовой прессованной стали с одной стороны подшипника. Защелкивающийся сепаратор. Усиленный стекловолокном полиамид. Шариковые тела качения. | 15.00 | 28.00 | 7.00 |
| F61902-2Z | Шариковый радиальный однорядный подшипник. Защитные металлические шайбы с обеих сторон подшипника. | 15.00 | 28.00 | 7.00 |
| 3NCHAC902CA | Шариковый радиальный однорядный подшипник. Угол контакта 20 градусов. Латунный сепаратор с симметричными роликами. | 15.00 | 28.00 | 7.00 |
| 3NCHAC902C | Шариковый радиальный однорядный подшипник. Угол контакта 20 градусов. | 15.00 | 28.00 | 7.00 |
| 1000902-Л | Шариковый радиальный однорядный подшипник. Сепаратор из латуни.. | 15.00 | 28.00 | 7.00 |
| 1000902-Ю | Шариковый радиальный однорядный подшипник. Все детали или часть деталей из нержавеющей стали.. | 15.00 | 28.00 | 7.00 |
| 124-1080902-ЮУП | Шариковый радиальный однорядный подшипник. Дополнительные технические требования. Все детали или часть деталей из нержавеющей стали.. | 15.00 | 28.00 | 7.00 |
| 1М4-1080902 ЮТ | Шариковый радиальный однорядный подшипник. Температура отпуска. 160°. Все детали или часть деталей из нержавеющей стали.. | 15.00 | 28.00 | 7.00 |
| 4-1080902 ЮУ1Т | Шариковый радиальный однорядный подшипник. Температура отпуска. 160°. Все детали или часть деталей из нержавеющей стали.. Дополнительные технические требования. | 15.00 | 28.00 | 7.00 |
| 20-ШМ15 ЮТ | Шарнирный подшипник. Температура отпуска. 160°. Одно или два кольца из нержавеющей стали.. Без отверстий и канавок для смазки.. | 15.00 | 28.00 | 8.00 |
| 20-ШМ15 | Шарнирный подшипник. Без отверстий и канавок для смазки.. | 15.00 | 28.00 | 8.00 |
| 1-ШС15 | Шарнирный подшипник. С отверстиями и канавками для смазки во внутреннем кольце.. | 15.00 | 28.00 | 8.00 |
| 1-ШС15 ЮТ | Шарнирный подшипник. Температура отпуска. 160°. Одно или два кольца из нержавеющей стали.. С отверстиями и канавками для смазки во внутреннем кольце.. | 15.00 | 28.00 | 8.00 |
| 5-1000902 ЮТ | Шариковый радиальный однорядный подшипник. Температура отпуска. 160°. Все детали или часть деталей из нержавеющей стали.. | 15.00 | 28.00 | 7.00 |
| 6-1000902 ЮТ | Шариковый радиальный однорядный подшипник. Температура отпуска. 160°. Все детали или часть деталей из нержавеющей стали.. | 15.00 | 28.00 | 7.00 |
Способы доставки
Отправка через ведущие транспортные и курьерские компании: ПЭК, Деловые Линии, СДЭК, Байкал-Сервис, Энергия, КИТ, ЖелДорЭкспедиция.
Самовывоз возможен напрямую со склада в Москве.
Сроки доставки
Срок зависит от региона и выбранной транспортной компании. Все заказы комплектуются и отправляются в кратчайшие сроки со склада в Москве.
Надёжность и сохранность
Вся продукция упаковывается с учётом требований транспортировки. Мы гарантируем, что подшипники и комплектующие прибудут к заказчику в полной сохранности.
Доставка в страны ЕАЭС
Мы работаем с проверенными логистическими партнёрами, что позволяет оперативно доставлять заказы в Беларусь, Казахстан, Армению и другие страны ЕАЭС.
Варианты оплаты:
Минимальная сумма заказа и скидки:
Документы и гарантии:
Да, конечно! Наши технические специалисты готовы помочь вам с подбором точного аналога или замены подшипника. Просто позвоните нам по телефону +7 (495) 104-99-04 или напишите на почту zakaz@podsnab.ru.
Для оперативной консультации подготовьте, пожалуйста, имеющиеся данные: маркировку, размеры, тип оборудования или артикул старого подшипника.
Да, конечно! Мы высоко ценим долгосрочное сотрудничество и доверие клиентов по всей России. Для постоянных клиентов действует персональная система скидок.
Условия формируются индивидуально и зависят от:
Чтобы узнать свои условия и получить максимально выгодное предложение, свяжитесь с персональным менеджером или напишите нам на почту zakaz@podsnab.ru.
Вы можете оформить заказ несколькими способами:
Для оформления заказа от юридического лица свяжитесь с нашим отделом по работе с корпоративными клиентами по телефону +7 (495) 104-99-04 или напишите на email zakaz@podsnab.ru, прикрепив реквизиты вашей организации.
Мы оперативно подготовим коммерческое предложение и выставим счет.
Возврат товара надлежащего качества возможен в течение 10 дней с момента получения, если товар не был в употреблении, сохранен товарный вид, упаковка не вскрывалась и присутствуют все сопроводительные документы.
Возврат денежных средств осуществляется в течение 10 рабочих дней после проверки товара складом.
В соответствии с законодательством возврату не подлежат подшипники надлежащего качества, если отсутствует оригинальная упаковка или имеются следы монтажа.
В случае выявления брака или гарантийного случая мы гарантируем возврат или обмен товара.
Да, гарантийный срок хранения устанавливается заводом-изготовителем и в среднем составляет 2 года при соблюдении условий хранения: сухое помещение, оригинальная упаковка и смазка.
Точный срок для конкретного типа подшипника уточняйте у наших менеджеров.
Пн–Пт: с 8:00 до 17:00 (МСК).
Сб–Вс: выходные дни.
Заказы на сайте принимаются круглосуточно. Заявки, поступившие после окончания рабочего дня, обрабатываются на следующий рабочий день.
Минимальная сумма заказа для доставки составляет 3000 рублей. Самовывоз со склада возможен на любую сумму при наличии товара.
ООО «УралТехГрупп»
ИНН: 7415093830
КПП: 772401001
ОГРН: 1167456069021
Банк: ПАО Сбербанк
Р/с: 40702810838000475273
К/с: 30101810400000000225
БИК: 044525225
У подшипника 2-1036902-К пока нет отзывов. Вы можете стать первым покупателем, поделившимся своим мнением.