Поиск подшипника
Статьи
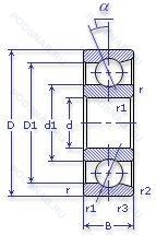
46305-АЕ5 — Шариковый радиально-упорный однорядный подшипник, модификация основного исполнения 46305, производство ГПЗ.
Размер подшипника: 25x62x17 мм.
Сепаратор из текстолита, повышенная грузоподъемность.
Государственный стандарт ГОСТ
46305АЕ5
В наличии
| Обозначение | Конструктивные изменения |
|---|---|
| 8-46305 Л | Сепаратор из латуни.. |
| Т-46305 Л | Сепаратор из латуни.. |
| 46305 | Шариковый радиально-упорный однорядный подшипник. Основное конструктивное исполнение. |
| 2-46305-Л | Сепаратор из латуни.. |
| 4-46305-Л | Сепаратор из латуни.. |
| 6-46305 Л | Сепаратор из латуни.. |
| 6-46305 Р1 | Детали из теплоустойчивой (быстрорежущие) стали.. |
| 46305-Л | Сепаратор из латуни.. |
| 46305К | «Замок» (скос) на внутреннем кольце плюс массивный сепаратор из текстолита. |
| 5-46305-Б | Сепаратор из безоловянистой бронзы.. |
| 5-46305-Б1Т2 | 200°. Температура отпуска. Сепаратор из безоловянистой бронзы.. |
| 5-46305-Е | Сепаратор из текстолита.. |
| 5-46305-Л | Сепаратор из латуни.. |
Модификации шарикового подшипника 46305-АЕ5 — это измененное основное конструктивное исполнение 46305, основные размеры (25x62x17) не отличаются.
| Обозначение | Гост | Конструктивные особенности |
|---|---|---|
| 7305B.TVP./700608 | ISO | Модифицированная внутренняя конструкция. Твердая клетка из полиамида. |
| QJ 305 N2 M | ISO | Подшипник с латунным сепаратором. центрированный по телам качения. Два установочных паза (выемки), расположенных под углом 180° друг от друга в одной боковой поверхности наружного кольца или шайбе корпуса.. |
| 6305BI | ISO | Угол контакта 40 градусов. |
| 7305-BE-MP | ISO | Single Row Angular Contact Ball Bearing With A 40° Угол контакта And Optimized Internal Design. Массивный латунный сепаратор. центрированный по телам качения. |
| 7305-BECB-MP | ISO | Массивный латунный сепаратор. центрированный по телам качения. |
| 7305BEA | ISO | 40° Угол контакта. High Capacity. All Four Corners Equal. |
| MJT25=38 | ISO | 2.3/8. |
| 126305P | ГОСТ | Сеаратор из литого полиамида 6.6. армированного стекловолокном. |
| 126805-КЕ | ГОСТ | «Замок» (скос) на внутреннем кольце плюс массивный сепаратор из текстолита. Сепаратор из текстолита.. |
| 126805Е1 | ГОСТ | Сепаратор из текстолита.. |
| 176305-Л | ГОСТ | Сепаратор из латуни.. |
| 26305К | ГОСТ | «Замок» (скос) на внутреннем кольце плюс массивный сепаратор из текстолита. |
| 36305К | ГОСТ | «Замок» (скос) на внутреннем кольце плюс массивный сепаратор из текстолита. |
| 66305-АЛ1 | ГОСТ | Сепаратор из латуни.. Повышенная грузоподъемность. |
| 66305-Е | ГОСТ | Сепаратор из текстолита.. |
| 66305-К | ГОСТ | «Замок» (скос) на внутреннем кольце плюс массивный сепаратор из текстолита. |
| 45-176305 ЕШ2 | ГОСТ | Сепаратор из текстолита.. Нормы шумности. |
| 5-126305-Р | ГОСТ | Детали из теплоустойчивой (быстрорежущие) стали.. |
| 5-66305-КБТ2 | ГОСТ | «Замок» (скос) на внутреннем кольце плюс массивный сепаратор из текстолита. 200°. Температура отпуска. Сепаратор из безоловянистой бронзы.. |
| 6-126805 Е | ГОСТ | Сепаратор из текстолита.. |
Аналог шарикового подшипника 46305-АЕ5 — это подшипник такого же размера dx25,Dx62,Bx17, типа и конструкции.
| Обозначение | Конструктивные особенности | Внутренний (d) | Наружный (D) | Ширина (B) |
|---|---|---|---|---|
| 5-305-ЕШ5 | Шариковый радиальный однорядный подшипник. Сепаратор из текстолита.. Нормы шумности. | 25.00 | 62.00 | 17.00 |
| 50305-A | Шариковый радиальный однорядный подшипник. Двухрядный радиально-упорный шарикоподшипник без отверстия для смазки. | 25.00 | 62.00 | 17.00 |
| 50305-А | Шариковый радиальный однорядный подшипник. Повышенная грузоподъемность. | 25.00 | 62.00 | 17.00 |
| 50305-А1Е | Шариковый радиальный однорядный подшипник. Сепаратор из текстолита.. Повышенная грузоподъемность. | 25.00 | 62.00 | 17.00 |
| 50305-А1К2 | Шариковый радиальный однорядный подшипник. «Замок» (скос) на внутреннем кольце плюс массивный сепаратор из текстолита. Повышенная грузоподъемность. | 25.00 | 62.00 | 17.00 |
| 50305-АК | Шариковый радиальный однорядный подшипник. Повышенная грузоподъемность. | 25.00 | 62.00 | 17.00 |
| 50305-АШ | Шариковый радиальный однорядный подшипник. Повышенная грузоподъемность. Нормы шумности. | 25.00 | 62.00 | 17.00 |
| 50305-Е5 | Шариковый радиальный однорядный подшипник. Сепаратор из текстолита.. | 25.00 | 62.00 | 17.00 |
| 50305E5 | Шариковый радиальный однорядный подшипник. Смазочные отверстия и канавки во внутреннем кольце. | 25.00 | 62.00 | 17.00 |
| 50305А2Е | Шариковый радиальный однорядный подшипник. Сепаратор из текстолита.. Повышенная грузоподъемность. | 25.00 | 62.00 | 17.00 |
| 50905-А1Е | Шариковый радиальный однорядный подшипник. Сепаратор из текстолита.. Повышенная грузоподъемность. | 25.00 | 62.00 | 17.00 |
| 6-1305 Л1 | Шариковый радиальный двухрядный подшипник. Сепаратор из латуни.. | 25.00 | 62.00 | 17.00 |
| 6-180305 А | Шариковый радиальный однорядный подшипник. Повышенная грузоподъемность. | 25.00 | 62.00 | 17.00 |
| 6-180305 АС9 | Шариковый радиальный однорядный подшипник. Повышенная грузоподъемность. Смазка ЛЗ-31. | 25.00 | 62.00 | 17.00 |
| 6-180305 С17 | Шариковый радиальный однорядный подшипник. Смазка Литол-24. | 25.00 | 62.00 | 17.00 |
Способы доставки
Отправка через ведущие транспортные и курьерские компании: ПЭК, Деловые Линии, СДЭК, Байкал-Сервис, Энергия, КИТ, ЖелДорЭкспедиция.
Самовывоз возможен напрямую со склада в Москве.
Сроки доставки
Срок зависит от региона и выбранной транспортной компании. Все заказы комплектуются и отправляются в кратчайшие сроки со склада в Москве.
Надёжность и сохранность
Вся продукция упаковывается с учётом требований транспортировки. Мы гарантируем, что подшипники и комплектующие прибудут к заказчику в полной сохранности.
Доставка в страны ЕАЭС
Мы работаем с проверенными логистическими партнёрами, что позволяет оперативно доставлять заказы в Беларусь, Казахстан, Армению и другие страны ЕАЭС.
Варианты оплаты:
Минимальная сумма заказа и скидки:
Документы и гарантии:
Да, конечно! Наши технические специалисты готовы помочь вам с подбором точного аналога или замены подшипника. Просто позвоните нам по телефону +7 (495) 104-99-04 или напишите на почту zakaz@podsnab.ru.
Для оперативной консультации подготовьте, пожалуйста, имеющиеся данные: маркировку, размеры, тип оборудования или артикул старого подшипника.
Да, конечно! Мы высоко ценим долгосрочное сотрудничество и доверие клиентов по всей России. Для постоянных клиентов действует персональная система скидок.
Условия формируются индивидуально и зависят от:
Чтобы узнать свои условия и получить максимально выгодное предложение, свяжитесь с персональным менеджером или напишите нам на почту zakaz@podsnab.ru.
Вы можете оформить заказ несколькими способами:
Для оформления заказа от юридического лица свяжитесь с нашим отделом по работе с корпоративными клиентами по телефону +7 (495) 104-99-04 или напишите на email zakaz@podsnab.ru, прикрепив реквизиты вашей организации.
Мы оперативно подготовим коммерческое предложение и выставим счет.
Возврат товара надлежащего качества возможен в течение 10 дней с момента получения, если товар не был в употреблении, сохранен товарный вид, упаковка не вскрывалась и присутствуют все сопроводительные документы.
Возврат денежных средств осуществляется в течение 10 рабочих дней после проверки товара складом.
В соответствии с законодательством возврату не подлежат подшипники надлежащего качества, если отсутствует оригинальная упаковка или имеются следы монтажа.
В случае выявления брака или гарантийного случая мы гарантируем возврат или обмен товара.
Да, гарантийный срок хранения устанавливается заводом-изготовителем и в среднем составляет 2 года при соблюдении условий хранения: сухое помещение, оригинальная упаковка и смазка.
Точный срок для конкретного типа подшипника уточняйте у наших менеджеров.
Пн–Пт: с 8:00 до 17:00 (МСК).
Сб–Вс: выходные дни.
Заказы на сайте принимаются круглосуточно. Заявки, поступившие после окончания рабочего дня, обрабатываются на следующий рабочий день.
Минимальная сумма заказа для доставки составляет 3000 рублей. Самовывоз со склада возможен на любую сумму при наличии товара.
ООО «УралТехГрупп»
ИНН: 7415093830
КПП: 772401001
ОГРН: 1167456069021
Банк: ПАО Сбербанк
Р/с: 40702810838000475273
К/с: 30101810400000000225
БИК: 044525225
У подшипника 46305-АЕ5 пока нет отзывов. Вы можете стать первым покупателем, поделившимся своим мнением.