Поиск подшипника
Статьи
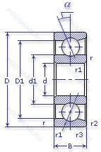
46226-АЛ9 — Шариковый радиально-упорный однорядный подшипник, модификация основного исполнения 46226, производство ГПЗ.
Размер подшипника: 130x230x40 мм.
Сепаратор из латуни, повышенная грузоподъемность.
Государственный стандарт ГОСТ
46226АЛ9
В наличии
| Обозначение | Конструктивные изменения |
|---|---|
| 8-46226 Л | Сепаратор из латуни.. |
| 4-46226 Л | Сепаратор из латуни.. |
| 46226-АЛ10 | Сепаратор из латуни.. Повышенная грузоподъемность. |
| 46226 | Шариковый радиально-упорный однорядный подшипник. Основное конструктивное исполнение. |
| 6-46226-АЛ9 | Повышенная грузоподъемность. Сепаратор из латуни.. |
| 6-46226-Л | Сепаратор из латуни.. |
| 46226-Л | Сепаратор из латуни.. |
| 46226К | «Замок» (скос) на внутреннем кольце плюс массивный сепаратор из текстолита. |
| 5-46226 АЛ9 | Повышенная грузоподъемность. Сепаратор из латуни.. |
| 5-46226 Л | Сепаратор из латуни.. |
Модификации шарикового подшипника 46226-АЛ9 — это измененное основное конструктивное исполнение 46226, основные размеры (130x230x40) не отличаются.
| Обозначение | Гост | Конструктивные особенности |
|---|---|---|
| 7226 CD/P4A | ISO | Двухкомпонентный штампованный стальной сепаратор с направляющим кольцом. Точность размеров в соответствии с классом допуска ISO 4. точность вращения лучше чем класс допуска ISO 4. |
| S7226 ACD/P4A | ISO | Точность размеров в соответствии с классом допуска ISO 4. точность вращения лучше чем класс допуска ISO 4. Однорядный с улучшенной конструкцией и углом контакта 25°. |
| S7226 CD/P4A | ISO | Двухкомпонентный штампованный стальной сепаратор с направляющим кольцом. Точность размеров в соответствии с классом допуска ISO 4. точность вращения лучше чем класс допуска ISO 4. |
| E 200/130/S 7CE1 | ISO | Запечатанная версия кулачкового ролика. Очень высокая грузоподъемность.. |
| E 200/130/S 7CE3 | ISO | Запечатанная версия кулачкового ролика. Очень высокая грузоподъемность.. |
| E 200/130 7CE3 | ISO | Очень высокая грузоподъемность.. |
| E 200/130 7CE1 | ISO | Очень высокая грузоподъемность.. |
| 7226WN MBR | ISO | Sizes 7201K Through 7203WN Have A 20° Угол контакта And A Nylon Cage. Sizes 7204WN through 7218WN have a 40° Угол контакта And A One-Piece. Ball Piloted. Pressed Brass Cage. Larger Sizes 7219WN Through 7230WN Have A 40° Угол контакта And A One-Piece. Outer Ring Piloted High-Strength Machined Bronze Cage. Механически обработанный бронзовый фиксатор. |
| 7226C | ISO | Угол контакта 15°. |
| 7226 A | ISO | Двухрядный радиально-упорный шарикоподшипник без отверстия для смазки. |
| QJ 226 | ISO | Штампованный сепаратор из стального листа. Шариковый подшипник с четырех-точечным контактом. |
| QJ 226 N2 M | ISO | Подшипник с латунным сепаратором. центрированный по телам качения. Два установочных паза (выемки), расположенных под углом 180° друг от друга в одной боковой поверхности наружного кольца или шайбе корпуса.. |
| 7226CPA | ISO | Угол контакта 15 градусов. |
| QJ226M | ISO | Подшипник с латунным сепаратором. центрированный по телам качения. |
| 7226-BCB-MP | ISO | Массивный латунный сепаратор. центрированный по телам качения. |
| 176226-Л | ГОСТ | Сепаратор из латуни.. |
| 26226К | ГОСТ | «Замок» (скос) на внутреннем кольце плюс массивный сепаратор из текстолита. |
| 36226К | ГОСТ | «Замок» (скос) на внутреннем кольце плюс массивный сепаратор из текстолита. |
| 36226К6 | ГОСТ | «Замок» (скос) на внутреннем кольце. |
| 5-46228 Л | ГОСТ | Сепаратор из латуни.. |
Аналог шарикового подшипника 46226-АЛ9 — это подшипник такого же размера dx130,Dx230,Bx40, типа и конструкции.
| Обозначение | Конструктивные особенности | Внутренний (d) | Наружный (D) | Ширина (B) |
|---|---|---|---|---|
| 226-Е1 | Шариковый радиальный однорядный подшипник. Сепаратор из текстолита.. | 130.00 | 230.00 | 40.00 |
| 226-К5 | Шариковый радиальный однорядный подшипник. Повышенная грузоподъемность. | 130.00 | 230.00 | 40.00 |
| 226-Л | Шариковый радиальный однорядный подшипник. Сепаратор из латуни.. | 130.00 | 230.00 | 40.00 |
| 226-Л1 | Шариковый радиальный однорядный подшипник. Сепаратор из латуни.. | 130.00 | 230.00 | 40.00 |
| 226-Л2 | Шариковый радиальный однорядный подшипник. Сепаратор из латуни.. | 130.00 | 230.00 | 40.00 |
| 26-226-Р | Шариковый радиальный однорядный подшипник. Детали из теплоустойчивой (быстрорежущие) стали.. | 130.00 | 230.00 | 40.00 |
| 4-226 Л | Шариковый радиальный однорядный подшипник. Сепаратор из латуни.. | 130.00 | 230.00 | 40.00 |
| 42226-КМ | Роликовый радиальный однорядный подшипник. Модифицированный контакт.. | 130.00 | 230.00 | 40.00 |
| 42226-Л | Роликовый радиальный однорядный подшипник. Сепаратор из латуни.. | 130.00 | 230.00 | 40.00 |
| 42226-М | Роликовый радиальный однорядный подшипник. Модифицированный контакт.. | 130.00 | 230.00 | 40.00 |
| 5-2226 М | Роликовый радиальный однорядный подшипник. Модифицированный контакт.. | 130.00 | 230.00 | 40.00 |
| 5-226 Л1 | Шариковый радиальный однорядный подшипник. Сепаратор из латуни.. | 130.00 | 230.00 | 40.00 |
| 5-226 Л1Ш3 | Шариковый радиальный однорядный подшипник. Сепаратор из латуни.. Нормы шумности. | 130.00 | 230.00 | 40.00 |
| 5-226 ЛШ | Шариковый радиальный однорядный подшипник. Сепаратор из латуни.. Нормы шумности. | 130.00 | 230.00 | 40.00 |
| 5-32226 МШ3 | Роликовый радиальный однорядный подшипник. Модифицированный контакт.. Нормы шумности. | 130.00 | 230.00 | 40.00 |
Способы доставки
Отправка через ведущие транспортные и курьерские компании: ПЭК, Деловые Линии, СДЭК, Байкал-Сервис, Энергия, КИТ, ЖелДорЭкспедиция.
Самовывоз возможен напрямую со склада в Москве.
Сроки доставки
Срок зависит от региона и выбранной транспортной компании. Все заказы комплектуются и отправляются в кратчайшие сроки со склада в Москве.
Надёжность и сохранность
Вся продукция упаковывается с учётом требований транспортировки. Мы гарантируем, что подшипники и комплектующие прибудут к заказчику в полной сохранности.
Доставка в страны ЕАЭС
Мы работаем с проверенными логистическими партнёрами, что позволяет оперативно доставлять заказы в Беларусь, Казахстан, Армению и другие страны ЕАЭС.
Варианты оплаты:
Минимальная сумма заказа и скидки:
Документы и гарантии:
Да, конечно! Наши технические специалисты готовы помочь вам с подбором точного аналога или замены подшипника. Просто позвоните нам по телефону +7 (495) 104-99-04 или напишите на почту zakaz@podsnab.ru.
Для оперативной консультации подготовьте, пожалуйста, имеющиеся данные: маркировку, размеры, тип оборудования или артикул старого подшипника.
Да, конечно! Мы высоко ценим долгосрочное сотрудничество и доверие клиентов по всей России. Для постоянных клиентов действует персональная система скидок.
Условия формируются индивидуально и зависят от:
Чтобы узнать свои условия и получить максимально выгодное предложение, свяжитесь с персональным менеджером или напишите нам на почту zakaz@podsnab.ru.
Вы можете оформить заказ несколькими способами:
Для оформления заказа от юридического лица свяжитесь с нашим отделом по работе с корпоративными клиентами по телефону +7 (495) 104-99-04 или напишите на email zakaz@podsnab.ru, прикрепив реквизиты вашей организации.
Мы оперативно подготовим коммерческое предложение и выставим счет.
Возврат товара надлежащего качества возможен в течение 10 дней с момента получения, если товар не был в употреблении, сохранен товарный вид, упаковка не вскрывалась и присутствуют все сопроводительные документы.
Возврат денежных средств осуществляется в течение 10 рабочих дней после проверки товара складом.
В соответствии с законодательством возврату не подлежат подшипники надлежащего качества, если отсутствует оригинальная упаковка или имеются следы монтажа.
В случае выявления брака или гарантийного случая мы гарантируем возврат или обмен товара.
Да, гарантийный срок хранения устанавливается заводом-изготовителем и в среднем составляет 2 года при соблюдении условий хранения: сухое помещение, оригинальная упаковка и смазка.
Точный срок для конкретного типа подшипника уточняйте у наших менеджеров.
Пн–Пт: с 8:00 до 17:00 (МСК).
Сб–Вс: выходные дни.
Заказы на сайте принимаются круглосуточно. Заявки, поступившие после окончания рабочего дня, обрабатываются на следующий рабочий день.
Минимальная сумма заказа для доставки составляет 3000 рублей. Самовывоз со склада возможен на любую сумму при наличии товара.
ООО «УралТехГрупп»
ИНН: 7415093830
КПП: 772401001
ОГРН: 1167456069021
Банк: ПАО Сбербанк
Р/с: 40702810838000475273
К/с: 30101810400000000225
БИК: 044525225
У подшипника 46226-АЛ9 пока нет отзывов. Вы можете стать первым покупателем, поделившимся своим мнением.