Поиск подшипника
Статьи
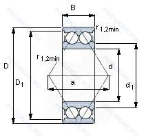
3320 DMA — Шариковый радиально-упорный однорядный подшипник, модификация основного исполнения 3320, производство SKF.
Размер подшипника: 100x215x82 мм.
Измененная или модифицированная внутренняя конструкция при неизменных основных размерах.
Международная стандартизации ISO
3320DMA
В наличии
| Обозначение | Конструктивные изменения |
|---|---|
| 3320M C3 | Внутренний зазор больше нормального. Подшипник с латунным сепаратором. центрированный по телам качения. |
| 3320 | Шариковый радиально-упорный однорядный подшипник. Основное конструктивное исполнение. |
| 3320 ATNZZ | Шариковый радиально-упорный однорядный подшипник. |
| 3320 ATN2RS | Шариковый радиально-упорный однорядный подшипник. |
| 3320 ATN | Шариковый радиально-упорный однорядный подшипник. |
| 3320M | Подшипник с латунным сепаратором. центрированный по телам качения. |
| 3320A/C3 | Внутренний зазор больше нормального. Двухрядный радиально-упорный шарикоподшипник без отверстия для смазки. |
| 3320A | Двухрядный радиально-упорный шарикоподшипник без отверстия для смазки. |
| 3320L1 | Механически обработанный латунный сепаратор. |
| 3320.2RS | Манжетное уплотнение с обеих сторон подшипника. |
| 3320M/C2 | Внутренний зазор подшипника меньше нормального. Обработанный латунный сепаратор оконного типа. Центрирование шарика. |
| 3320-DA-MA | Механически обработанный латунный сепаратор. Центрирование по внешнему кольцу. Lubricant. MIL-L-6085A2. |
| 23V3320-1 | Number Of Carriages Per Rail Track. |
| 3320 D | Половина целого игольчатого валика. Применять суффикс 'D' в базовом номере. |
Модификации шарикового подшипника 3320 DMA — это измененное основное конструктивное исполнение 3320, основные размеры (100x215x82) не отличаются.
| Обозначение | Конструктивные особенности | Внутренний (d) | Наружный (D) | Ширина (B) |
|---|---|---|---|---|
| 616113MB | Подшипник роликовый сферический. сепаратор из латуни. центрированный по внутреннему кольцу. | 100.00 | 215.00 | 83.00 |
| 63320ZZ C3 | Подшипник однорядный шариковый радиальный. Внутренний зазор больше нормального. Защитные стальные шайбы с обеих сторон. | 100.00 | 215.00 | 82.55 |
| 23320AS.MA.T41A | Подшипник роликовый сферический. Механически обработанный латунный сепаратор. Центрирование по внешнему кольцу. Смазка Aeroshell 7. Диапазон от –10°C до 110°C.. Для вибросит/виброгрохотов (Зазор С4). | 100.00 | 215.00 | 82.60 |
| 23320CC/W33 | Подшипник роликовый сферический. Канавка для смазки и три отверстия во внешнем кольце подшипника. Два стальных сепаратора оконного типа. Бесфланцевое внутреннее кольцо и направляющее кольцо центрировано на внутреннем кольце. | 100.00 | 215.00 | 82.60 |
| A 5320 WB | Роликовый радиальный однорядный подшипник. Cast Iron Take-Up Type Bearing Unit With Its Stretcher Frame. Relubricatable. | 100.00 | 215.00 | 82.55 |
| 132820-КЛУ | Роликовый радиальный однорядный подшипник. Сепаратор из латуни.. Дополнительные технические требования. | 100.00 | 215.00 | 82.00 |
| 23320W33 | Роликовый радиальный сферический двухрядный подшипник. Кольцевая канавка и три отверстия для смазывания в наружном кольце подшипника. | 100.00 | 215.00 | 82.60 |
| N3320 | Роликовый радиальный однорядный подшипник. Канавка под стопорное кольцо на наружном кольце подшипника. | 100.00 | 215.00 | 82.60 |
| NF3320 | Роликовый радиальный однорядный подшипник. Механически обработанный сепаратор из стали или специального чугуна. Канавка под стопорное кольцо на наружном кольце подшипника. | 100.00 | 215.00 | 82.60 |
| NJ3320 | Роликовый радиальный однорядный подшипник. Штампованный сепаратор из стального листа. Канавка под стопорное кольцо на наружном кольце подшипника. Однорядный цилиндрический роликовый подшипник. Наружное кольцо имеет два борта. | 100.00 | 215.00 | 82.60 |
| NP3320 | Роликовый радиальный однорядный подшипник. Канавка под стопорное кольцо на наружном кольце подшипника. | 100.00 | 215.00 | 82.60 |
| NU3320 | Роликовый радиальный однорядный подшипник. Канавка под стопорное кольцо на наружном кольце подшипника. Однорядные цилиндрические роликоподшипники. Наружное кольцо подшипника имеет два борта. | 100.00 | 215.00 | 82.60 |
| NUP3320 | Роликовый радиальный однорядный подшипник. Канавка под стопорное кольцо на наружном кольце подшипника. Точность размеров примерно соответствует классу точности Р4. Однорядный цилиндрический роликовый подшипник. Наружное кольцо имеет два борта. | 100.00 | 215.00 | 82.60 |
| 5320W | Шариковый радиально-упорный двухрядный подшипник. Максимальная грузоподъемность. | 100.00 | 215.00 | 82.55 |
| 63320LLB | Шариковый радиальный однорядный подшипник. Уплотнение бесконтактного типа из синтетического каучука. | 100.00 | 215.00 | 82.60 |
Способы доставки
Отправка через ведущие транспортные и курьерские компании: ПЭК, Деловые Линии, СДЭК, Байкал-Сервис, Энергия, КИТ, ЖелДорЭкспедиция.
Самовывоз возможен напрямую со склада в Москве.
Сроки доставки
Срок зависит от региона и выбранной транспортной компании. Все заказы комплектуются и отправляются в кратчайшие сроки со склада в Москве.
Надёжность и сохранность
Вся продукция упаковывается с учётом требований транспортировки. Мы гарантируем, что подшипники и комплектующие прибудут к заказчику в полной сохранности.
Доставка в страны ЕАЭС
Мы работаем с проверенными логистическими партнёрами, что позволяет оперативно доставлять заказы в Беларусь, Казахстан, Армению и другие страны ЕАЭС.
Варианты оплаты:
Минимальная сумма заказа и скидки:
Документы и гарантии:
Да, конечно! Наши технические специалисты готовы помочь вам с подбором точного аналога или замены подшипника. Просто позвоните нам по телефону +7 (495) 104-99-04 или напишите на почту zakaz@podsnab.ru.
Для оперативной консультации подготовьте, пожалуйста, имеющиеся данные: маркировку, размеры, тип оборудования или артикул старого подшипника.
Да, конечно! Мы высоко ценим долгосрочное сотрудничество и доверие клиентов по всей России. Для постоянных клиентов действует персональная система скидок.
Условия формируются индивидуально и зависят от:
Чтобы узнать свои условия и получить максимально выгодное предложение, свяжитесь с персональным менеджером или напишите нам на почту zakaz@podsnab.ru.
Вы можете оформить заказ несколькими способами:
Для оформления заказа от юридического лица свяжитесь с нашим отделом по работе с корпоративными клиентами по телефону +7 (495) 104-99-04 или напишите на email zakaz@podsnab.ru, прикрепив реквизиты вашей организации.
Мы оперативно подготовим коммерческое предложение и выставим счет.
Возврат товара надлежащего качества возможен в течение 10 дней с момента получения, если товар не был в употреблении, сохранен товарный вид, упаковка не вскрывалась и присутствуют все сопроводительные документы.
Возврат денежных средств осуществляется в течение 10 рабочих дней после проверки товара складом.
В соответствии с законодательством возврату не подлежат подшипники надлежащего качества, если отсутствует оригинальная упаковка или имеются следы монтажа.
В случае выявления брака или гарантийного случая мы гарантируем возврат или обмен товара.
Да, гарантийный срок хранения устанавливается заводом-изготовителем и в среднем составляет 2 года при соблюдении условий хранения: сухое помещение, оригинальная упаковка и смазка.
Точный срок для конкретного типа подшипника уточняйте у наших менеджеров.
Пн–Пт: с 8:00 до 17:00 (МСК).
Сб–Вс: выходные дни.
Заказы на сайте принимаются круглосуточно. Заявки, поступившие после окончания рабочего дня, обрабатываются на следующий рабочий день.
Минимальная сумма заказа для доставки составляет 3000 рублей. Самовывоз со склада возможен на любую сумму при наличии товара.
ООО «УралТехГрупп»
ИНН: 7415093830
КПП: 772401001
ОГРН: 1167456069021
Банк: ПАО Сбербанк
Р/с: 40702810838000475273
К/с: 30101810400000000225
БИК: 044525225
У подшипника 3320 DMA пока нет отзывов. Вы можете стать первым покупателем, поделившимся своим мнением.