Поиск подшипника
Статьи
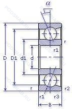
46121 — Шариковый радиально-упорный однорядный подшипник, основное исполнение, производство ГПЗ.
Размер подшипника: 105x160x26 мм.
Аналоги: 7021AC.
Государственный стандарт ГОСТ
46121
В наличии
| Обозначение | Конструктивные изменения |
|---|---|
| 46121-КЕ | «Замок» (скос) на внутреннем кольце плюс массивный сепаратор из текстолита. Сепаратор из текстолита.. |
Модификации шарикового подшипника 46121 — это измененное основное конструктивное исполнение 46121, основные размеры (105x160x26) не отличаются.
| Обозначение | Гост | Конструктивные особенности |
|---|---|---|
| 7021AC | ISO | Суффикс для радиально-упорного шарикоподшипника. |
| 5S-7021UADG/GNP42 | ISO | Универсальный подшипник. Класс точности JIS4 для размеров и JIS 2 для точности вращения. Угол контакта 25°. Гибридный подшипник. |
| 5S-7021UCG/GNP42 | ISO | Угол контакта 15°. Универсальный подшипник. Класс точности JIS4 для размеров и JIS 2 для точности вращения. Гибридный подшипник. |
| 5S-HSB021C | ISO | Угол контакта 15°. |
| 7021UADG/GNP42 | ISO | Универсальный подшипник. Класс точности JIS4 для размеров и JIS 2 для точности вращения. Угол контакта 25°. |
| 7021UCG/GNP42 | ISO | Угол контакта 15°. Универсальный подшипник. Класс точности JIS4 для размеров и JIS 2 для точности вращения. |
| 7021CG/GNP4 | ISO | Универсальный подшипник. Класс точности JIS4 / ISO 4. Резьбовой винт со стопором и защелкой. |
| HSB021C | ISO | Угол контакта 15°. |
| S7021 ACD/P4A | ISO | Точность размеров в соответствии с классом допуска ISO 4. точность вращения лучше чем класс допуска ISO 4. Однорядный с улучшенной конструкцией и углом контакта 25°. |
| 7021CVUJ74 | ISO | Угол контакта 15°. Преднатяг (Лёгкий. Универсальные подшпники. |
| 7021 A | ISO | Двухрядный радиально-упорный шарикоподшипник без отверстия для смазки. |
| QJ 1021 | ISO | Штампованный сепаратор из стального листа. Шариковый подшипник с четырех-точечным контактом. |
| HCS7021-C-T-P4S | ISO | 15° Угол контакта. Textile Laminated Phenolic Resin. Outer Ring Guided. The Cage Is Suitable For Long-Term Operation At Temperatures Up To 100°C. Класс точности. стандарт FAG лучше чем P4. |
| HSS7021-E-T-P4S | ISO | Повышенная грузоподъемность. Textile Laminated Phenolic Resin. Outer Ring Guided. The Cage Is Suitable For Long-Term Operation At Temperatures Up To 100°C. Класс точности. стандарт FAG лучше чем P4. |
| 7021CPA | ISO | Угол контакта 15 градусов. |
| HAR021CA | ISO | Латунный сепаратор с симметричными роликами. |
| HAR021C | ISO | Угол контакта 15 градусов. |
| 5S-2LA-HSE021ADG/GNP42 | ISO | Универсальный подшипник. Класс точности JIS4 для размеров и JIS 2 для точности вращения. Угол контакта 25°. Гибридный подшипник. |
| 5S-2LA-HSE021G/GNP42 | ISO | Универсальный подшипник. Класс точности JIS4 для размеров и JIS 2 для точности вращения. Гибридный подшипник. |
| 5S-2LA-HSE021CG/GNP42 | ISO | Угол контакта 15°. Универсальный подшипник. Класс точности JIS4 для размеров и JIS 2 для точности вращения. Гибридный подшипник. |
| 7021C | ISO | Угол контакта 15°. |
Аналог шарикового подшипника 46121 — это подшипник такого же размера dx105,Dx160,Bx26, типа и конструкции.
| Обозначение | Конструктивные особенности | Внутренний (d) | Наружный (D) | Ширина (B) |
|---|---|---|---|---|
| 6021LU | Шариковый радиальный однорядный подшипник. Двухкромочное нитриловое контактное уплотнение. | 105.00 | 160.00 | 26.00 |
| 6021LLB | Шариковый радиальный однорядный подшипник. Уплотнение бесконтактного типа из синтетического каучука. | 105.00 | 160.00 | 26.00 |
| 6021ZZNR | Шариковый радиальный однорядный подшипник. Стальная шайба. Канавка и стопорное кольцо на наружном кольце. | 105.00 | 160.00 | 26.00 |
| 9121KD | Шариковый радиальный однорядный подшипник. Компоненты с покрытием Protect A имеют суффикс - KD. Protect A - это покрытие из чистого хрома с колончатой структурой поверхности. При использовании Protect A каретки с покрытием и направляющие с покрытием должны всегда комбинироваться. Если каретки с покрытием используются с направляющими без покрытия. например. это приведет к уменьшению преднатяга.. | 105.00 | 160.00 | 26.00 |
| 3NCHAC021C | Шариковый радиальный однорядный подшипник. Угол контакта 20 градусов. | 105.00 | 160.00 | 26.00 |
| 3NC HAR021C FT | Шариковый радиальный однорядный подшипник. Угол контакта 20 градусов. REINFORCED PHENOLIC CAGE. | 105.00 | 160.00 | 26.00 |
| 3NCHAC021CA | Шариковый радиальный однорядный подшипник. Угол контакта 20 градусов. Латунный сепаратор с симметричными роликами. | 105.00 | 160.00 | 26.00 |
| 3NCHAD021CA | Шариковый радиальный однорядный подшипник. Угол контакта 20 градусов. Латунный сепаратор с симметричными роликами. | 105.00 | 160.00 | 26.00 |
| 3NCHAF021CA | Шариковый радиальный однорядный подшипник. Угол контакта 20 градусов. Латунный сепаратор с симметричными роликами. | 105.00 | 160.00 | 26.00 |
| 3NCHAR021 | Шариковый радиальный однорядный подшипник. Угол контакта 20 градусов. | 105.00 | 160.00 | 26.00 |
| 3NCHAR021C | Шариковый радиальный однорядный подшипник. Угол контакта 20 градусов. | 105.00 | 160.00 | 26.00 |
| 3NCHAR021CA | Шариковый радиальный однорядный подшипник. Угол контакта 20 градусов. Латунный сепаратор с симметричными роликами. | 105.00 | 160.00 | 26.00 |
| 121-А | Шариковый радиальный однорядный подшипник. Повышенная грузоподъемность. | 105.00 | 160.00 | 26.00 |
| 5-121 Б1УТ2 | Шариковый радиальный однорядный подшипник. Дополнительные технические требования. 200°. Температура отпуска. Сепаратор из безоловянистой бронзы.. | 105.00 | 160.00 | 26.00 |
| 5-121 БУТ2 | Шариковый радиальный однорядный подшипник. Дополнительные технические требования. 200°. Температура отпуска. Сепаратор из безоловянистой бронзы.. | 105.00 | 160.00 | 26.00 |
Способы доставки
Отправка через ведущие транспортные и курьерские компании: ПЭК, Деловые Линии, СДЭК, Байкал-Сервис, Энергия, КИТ, ЖелДорЭкспедиция.
Самовывоз возможен напрямую со склада в Москве.
Сроки доставки
Срок зависит от региона и выбранной транспортной компании. Все заказы комплектуются и отправляются в кратчайшие сроки со склада в Москве.
Надёжность и сохранность
Вся продукция упаковывается с учётом требований транспортировки. Мы гарантируем, что подшипники и комплектующие прибудут к заказчику в полной сохранности.
Доставка в страны ЕАЭС
Мы работаем с проверенными логистическими партнёрами, что позволяет оперативно доставлять заказы в Беларусь, Казахстан, Армению и другие страны ЕАЭС.
Варианты оплаты:
Минимальная сумма заказа и скидки:
Документы и гарантии:
Да, конечно! Наши технические специалисты готовы помочь вам с подбором точного аналога или замены подшипника. Просто позвоните нам по телефону +7 (495) 104-99-04 или напишите на почту zakaz@podsnab.ru.
Для оперативной консультации подготовьте, пожалуйста, имеющиеся данные: маркировку, размеры, тип оборудования или артикул старого подшипника.
Да, конечно! Мы высоко ценим долгосрочное сотрудничество и доверие клиентов по всей России. Для постоянных клиентов действует персональная система скидок.
Условия формируются индивидуально и зависят от:
Чтобы узнать свои условия и получить максимально выгодное предложение, свяжитесь с персональным менеджером или напишите нам на почту zakaz@podsnab.ru.
Вы можете оформить заказ несколькими способами:
Для оформления заказа от юридического лица свяжитесь с нашим отделом по работе с корпоративными клиентами по телефону +7 (495) 104-99-04 или напишите на email zakaz@podsnab.ru, прикрепив реквизиты вашей организации.
Мы оперативно подготовим коммерческое предложение и выставим счет.
Возврат товара надлежащего качества возможен в течение 10 дней с момента получения, если товар не был в употреблении, сохранен товарный вид, упаковка не вскрывалась и присутствуют все сопроводительные документы.
Возврат денежных средств осуществляется в течение 10 рабочих дней после проверки товара складом.
В соответствии с законодательством возврату не подлежат подшипники надлежащего качества, если отсутствует оригинальная упаковка или имеются следы монтажа.
В случае выявления брака или гарантийного случая мы гарантируем возврат или обмен товара.
Да, гарантийный срок хранения устанавливается заводом-изготовителем и в среднем составляет 2 года при соблюдении условий хранения: сухое помещение, оригинальная упаковка и смазка.
Точный срок для конкретного типа подшипника уточняйте у наших менеджеров.
Пн–Пт: с 8:00 до 17:00 (МСК).
Сб–Вс: выходные дни.
Заказы на сайте принимаются круглосуточно. Заявки, поступившие после окончания рабочего дня, обрабатываются на следующий рабочий день.
Минимальная сумма заказа для доставки составляет 3000 рублей. Самовывоз со склада возможен на любую сумму при наличии товара.
ООО «УралТехГрупп»
ИНН: 7415093830
КПП: 772401001
ОГРН: 1167456069021
Банк: ПАО Сбербанк
Р/с: 40702810838000475273
К/с: 30101810400000000225
БИК: 044525225
У подшипника 46121 пока нет отзывов. Вы можете стать первым покупателем, поделившимся своим мнением.