Поиск подшипника
Статьи
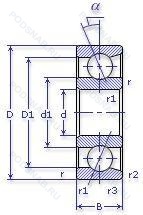
5-66412 А1ЛШ2 — Шариковый радиально-упорный однорядный подшипник, модификация основного исполнения 66412, производство ГПЗ.
Размер подшипника: 60x150x35 мм.
Нормы шумности, сепаратор из латуни, повышенная грузоподъемность.
Государственный стандарт ГОСТ
566412А1ЛШ2
В наличии
| Обозначение | Конструктивные изменения |
|---|---|
| 5-66412 КЛШ | «Замок» (скос) на внутреннем кольце плюс массивный сепаратор из текстолита. Сепаратор из латуни.. Нормы шумности. |
| 66412-ЛШW3 | Детали из вакуумированной стали.. Сепаратор из латуни.. Нормы шумности. |
| 66412-ЛW3 | Детали из вакуумированной стали.. Сепаратор из латуни.. |
| 6-66412 АЛ | Сепаратор из латуни.. Повышенная грузоподъемность. |
| 6-66412 А1ЛШ1 | Сепаратор из латуни.. Повышенная грузоподъемность. Нормы шумности. |
| 6-66412 А1ЛШ | Сепаратор из латуни.. Повышенная грузоподъемность. Нормы шумности. |
| 6-66412 ЛШ1 | Сепаратор из латуни.. Нормы шумности. |
| 2В0-66412 Е | Сепаратор из текстолита.. |
| 2В0-66412 ЕШ | Сепаратор из текстолита.. Нормы шумности. |
| 2В0-66412 Л | Сепаратор из латуни.. |
| 2В0-66412 ЛШ | Сепаратор из латуни.. Нормы шумности. |
| 6-66412 Б1 | Сепаратор из безоловянистой бронзы.. |
| 6-66412 Е | Сепаратор из текстолита.. |
| 6-66412 ЕШ | Сепаратор из текстолита.. Нормы шумности. |
| 6-66412 Л | Сепаратор из латуни.. |
| 6-66412ЛШ/7412В.МВВ | Сепаратор из латуни.. Модифицированный контакт.. Нормы шумности. |
| 66412-Б | Сепаратор из безоловянистой бронзы.. |
| 66412-Б1 | Сепаратор из безоловянистой бронзы.. |
| 66412-Е | Сепаратор из текстолита.. |
| 66412-ЕШ | Сепаратор из текстолита.. Нормы шумности. |
| 66412-Л | Сепаратор из латуни.. |
| 66412-ЛШ | Сепаратор из латуни.. Нормы шумности. |
| 66412-ЛШ5У | Сепаратор из латуни.. Дополнительные технические требования. Нормы шумности. |
| 66412-ЕШ1 | Сепаратор из текстолита.. Нормы шумности. |
| 5-66412 КЛ | «Замок» (скос) на внутреннем кольце плюс массивный сепаратор из текстолита. Сепаратор из латуни.. |
Модификации шарикового подшипника 5-66412 А1ЛШ2 — это измененное основное конструктивное исполнение 66412, основные размеры (60x150x35) не отличаются.
| Обозначение | Гост | Конструктивные особенности |
|---|---|---|
| SX1291LLU | ISO | Контактное резиновое уплотнение с двух сторон. |
| 7412WN | ISO | Sizes 7201K Through 7203WN Have A 20° Угол контакта And A Nylon Cage. Sizes 7204WN through 7218WN have a 40° Угол контакта And A One-Piece. Ball Piloted. Pressed Brass Cage. Larger Sizes 7219WN Through 7230WN Have A 40° Угол контакта And A One-Piece. Outer Ring Piloted High-Strength Machined Bronze Cage. |
| 7412 A | ISO | Двухрядный радиально-упорный шарикоподшипник без отверстия для смазки. |
| 45-176412 Е1Ш2 | ГОСТ | Сепаратор из текстолита.. Нормы шумности. |
Аналог шарикового подшипника 5-66412 А1ЛШ2 — это подшипник такого же размера dx60,Dx150,Bx35, типа и конструкции.
| Обозначение | Конструктивные особенности | Внутренний (d) | Наружный (D) | Ширина (B) |
|---|---|---|---|---|
| 170412-Л | Шариковый радиальный однорядный подшипник. Сепаратор из латуни.. | 60.00 | 150.00 | 35.00 |
| 412-А | Шариковый радиальный однорядный подшипник. Повышенная грузоподъемность. | 60.00 | 150.00 | 35.00 |
| 412-АК | Шариковый радиальный подшипник. Повышенная грузоподъемность. | 60.00 | 150.00 | 35.00 |
| 412-АКТ | Шариковый радиальный однорядный подшипник. Температура отпуска. 160°. Повышенная грузоподъемность. | 60.00 | 150.00 | 35.00 |
| 412-АКТ11 | Шариковый радиальный однорядный подшипник. 180°. Повышенная грузоподъемность. Температура отпуска. | 60.00 | 150.00 | 35.00 |
| 412-Ш | Шариковый радиальный однорядный подшипник. Нормы шумности. | 60.00 | 150.00 | 35.00 |
| 42412-К2 | Роликовый радиальный однорядный подшипник. Кольцевая проточка на середине цилиндрической наружной поверхности наружного кольца плюс три отверстия для смазки. | 60.00 | 150.00 | 35.00 |
| 42412-КМ | Роликовый радиальный однорядный подшипник. Кольцевая проточка на середине цилиндрической наружной поверхности наружного кольца плюс три отверстия для смазки. Модифицированный контакт.. | 60.00 | 150.00 | 35.00 |
| 42412-Л | Роликовый радиальный однорядный подшипник. Сепаратор из латуни.. | 60.00 | 150.00 | 35.00 |
| 42412-Л2 | Роликовый радиальный однорядный подшипник. Сепаратор из латуни.. | 60.00 | 150.00 | 35.00 |
| 42412-ЛМ | Роликовый радиальный однорядный подшипник. Сепаратор из латуни.. Модифицированный контакт.. | 60.00 | 150.00 | 35.00 |
| 42412KM | Роликовый радиальный однорядный подшипник. Type Of Model. | 60.00 | 150.00 | 35.00 |
| 42412ЛM | Роликовый радиальный однорядный подшипник. Подшипник с латунным сепаратором. центрированный по телам качения. Сепаратор из латуни.. | 60.00 | 150.00 | 35.00 |
| 50412-А | Шариковый радиальный однорядный подшипник. Повышенная грузоподъемность. | 60.00 | 150.00 | 35.00 |
| 50412-АК | Шариковый радиальный однорядный подшипник. Повышенная грузоподъемность. | 60.00 | 150.00 | 35.00 |
Способы доставки
Отправка через ведущие транспортные и курьерские компании: ПЭК, Деловые Линии, СДЭК, Байкал-Сервис, Энергия, КИТ, ЖелДорЭкспедиция.
Самовывоз возможен напрямую со склада в Москве.
Сроки доставки
Срок зависит от региона и выбранной транспортной компании. Все заказы комплектуются и отправляются в кратчайшие сроки со склада в Москве.
Надёжность и сохранность
Вся продукция упаковывается с учётом требований транспортировки. Мы гарантируем, что подшипники и комплектующие прибудут к заказчику в полной сохранности.
Доставка в страны ЕАЭС
Мы работаем с проверенными логистическими партнёрами, что позволяет оперативно доставлять заказы в Беларусь, Казахстан, Армению и другие страны ЕАЭС.
Варианты оплаты:
Минимальная сумма заказа и скидки:
Документы и гарантии:
Да, конечно! Наши технические специалисты готовы помочь вам с подбором точного аналога или замены подшипника. Просто позвоните нам по телефону +7 (495) 104-99-04 или напишите на почту zakaz@podsnab.ru.
Для оперативной консультации подготовьте, пожалуйста, имеющиеся данные: маркировку, размеры, тип оборудования или артикул старого подшипника.
Да, конечно! Мы высоко ценим долгосрочное сотрудничество и доверие клиентов по всей России. Для постоянных клиентов действует персональная система скидок.
Условия формируются индивидуально и зависят от:
Чтобы узнать свои условия и получить максимально выгодное предложение, свяжитесь с персональным менеджером или напишите нам на почту zakaz@podsnab.ru.
Вы можете оформить заказ несколькими способами:
Для оформления заказа от юридического лица свяжитесь с нашим отделом по работе с корпоративными клиентами по телефону +7 (495) 104-99-04 или напишите на email zakaz@podsnab.ru, прикрепив реквизиты вашей организации.
Мы оперативно подготовим коммерческое предложение и выставим счет.
Возврат товара надлежащего качества возможен в течение 10 дней с момента получения, если товар не был в употреблении, сохранен товарный вид, упаковка не вскрывалась и присутствуют все сопроводительные документы.
Возврат денежных средств осуществляется в течение 10 рабочих дней после проверки товара складом.
В соответствии с законодательством возврату не подлежат подшипники надлежащего качества, если отсутствует оригинальная упаковка или имеются следы монтажа.
В случае выявления брака или гарантийного случая мы гарантируем возврат или обмен товара.
Да, гарантийный срок хранения устанавливается заводом-изготовителем и в среднем составляет 2 года при соблюдении условий хранения: сухое помещение, оригинальная упаковка и смазка.
Точный срок для конкретного типа подшипника уточняйте у наших менеджеров.
Пн–Пт: с 8:00 до 17:00 (МСК).
Сб–Вс: выходные дни.
Заказы на сайте принимаются круглосуточно. Заявки, поступившие после окончания рабочего дня, обрабатываются на следующий рабочий день.
Минимальная сумма заказа для доставки составляет 3000 рублей. Самовывоз со склада возможен на любую сумму при наличии товара.
ООО «УралТехГрупп»
ИНН: 7415093830
КПП: 772401001
ОГРН: 1167456069021
Банк: ПАО Сбербанк
Р/с: 40702810838000475273
К/с: 30101810400000000225
БИК: 044525225
У подшипника 5-66412 А1ЛШ2 пока нет отзывов. Вы можете стать первым покупателем, поделившимся своим мнением.