Поиск подшипника
Статьи
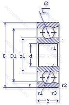
6-66203 А1ЛШ1 — Шариковый радиально-упорный однорядный подшипник, модификация основного исполнения 66203, производство ГПЗ.
Размер подшипника: 17x40x12 мм.
Нормы шумности, сепаратор из латуни, повышенная грузоподъемность.
Государственный стандарт ГОСТ
666203А1ЛШ1
В наличии
| Обозначение | Конструктивные изменения |
|---|---|
| 6-66203 А1К11Ш1 | Повышенная грузоподъемность. Нормы шумности. Штампованный сепаратор. |
| 6-66203 А1К11Ш | Повышенная грузоподъемность. Нормы шумности. Штампованный сепаратор. |
| 6-66203 А1ЛШ | Сепаратор из латуни.. Повышенная грузоподъемность. Нормы шумности. |
| 6-66203 ЛШ | Сепаратор из латуни.. Нормы шумности. |
| 66203 | Шариковый радиально-упорный однорядный подшипник. Основное конструктивное исполнение. |
| 66203-АК11 | Повышенная грузоподъемность. Штампованный сепаратор. |
| 5-66203 К | «Замок» (скос) на внутреннем кольце плюс массивный сепаратор из текстолита. |
Модификации шарикового подшипника 6-66203 А1ЛШ1 — это измененное основное конструктивное исполнение 66203, основные размеры (17x40x12) не отличаются.
| Обозначение | Гост | Конструктивные особенности |
|---|---|---|
| 6-46203 АК11 | ГОСТ | Повышенная грузоподъемность. Штампованный сепаратор. |
| 6-46203 К | ГОСТ | «Замок» (скос) на внутреннем кольце плюс массивный сепаратор из текстолита. |
| 6-46203 Л | ГОСТ | Сепаратор из латуни.. |
| 7-36203 К | ГОСТ | «Замок» (скос) на внутреннем кольце плюс массивный сепаратор из текстолита. |
| 7-36203 КЕ | ГОСТ | «Замок» (скос) на внутреннем кольце плюс массивный сепаратор из текстолита. Сепаратор из текстолита.. |
| 74-276203 БТ2 | ГОСТ | 200°. Температура отпуска. Сепаратор из безоловянистой бронзы.. |
| 46203-А | ГОСТ | Повышенная грузоподъемность. |
| 46203-АК | ГОСТ | Повышенная грузоподъемность. |
| 46203-АК11 | ГОСТ | Повышенная грузоподъемность. Штампованный сепаратор. |
| 46203-Е | ГОСТ | Сепаратор из текстолита.. |
| 46203АЕ | ГОСТ | Сепаратор из текстолита.. Повышенная грузоподъемность. |
| 46203-К | ГОСТ | «Замок» (скос) на внутреннем кольце плюс массивный сепаратор из текстолита. |
| 5-36203 Е | ГОСТ | Сепаратор из текстолита.. |
| 5-36203 ЕТ2 | ГОСТ | Сепаратор из текстолита.. 200°. Температура отпуска. |
| 5-36203 К | ГОСТ | «Замок» (скос) на внутреннем кольце плюс массивный сепаратор из текстолита. |
| 5-36203 КБ1Т2 | ГОСТ | «Замок» (скос) на внутреннем кольце плюс массивный сепаратор из текстолита. 200°. Температура отпуска. Сепаратор из безоловянистой бронзы.. |
| 5-36203 КЕ | ГОСТ | «Замок» (скос) на внутреннем кольце плюс массивный сепаратор из текстолита. Сепаратор из текстолита.. |
| 5-36203 КЛ1 | ГОСТ | «Замок» (скос) на внутреннем кольце плюс массивный сепаратор из текстолита. Сепаратор из латуни.. |
| 5-36203 КЛ2 | ГОСТ | «Замок» (скос) на внутреннем кольце плюс массивный сепаратор из текстолита. Сепаратор из латуни.. |
| 5-46203 Р | ГОСТ | Детали из теплоустойчивой (быстрорежущие) стали.. |
Аналог шарикового подшипника 6-66203 А1ЛШ1 — это подшипник такого же размера dx17,Dx40,Bx12, типа и конструкции.
| Обозначение | Конструктивные особенности | Внутренний (d) | Наружный (D) | Ширина (B) |
|---|---|---|---|---|
| 5-32203 Д | Роликовый радиальный однорядный подшипник. Сепаратор из алюминиевого сплава.. | 17.00 | 40.00 | 12.00 |
| 5-42203 Р2 | Роликовый радиальный однорядный подшипник. Детали из теплоустойчивой (быстрорежущие) стали.. | 17.00 | 40.00 | 12.00 |
| 5-80203 С9 | Шариковый радиальный однорядный подшипник. Смазка ЛЗ-31. | 17.00 | 40.00 | 12.00 |
| 50203-А | Шариковый радиальный однорядный подшипник. Повышенная грузоподъемность. | 17.00 | 40.00 | 12.00 |
| 55-32203 Б1 | Роликовый радиальный однорядный подшипник. Сепаратор из безоловянистой бронзы.. | 17.00 | 40.00 | 12.00 |
| 55-32203 Б2 | Роликовый радиальный однорядный подшипник. Сепаратор из безоловянистой бронзы.. | 17.00 | 40.00 | 12.00 |
| 55-32203 Б3 | Роликовый радиальный однорядный подшипник. Сепаратор из безоловянистой бронзы.. | 17.00 | 40.00 | 12.00 |
| 550703-М | Шариковый радиальный однорядный подшипник. Модифицированный контакт.. | 17.00 | 40.00 | 13.00 |
| 6-180203 А1С17 | Шариковый радиальный однорядный подшипник. Смазка Литол-24. Повышенная грузоподъемность. | 17.00 | 40.00 | 12.00 |
| 6-180203 А1С17Ш | Шариковый радиальный однорядный подшипник. Смазка Литол-24. Повышенная грузоподъемность. Нормы шумности. | 17.00 | 40.00 | 12.00 |
| 6-180203 А1С9 | Шариковый радиальный однорядный подшипник. Повышенная грузоподъемность. Смазка ЛЗ-31. | 17.00 | 40.00 | 12.00 |
| 6-180203 АК1С9 | Шариковый радиальный однорядный подшипник. Повышенная грузоподъемность. Смазка ЛЗ-31. | 17.00 | 40.00 | 12.00 |
| 6-180203 АС17 | Шариковый радиальный однорядный подшипник. Смазка Литол-24. Повышенная грузоподъемность. | 17.00 | 40.00 | 12.00 |
| 6-180203 АС9 | Шариковый радиальный однорядный подшипник. Повышенная грузоподъемность. Смазка ЛЗ-31. | 17.00 | 40.00 | 12.00 |
| 6-180203 К1С17 | Шариковый радиальный однорядный подшипник. Смазка Литол-24. | 17.00 | 40.00 | 12.00 |
Способы доставки
Отправка через ведущие транспортные и курьерские компании: ПЭК, Деловые Линии, СДЭК, Байкал-Сервис, Энергия, КИТ, ЖелДорЭкспедиция.
Самовывоз возможен напрямую со склада в Москве.
Сроки доставки
Срок зависит от региона и выбранной транспортной компании. Все заказы комплектуются и отправляются в кратчайшие сроки со склада в Москве.
Надёжность и сохранность
Вся продукция упаковывается с учётом требований транспортировки. Мы гарантируем, что подшипники и комплектующие прибудут к заказчику в полной сохранности.
Доставка в страны ЕАЭС
Мы работаем с проверенными логистическими партнёрами, что позволяет оперативно доставлять заказы в Беларусь, Казахстан, Армению и другие страны ЕАЭС.
Варианты оплаты:
Минимальная сумма заказа и скидки:
Документы и гарантии:
Да, конечно! Наши технические специалисты готовы помочь вам с подбором точного аналога или замены подшипника. Просто позвоните нам по телефону +7 (495) 104-99-04 или напишите на почту zakaz@podsnab.ru.
Для оперативной консультации подготовьте, пожалуйста, имеющиеся данные: маркировку, размеры, тип оборудования или артикул старого подшипника.
Да, конечно! Мы высоко ценим долгосрочное сотрудничество и доверие клиентов по всей России. Для постоянных клиентов действует персональная система скидок.
Условия формируются индивидуально и зависят от:
Чтобы узнать свои условия и получить максимально выгодное предложение, свяжитесь с персональным менеджером или напишите нам на почту zakaz@podsnab.ru.
Вы можете оформить заказ несколькими способами:
Для оформления заказа от юридического лица свяжитесь с нашим отделом по работе с корпоративными клиентами по телефону +7 (495) 104-99-04 или напишите на email zakaz@podsnab.ru, прикрепив реквизиты вашей организации.
Мы оперативно подготовим коммерческое предложение и выставим счет.
Возврат товара надлежащего качества возможен в течение 10 дней с момента получения, если товар не был в употреблении, сохранен товарный вид, упаковка не вскрывалась и присутствуют все сопроводительные документы.
Возврат денежных средств осуществляется в течение 10 рабочих дней после проверки товара складом.
В соответствии с законодательством возврату не подлежат подшипники надлежащего качества, если отсутствует оригинальная упаковка или имеются следы монтажа.
В случае выявления брака или гарантийного случая мы гарантируем возврат или обмен товара.
Да, гарантийный срок хранения устанавливается заводом-изготовителем и в среднем составляет 2 года при соблюдении условий хранения: сухое помещение, оригинальная упаковка и смазка.
Точный срок для конкретного типа подшипника уточняйте у наших менеджеров.
Пн–Пт: с 8:00 до 17:00 (МСК).
Сб–Вс: выходные дни.
Заказы на сайте принимаются круглосуточно. Заявки, поступившие после окончания рабочего дня, обрабатываются на следующий рабочий день.
Минимальная сумма заказа для доставки составляет 3000 рублей. Самовывоз со склада возможен на любую сумму при наличии товара.
ООО «УралТехГрупп»
ИНН: 7415093830
КПП: 772401001
ОГРН: 1167456069021
Банк: ПАО Сбербанк
Р/с: 40702810838000475273
К/с: 30101810400000000225
БИК: 044525225
У подшипника 6-66203 А1ЛШ1 пока нет отзывов. Вы можете стать первым покупателем, поделившимся своим мнением.